Fórum témák
» Több friss téma |
Legközelebb használd a keresőt!!
Helló
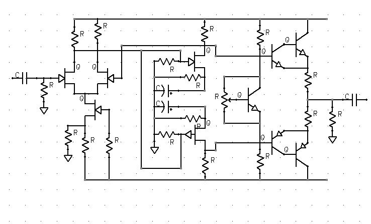
Mit szóltok az alábbi rajzhoz??? Hiányzik az elejéről még a diferenciálerősítő, és a negativ viszacsatolás!
NA befejeztem!
Itt a teljes rajz! Mi a véleménytetek?
Szia megint itt vagyok!
Most meg szeretném kérdezni hogy egy technics sa-dx-750 es erősíté rá lehet-e kötni úgy 4 hangfalat hogy a 2 front 8ohm és 150w a kettő surround pedig nem toom hány ohm és 140w(de talán az is 8 ohm) Amúgy az erősítőre azt írták neten hogy 5-ször 80 watt és 6-16ohm Előre is köszönöm
Sziasztok!
Más téma! Nem tudtam hova tegyem a kérdést, de! Az a helyzet hogy gitárerősítésre használok egy TL082-es előfokból és egy TDA7294-ből álló erősítőt! Működik meg minden csak iszonnyatossan búg! Mi a fenét tudnék vele csinálni! Persze nincs bedobozolva, csak csak úgy hevernek a panelok egymás mellett összekötögetve. Megcsináltam csillagpontosra, de így is nagyon (számomra) hangos. Főleg ha feltekerem a hangerőt: inkább a zúgás lesz hangosabb mint a gitár. Persze a gitár hangosabb, de ha az nem szól akkor királyul hallani az a bizonyos 50 Hz-es zúgást! Mit leeht itt csinálni? JAh azt hozzáteszem hogy a trafóm sima EI. Az szórhatja a hullámokat? De már kipróbáltam hogy jó messze tettem a trafót az erősítő részektől, meg vezetékektől de úgy is zúg! Segítsetek! Köszi. Peti.
Helló!
Gerjed! Javaslom tegyél mindent NYÁK-ra! De az is lehet a probléma hogy nincsen leföldelve! Nem igazán elég csak a pufferek hidegpontjánál összekötögetni... Le kell a hálózati dugaljon keresztül is földelni!! Ha igy sem múlik el a búgás, akkor próbáld meg az analóg jel vezetékén az árnyékolóharisnyát, és a testet összekötni egy 100nF-os polarizálatlan, stiroflex, vagy kerámia kondin keresztül... Ja és a TL082 őt cseréld ki, mert ez sztereó. Tegyél bele helyette TL081-et! Ez egy nagyon jó kis fet bemenetű cucc... PEACE
előfok kapcsrajz hol van?
van bemenő ellenállása?? mutassad a kapcs rajzokat pls ![]() üdv
Minden nyákon van!
3 nyákon: előfok, vég, és az egyenirányítás a kondikkal! Hát ha leföldelem a hálózati földre akkor csak hangosabb... az nem jóó. a gitár és az előfok és az előfok és vég között olyan kábel van hogy 1 ér + árnyék, ami maga a test! Tehát ahogy kell! De ezt a 100 nF-os kondisat madj kipróbálom..... A TL082 2x van használna tehát mono marad az!!!
Ez az
De a hangszín szabályzást máshogy oldottam meg! A bemenő ellenállás pedig érdekes mert nincs! Kivettem mert akkor halkabb lett..... (asszem, mert már rég volt...) Jah és a diódák sincsenek benne, de az részletkérdés Halisztok
Az r3 a bemeneti ellenállás, az semmit sem zavar ott ám! annak az a dolga, ha bevan kapcsolva a cucc és a gitárt nem dugodbe, akkor NE szedjen össze minden zajt a bemenet.!
ui: a negatív és a pozítív tápra tegyél egy 100nF-ot közvetlen a tl082 es lábaira.. (4 - gnd, másik 8 - gnd) üdv
TE az 1 Megásról beszélsz?! Én az R1,R2-ellenállásokra gondoltam. Azok nincsenek ott!
Akkor növeljem a "bemeneti ellenállást" (1M)??? Vagy árnyékoljak le mindent lemezekkel? próbáltam eltakarni őket de nem jött be... VAgy a trafót építsem be valami vaskalitkába?
külön-külön próbáltad a cuccost??
1-2 kép jól jönne a bemeneti ellenállást 100k-val próbáld ki. üdv
Jól van képeket most nem fogok csinálni! Madj holnap, de amúgy Te az R3-ra gondoltál igaz???
Azt cseréljem? AMúgy már valahová felfotóztam az előfokot - meg nem mondom hová! JAh azt én is hallottam hogy attól hogy gnd, attól nem ugyan az a két GND! Én csak így próbáltam! Simán rátenni nem akartam a földre! De így sem jobb sőt!!!! | | \/
Szia!
Meg szeretném kérdezni, hogy szerinted egy 8 ohmos 20 wattos erősítő max hány wattot bír el 8 ohmon? És egy 140 wattos 8 ohmos hangflhoz elég egy 8 ohmos 70 watos erősítő vagy ink 4 vagy 6 ohmos erősítő kéne???
egy erősítő, ami 8Ohm - on 20W - ot ad le, max 20W - ot fog leadni, mert erre méretezték.
Egy 8 Ohmos hangfalhoz olyan erősítőt kell tenni , melynek a kimenete 8Ohmos hangfalhoz van illesztve. Ha kisebb az erősítőhöz ajánlott impedancia, mint amit használsz, akkor nem fogod tudni kivenni a maximum teljesítményt és torzíthat is. Miért akarsz variálni? Egyértelműen le van írva az adatlapján, hogy mire gyártották!
Ha ugyanarról a tápról megy a cucc, akkor próbáld meg úgy, hogy az előfok és végfok között az árnyékolt kábel árnyékolását csak az egyik panelon kötöt be. Lehet, hogy ez okozza a földhurkot. (Láttam már gyári áramkörben is ilyen megoldást, valszin ez a testhurok elkerülése miatt van)
Hello! Építettem egy 4 csatornás erősítőt és sztereo jelről szeretném meghajtani, próbálkozom vele de valamelyik erősítő mindig torzít, de nagyon. Külön külön ki lettek próbálva és úgy jól szólnak. Nagyon megköszönném ha tudna valaki segíteni.
Hídba kötötted? vagy 2 megy balról meg kettő a jobbról? a föld kábelekre kell ienkor figyelni, mert ha pl van 4 potmétered, alrol ugy osztod a jelet(sávonként hangerő), és pl az RCAnál is összekötöd a földet, meg a panelen is külön összevan akkor pl torzíthat, és szokott is.
Link, Kapcsolás, kép.
Ezek nélkül nehéz segíteni, Bár a föld kialakítása lehet hiba. Isa
Sziasztok!
A neten találtam egy érdekes kapcsit ami egy 90 W-os erősítőt ábrázol 2N3055-tel. Az a kérdésem hogy szerintetek működne-e. (mert elég olcsónak tűnik!) Lehet aszimmetrikus tápról működtetni? Köszi a válaszokat; aki segít azé a pont !
Asszimetrikus tápról biztos működni fog, hisz a rajzon nincs igény a negatív tápfeszültség bekötésére...
Kicsit hasonló a JLH erősítőhöz ![]() Ha megépíted, akkor jó nagy hűtőbordára szereld a végtranyókat!
A 0,33 ómos ellenállatok hány W-osak legyenek?
Nekem is lenne egy problémám...
Remélem tud valaki segíteni! Szóval: Beszereztem egy Quad-405-öst, de mivel mono, ezért csinálni akarok egy másik oldalt is... Ezzel eddig nincs semmi problémám, viszont megvettem hozzá az alkatrészeket... Az IC-vel, a tranyókkal és a kondikkal nincs semmi baj, viszont az ellenállások kikészítenek! Hogy is mondjam... úgy látszik én már újabbakat vettem, mert első látásra színte egyik sem egyezik meg azzal ami az erősítőben van! Hogyan tudnám ezt a problémát megoldani? Esetleg van valami színkódfejtő progi? Vagy mérjem meg mindegyiket egyenként? Teljesen kivagyok! Kérem segítsetek!!! Előre is köszi!
Ez nem arra van kitalálva, hogy az ember szeresse őket
![]() Egyszerűen csak egyszer meg kell tanulni a színek jelentését, és onnantól már te vagy a király... |
Bejelentkezés
Hirdetés |







Mi a fenét tudnék vele csinálni! 
! 
Hogy is mondjam... úgy látszik én már újabbakat vettem, mert első látásra színte egyik sem egyezik meg azzal ami az erősítőben van! Hogyan tudnám ezt a problémát megoldani? Esetleg van valami színkódfejtő progi? Vagy mérjem meg mindegyiket egyenként? Teljesen kivagyok! Kérem segítsetek!!! Előre is köszi! 






