Fórum témák
» Több friss téma |
Ha már Skorit említetted, ez pont erre van kitalálva...
Bővebben: Link
Üdv!
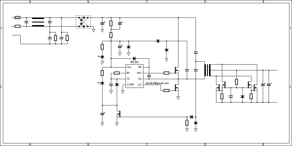
NYÁK tervezéshez kérnék egy kis segítséget. Adott ez a kapcsolás. Azt tudom, hogy az ir2110 2es lábát közvetlenül az alsó FET soure-re kell kötni, a földhurok elkerülése miatt, viszont azt nem tudom biztosan, hogy a többi földet is innét kell vinni (vezérlő ic, stabilizátor) ,vagy mivel 2 oldalas smd NYÁK-ot tervezek, aminek alja teleföld lesz, ahhoz is csatlakozhat?
Üdv Mindenkinek!
Cimopata kapcsitápjából készítem a második példányt de akadt egy apró problémám délelőtt még teljesen jól működött, most meg miután beraktam az NTK-t nem indul és az IRF730-as FET is kipukkant és vitte magával az alatta lévő fóliát is... Abszolút tanácstalan vagyok ,az elsővel nem voltak gondok (ezzel sem lesz, csak én bénázok valószínűleg) Ha valaki tud segítsen! Köszönöm!
Üdv!
Sajnos nem tudom, hogy egy ilyen szerkezetnél a földhurkok mennyire befolyásolják a működést. De szerintem amire érdemes lenne figyelmed, hogy a fetmeghajtóból a vezeték oda-vissza lehetőleg ne 2 külön kör utat tegyen meg, hanem oda-vissza egymás mellett mennyen. A vezérlésből ugyan nem folyik nagy áram a fetmegghajtóba, de ha precízek akarunk lenni akkor akkor a vezérlő GND-je az IR COM lábára csatlakoék és semmiképpen sem a fet source-ra. Ha mindegyik IC-n tápbekötéseknél van egy kis puffer + pár száz nF kerámia, akkor szerintem. mindegy, hogy hova kötöd a táp földjét.
Helló!
Tulajdonképpen fordítva el tudnám képzelni a helyzetet, hogy NTK-val megy, de anélkül elpukkan valami. Az NTK csupán kicsit lágyítja az indítóáramot, nemigazán látok összefüggést, hogy esetleg ez okozta volna a tönkremenetelt. Talán csak a véletlen dolga hogy pont akkor szált el. De régebben volt már bekapcsolási probléma Doncsó tápjánál, nála is elszállt az IRF730, ott elképzelhető, hogy nem bírta az IRF a bekapcsolási áramot amit az a n*10µF pufferkondi okozott az IR tápjában. Aztán oda jutott hogy berakott a drain és a +320V közé egy őár száz ohmos ellenállást, ami korlátozza az áramát. De lehet nem ez a gond, nálam pl. előtétellenállás nélkül nagyon rég szépen üzemel. (több százszor lett índítva.)
Aztán a graetz hip-hopp elfüstöl majd egyszer.
kbalazs018: az ic alatt kösd össze a Vss-t és a COM-ot, és kész. Kurtyka, pestside: egyszer agyaltam énis egy brutál 12V-s tápon, mellékeltem mire jutottam. (rezonáns táp, túláramvédelem, szinkronegyenirányító stb...)
Egy picit kijavítanálak, valóban betettem a drain-hez egy párszázas ajánlatot, de nem ez oldotta meg a problémát, mert ezzel is melegedett a fet csak lassabban, hanem van egy ellenállás a diódával sorosan, ami korlátozza a segédtápot, na azt csökkentettem, így nagyobb kakaót kapott és így lejött a teher a fet-ről, mert ugye az volt a szituáció, hogy a segédtáp felől nem jött annyi feszültség, hogy az nagyobb legyen a zenerek által beállitott fesztől, és a fet látta el az áramkört folyamatosan. Ez nálam az NTC behelyezése után jelentkezett. Lehet hogy pont határon volt a segédtáp feszültsége, és az NTC-vel annyira lecsökkent hogy kissebb lett mint a zener fesz, és ezért szálhatott el a FET, majd vitte a többit is. Lehet hogy Gabesz-nál is ez van.
Nálam is ez volt, lényegében az volt a gond, hogy az NTK behelyezése után nem adott a segédtáp elég feszt, és az IFR730 látta el az áramkört folyamatosan amit nem bírt, csak ugye ezzel nálam elvitte a fólia csíkokat, a zenereket, és az IR ic-t is, ezeket ellenőrizd, mielőtt újraéleszted, az IR-nek adj 10-15v segédtápot és a kimeneteket ellenőrizd le, szerintem az is elhalt, reméljük nem.
Ha minden alkatrész jónak tűnik, akkor tegyél be a FET drainjéhez egy 2-300 ohmos ellenállást, 2W , majd indítsd el a tápot és mérd meg a segédtáp feszültségét a diódájánál, ha kevesebb mint amit az IRF730-nál mérsz akkor ott a baj neked is. A segédtáp egyenirányítójánál lévő ellenállást kell csökkenteni. Javaslom a mérés idejére nyomj egy kis bordát az új IRF-re. Üdv
Jelenleg itt tartok a tervezéssel. Az ir2110 com lába közvetlenül a fet source lábán van, a közelben ott a puffer. Innét vittem tovább az ir 13-11-es lábaihoz, és innét vittem tovább a tl494-nek, és a segédtáp 7815-höz.
Igazából egyszerűbb lett volna a vonalvazetés, ha a kék(bottom) oldal teleföld, és onnét viszem a tl-hez és 7815-höz, csak nem tudom ehhez mit szólna az áramkör.
Köszönöm a gyors segítséget!
Hát igen a mai első utam a lomex-be vezet, még szerencse hogy az IR-ből van itthon még 1 . Megcsinálom az átalakításokat aztán írok hogy hogy sikerült a dolog! Egyébként az erősítőmben ugyan ez a felállás szerepel és nagyon jól hiba nélkül működik. Szóval nem lesz itt gond, csak ezt a hirtelen halált nem tudtam mire vélni...Üdv!
Csak még mielőtt megveszed az IR-t azért mérd meg hogy ami a tápban van valóban elhalt e, de ha az a vezetősáv pukkant el ami az IRF730 tól megy a zener felé akkor szerintem jó esély van rá, hogy az IR is hulla.
Idézet: „ha az a vezetősáv pukkant el ami az IRF730 tól megy a zener felé akkor szerintem jó esély van rá, hogy az IR is hulla.” Nemfeltétlen. Mert ha a 15V os külső zener előbb megy rövidzárba mint a belső 15,6V-os akkor egyszerűen csak elég a vezeték mivel rövidzár van a föld felé a külső zeneren keresztül. Ami elvileg megvédené az IR-t. Mondjuk ilyen esetekre lehetne kialakítani az IRF-ből egy vezetékvékonyítást, amin ha nagy áram indul meg egyszerűen elég és biztosan megvédi a zener az ic-t. Idézet: „Nemfeltétlen. Mert ha a 15V os külső zener előbb megy rövidzárba mint a belső 15,6V-os akkor egyszerűen csak elég a vezeték mivel rövidzár van a föld felé a külső zeneren keresztül.” Mondasz valamit, de nálam a gyakorlat sajnos ezt mutatta. Én csak ebből tudok táplálkozni. Az adatlap szerint az IR-ben is van zener, de az sem védte meg, sajnos 2 IR-t is elküldtem már jobb létre. De elméletben igazad lehet. Idézet: „Mondjuk ilyen esetekre lehetne kialakítani az IRF-ből egy vezetékvékonyítást, amin ha nagy áram indul meg egyszerűen elég és biztosan megvédi a zener az ic-t.” Ez nem is rossz ötlet, sprintbe ugyis van sáv szélesség/áram terhelés információ, ez alapján egyszerűen megvalósítható lenne.
De lehet hogy egy bizti is elég lenne és akkor nem a nyákot kéne cserélni mindig.
Másrészt, fölöslegesen túlbonyolítjátok. ui: a segédtápot össze lehet hozni áteresztő fet, és segédtekercs nélkül is...
Igazad van pimi!
Én sem használok már a legközelebbi tápban fetes leosztás. Bár nem az ilyesfajta hibák kiküszöbölése miatt (tulajdonképpen teljesen jó a fetes, csak pazarlás), hanem szimplán egyszerűsítés miatt. Aszt hiszem egy egyszerű R-C feszosztó lesz 320V ból.
Szia!
megtekertem a ferritet a táphoz, csatolok egy képet róla. Melyik a kezdet és melyik a vég ezen a tekerésen? Miért fontos, hogy a rajzon meghatározott pozíciókba tegyem a tekercselés kezdetet és véget?
Csak úgy a hasamra ütök és kiválasztok egy -egy vezetéket a ferriten, amit persze következetesen betartok a többi 2 tekercsnél is?
Magyarul én választom ki önkényesen melyik a kezdet?
Kezdésenk te választhatod, ki melyik legyen a kezdet, de utána tartanod kell magadat ahhoz, hogy a többi menet a kiindulóhoz képest, jól legyen bekötve.
Ez azért fontos, mert mésként rosszul érkeznének a vezérlőjelek a 2 fet gate-jére (esetleg egyszerre érkeznének, vagy fordítva felváltva.)
Sziasztok én egy 2x500W-os erösitőbe keresnék kapcsi tápot vagy rajzot.A secunder oldala szimetrikus 2x80V-ot kell hogy kiadjon.Kérem ha valaki tud segitsen.Köszi a válaszaitokat elöre is üdvözlettel:SACA
Szia!
Beraktam mindent, és első bekapcsolásnál izzóval az izzó egy pillanatra felizzik, majd nem teljesen de kialszik, egy picit, de még láthatóan izzik a szál benne, gondolom ez így jó. A frekvencia nem éri el a 75kHz-et, csak 45, illetve az alsó FET G-S lábain mérve 44,7, a trafó szekunderen mérve az egyik oldalon pont 45, a másikon meg 44,7. Szerintem ez elfogadható 45kHz-nek. Gondolom a kis ferritem nem megfelelő anyagú. Jól gondolom? Szekunder feszültség egyébként 2V környékén tanyázik, illetve nem tanyázik sehol, mert szinte folyamatosan változik. Megy szép fölfelé lassan. Namost lehet, hogy megáll majd valahol, de csak néhány másodpercre kapcsoltam be a tápot, míg mértem. A FET-ekről meg annyit, hogy a fölső FET nem hideg, érezhető hőmérséklet különbség van az alsó és a felső között, míg az alsó szinte teljesen hideg, addig a felsőnek egy kicsivel magasabb hőmérséklete van, de az a kategória amire még azt se mondanám, hogy langyos. Viszont hangsúlyozom, hogy ezek csak pár másodperc max 15mp. alapján. Cseréljek ferritet, vagy valami más a teendő?
Kevés a 45kHz, azon a frekvencián telitődik a mag.
Próbáld ki mi lesz ha 1-2 menetet letekersz a visszacsatoló trafó szekundereiről. Az a kérdés hogy növekedik-e a frekvencia. szerk: A képet nézve, ugye a 1 menetes tekercset, ami a fetek közös pontjáról jön, és a trafóra megy, csak egyszer fűzted át a közepén? (én ott 2x látom, ha jól látom) Toroid magoknál az az egy menet ami egyszer átmegy a közepén.
Meg, bejelölhetnéd a képen, hogy melyikek az összetartozó tekercs kivezetések. Vagy csak leírhatnád.
Ahogy nézem (de nem biztos), az is segítene ha a két szekundert, bifillárisan tekernéd meg (egyszerre összefogva)
Szia!
Színekkel bejelöltem az összetartozó párokat. Az 1 menetet meg ha úgy számolom, hogy az az 1 menet, ha középen 1X halad át, akkor bizony ide 2 menetet tekertem. Onnan megpróbálok 1-et leszedni. A kezdet-vég meghatározást úgy követtem, el, hogy a képen amiket látsz alul azok a kezdetek, és amik felül vannak azok a végek. A FET melegedésről mi a véleményed?
A helytelen működés miatt melegszik.
De, szerintem tekerd újra, és a két szekundert (ami a fetek gatejare megy) tekerd rá bifillárisan. A takonypisztolyt meg csak a végén használd, ha tuti jól működik.
Szereztem egy másik vasmagot ? ki tudja mi is ez valójában, gyárilag induktivitás volt rátekerve. Arról leszedtem egy csomó menetet, és megtekertem 13+13+1 menettel.
Ezzel az izzó teljesen sötét, nincs semmi maradék pislákolása sem. Viszont a frekvencia a béka valaga alatt van. Ezzel csak ilyen 0,akárhány kilóhertz körüli érték jött létre. Az eredeti kis ferritről meg leszedtem azt a plusz 1 menetet, a frekvencia még egy kicsivel alacsonyabb lett 43,7 kHz. Kikapcsolás után közvetlen egy halk sípolást hallani a tápból, , majd a sípolás után közvetlenül még halkabban tompa pattogást, olyan másodpercenként kettőt kb. A helyét nem nagyon tudtam behatárolni, de talán a főtafóból jön, vagy az az előtti részekből ami a hálózathoz közelebb van. Semmiképpen sem a szekunder oldalról. A főtrafó primerje meg melegszik. Kb fél perc bekapcsolás után olyan 30-40 fokos lett. Még nem próbáltam együtt a két madzaggal 13 menetet tekerni rá, de ha kipróbáltam írok mi a helyzet.
Hm, és a bekötés helyes volt a 13-13-1-nél?
Egyébként itt jön a kisérletezés, azokat a változtatásokat kell megtalálnod amik az üresjárati frekvencia növekedését okozzák, és megfelelő mértékben kell őket alkalmazni. Üresben olyan 75+-5kHz környékére kéne belőni. Amíg ez nincs meg sok érdekes dolgot fog csinálni. A sipolás azért lehet, mert miközben merül a puffer, az oszcillátor frekvenciája is csökken, és letolódik a hangfrekis sávba. A pattogás meg a meleg primér tekercs visszahűlése. Autóknál is lehet ilyet hallani, amikor a leömlők hűlnek vissza leállítás után.
Üdv!
Még egyszer köszönöm a segítséget! a táp kifogástalanul működik a következő átalakítás után: IRF 730 valamint a két zener csere, és ugye csökkentettem az ellenállás értékét 68ohm-ról 42ohm-ra. Ja és szerencsémre megmaradt az IR vezérlő IC-is! Hogyha valakit érdekelne egy kis erősítős finomság akkor szóljon mert készült itt nálam valami amit szívesen közzéteszek az érdeklődők számára! Röviden: sztereó erősítő kapcsolóüzemű táppal valamint PIC vezérésű üzemmód és hangerő választás és kijelzés egy 2x16os LCD-re...nahmeg a hőmérés és a védelmek...Üdv!
Megnézném hogy mit gyártottál. Teszel fel képeket?
|
Bejelentkezés
Hirdetés |













