Fórum témák
» Több friss téma |
Kicseréltem a FET-eket IRF740-re, így mindjárt elértem a 75kHz-et, sőt még többet is. tekertem még rá a kis ferritgyűrűre menetet, most kb 16+16+1 menetnél tartok, és így lecsökkent 75kHz-re a FET G-S lábain mérve, ugyanez a trafó szekunderén csak 38,5kHz.
Ha beterhelem egy 230V/25W izzóval a kimenetet, akkor a feszültsége leesik nullára, és a két FET viszonylag meleg lett olyan 1-2 perc terhelés után. Nincs rajtuk semmi hűtés, de kézzel még abszolút fogható. Most nincs nyikkanás, meg pattogás, tök csöndben van, de feszültség az nem sok jön ki rajta.
Még annyi, ha kiszedem a főtrafó előtti biztosítékot, akkor az izzó fénye teljesen megszűnik, az a nagyon kicsi, ahogy világít.
Próbáltam még induktivitást kötni ez a biztosíték helyébe, de az sem segített semmit.
A biztosíték nélkül szakítod a primér kört, és az oszcillátor nem működik. Induktivitást sem érdemes a helyére kötni, csak lejebb tolod vele a rez. frekvenciát, amin biztos telítődik a mag.
Arra kéne most fényt deríteni, hogy mi tröténik amiatt, hogy a kimenetet beterheled. Azt már tudjuk, hogy a kimenő feszültség teljesen lecsökken (mennyiről?). Erre kéne magyarázatot találni. Elsőnek azt nézd meg, hogy terhelve, változik-e a rezgési frekvencia. (lecsökken-e ami okozhat telítődést pl.) Valamint szóppal nézd meg a GS jelalakot, a félhíd kimenetét (fetek közös pontja) és a rezonáns kondik feszültségét. Ezt érdemes úgy végezni, hogy először terheletlenül, majd terhelve nézed. Ilyenkor látható mi változik jelentősen.
Ok. Megnézem ezeket, de majd csak jövő hét vége felé lesz rá időm.
Egyébként 4 voltról csökken le fesz nullára, és úgy emlékszem, hogy amikor beterhelem, akkor is megmarad a 75kHz a FET-en.
Üdvözletem!
Készült egy új verzió a rezonáns tápból. 250-300W körüli. Ma sikerült elkészülnöm vele, de olyan béna voltam, hogy nem vettem észre, maradt még 100V töltés a pufferben, és úgy akartam levagdalni rövidre a fet lábait. Hát persze, hogy ráeresztettem a csípőfogó hegyével az IR-re a 100V-ot. Szegény elhalt. Ennyit a figyelmetlenségemről. Egyébként eddig üresjáratban remekül működött +/-42V. Szerdán veszek új IR-t aztán megírom, hogy hogy sikerült a terhelés. üdv!
Szép munka.
Puffert el lehet intézni egy 100k-s ellenálással, az nem is fűt el túl sokat, mondjuk a 3u3 400V-s elkóval párhuzamosan. ui: ZVS-t nem akarod belőni rajta? 1db kis kerámia kondi, meg légrés és kész.
Szépen néz ki!
Én most dolgozok a saját verziómon, az enyémben lesz egy ATX-es tápegység standby áramköre is
Köszi!
Igen valóban be akartam rakni a puffer mellé egy kisütő ellenállást, de előbb "lecsípkedtem a feleslegesen hosszú lábakat" ZVS-nél nem értem pontosan miként avatkozna bele a kondenzátor a megfelelő kapcsolási pillanatban. Amúgy mennyivel lenne jobb a hatásfok? Szerintem nemsokkal.
Az a lényege, hogy a fetek közös pontjára raksz egy kondenzátort, amit a holtidő alatt a trafó mágnesezési árama tölt fel ill. süt ki. Ezért kell a trafóba légrést rakni, hogy a mágnesezési árama megfelelően nagy legyen.
Másrészt több haszna van, a hatásfok még tovább javul, a zavar kibocsájtás pedig még tovább csökken (csökken a fesz. vált. sebessége.) És pár alkatrésszel még a segédtápot is meglehet valósítani egyszerűen, ha raksz egy kapacitív osztót a félhíd kimenetére, aminek a becsatoló kondenzátora a ZVS kondi. Így nem kell külön tekercs a trafóra. szerk: ja, a hatásfok javulás pedig annak a következménye, hogy a késleltetett átkapcsolás miatt a fetek alacsony D-S feszültségnél kapcsolnak át.
Egy kapcsi rajzot lehetne kérni? Vagy ez ugyanaz a rezonáns táp egy az egyben mint a cikkben szerepel?
Üdv.
Megrajzolom, aztán majd nyákkal együtt kirakom ide, mert már egy másik srác is érdeklődött.
pimi! De ha több mágnesezési áram kell, akkor az elmegy arra amit teljesítményt megspórolunk a ZVS-üzemmódban nem? Amúgy meg sajnos sima ZCS üzemmódban is a veszteségek nagy része, a fetek vezetési ellenállásából meg a kimeneti egyenirányítókból származik. A kapacitív osztóban a kondit a működési frekvencia impedanciájára kell méretezni nem? Lehet maradok a sima segédtápnál, mert sajnos 1-2 órát elszarakodtam a trafóval, és a végén azt a 4 menet segédtekercset kész felfrissülés volt feltekerni.
Srácok segitsetek, kellene nekem EPCOS ferrtgyürű hol lehet rendelni vagy ETD -ét.
Sziasztok!
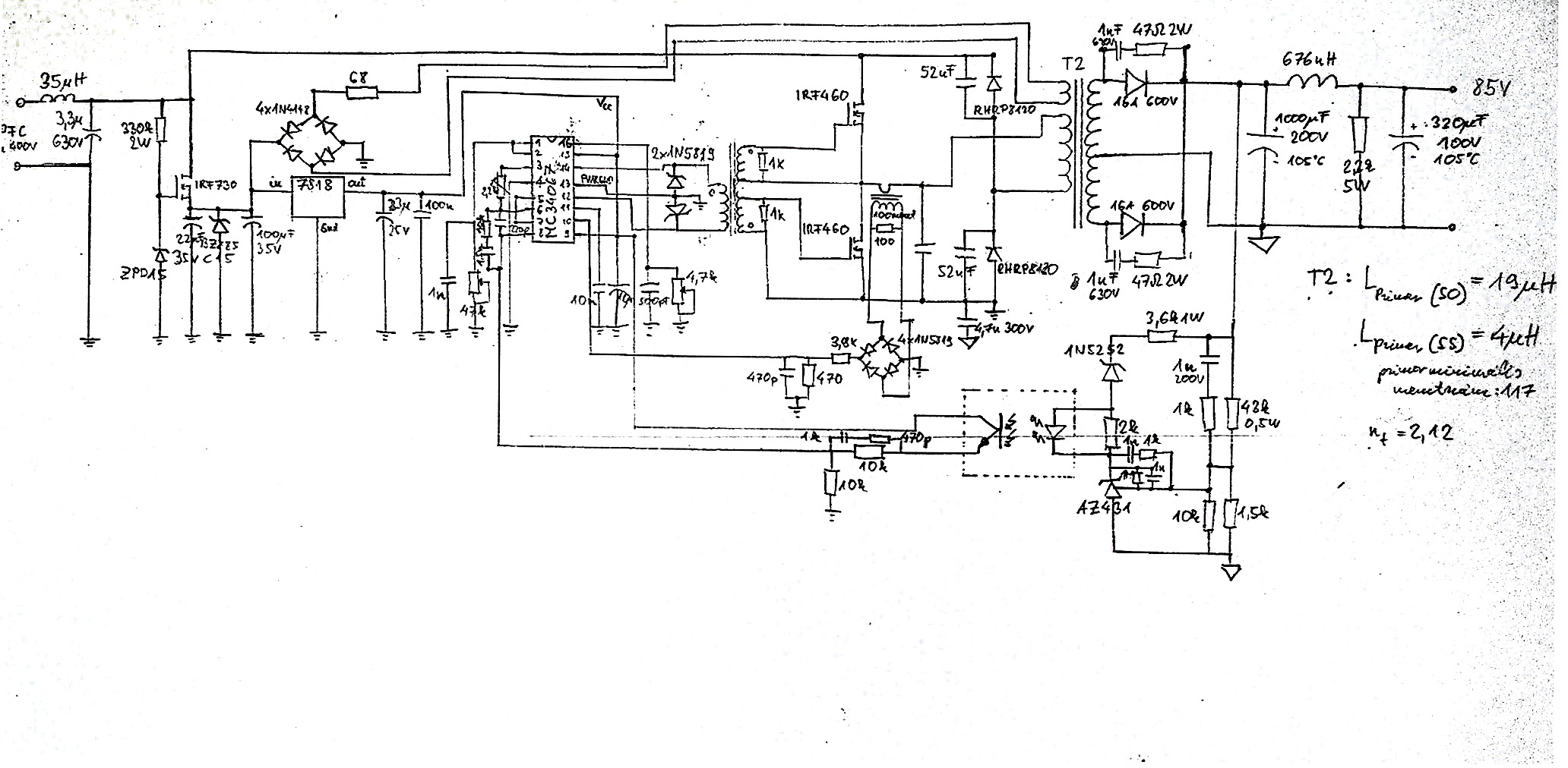
Már megépítettem egyszer skori rezonáns tápját,és egy kicsit tovább akartam lépni, mind teljesítményben,mind frekvenciában. A következő kapcsolást terveztem 350 kHz-re. Szeretném, ha véleményeznétek, hogy mi féle butságot követtem el, ha egyáltalán történt ilyen. Előre is köszönöm! Ja és ha megtennétek akkor a dedistakukacgmail.com-ra írjatok légyszi, ha esetleg valami építő kritikát szeretnétek közölni. Üdv:dEdE
A mágnesezési az meddő áram, és csak ott okoz ohmos veszteséget ahol áthalad. Trafó primérjén, rez. kondikon, feteken.
Ez a veszteség pedig kicsi, mivel a mágnesezési áram, a trafó névleges terhelésénél megjelenő primér áramához képest kicsi. Nem muszály belerakni, csak javasoltam mert 20Ft kb. az a kondi, és két papírdarab kell a magok közé. Viszont nagyobb telj.-en mindenképp kelleni fog, 800W felett. Dedista: - Mire akarod használni? Telj.? - Milyen táp ez? PWM vagy rezonáns? Vagy keverék? - Nem tudom kibetüzni a vezérlő ic tpiusát (MC3?0?7) - Minek a 350kHz? - A vez. ic meg tudja hajtani a FETeket 350kHz-en?
MC34067, rezonáns táp lenne, és erősítőhöz szeretném használni. Méghozzá hibridhez. A 350 kHz azért kellett, mert ezt az IC-t 1MHz-re tervezték, és nem nagyon akartam lemenni, ki tudja milyen a VCO-ja?!?! Ja és N87-es magon akarom megcsinálni, és kíváncsi vagyok , hogy valóban menne e ilyen magas frekin. Elvileg meg tudja hajtani, de ha nem akkor jön a tc4422-es okosság
![]() Köszi a gyors választ. Várom még az ötleteket. Bár be kell vallanom őszintén, hogy nem nagyon értettem amit írtál az első 7 sorban! Tisztában vagyok a fogalmakkal, de nem értem mire szeretnéd ezeket a módosításokat érteni?!
Heló pimi
Kis teljesítményen nem teszem még bele, da majd nagyobbnál lehet tényleg bepróbálkozom vele. Jó lenne tudni, kb menyi veszteséget spórolunk meg ezzel a ZVS-üzemmóddal mondjuk %-ban. De még mindig elenyésző lehet a vezetési meg az egyenirányítási veszteséghez képest. Kösz a tippeket. ![]() Bocsi! Félre értettem, most már vágom, hogy nem nekem szólt az első 7 sor.! ![]()
Heló dedista!
Ebből az IC-ből vettem néhányat itthonra, potosabban az SMD változatából. Én ebből akarok majd nagyobb teljesítményre építkezni (~700-800W). CSináltam az IC-vel egy kis panelkét maivel kipróbáltam kb mit tud. Főleg a meghajtás terén próbálgattam, de a trafós meghajtás nem jött be. Azt hittem az a 1,5A-s meghajtás bírni fogja, de nem. Úgyhogy nekem maradni fog az IR2110. vagy esetleg ha jobban tetszik, akkor gyors optó+még bikább fetmeghajtó. Egyébként szerintem jó-kis IC. A freki szabályozásával nagyon jól kordában lehet tartani a kimenőfeszt. Jó lenne egy nagyobb kicsit nagyobb felbontásó rajz. Én kiegészítettem az ULVO/ENable, Vref, Fault Input részt pár tranzisztorral, mert különben ha letilt a fault miatt akkor nem kapcsol be újra.
Sziasztok!
Vettem ezt a vasat(melléklet) 550Ft-ért és szeretném megkérdezni, hogy kb. mekkora teljesítményt lehet kiszedni belőle, cimopata tápjához fel lehet-e használni. Azt furának találom, hogy a két fél magra nem azonos Al érték van írva. Ez lehet gond? Az M2 gondolom az anyagára utal, de ha nem javítsatok ki. Köszi!
A méretéhez képest keveslem az Al értékét. Nem porvas ez véletlenül? Csinálj rá 10 egy menetes próbatekercset és mérd meg hogy mit mutat összeszerelve.
Érdekes egy IC, de a 350kHz ekkora fetekhez, és teljesítményhez sok lesz szerintem.
cimo: A kapcsolási veszteség felét kb. a FETek kapacitásainak áttöltése teszi ki. A ZVS ezen segít. A ZCS pedig a szinuszos primér áram miatt azon, hogy ki-, be-kapcsoláskor nem a maximális primér áram folyik a feten, hanem közel nulla. Ez azért fontos, mert a ki ill. a bekapcsolás közben a FETek az aktív tartományában vannak. Nagy teljesítményekre pedig nagy feteket kell rakni, amiknek a csatorna ellenálása kicsi, így a vezetési veszteség is alacsony. Cserébe viszont brutális kapacitásai vannak, amik a kapcsolási veszteség jelentős! növekedését okozzák majd. Elenyészőnek neméppen nevezhető, 1kW-os félhíd felépítésű táp esetén, ZVS-el fél óra mire a hővédelem lekapcsol (90˙C) ZVS nélkül egy-két perc.
AZ anyagot nem ismerem pontosan, olyasmi van, hogy M2TN-B, vagy C vagy D, olyan is van hogy M2F. Midegyik más és más.
A méreteiből ítélve 60-70kHz-en szerintem 1kW átmegy rajta. Kérdés hogy mit tud az anyaga.
Digitális müszert kapcsolt 100-200 k ra és kb 2-3 cm távolságban erösen érindzsd a ferrit maghoz a méröhegyet és ha 15-17 k lesz az jó ha nem szerintem nincsértelme vele kisérletezni ha 5k allat max 20 kz ig tudod hajtatni.
Idézet: „A kapcsolási veszteség felét kb. a FETek kapacitásainak áttöltése teszi ki. A ZVS ezen segít. A ZCS pedig a szinuszos primér áram miatt azon, hogy ki-, be-kapcsoláskor nem a maximális primér áram folyik a feten, hanem közel nulla.Nagy teljesítményekre pedig nagy feteket kell rakni, amiknek a csatorna ellenálása kicsi, így a vezetési veszteség is alacsony. Cserébe viszont brutális kapacitásai vannak, amik a kapcsolási veszteség jelentős!” Ezzel tisztában vagyok, de ha kicsi kapcsolási veszteséget akarunk, akkor elsősorban nem érdemesebb erősebb erősebb meghajtást beiktatni? A gyors-ki-be kapcsolás ezekben a tápokban nem akadály, ellentétben ugye a PWM tápokkal, ahol azt hiszem hard switchben kapcsolgatnak a fetek, tehát az áramot épp a csúcson szakítjuk meg. Ott azokban probléma lenne a gyors kikapcsolás, itt már nem nemdebár? Ne étrcs félre nem vitatkozni vagy értetlenkedni akarok csak egymás mellé állítani a dolgokat, mit hogyan. Idézet: „Digitális müszert kapcsolt 100-200 k ra és kb 2-3 cm távolságban erösen érindzsd a ferrit maghoz a méröhegyet és ha 15-17 k lesz az jó ha nem szerintem nincsértelme vele kisérletezni ha 5k allat max 20 kz ig tudod hajtatni.” Ez miért is van így? Főleg ezt a frekvenciával való összefüggést nem értem. üdv
Szia!
Itt van nagyobb méretben a kapcsrajz. Akkor ezek szerint be kell iktatni egy IR2110-et,és az már meg tudja hajtani a FET-eket?!?! Nagyon Örülnék, ha földobnád az általad csinált tranyós részt a Fault detectorhoz és az UVLO/Vref-hez. Sokat segítenél. Csak biztos tervezés után szeretnék építeni. Apukám mondása: Kétszer mérj egyszer vágj... ![]() Várom az ötleteket, hogy jó lesz e 350 kHz-en a 4 uH-s szórt induktivitás és a 19 uH-s primer induktivitás. Valamint az 52nF-os kondi (Crez)?? És valóban működni fog 350kHz-en? Alkalmas erre az IC?
Azt irta a srác hogy nem tudja a ferrit márkáját ez arra a metódusra szoktuk használni, tegyél egymás mellé több fajta feritet pl: N27,N87 és még valamilyet és fogod látni minél magasabb az elenálása annál magasabra tudod tekerni a trafón a frekit.
Összefoglalom mindenki számára:
Alapvetően a FETek veszteségét két nagy csoporta lehet bontani függetlenül attól hogy milyen tápban vannak használva: - Vezetési - Kapcsolási Vezetési veszteség a RDSon-tól függ, minnél kisebb annál jobb. A kapcsolási veszteséget megint két részre lehet bontani: - Az aktív tartomány áramából adódó A fetek átkapcsolás során nem kapcsolóként viselkednek, hanem egy változó ellenálásként, ennek a minimum értéke az RDSon, maximum értéke pedig a DS feszültség és a DS szivárgóáram hányadosa. Amíg a fet ellenálása e között a két érték között változik, addig a feten áram folyik, ami veszteséget okoz. Ez ellen két dolog véd, az egyik a gyors meghajtás, ami miatt az aktív tartományban való vezérlés hossza rövid, ezért a veszteség is kicsi. A másik a ZCS (Zero Current Switching) Ennek az a lényege hogy az áramkör konstrukcióját úgy kell kialakítani, hogy amikor a fetek az aktív tartományban vannak, akkor a rajtuk folyó áram nulla legyen, így ez a veszteség szinte teljesen megszüntethető, míg a gyors meghajtás csak csökkenti. - A kapacitások áttöltéséből adódó: A fetek bekapcsoláskor saját kapacitásukat kisütik, az abban tárolt energiát eldiszipálják, a másik fet kapacitását pedig egy nagy áramimpulzussal feltölti, ami szintén disszipációt okoz. Ráadásul ez a fetek aktív tartományában történik. A gyors meghajtás ezt a veszteséget csak növeli. Ez ellen a veszteség ellen hatásos a ZVS (Zero Voltage Switching) Ez olyan áramkör konstrukciót jelent, amiben a kapacitások áttöltése a fetektől függetlenül, lehetőleg veszteség nélkül történik. cimopata: Idézet: „Ezzel tisztában vagyok, de ha kicsi kapcsolási veszteséget akarunk, akkor elsősorban nem érdemesebb erősebb erősebb meghajtást beiktatni?” Nem, inkább káros lenne. Másrészt van egy felső határ ami fölé nem érdemes menni, mert jelentős javulást nem okoz. És a feteken még mindig van jelentős kapcsolási veszteség. Idézet: „A gyors ki-be kapcsolás ezekben a tápokban nem akadály” A te tápodban akadály, mert ott a fetek még mindig egymás kapacitásait töltik, ill. sajátjukat sütik ki. A ZVS ezen segít, megvalósítani úgy lehet hogy megnöveled a trafód mágnesezési áramát, ami a holtidő alatt pont olyan irányú, hogy áttölti a fetek kapacitását. A plusz kondenzátor csak az áttöltés lassítása miatt kell. dedista: Idézet: „Várom az ötleteket, hogy jó lesz e 350 kHz-en a 4 uH-s szórt induktivitás és a 19 uH-s primer induktivitás. Valamint az 52nF-os kondi” Nem azt várod inkább hogy valaki kiszámolja helyetted? Thomson képlet alapján stimmel. Viszont a szórási ind. gyanúsan kicsi. Valamint még mindig nem írtad le mekkora teljesítményű lenne. Toth Karl ötlete pedig jó, csak kicsit kuszán fogalmaz. A lényeg az hogy minnél jobb anyagú a ferrit, annál nagyobb az ellenálása. Mivelhogy nagyobb ellenálású anyagban ugyanolyan körülmények között kisebb az örvényáramú veszteség. |
Bejelentkezés
Hirdetés |
















