Fórum témák
» Több friss téma |
légyszi valaki segítsen a legutóbbi kérdésemben....
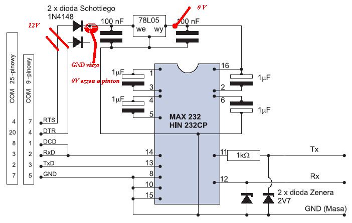
Fontos lenne ! Köszönöm Elkészült a max232-vel az adatkábel. Ki is próbáltam.. Kérdésem az lenne hogy hogyan tudnám tesztelni hogy az adatkábel jó-e ? Mert a gond ott van hogy a semmi adatmozgás sem stabil ha van egyáltalán rajta. Egyszer a com porton nem észlel a szoftver-jelet , ha lel akkor meg megszakadhat a kapcsolat mert a folyamatba belekezd de aztán hibát ír ki. MediTeK - chip-et Ismeretlennek látja . A rajzon észrevettem hogy a kimeneti Tx és Rx felvan cserélve a SLOPE kapcsolásához viszinyítva. Csatoltam képeket a kapcsolásról, bekötésről és visszább kicsit a dvd-hez szükséges lábkiosztás. Most Csak a Rx,TX, GND használtam mert ennyi a kimenetem összesen. A DVD-n még van egy láb 3V3 Oda ha minden igaz tán 3 volt kell De honnan ?
Szia!
A kapcsolás az alap csak 3232-vel mert a táp 3,3v. A vonalat 10k-val testre tettem és úgy jó lett. Ez nincs rajta a rajzon. Sikerült a DVD frissités?
Ujabb feljleményre jutottam. Adatfolyamat az csak van mert ha összekötöm a dvd-vel valamit ki olvas a flash-ből de aztán zuditja a hibaűzenetett.
Ha mond valakinek ez valamit : (BACKUP: Indítása ) Started Jun 28 2005 18:30:50 - Output file created - COM Port opened - Init (Top Align) - Flash Chip Vendor : 0xAA Type1 : 0x89 Type2 : 0x55 Model : Unknown Chip Size : 0x00000400 Start : 0x00000040 !!! TODO !!! ----------------------------------------------- <-- BACKUP (Hibaüzenet hozzá) Error: This Feature is still in development state and is disabled for now. So Please be patient and check future releases for this feature (Aztán ujraindítom A backup-t) Azonal ez : no answer from player Please check com port and try power cycle the palyer a max csak jó lenne ? Szerintem a dvd-n az a 3V3-as csati lehet a gond . Az Tx és Rx + gnd ez így elég a flash meghalytásához? >
Most olvasom a többit. A dvd-nél a 3.3v az szerintem kimenet, tápot ad az adatkábelnek ha kell. Amit még észleltem hogy a kapcsolásnál 2,7v-os zéner van bent Ezt a feszültség szintet nokia telefonok használják. A dvd-nél ez szerintem 3,3v. bár ez kis jelszint eltérés de a számítógép felől kapott táp és a jelszin kissebb értéke okozhat instabilitást..
Köszi a hozzászólást ...
Lehet igazad van én is ilyesmire gondoltam hogy kicsi a meg halytás és igy nem stabil a kapcsolat . Ha lehuzom a dvd-ről a csatit egyfolytában error és még tán a portot sem nyissa meg , de ha dvd csatlakozik a port nyitva és keservesen valami adat is jön át. Sajna az elektronikához javítás szempontból B... vagyok így minden segítség jól jönne mit mérjek és hol , vagy mit cseréljek ezzen a kapcsoláson.. Most a com1 portra van kapcsolva . de olvastam hogy lehet nem hajtja meg minden alaplap rendesen a max232.
Az a baj hogy nem ismerem a szoftvert amivel a dvd-t akarod frissiteni, de a lényeg hogy az ilyen kapcsolásnál a com port-nál flowcontrol-os vezérlésnek hardwares vezérlésnek kell lenni, mert külömben nem ad ki feszültséget. Viszont a dvd 3 vezetékes bekötésnél a flowcontrol none. Tehát szerintem feszültség nem jön ki, ezért nem tudsz mérni rajta. Ha belehet állítan a hardwares vezérlést akkor át kell kötni az rts- a cts-el dtr-t a dsr-vel és ez az összekötést kell a diódára rákötni.
Vagy a másik megoldás a külső tápot kell adni a 7805-re. A számítógép csatin csak a 2,3,5 lábat kell bekötni.
Üdv!
Nem polaritás függö ugyanis 0,1 polarizált kondit nem is hiszem hogy kapsz... 0,1-1 uf -ot szoktak irni rá hogy még müködik de én inkább a 100nf kondikat szoktam használni hozzá 1uf polaritásra is kell figyelni itt nem mert nem poláris a 100nf... De miért ne kapnál 0,1uf -ot? Elég ciki ha nincs egy boltban... Én a helyedben nem is foglalkoznék a 7805-el meg az 1n4148 akkal.... a dvdn van direkt a táp hozzá az a 3V3 amit nem tudsz hogy mi az egy 3,3V-os táp kimenet ahogy irták előttem is pont az adatkábelnek. a max232-t szereld össze a 0,1uf os kondikkal pc csatira a DTR RTS-t ne kösd be csak a GND, RX, TX, meg a DCD-t ami nem tudom minek de lehet a progi kéri...
Jah a kábel probához tettem ide: http://iam.home.tetye.hu/~torrent/ neked egy terminal.exe-t azt megnyitod beállitod a dvdröl leveszed az rx-tx et össze kötöd és amit elküldesz teminálban azt vissza is kell kapnod akkor jo.
Igen
Egyet értek veled de a jelenlegi gondom az hogy a max232-t meghajtottam a jelölt dvd 3V-al és semmi változás . (nem ismeri fel a szoft a flash memoriát.) De egyik soft sem ! Illetve valamit komunikál mert ismeretlen flash rom-nak ismeri fel... TX-RX lábat lehúzom akkor pedig ( Nem észleli a flash-t) Néztem a soft-ot is hát ha nem ismeri ezt a flash-t , de benne van ez a tipús (29LV160BE-70NC). szerintem az összes max232-es kapcsolást kipróbáltam amik itt szerepelnek de egyik sem jó jelen dvd-hez. (mindegyiknél ugyan az a jelenség.) Ezért gondoltam max3232-re hát ha az jó lenne hozzá.. Még valami most max232N-t próbáltam.. De mi a különbség a max232CP-hez visszonyítva az árán kívűl mert a CP-nek 3x-os ára van KB.(a rajzon CP-t ir azt hiszem ) Csatolom a max3232 -es rajzot is ami kimondottan 3v-os értelemszerűen .
A max232 nem működik 3,3v-ról. Az rs3232-es rajz az jó szerintem annak működnie kell. A betűjelzések az első a hőmérséklet:
Operating Temperature Ranges MAX2 _ _ C _ _................................. 0°C to +70°C MAX2 _ _ E _ _................................-40°C to +85°C MAX2 _ _ M _ _.............................. -55°C to +125°C A második ha jóltudom a tokozás a P a DIP.
köszönöm
végre biztos a max232-es nem jó a flash írására. de egyébként a pc-ről is kapott tápot az első kapcsolás szerint de igy sem volt jó.. Max232 - kilőve, próbálom a max3232-t csak azt nem értem hogy az aktuális softver-hez miért ép a max232-es kapcsolást csatolták. (Lehet beugratás mert még egyik forum-on sem olvastam olyat hogy max232-vel kel az adatkábelt megvalósítani dvd-hez. De Max3232-re van példa csak éppenséggel akinek jó az nem teszi közzé a kapcsolást.) Kedves Zsa! Ha én kérdezek valamit valakitől privát üzenetben és az a valaki veszi a fáradtságod a válaszadásra (nem egy tippet, ötletet javasolva), akkor általában válaszolok. Pl., hogy a javasolt ötletek beváltak-e vagy sem, nem pedig itt fújom tovább ugyanazt a siránkozást. Köszönöm, csak ennyit szerettem volna még mondani (amolyan "közérdekű" információként) Továbbra is kívánok: Sok sikert!
sziasztok
Elsőkét is Slope -hozzászólására igazad van. ( de sajna megerősítést nem kaptam hogy a max 232-es kapcsolások nem minden esetben jók a dvd flash írására így idiótaságomra az összes kapcsolást végigpróbáltam sikertelenül. (és ez okozta a kavalkádot) Sumo777 javaslatára max3232 as kapcsolást megépítettem és tényleg jó. sikerült a frissítés . Javaslom mindenkinek ezt a kapcsolást MTK-chip-es dvd-hez. Jelen gondom az hogy a frissítés után a készülék nem működik tökéletesen friware okból . (nem megfelelő hozzá) Most szereztem egy ugyan ilyen dvd-t és arról akarnám leszedni . A gondom az hogy ha a dvd bevan kapcsolva (nincs standby rajta) nem lehet olvasni és írni sem a flash-t Arra gondoltam külső tápról hajtanám meg 3v-al hát ha ugy jó lenne. Hova kössem a 3v-ott ? +- lábait ( a 15-re vagy a gnd-ra)
Szia!
Nem egészen értem a kérdésed. A 15-ös láb a gnd tehát a negatív. A 16-os láb a vcc pozitív 3,3v. De ha a csipp nem lesz áram alatt akkor nem tud összekommunikálni szerintm. De ha áram alatt nem tudod összekötni próbáld meg az induláskor elkapni. Ha van benne belül reszet akkor azzal ujrainditani és akkor összekommunikáltatni.
Hello
Köszönöm a segítséget jó a tanács. Mivel fix a bekapcsolásu a DVD így betöltötte a dvd a flasht és nem lehetett újrairni ilyenkor. Reset sajna nincs vagy nem leltem. de Ha egyszere kapcsolom és indítom a soft-ot akkor működik.. Nagyon köszönöm.
Sziasztok !
Valaki próbálta már felhasználni a max232 V+ és V- lábát pl arra, hogy tápláljon egy műv.erősítőt ? Nagy butaság volna kipróbálni ? (Ha igen, akkor miért?) Üdv, Ger
Nem butaság, néhány mA-ig gond nélkül megteheted. Volt már olyan áramköröm, amiben jobb híján így kapott tápot egy műveleti erősítő, működött szó nélkül.
Üdv mindenkinek!
Szeretnék megerősítést kérni egy kérdésben. A MAX232 ic kimenete, bemenete érdekelne, nem a pc felőli oldalon. A kérdés a logikai szintekre vonatkozik, mekkora feszültség tartozik a H és L szintekhez? Az ic 5V ról van etetve. Van némi PDF megnyitási gondom, így az adatlapot nem tudom meglesni A segítséget előre is köszönöm.
A _MAX232_adatlapja_szerint_ az L szinthez 0V - MAX 0.8V, a H szinthez MIN 2V - 5V-os feszültség szint tartozik a TTL bemeneti oldalon.
A MAX232 TTL kimeneti szintjei, L szint: 0V - MAX 0.4 (3.2mA), H szint: MIN 3.5V - 5V ( 1mA ).
Sziasztok
Hozzájutottam egy u-Blox GPS-PS1E GPS modulhoz - ezúton is köszönöm - viszont egy kis élesztési gondom támadt.Ezt a modult egy USB-RS232 adapterrel szeretném a gépemre kötni és u-Centerrel használni, kipróbálni. A modulon a következő csatik vannak: 1. TX_B - O 2. Vcc - I 3. TX_A - O 4. Vbat - I 5. RX_A - I 6. Timemark - O 7. RX_B - I 8. GND Namost, ezeket a lábakat kéne összekötni az USB-s adapterrel, de nem tudom mit-hova kellene kötni. Ebben kérnék segítséget. A modul működik, mivel ha a multimat rákötöm a TX_A lábra, akkor kb. másodpercenként "csipog". Szerintem 232-es szinttillesztő van az adapterben, mivel 2 IC van benne. GPS modul adatlap Köszönöm szépen
Senki? Nem sürgetni akarom, csak még szeretném ma megnézni hogy sikerül-e és addig nem is nagyon akarom elrakni, mert aztán valahogy nehezen veszem elő.
Szia Tamás.
Serial A port az kimenet, a Serial B a bemenet. Gondolom a B portján tudod küldeni a parancsot, az A porton olvasni a pozíciót. Mindenféleképpen kell egy MAX232 konverter, ezt írja az adatlapja. A képből úgy veszem ki, hogy van maga a kontroller, mellette az SRAM és a csati alatt egy 4k EEPROM. Pár szóval: semmilyen szintillesztő nem található rajta, amit azzal erősít meg az adatlap, kell néki a szintillesztés. Ha univerzális soros buszon akarod használni akkor FT232 konverter kell neked, ami így nem lesz olcsó mulatság, mert egyből kettőt kell venned. Ajánlott a V_BAT használata is, ha az SRAM tartalmát nem akarod elveszíteni. Remélem tudtam segíteni a hardveres oldalon, szoftveresben sajnos nem nagyon tudok segíteni.
Szoftveres gond nincs, jó dolog az u-Center.
A tárolás nem lényeg, csak működne... bár most "pihen". Ami USB-Soros átalakítóval próbáltam azon két IC-van. Az egyik egy PL-2303 és egy ZT213. Ebből utóbbi a szintillesztő. Tehát szerintem nem kell... De még majd egyszer még ránézek... lehet valamit eltoltam a csatlakoztatással, ha így sem akkor kipróbálok egy MAX232-es IC-t. Amúgy a csatlakoztatás egyszer sikerült csak "hülyeségeket" kaptam a programban. Másodpercenként küldi a modul az adatokat, és ezek a zagyvaságok másodpercenként jöttek.
Szia.
Idézet: „sikerült csak "hülyeségeket" kaptam a programban.” Akkor vagy összecserélted az rx -tx vonalakat, vagy nem fegfelelő a kapcsolat beállítása. Az az a paritás bit stopbit stb ki/be van kapcsolva. TEljesen mindegy milyen baud értéket állítasz be mert a legnagyobbat is birja, de a biztonság kedvéért, 9600baud/s -ra lőd be, 1 stopbit legyen, paritás ne legyen. a PL2303 -hoz kell szintillesztő, de a ZT213, ezt már alapból megoldja.
Üdv!
Én MAX233 IC-el megépítettem az ITT látható adaptert. Milliószor leellenőriztem már, de mégsem működik úgy, ahogy kellene. Igazából csak sötétben tapogatózok, mert PC-vel nem tudom tesztelni, egy router soros port kivezetéséhez kellet. Másik végére egy servo motor kontroller (SSC-32) van kötve. Amikor adatot küldök (motor mozgatás), akkor a kontroller LED-je villog is, miszerint fogadott adatokat. Mégsem mozdulnak meg a motorok. PC-re dugva a kontrollert, a kis utility progival, tudom müködtetni a motorokat. No most az adapter áramkörömből, csak az az egy konti hiányzik, ami a VCC, GND között van. Szerintetek ez lehet gond? Másra már nem tudok gondolni, mert egyszerűen minden jó, 50. átnézés útán is...
Szia!
Adatátviteli sebességek stimmelnek? Vezérlés szoftveresre van állítva a használt soros port Windowsos beállításainál? De minek egyáltalán az adapter, ha direktben tudod működtetni a soros porton keresztül? Vagy mire kell az adapter? |
Bejelentkezés
Hirdetés |









- viszont egy kis élesztési gondom támadt.





