Fórum témák
» Több friss téma |
- Ez a felület kizárólag, az elektronikában kezdők kérdéseinek van fenntartva és nem elfelejtve, hogy hobbielektronika a fórumunk!
- Ami tehát azt jelenti, hogy a nagymama bevásárlását nem itt beszéljük meg, ill. ez nem üzenőfal! - Kerülendő az olyan kérdés, amit egy másik meglévő (több mint 17000 van), témában kellene kitárgyalni! - És végül büntetés terhe mellett kerülendő az MSN és egyéb szleng, a magyar helyesírás mellőzése, beleértve a mondateleji nagybetűket is!
Üdv! Fel tudnál tenni az egészről egy képet? Csak mert amit mellékeltél, az az 555-ös állandóan astabilban megy, adja z impulzusokat, és te a nyomógombbal engedélyezed a másik IC-t.
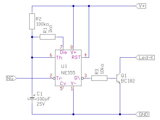
Az 555 mono amit csináltál, a jó is, annyit kell hogy, a led helyére egy optocsatolót rakni. A kimeneteit pedig sorbakötni a ledekkel.
Az 1 kapcsolós megoldás pedig annyi, hogy a mono triggerjét felhúzod a tápra, és egyúttal egy diódával rákötöd a kapcsolóra, hogy amikor megnyomod földre húzza azt is. Ha nem érthető lerajzolhatom. Szerintem így megoldható.
Értem, és kösz h fáradsz.
Légyszi rajzold le a biztonság kedvéért ha van időd, de nem kell sietni mer mostmár úgyis fekszem , meg nincs is optocsatolóm itthon, úgyhogy ha holnap délben felrakod nekem az is jó. Nagyon köszönöm!
Nemröhögni Paint & touchpad & hasonfekve
Valaki kössön bele, mert csak tipp, hogy így jó lesz. Üdv
Hujikolp!
Lefényképezhetem, de csak próbapanelen van és nem hiszem h túl sokat lehetne látni belőle, de felteszem. Kösz a segítséget tőled is ![]()
Akkor az optocsatoló led-anódja és tranyó-kollektora is a tápra megy?Akkor gondolom a led katódja a gndre.(mármint még mindig az optoról beszélek.)
opto: ugyanúgy mint mikor leddel próbálgattad .
anód: az ellenállásra ami az 555 mono kimenetén van katód: föld tranyó kollektor: plusz táp tranyó emitter: a tranyók fele, amik a ledeket kapcsolgatják. De ha nincs optód és van türelmed akkor megpróbálhatod sima tranzisztorral is.
Kösz a segítséget, holnap szerzek optót és majd írok ha működik(de főleg ha nem
)
Igazán szívesen. Remélem menni fog.
Sikerült beszélnem a kapcsolás kiagyalójával. Neki az autóban hibátlanul működik LM2931-el hűtés nélkül. Ez csak az AVR-t hajtja meg.
Biztos valami hiba lehet, de nem tudok rájönni. Ezzel tette közzé a kapcsolási rajzot is.
Szia!
Hát nem tudom.. Ha megnézed a katalóguslapját: A karakterisztikáit 100mA-ig adják meg, ráadásul 2W körüli max. disszipációval. Ez nagyon kevés egy 12V-5V-os stabilizátornak. Mérd meg az áramköröd áramfelvételét, és akkor többet tud az ember.
Szaisztok!
Lenne egy kérdésem. Csináltam egy astabil multit 555-el, a képet mellékeltem, (azokkal az értékekkel csináltam ami a képen van) És a GND-re, meg a kimenetre kötöttem egy relét, és a egy 1N4001 diódát a relének ehhez a 2 lábához, a dióda - oldala van a kimeneten, és a + meg a GND-n, és ha bekapcsolom, akkor a relé meghúz, és soha többet ki nem enged Mit rontottam el? Mi lehet a baja?Köszi előre is!
Hol van mellékelve a kép?
Üdv,
ennél a fogónál: HESTORE: Univerzális saruzó fogó, 230mm a középső lyukak mire valók, ill. hogy kell használni? (csavarok rövidítése?)
Például csavarokat, vezetéket.
Vagy amit beledugsz. ![]() Szétnyitod a fogót, amikor a furatok fedésbe kerülnek, akkor támadhatod meg a nyílás a vágandó anyaggal. Utána értelemszerűen összenyomod a fogó szárait.
Köszi!
Hm, és így el tud vágni egy M5-ös csavart? Majd kipróbálom mire jó
Nem hiszem, hogy ezt a fogót csavarok darabolására találták volna ki. Max réz csavarokat.
Ahhoz elég gyenge szerkezet.
Kipróbáltam, simán elvágja az M5 horganyzott csavart, az egyik furat az menetes, erről kell beletekerni a csavart és elvágni, kitekeréskor a vágási sorját is kiigazítja így rámegy az anya is.
Az enyém egy német gyártmány, lehet kicsit keményre van edzve mert a blankoló résznél az éle az kipattant és elég szürke a törésfelület.
Opsz az lemaradt bocsi
. Most már mellékelem a képet, mindent úgy kötöttem, mint a képen, és a relé nem enged ki! Mit ronthattam el? Lehet, hogy ellőttem az 555 kimenetét? Vagy be kellene tenni egy tranyót, akimenetre?Köszi előre is!
Kezdésnek tegyél be egy kisebb kondit (Pl.: 1µF-ot.) Ha azzal kattog, akkor a kapcsolásod jó...
Számold ki a frekvenciából az időtartamot és várd ki még szintet vált.
Hát elvileg mint a képen is látható, 869 s és 153 s az időtartam nem? 1µF-es kodit mingyárt teszek bele.
A kép amit mellékeltem az úgy működöképes lenne?
1µF-essel se működik! azzal is meghúzva marad. Lehetséges, hogy az IC a rosz?
üdv mindenkinek!
azt szeretném kérdezni, hogy van két motorom (nyom tatóból) amiknek 4-4 kivezetése van, de nem tudom hogy mit hova kössek ebben kérném a segítségeteket a válaszokat előre is köszi
Az valószínűleg léptetőmotor lesz, a vezérlése nem olyan egyszerű. Keress rá, ha bővebben érdekel.
Most kattogott az 1µF-essel! Amikor az ic 5. lábához kötött 10 nanos kondinak az ujjammal megérintem azt a lábát, ahol csatlakozik az Ic 5. lábához, akkor működik! Gondolom leföldelem valahogy
Most mit csináljak, hogy jó legyen?
Milyen tápról használod? Nem túl brummos? Elviseli a relé terhelését?
Hello!
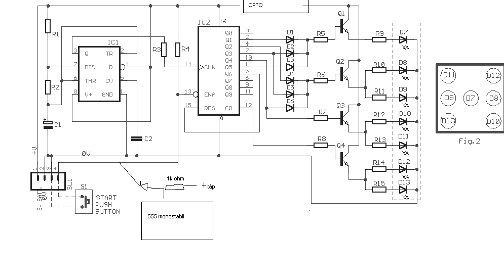
Felesleges ide optocsatoló, meg nyalánkságok. A mellékelt rajzot készíts el. A monostabil bemenetét közvetlen rákötheted a nyomógombodra. Ha azt megnyomod, GND-ra zárja a bemenetet. Engedélyezi a 4017 számlálását, és egyben elindítja a monostabilt. Erre a monostabil kimenete magas szintű lesz, kinyitja a tranyót, és égnek a Led-ek. Ha elengeded a gombot, a 417 megáll, és mutatja a pillanatnyi értéket. Azután mikor letelt a monostabil ideje, akkor az kikapcsolja a Led-eket. Kb. 10 másodpercig fognak világítani ezekkel az alkatrészekkel. (De ha 10másodperc fölött nyomvatartod a gombot, amikor leengeded azonnal kialszanak a Led-ek. Lévén, hogy a gomb megnyomásakor kezdődik a monostabil ideje.) Persze a Led-ek katódját lekötöd a GND-ről és a tranyó kollektorába kötöd. Lehetne egy kicsit takarékoskodni is. - R5-R6-R7-R8-R3 tök felesleges. Azok helyett rövidzár is megteszi. - A páros diódákat (pld. D8/D9) nem párhuzamosan, hanem sorba is lehet kötni, és R10-R12-R14-et 680ohm-ra cserélni. Így R11-R13-R15 elmaradhat. Grátiszként a fogyasztás is kevesebb lesz. (Elég vicces, hogy én úgy látom a kocka "kódolása" el van rontva. Vagy rosszul látom?) üdv! proli007
És ha teszek 100 nanókat, akkor működni fog?
A táp az egy telefontöltő 5,7V, 550mA Nem tudom hogy ez jó-e hozzá. |
Bejelentkezés
Hirdetés |









Mit rontottam el? Mi lehet a baja?








