Fórum témák
» Több friss téma |
- Ez a felület kizárólag, az elektronikában kezdők kérdéseinek van fenntartva és nem elfelejtve, hogy hobbielektronika a fórumunk!
- Ami tehát azt jelenti, hogy a nagymama bevásárlását nem itt beszéljük meg, ill. ez nem üzenőfal! - Kerülendő az olyan kérdés, amit egy másik meglévő (több mint 17000 van), témában kellene kitárgyalni! - És végül büntetés terhe mellett kerülendő az MSN és egyéb szleng, a magyar helyesírás mellőzése, beleértve a mondateleji nagybetűket is!
Bocsi de annyira hülye vagyok, hogy nem értem.
Én a rajzon csak 10 ledet számolok, de nekem 20ra lenne szükségem. Elhelyezni meg úgy akarom, hogy bal oldalt elől 5 hátul 5, amik persze egyszerre villognak és ugyan így a jobb oldalt is. Már csináltam pár dolgaot, de még az amatőröknél is amatőrebb vagyok. Ha szépen megkérlek elmagyarázod nekem amit lerajzoltál?
Sziasztok, bocs, h közben haladt vagy másfél oldalt a topic, nem voltam gépközelben.
Alább linkelem azt az oldalt a fórumon ahol a kapcsolás PDF formátumban megtalálható.(195359-as-02-de-Universal-Vorverstaerker.pdf) A nyákom nem pont ugyanilyen, de azon minden rendben ezt ellenőriztem. Kimeneten van kondi, ez is megvan. Annyi van, hogy a 390k-s ellenállást egy 430 k-s helyettesíti egyszerűen nem bírtam 390-eset beszerezni. Remélem nem csinált valami komolyabb bajt. Köszi a segítséget http://www.hobbielektronika.hu/forum/topic_697_3.html
Üdv!
Elméleti kérdés: Adott egy tápegység, azaz trafó, graetz egyenirányítással. a szűrőkondik elhelyezése mennyire fontos? Rajzoltam gyorsba két ábrát, első egyértelmű, de a második elhelyezés az helyes? Második kép lényege: a graetz kivezetéseiről megy közvetlenül a fogyasztóra(stabilizátorra) a feszültség, és erre a pontra kábellel csatlakozna a kondi. Ez is helyesen működik, vagy ez már nem fogja "pufferelni" a feszültséget, mivel nem közvetlenül a tápágban van a kondi? Köszi!
A baloldali a célszerűbb.
Így berakhatsz 40 et is párhuzamosan, azt hittem egyértelmű a relé miatt.
Pleso, kösz a választ!
Megfogadom a tanácsod, mind a kettőt kicserélem. A multimeterem egyébként nem az a villámreagálású valami, úgyhogy nincs kizárva, hogy 400 fölé is ment a feszültség egy pillanatra, de a kijelzőn én már csak 320 körüli értéket láttam. De ezek szerint talán célszerű a MOC3041-gyel kezdeni a cserét, inkább az lehetett a gyenge láncszem. Kész kapcsolási rajzom sajnos nincs, de legközelebb ha szétszedem, megpróbálom a nyákról leolvasni mi a helyzet.
Szia!
Ha egyformára van tekercselve a két szekunder, akkor az egyik szekunderen általában csak a teljesítmény felét lehet kivenni. Mi a probléma? Hátha tudunk segíteni.
NyekkMester, nincs mit!
Csinálj fotót a panel mind két oldaláról az is elég!
Sziasztok.
Az a kérdésem, hogy egy mm74hct164n ic-vel mit lehet csinálni? Jó valamire? Egy ledkijelzőn volt rajta esetleg annak meghajtására jó?
Arra IS jo. Ez egy soros-parhuzamos shift regiszter.
Beirod a gugliba, hogy 74hct164 datasheet es rogton dobja a teljes specifikaciot. De maga az alkatresz erteket nem kepvisel, uj allapotban kb 150Ft. Kiserletezni jo, bar inkabb computerhez vagy mikroprocihoz kapcsolva.
Sziasztok.
A mai nap meghozták alkatrészeim az erősítőhöz. Ezt a világítós kapcsolót rendeltem: Bővebben: Link Viszont nem értem, hogy kell ezt bekötni ?! Van 3 láb az alján. 2 ezüst és 1 arany színű. Most ezen mit hova kell kötni ? Előre is köszönöm a segítséget.
a multimétered állítsd be ellenállás mérésére és teszteld le mikor van zárt és nyitott állapotban a kapcsoló és ha ezt a kettő csatlakozót megtaláltad a harmadikra köss 0-át talán így jó lesz
Értem, de ez pl. egy db hétszegmenses kijelzőhöz jó, de nem decimális számokat ír ki nem? Vagy megoldható egyfajta nyomógombos számoló ezzel az ic-vel? Vagy inkább az erre a célra való ic-kkel foglalkozzak?
Szia!
Így kösd be és jó lesz!
Szia!
Használd így, akkor a trafó teljes teljesítményét ki tudod használni!
Sziasztok!
Szeretném megépíteni a Skori-féle kapcsolóüzemű áramgenerátort power LED-hez, és Bővebben: Link itt a második kép (szabályozható változat), látok egy 270 uH 2A tekercset. Szerintetek ehhez kell vasmag ? Illetve hogyan tudnám ezt elkészíteni ? Sajnos induktivitást nem tudok mérni, és fogalmam sincs milyen drótból hány menetet tekerjek mekkora átmérőre stb stb ... Ha tudna Valaki segíteni, nagyon megköszönném :yes: Üdv! zoka
Szia!
Ez a progi talán megoldja a problémád!(1mm-s réz huzal elég hozzá)
Akar azt is kiirhat, de az attol fugg, hogy mit tolsz bele a soros reszen.
A bemeneten eloszor tiltod a parhuzamos kimenetet, (ezalatt ebbe mindtegy 'belefagy' a tiltas elotti allapot) sorosan lepteted be a bitet, orajelet te adod, adatot te adod, aztan ha belement mind a 8, akkor engedelyezed a kimenetet, akkor fog EGYSZERRE megjelenni mind a 8 bited a kimeneten. Ha tobbet is felfuzol egymas utan, akkor arra jo, hogy van egy olyan laba, amin kijon a masik vegen tulcsorgo bit, igy elvileg akarhany bites soros/parhuzamos atalakitot keszithetsz, ami elvezerelheto 3 kimeneti vonallal... Nalam igy mukodik a kb 300 ledes csikvilagitas, aminek minden ledjet kulon be- es ki tudom kapcsolni.
Szervusztok Kollégák!
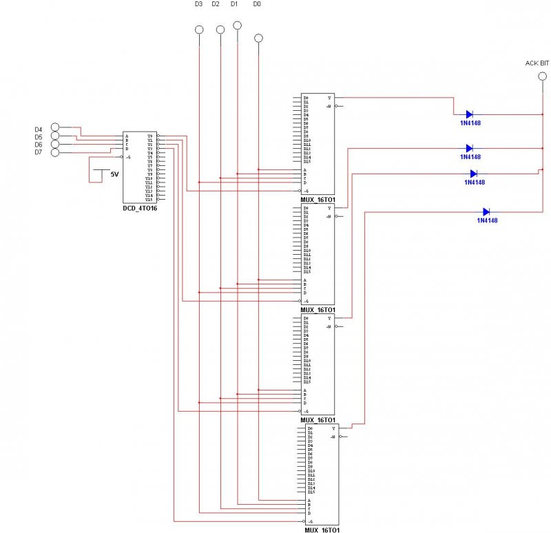
Adott 150db relékontaktus, egy PC LPT vagy COM porttal. A 150db kontaktus állapotát egy időben szeretném megjeleníteni a képernyőn. Op.r.: XP. Ehhez kérek szoftver ill. hardver ötleteket. Köszönöm!
Relé állapotát hogyan akarod figyelni?
LPT portal legegyszerűbben úgy tudnám elképzelni, hogy 10 multiplexer amikkel egyenként kiválasztod a reléket, egy dekóder, amivel LPTn, egyenként kiválasztod a multiplexereket. LPT 8 bites kimenete pont megfelelő, mert ugye 4 bit kell a multiknak, és négy a dekódernek, ami egyenként engedélyezi a multikat. Ezután már csak annyi, hogy mondjuk az LPT ACK bitjét figyelni, hogy változik-e. Pill, és csinálok rajzot Üdv!
Tess
A progamozást egy io.dll nevu okossággal lehet megoldani XP alatt. Annyi az egész hogy a port data bitjeit végig kell léptetni 0-149 ig és minden lépés után olvasni az ACK bitet.
A képernyős megjelenítés programozásához használható-e a Visual Basic? Ha igen tudsz-e letöltő linket?
Stefan!
Ha még van türelmed segíteni, az ervin960@gmail-re légyszi küldeni. Elnézést, most lépnem kell.
Szerintem úgy kéne hogy egy for ciklussal beolvsani a relék állapotát egy BOOLEAN tömbbe.Majd kiiratni valamire a relék állapotát.És ezt kb 1000ms enként ismételni timerrel.
|
Bejelentkezés
Hirdetés |




egyszerűen nem bírtam 390-eset beszerezni. Remélem nem csinált valami komolyabb bajt.









