Fórum témák
» Több friss téma |
Max csak 50mA-ert bír a kimenete az 555 nek!
A többiek már írták, hogy nem lehet kihagyni a trafót, egy 400V-os 8us kondi elég veszélyes tud lenni, főleg gyerekekre. Szőrösebb állatokat meg meg se rázna, nem üt át a szőrök között. Kell legalább 2,5-3kV.
Üdv!
Nem hiszem,(3 megépítésből 2 ic gyilkos),hogy feltétlen az 555-hibája lenne.Javaslom,hogy ellenőrizd le a nyákodat,nincs-e valahol hiba a vezetősávoknál,lehet,hogy rossz ellenállást tettél be -kisebbet,vagy a kondi amit használtál már nem jó,vagy túl pici értékű-legalábbis így látatlanban az ívhúzásról ez jut eszembe.Az RC tag valamelyike-tuti nem stimmel.Ezek általában az ic közelében találhatók.Javaslom,hogy olyan értékeket használj,amit annál az áramkörnél használtál,ami nem gyilkolta le az ic-t. Esetleg készíts pár képet és tedd fel,hátha okosabbak leszünk. Üdv!
Ja,köbzoli hozzászólásával egyetértek,tehát miután meggyőződtél,hogy minden hibátlan,gondoskodj az ic védelméről!
Irtam az ic védelméről én is, de még akkor nem tudtam, hogy c-mos változatot használ. Ez a változat csak 50mA árammal terhelhető, a kapcsolásban meg legalább 100mA folyik a kimenetről a tranyók felé. Ez nagy valószinűséggel korai halálukat okozza...
Bevallom,lusta voltam visszaolvasni,de most utólag megtettem.
Ez az a kapcsi emlékeim szerint,amelyikben egy diódát fordítva kell a rajzhoz képest bekötni. Ezt én is megépítettem még régen,mert megtetszett az elképzelés.Nekem pl 2cm-es szikrát soha nem adott,viszont a fesz. állítható,ismétlés is,minden.Több 555-icvel is próbáltam,mindegyikkel máshogy működött,elég viharvert ic-k voltak. ![]() Sokat most sem olvastam vissza,de ha emlékeim ismét nem csalnak,akkor a c-mos ic miatt kellett oda az egyik tranzisztor, újabb 555-tel az a tranyó elhagyható..
Erről van szó.
A normál 555 sem tudja tisztességesen meghajtani a végtranyót, de azért túl kicsinek tartom a 100ohm-os bázisellenállást is. A BFY34 egyébként sem alkalmas ide igazán ilyen beállitásokkal, mert a kollektorárama is 500mA katalog szerint, márpedig itt 700-800 mA is folyik rajta az akku állapotától függően...... Szóval szerintem ide jobban megfelelne egy BD139, 220 ohm bázisellenállással. Az emiterrel soros 15 ohm maradhat, ki tudja mekkora az áramerősitése a BU-nak.
Tudom,hogy erről van szó.
oldman kapcsolása és a következőket találtam róla a topic elején: ''Az IC 7. pont és a 470K közti díódát fordítva kell bekötni A két dióda feladata a tötö p2-d-100 Ω és a kisűtő kör p1-d-470k szétválasztása Ez biztosítja az erősen asszimmetrikus időállandókat és ezen keresztül az alacsony fogyasztást. Ugyanis a trafón csak rövid ideig folyik áram. Hasonló feladata van a BC 182 tranzisztornak is. Mint már írtam a BFY elhagyható, csak a gyenge 555 utánzat miatt volt rá szükség(NDK gym akkor még nem volt más)'' Csak jól emlékeztem.... Én megépítettem,ahogy a papíron van,és nekem működik a mai napig,pedig csak próbapanelen van elkészítve,csupán szórakozásból dobtam össze.(tehát van rá példa,hogy működik) Azonban egyetértek veled mex,lehetne javítani az áramkörön,szucsistvan ne add fel a dolgot!
Ha azt diódát megforditod akkor tutira nem fog működni, mert az ic belső kisütőtranzisztora (7-es láb) nem lesz képes az időzitőkondit kisütni, hacsak nem sül ki a BC182 emitter -bázis visszáramával.
Még egy dolog-lm317-mini stabtápot dobtam neki össze-(max. 1A)Egy pici led jelzi a táp bekapcsolt állapotát,el sem halványodik mikor rákapcsolom a pásztort,tehát mérés nélkül is állíthatom,hogy közel sem fogyaszt 700-800mA-t,de ha kell rákötöm a multit egy mérés erejéig...
A kapcsoláson levő ellenállásértékeket nézve, a félvezetők p-n átmenetein eső feszültséget, a kapcsolás tápfeszültségét vettem figyelembe, és igy bátorkodtam alkalmazni ohm törvényét....
Fogadok, hogy megvannak az áramcsúcsok, csak hát egy digimultival nem tudod mérni. Szkóppal annál inkább.
Csak hát szkópot nem hozott a Mikulás,hiába kértem
OK, OK, de azért annyit megtehetnél, hogy utánaszámolsz, és igazolod, vagy cáfolod a leirtakat.
De megoldás lehet egy csúcsegyenirányitó, sima diódával, utánakötve pár µF kapacitás, és rá a digimulti. Igy sem kapsz pontos eredményt, de közeli a valóságoshoz.
Ha a pontos eredmény izgat,akkor elküldhetem neked postán úgy,ahogy van(említettem,hogy csak szórakozásból építettem meg,nincsen kerítésre kötve
) -megszkópolhatod,bár így próbapanelen,jelenlegi állapotában nem biztos,hogy bevallanám,hogy én csináltam-ocsmány,de működik.![]() Egy dolog,hogy papíron az áramkör hogyan nem működne,és egy másik,hogy a gyakorlatban hogyan működik..
Idézet: „Egy dolog,hogy papíron az áramkör hogyan nem működne,és egy másik,hogy a gyakorlatban hogyan működik..” Áhh, ez csak amolyan érv nélküli érvelés, nem is tudom elfogadni, nem is igazán érdekel... Igen sok kapcsolásban használtam már az 555-öt, mint kis túlzással az elektronika Jolly-Joker-ét, ismerem a működését. Csak az a baj, hogy Te még mindig nem számolsz, nem mérsz a tanácsom szerint, hanem valami miatt úgy állitod be a dolgot, mintha nekem lenne égető szükségem a pontos eredményre. Ez is egy álláspont, de igy nincs tovább értelme ennek a diskurzusnak. Üdv mex
Te kérted,hogy számoljak,mérjek-azt hittem Téged érdekel a dolog.Ha számolnék,gyanítom az jönne ki amit Te számoltál,jutnánk előbbre?Nem.Ha mérnék,-egy digitális multivacakkal,sem jutnánk előbbre.
Felajánlottam,hogy elküldöm postán-nem pofátlanságból tettem-nekem megérne 200Ft-ot az igazad. Minden csak nézőpont kérdése. Üdv!
Mégvalami eszembe jutott:régen orosz készülékek javitásakor sűrűn találkoztam üvegtokozású diódával, aminek az anódját jelölték meg a körgyűrűvel. Nem lehet, hogy ilyen példányt épitettél be?
Másra nem tudok gondolni, mint irtam nem működhet forditott pozicióban. Esetleg ellenőrizhetnéd az anód-katód lábat. Elhiszem, bármi is lesz az eredmény. Üdv mex
Esetleg a szóbanforgó diódát kivéve is ki lehetne próbálni, ha helyes a feltételezésem kisülne a tranyón keresztül is, ha nem, akkor a dióda nagy visszárama is magyarázat lehet a működésre.
Több ötletem per pillanat nincs...
Mondtam,hogy a digivacak nem vezet sehova.Ellenőriztem anód-katód párost,katódot jelölik körgyűrűvel (ezek is üveg tokozásúak,de vagy a kontha-ban vagy a lomexben vettem őket).
a villanypásztor kapcsolási rajzát el tudnád-e kuldeni.
köszi István
A 11. oldalon megtalálod valamivel olvashatóbb formában.
Itt megtalálod, olvasd el azt az oldalt, meg a pár utána levőt, hogy képbe kerülj, mit hogyan. A képet nyomtasd ki rendesen A4-ben, hogy látszódjanak a szövegek is.
Elöszöris üdv mindenkinek,vagy szisztok.Mostirok elöször. Van egy gyárinak mondott bár erösen kétlem,Villanypásztor ami javításra szorul.A készítője lekaparta az egyik alkatrészről a feliratot igy nem tudom beazonosítani.Ebben kérném a segítségeteket hátha valaki ráismer a dologra.Képetis küldök.Remélem sikerül.
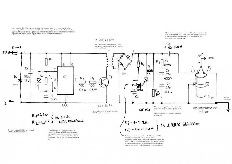
hello szerintem bt151-800r
Köszönöm , kiprobálom,remélem sikerül.
Sziasztok. Segítségeteket szeretném kérni. 1500m villany pásztorhoz milyen kapcsolást ajánlanátok.
Vad elleni kerítéshez kellene . Több kapcsolást is találtam itt, de nem szeretném végig zongorázni mindet ezért bátorkodtam feltenni kérdésemet a tapasztaltabbaknak. Természetesen nem szeretném ha valakit agyon csapna de a vadakat tartsa távol. Előre is köszönöm a segítséget.
Sziasztok!
végigolvastam a topic-t néhány részlet nem világos : 1 ha a rédi p126 gyújtótrafót használná vki?(a szekundere dupla) 2 gázégő gyújtó trafóval senki nem próbálkozott? ( 230/2x6,,,8,,,12kV max 3mA ) 3,A szürke marhákhoz milyen J energia kell? a tehenek, lovaké nem elég! köszönettel
végigolvastam a topicot én is töviről hegyire , kipróbáltam pár kapcsolást, egy sem győzött meg, most éppen folymatban van egy mikrokontrolleres nagyfesz előállító cucc, eddig azt tudja hogy 100-200mA al kevesebb mint 1 sec altt 500V ra tölt egy 22µF os kondit... csak nincs mindíg időm ezzel foglakozni.. de majd csak
a lovakhoz tudtommal nagyon kicsi energiák kellenek, mert nagyon érzékeny állatok, gondolom tehénhez legalább kell a 3x a
HELLO
Nem tudom minek ezekbe az igen egyszerű felépítésű szerkezetekbe MICOMITYMATY egy egy tranyós készülék is képes erre csak gondos számításokkal meg kell tervezni. Ezek a mikrovezérlők nagyon érzékenyek mindenféle statikus behatásra na már most egy villanyparasztban nem kévés van.De hajrá. Idézet: „eddig azt tudja hogy 100-200mA al kevesebb mint 1 sec altt 500V ra tölt egy 22ľF os kondit...” Kicsit számoltam, és az jött ki, hogy 12V-os tápfeszültségnél az átalakitód hatásfoka 100% fölötti! Tényleg érdemes mikrokontrollert alkalmazni. |
Bejelentkezés
Hirdetés |














