Fórum témák
» Több friss téma |
- Ez a felület kizárólag, az elektronikában kezdők kérdéseinek van fenntartva és nem elfelejtve, hogy hobbielektronika a fórumunk!
- Ami tehát azt jelenti, hogy a nagymama bevásárlását nem itt beszéljük meg, ill. ez nem üzenőfal! - Kerülendő az olyan kérdés, amit egy másik meglévő (több mint 17000 van), témában kellene kitárgyalni! - És végül büntetés terhe mellett kerülendő az MSN és egyéb szleng, a magyar helyesírás mellőzése, beleértve a mondateleji nagybetűket is!
Üdv!
18 V 2A kellene stabilizálva, a 7818 csak 1A-t bír. Meg lehet ezt oldani valahogy egy tranzisztorral amit a 7818 vezérelne?
Ebben az adatlapban találsz megoldást a kimeneti áram megnövelésére: Bővebben: Link
Áteresztő tranzisztorral...
Keress egy olyan tranzisztort ami birja a 2A t...(pl BD235) Ennek a bázisára a 7818 kimenetét kösd. Collectorára a tápfeszt emitterére a fogyasztót...
Megoldás: 78S18
Sziasztok!
Szeretném tudni azt, hogy hogyan lehet 2 LED-et, vagy akár többet sorosan kötni és egy áramkörrel egyszerre villogtatni. Köszi! Várom a válaszokat.
Direktben ne! ( Angol nyelvű a link : )
7812 párhuzamosan - kiegészítőkkel A lényege, hogy kell némi körítés, diódák, kondik, különben nem fognak párhuzamosan működni. A linkelt oldal felső részén találsz egy rajzot, hogyan kell "megfejelni" egy teljesítmény tranyóval a nagyobb áramokhoz. Vagy használhatsz ( ha esetleg venni akarsz alkatrészt ) LM317-et ( abból van, amelyik visz 2.2A-t ) vagy a nagyobb áramú verzióját, LM350-et.
Hellosztok.
Szerintetek lehet printerporton vezéreli egy pc monitort? Pl hsync et és vsync et rákötném D0 és D1 re az rgb vezetékeket pedig tápra húznám...
VEZERELNI igen. Kepet adni nem. Ahhoz tul lassu.
Szia proli007!
Szóval egy pár napja beszéltünk erról hogy a tapskapcsoló még mindig zavarérzékény, és igazad volt most bevontam az egészet, még a mikrofont is alufóliával, és rákötöttem az akksi - polaritását és a földelést. na most elértem, hogy ha simán rávan téve az akksira, és nincs 230V-os vezeték a relén akkor tökéletesen működik, és még aztis hogyha van a relén 230V, akkor már nagyobb tejesítményű trafók bekapcsolásakor nem kapcsolgat, és nemkapcsol ki/be magától. Viszont ami még a probléma, hogy van egy 40W-os neon a lakásba, és még mikor a gyujtója begyujta, néha kapcsolgat, de már csak ritkán. Szóval lehet kiiktatom a neont, viszont még megakartam kérdezni, hogy nem-e lehetne valamit csinálni a neonnal vagy a trafójával (valami kondit, vagy ellenállást) hogy ne zavarja össze a hálózatot? Köszi előre is!
Szia!
köszi! Tehát a 0,5 µF az a relé egyik lába,(ahol állandó a 230V) és a 0-ra kössem? Illetve a 1,5µF-eset a fázisra és a 0-ra a neonnál? Köszi!
Hogy lehet egy áramköri kártyán kimérni, hogy melyik kondi rossz?
Leginkább sehogy, hacsak nincs látható nyoma. Ki kell forrasztani és úgy.
Nem sűrűn dolgozom optocsatolókkal, és most olvasok egy ilyet a tlp181-es katalógus lapján, hogy tranzisztor szivárgási áram (Uce 48V, 1000lx környezeti fény) normál eset 2uA, max érték 50uA. Ez nekem durvának hangzik.
Ha valaki sűrűn dolgozik optokkal, és kb képben van az opto tranzisztorok átlag elvárható szivárgási áramáról, mondjon véleményt plz. Tényleg el kellene fogadni egy ekkora értéket? Az áramkör kicsi áramokkal működne, és perpill nem tudom eldönteni, hogy jelentőset kell majd módosítanom a kapcsolás technikán, vagy átlag elvárhatom, hogy beforrasztok 30-35 ilyen optot, és egynek sem lesz nagyobb a szivárgása mint pld 3-4uA, mert az az 50uA max 1000-ből 1 esete, ami kvázi gyártási selejtnek is tekinthető. Amúgy környezetileg árnyékos helyen lenne az eszköz (dobozban ofc), lezárt opto tranzisztornál Vce 30V fölé sose fog menni. Előre is köszi.
Szia!
85 celsius foknál 50uA a szivárgási áram. Elég szélsőséges viszonyok között ennyi.
Sziasztok!
Nekem olyan kérdésem lenne, hogy pár alkatrész kimérésével nem boldogulok. Az egyik lenne az elektrolit kondi, a másik a mosfet tranzisztor. Itt a fórumon olvasgatás közben annyit találtam, hogyha púpós az elko teteje, akkor rossz. Mosfetnél meg a drain és a source között kéne egy dióda szerűséget mérni igaz? Sima mezei mutiméterem van fesz, áram , ellenállás, dióda mérő funkciókkal. Igazából az lenne a kérdésem, hogy tudom ellenőrizni őket, hogy működőképesek-e még. Előre is köszi a válaszokat.
Hello!
Valami kapcsolást akartam tervezni 555-el és hirtelen mikor megnéztem 2 sematikus felépítés rajzot feltünt valami. Egyik egy magyar oldalról van a másik meg egy angolról. Szerintem valamelyik rossz, mert a Set és Reset lábai a flip-flop-nak a 2 rajzon nem egyeznek meg. Megkérleg mondjátok meg melyik a helyes. Én azt hiszem, hogy a magyar oldalon talált a helyes, de nem akarok potyára dolgozni, akarom tisztázni ezt. Köszönöm előre is.
Sziasztok!
Megszeretném kérdezni, hogy olcsón hol tudnák szerezni EW162G0GLY 2x16-os LCD kijelzőt (háttérvilágítás nélkül) ill. a PIC16F84A - PIC-et. Köszönöm.
Sziasztok!
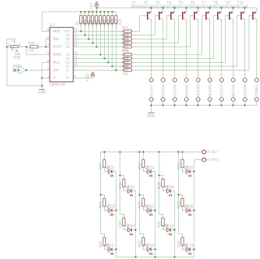
Megkértek, hogy sulibulira csináljak egy nagy kivezérlésjelzőt. A tervek már megvannak, csak azt nem tudom, hogy egyáltalán jó-e... Valaki segítene ebben a kérdésben? Köszönöm! További szép estét!
Köszönöm. Nekiesek átalakítani dolgokat.
Szia!
Növekményes N-FET: Gate a Source-val összekötve, a Drain és a Source közöt egy diódát kellene mérned. Nem szabad vezetnie, ha a Drain pozitívabb, mint a Source. (Van olyan típus is, amiben zener van.) Ha a gate-re pozitív feszültséget adsz a Source-hoz képest, a fet kinyit, Drain és Source között áram folyhat. Növekményes P-FET: Gate a Source-val összekötve, a Drain és a Source közöt egy diódát kellene mérned. Nem szabad vezetnie, ha a Drain negatívabb, mint a Source. (Van olyan típus is, amiben zener van.) Ha a gate-re negatív feszültséget adsz a Source-hoz képest, a fet kinyit, Drain és Source között áram folyhat. Az elektrolit kondenzátor méréséhez nagyon jó kit készült, itt az "lc mérő" topikban olvashatsz róla. Összeszerelés közben Szia
Mindket rajz jo, es gyakorlatilag ugyanaz van rajtuk. Ugyanis nem csak a Set/Reset van felcserelve a ket rajzon, hanem lathatoan a discharge tranzisztor vezerlese is mas a ket rajzon. Ha megfigyeled, akkor lathatod, hogy a magyar valtozaton a FF-nak a tranzisztorhoz meno kimenetenel van egy karika. Az angolnal ugyanezen a kimeneten nincs karika. Az angol rajzbol nem derul ki, hogy a kimenet (a 3-as lab) milyen viszonban van a FlipFlop allapotaval. Ez hianyossag, mivel ott van egy inverter.
Mindenesetre javaslom, hogyha egy IC-vel tervezni akarsz, akkor elsosorban egy megbizhato gyari adatlapot nezz meg, ne pedig ilyen-olyan netes (sok esetben hibas) forrasokat.
A kapcsolasoddal kapcsolatban a javaslatom a kovetkezo: az IC kimeneteitol soros 820 Ohm a tranzisztorok bazisahoz, es a tranzisztorok bazis-emitterei koze pedig 470 Ohm. (Tehat felcsereltem a ket ellenallast). Igy, az IC kimeneten max. 450uA szivargo aram eseten a bazis-emitter kozotti 470 Ohm kb, 210mV-on megfogja a bazis-emitter feszultseget, ezert a tranzisztor nem nyit ki, ha nem kell kinyitnia. Amikor vilagitania kell a LED-nek, akkor az IC kimeneten folyik 10mA. A tranyo B-E atmeneten esik 700mV, ennek megfeleloen a parhuzamos 470 Ohm-on atfolyik kb. 1.5mA, a maradek 8.5mA a tranzisztor bazisaba folyik bele. Nem tudom, hogy a rajzon levo tranyo betaja mekkora, de gondolom, hogy 26 van, igy 13db 20mA LED-hez eleg aramot fog szolgaltatni.
A soros ellenallas meg azert kell, mert ha az IC kimeneten folyik 10mA, az ellenallason esik 8.2V, a tranzisztor B-E atmeneten kb. 0.7V, ezert az IC-n marad 3.1V. Igy mar nem disszipal sokat. Ez elvileg lehetne kisebb ertek is, de nem mennek 680 Ohm alá.
Köszi az infót. A gyári adatlapokon nincsenek feltüntetve a flip-flop be illetve kimenetei.
Valamilyen szinten fel vannak tuntetve, de valoban nincs ott, hogy R,S, Q, nQ, RESET. Viszont pontosan leirjak, hogy mikor mit csinal a chip.
Ez igaz
Idézet: „Üdv. Az lenne a kérdésem,hogy ez a kapcsi rendelkezik rövidzárvédelemmel?” Udv! Ugy tunik, hogy nem rendelkezik. Maximum a ket bizti lenne az, de szerintem azok rossz helyen vannak a rajzon. Eggyel jobbrebb kene oket tenni, még a FET-ek elé. Szerintem. |
Bejelentkezés
Hirdetés |











