Fórum témák
» Több friss téma |
Mi a véleményed a lista amit be kell szereznem az így rendben van?
Központ DSC PC 1616 Kezelő LCD DSC PK 5500 Mozgás+üvegtörésérzékelő DSC LC 102 3 db Hangjelző BENTEL WSB Füstérzékelő DSC 601 P /foglalattal/ Hőérzékelő DSC 601 HF /foglalattal/ Tápegység VFTR 45 VA Akkumulátor 12V/7Ah Nyitásérzékelő SC 550 1 db Nyitásérzékelő MINI 10 12 db Szabotázskapcsoló DSC T-1
nekunk para esprit 728 ultra van raktaron tesztre hoztuk
de rajtam kivul senkit sem erdekel pontosabban amit megtanulsz senki sem veszi el toled tehat ehhez kene leiras meg egy ket alap programsor hogy legyen osszehasonlitasi alap vagyis segitseg toled de azt nem akarom hogy te progranozz helyettem en majdnem ket eve csinallom a dsc kissebb nagyobb sikerekkel koszi a segitokeszsegedet
Szabi a bentelbe kell meg aksi is vagy 4Ah vagy pedig 2.1Ah
Megint en ha vennel hozza egy-ket bovitomodult akkor konnyebb lenne a huzalozas ha nem akarsz mindent sorba fuzni,amit meglehet csinalni de ha valami hiba van akkor vegigmaszod az egesz agat erzekelot nyitogatsz meg reed relet mersz magyarul szopsz mint egy torkosborz
DSC PC 5108
Ha jól számolom, 18db eszköz.
3 mozgás (az lc-102 király cucc, tud külön zónára dolgozni az üvegtörés része, ha ki akarod használni, ez két zónát jelent eszközönként, vagy az üvegtörés és mozgásérzékelő részeket sorosítani kell) 13 nyitás 2 tűz DSC1616, ez egy kezelő esetén csak 6+1 zóna. Egy 5108 modul javasolt, Így 15 zónáig tudsz dolgozni vele. Néhány eszközt így is sorosítani kell, de ha a sorosítás nem gond, akkor elég a központ is modul nélkül. Ha van bővítő modul, akkor a DSC T-1 nem foglal zónát, a tamper pont a bővítőn pont erre van Riasztókábel :hide: Ha mindent külön zónára akarsz sorosítások nélkül, akkor inkább egy 1832-es központ, és két 5108 bővítő.
Sajna csak angol van és a régebbi verzió, de 100%-ig jó az ultrához a leírás.
A magyar, amit mellékelek a némileg butább express paneleké. Az express nem tud zónákat duplikálni. A kommunikátoruk programozhatósága sokkal jobb, mint a DSC-nek. De maga a riasztó egyszerűbb, jóval kevesebb funkcióval.
Izé van magyar ultra telepítői, és angol gyors programozói leírás is...
8 zónás kezelőn nincs kijelezve a bővítő, csak 16 zónás kezelőn, vagy ikonos kezelőn jeleníti meg, ill. LCD szöveges kezelőn név szerint.
telefon hiba... 015 opció 7-es led kikapcs, 380 opció 1,5,6 led kikapcsolva. (vagy semmi sem legyen bekapcsolva)
kosyi syepen milyen kabelra van syukseged?
Sziasztok!
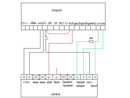
Az alábi hibába futottam bele. Adva van 1 metró kategóriás riasztó "központ" Erre kellene valahogy rászerelnem egy rendes kültéri szirénát (pl. solo). A riasztó 9v feszültséggel működik és csak tápadssal indít szirénát. A rendes kp-t ugye 12V on élnek és tápelvételre indulnak. Valakinek valami ötlete erre a kérdéskörre?
koszi meg egyszer majd este jelentkezek
Hozzávalók:
1 db 12V 1.5A dugasztáp (jobb lenne 13, 5 voltos az akku töltése miatt, de a legtöbb egyszerű dugasztáp úgy is többet ad le, mint 12V) 1 db 9V-os relé Dugasztáppal a Solo +/- pontját megtáplálod A relé tekercset az elriasztó központ sziréna kimenetre kötöd, egy védődiódával ( a katód mutat a pozitív felé) A relé kontaktus egyik záró érintkezője a sziréna start, a másik az adapter negatív. Vagy egyszerűbben, a relé bontó kontaktusával megszakítod a sziréna + táplálását, ekkor is megszólal a kültéri. Ha nagyon tutira akarsz menni, kell két akku, hogy áramszünetkor ne szólaljon meg a kültéri, az adapter mögé egy soros diódával bedobható az akku. Eléggé primitív tudom, de ez a legolcsóbb. Vagy veszel egy akkutöltős segédtápot.
Szia!
Igazad volt, az az opció volt elállítva, most működik rendesen. A kommunikátort is visszavittem, és tényleg rossz volt, most már az is megy ![]() Köszi! Tibi
Köszi, ezt magamban is végigvezettem, de az áramszünet miatt elvetettem az ötletet. A 2 akkus megoldás nem jutott eszembe.
szia olvastam a www.tell.hu oldalan a direkt gsm hivasrol
pontosabban a gsm mini adapterrol azt szeretnem megkerdezni hogy a dsc 1616 1832 1864-es kozpontot fel-e lehet ugy programozni hogyha a tavfelugyelet fele ami matavon megy sikertelen a komunikacio akkor a kozpont kuld a pgm re zarlatot hogy tudjam aktivalni a direkt gsm hivast ha igen leirhatnal valami tampontot hogy hol keressem vagy hogy kell koszi :kalap:
Két lehetőség van. Egyiket sem próbáltam, de szerintem működni fog.
Első verzó, PGM kimenetet TLM és riasztás opcióra kell programozni (009 szekció (12) üzemmód) A telefon vonal meghibásodásakor ÉS riasztás bekövetkeztekor kapcsol, és érvényes kód beviteléig így is marad. A TELL mini T1, T2 bemenetre a földi (matáv) vonal menjen, a G1, G2 a riasztó ring-tip pontjára ai IN a PGM-re V+, V- az AUX+ AUX- Másik verzió, bekötés ugyanez, csak a PGM rendszer hiba üzemmód legyen, és a PGM attribútumok legyenek beállítva arra , hogy csak telefon hiba esetén és kommunikációs hiba esetén legyen aktív (501-514 szekcióban kapcsoló opciók)
koszi
es meg ha nemvagyok untato kaptam egy contact id nemzetkozi tablazatot es ha abbol kisakozom hogy mi mit jelent mert angol az nekem nem igen megy szoval ha beirom a minibe a riasztas kodjat meg a tapkieses azt akkor sms ben elkuldi allitolag en meg nem probaltam neked mar volt ra pelda? ha igen akkor mit irjak a zonariasztasra a hallozati tap eltunesekor meg azt amit ilyenkor szoktak kerni? azt tudom hogyha a contact id 1-gyel kezdodik akkor riasztas ha pedig 3-assal akkor meg a visszaallas vagyis nyugalmi szint ebben tudnal segiteni hogy ne kelljen angol tanfolyamra mennem(ami ramferne) ja letoltottem a manualokat koszi marcsak a szoftvert kell valahogy megszereznem ami megoldhato lenne ha neked sem jelent gondot kuldenek egy szerverre hozzaferest es ha nemvagyok meg eleg szemtelen fel-e raknad ra a para esp 728 kompatibilis progit
A contact ID tábla benne van az esprit leírásban is, az tök ugyanaz mindenhol, a 728 ult leírásában a CID oszlop ami kell neked.
Csináltam GSM mini-vel SMS-t, a tel. szám a riasztóban 123456789 legyen, a tell mini-be bele kell írni az SMS-nek megfelelő contact ID kódot, és a kódhoz való szöveget. Az esprit riasztókat csak telefonvonalon, és modemen keresztül tudod programozni. Vagy vonalszimulációval modemmel. Szerintem felejthető. Ezért nincs is meg a Winload. De megpróbálom elkérni egy ismerőstől, akkor jelzem, és feldobom.
Még annyit kérdeznék hogy ha 24 órás zónára állítom a 8-as zónát az ugyebár felhasználói kód kiiktatása esetén is éles marad.De ha master kóddal lépek be akkor azok inaktívak lesznek?
Tisztelt Fórumtársak, örököltem egy PC510 központot. Sajnos még háza sincs, csak a panel.
Dobozt veszek hozzá, de se leirás, se bekötés. Tudna valaki segíteni, hogy hogyan is kössem be (néhányra rájöttem, AC, Bell) de ez nem egy mai központ és szeretném üzembe helyezni. Lehet e ezt programozni? Melyik kezelő felület használható hozzá, esetleg van valakinek leirása? És még egy: a panelen van három biztosítékhely is: táp, akku és a sziréna. Ide hol vettetek biztositékot? ez kissebb mint a G20 (Wickmann) Köszi a fáradságot.
ezeket nézd meg!
Nagyon köszönöm tasligep. Fordulhatok hozzád kérdéssel majd a felprogramozáskor? Szerinted biztositékot merre találok? A csatlakoztatásnál van egy YEL GRN felirat, ez vezeték szint jelent sárga és zöld. Valamint mellettük a PGM2 és KEY. Ezek akkor a kezelö felülethez mennek? Köszi
ok koszike
beszeltem a fonokkel sajnos nem tudja megnyitni a szervert mert rajtun kivul meg 4 ceg is azon szorfozik de ha megoldhato valamien mas uton is akkor ok ha nem akkor teszek fel egy hdd fix ip-vel es arra is lehet pakolni koszi szepen megegyszer kamerarenszerben nem vagy otthon vagy videos kaputelefonokban kellene egy olyan dolog amivel 800 900 metert le lehetne gyozni mindkettonel a wifi nem johet szoba mert ez egy volgybe van es roszz idoben a gsm sem szuperal a digi meg csak havazik udv N
szia miki a kezelore kell plusz minusz a panelrol y es a g is a kezelohoz megy
a pgm az egy programozhato kimenet lehet hasznalni gsm hivo elinditasara particio allapot kijelzeshe az 510 ben nem tudom pontossan hogy melyik opcio de a 1616-tol felfele a 009
Nagyon szivesen.Programozni inkább a nálam többet tudók fognak segíteni.De a leírásban benne van.Nem nehéz!
Itt is nézz szét! Érdekes dolgok vannak! Leírás telepítés használati! Bővebben: Link
|
Bejelentkezés
Hirdetés |






