Fórum témák
» Több friss téma |
Fórum » LED-es kivezérlésjelzők
Témaindító: KeserűCukor, idő: Márc 27, 2006
Témakörök:
Hello!
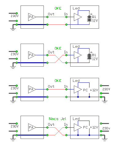
Idézet: „mert úgy tudom,hogy más színűek több áramot vesznek fel” Ez nem így van. Áramot annyit vesznek fel, amennyit megengedsz nekik. De azonos áramon, a nyitófeszültségük más, tehát esetleg csak a maradék feszültséggel lehetnének problémák. Idézet: „mert szivárgó áram lépett fel” Nem meglepő, mert ha a mellékelt katalógus sorát megtekinted, akkor láthatod, hogy Bar (vonal) módban minden kimenet szivárgási árama 0,1..10uA között van, míg Dot (pont) módban Az 1. láb szivárgási árama 60..450uA között van. és erre már egy szuper fényes Led bizony világíthat (50uA-tól már látható). Ezt a telepes-PC-s táplálást nem értem. Ha a PC táp mást nem táplál, akkor nem lehet gond. Maximum, hogy annak GND pontja is a hálózati földelésre van kötve. Amúgy nem tudja lenyelni a hangfrekit, legfeljebb földhuroknak szabadna lenni, amit elsősorban nem a kivezérlésmérőn kellene látni, hanem az erősítőn halani. Ha más tápról üzemelteted és az földfüggetlen (mint ahogy egy telep is az, akkor ott gond nem lehet. De a két GND közé nem tehetsz semmit, azt galvanikusan össze kell kötni szigorúan. Ezen keresztül megy a kijelző vezérlése, és a GND a közös viszonyítási pont, amihez képest adja az erősítő a hangfrekit, és fogadja a kijelző a jelet. Gond akkor lehetne, ha az erősítő kimenetéről veszed a vezérlő jelet, miközben az erősítő hídkapcsolásban megy. Ebben az esetben a telep és így a kijelző GND-pontja, az egyik kimenettel együtt ugrál. Ha pedig az erősítő és a kijelző GND-je közös, akkor nem a híd feszültségét kapja, hanem egyik végfok kimenetét, így a kijelzőre jutó jel csak a fele lesz. Logaritmikus kijelzőnél ez 6dB, tehát két Led-el kisebb kivezérlés lenne. Kondi csak gondot okozna, főleg ha pici. üdv! proli007
Hello!
Igen, csak éppen nem csúcsérték indikátoros (ha ugyan arról van szó). üdv! proli007
Szia
"Ezt a telepes-PC-s táplálást nem értem." Ezt a "telepet" az elemre értem,pl zsebtelep ,de máskor elemnek hívom az egyszerűség kedvéért ![]() "Ha a PC táp mást nem táplál, akkor nem lehet gond. Maximum, hogy annak GND pontja is a hálózati földelésre van kötve." Erre gondoltam én is,de mivel írtad többek közt azt is,hogy "Amúgy nem tudja lenyelni a hangfrekit",ezért az előbbit már el elvetettem. De hogy folytassam a legelső idézetjeles mondatot: Arról van szó,hogy amikor a kapcsolást elemről működtetem,akkor normálisan működik. Viszont,amikor hálózati áramforrásról,akkor nem működik normálisan. Néha-néha pislákol az első led,de nem kivezérel,pedig elemes áramforrásnál igen. Ezért gondoltam,hogy a PC tápon keresztül leszivároghat az audió jel nem tudom mennyi része a földbe. De Te azt írtad,hogy nem nyelheti el a föld az audió jelet(ha le is lenne vezetve a földbe) Maximum megpróbálom a táplálást vasmagos transzformátorral Az elvileg nincs leföldelve,úgy értem,hogy a szekunder tekercsen keresztül nem szivároghat el sehova sem. Amugy a PC tápon nincs semmi sem,egy kiszerelt táp direktbe kapcsolva Köszi És Elnézést,ha marhaságokat magyarázok/magyaráznék
Hello!
Úgy értettem, hogy "nem értem", hogy azt nem értem, mi lenne a különbség a két állapot között. Alapvetően csak az lehetne, hogy míg a telep mind két pólusa "a levegőben lóg" azaz földfüggetlen, addig a PC táp negatív pontja földelve van. Más nem lehet. Viszont a hangfrekis jelet a táp nem csökkentheti, kivétel ha a bementet fordítva kötöd be. Elemnél ez nem okozna ez gondot, hiszen nincs hova elfolyjon. Tápnál már más a helyzet, mert nem lehetne a GND-jét az erősítő kimenetére kötni, mert az már a földelésen keresztül össze van kötve, és akkor tényleg lenyelné a jelet. Apropó! Nem írtad, honnan veszed le a jelet. Remélem érthető, ha nem megpróbálom lerajzolni . üdv! proli007
Hello
A jelet a PC-ről veszem le. (a hangkártyáról,hátul az alaplapnál van a 3,5-ös jack aljzat,onnan) Csak azért írom részletesen,hogy nincs semmi sufnituning az alaplappal Elemről meg nem szeretném táplálni,mert az lemerül egy idő után,és amugyis itt van kéznél a PC táp kivezetése(ha pl a PC-be beépíteném a kivezérlésjelzőt) Még megpróbálok egy pár dolgot,és jelentkezem Köszi Üdv:Tamás
Szia
Köszi Szépen Megfordítottam az audió jel vezetékeit,és ugyanúgy szépen működik hálózati áramforrásról,és úgy is kivezérel,mint elem tápforrás mellett. Ezek szerint jól gondoltuk mind a ketten,csak Te vezettél rá a megoldásra :worship: Köszi még 1x Tomi
Üdv!
A kivezérlésjelzőt az erősítő kimenetére vagy a jel bemenetre kössem? Ha a kimenetre kötöm akkor egy 100k potit berakhatok a kivezérlésjelző és a kimenet közé?
Rendben köszi.
Raktam egy 100k potit a kimenet és a kivezérlésjelző közé de nagyon hamar elkezdenek villogni a ledek.Miért villognak ilyen hamar a ledek? A hangerő pedig alacsony még.
Helló mindenki!
Tudtok-e segíteni nekem? Kellene nekem sürgősen egy IC, ami lehet UAA 180, vagy A277D. De az UAA 180 lenne a legfontosabb, ugyanis tönkre ment egy fordulatszám mérő és cserélni kellene. Aki tud valamit az legyenszíves küldjön e-mailt erre a címre: sperdifi@gmail.com. Előre is köszönöm!
Szia!
Összekötöttem két lábát(középsőt és az egyik szélsőt) aztán az egyik lábáról ment a kivezérlésjelzőse a másikról pedig az erősítő kimenetére.
Szia!
Az úgy nem jó! A poti egyik lábát a kimenetre a másikat a földre, a középsőt pedig a kivezérlésjelzőre kell kötni!
Szia!
Na látod ezt nem tudom. Akkor megcsinálom úgy ahogyan mondtad. Köszi a segítséget.
Hy! Én olyan kivezérlésjelzőt szeretnék építeni amihez nem kell előerősítő. Ami pl.: egy mp3-as lejátszóból kijövő hang meghajt. Nem igazán szeretném LM3915-el megcsinálni, mert jártam már vele rosszul. Inkább UAA180-al vagy esetleg mással szeretném megépíteni. Az üzemi feszültség 12 V lenne. Jó lenne nyák is hozzá! Ötletek, tapasztalatok jöhetnek! És még annyi, hogy szeretném nagyfényerejű ledekkel működtetni.
5 led nem lenne elég?
Bár mondjuk lehet kettőzni is a ledeket,hogy 10 legyen.Amit én szeretek kapcsolás,az végtelen egyszerű kis ic, 5 led kimenete van.
Hát én még nem találtam uaa180-hoz korrekt kapcsolási rajzot, vagy nem tudom... Eddig még egyszer sem sikerült életre keltenem, ez persze nem azt jelenti, hogy neked nem menne, csak a tapasztalatom mondom el. Eddig 3 LM3915-öt építettem, mindhárom pöccre ment, az UAA180-nal már 3különböző nyáktervet próbáltam, egyik sem ment... Természetesen mindig másik IC-vel!
Hello!
Megépítettem ezt a kivezérlésjelzőt és amikor bekapcsolom az összes led világít. A számítógép hangkátyájára kötöttem rá. Mit ronthattam el?
Hy! Próbáld meg a gépen lejjebb venni a hangot. Általában a vezérlőpultban le tudod venni. Valószínű, hogy nagy a bemenet. Nálam szerintem az mp3-as lejátszónál pedig egyik se villanna fel. Na jó, esetleg az első. Lehet, hogy módosítani kellene a 2 ellenállás értékét és a 2 kondi értékét, így lehet, hogy jó lenne mindenbe.
Hát szerintem maradok a KA2281-nél vagy a TA7666-nál. Ma megyek és megveszem az alkatrészeket.ez lesz.
Az a baj, hogy akkor is világít az összes led, ha nincs rákötve semi csak 12 V
Nézd meg a kondenzátorokat, hogy jól tetted-e bele. Utánna nézz meg mindent, hogy ugyanúgy vannak-e összekötve, mint a nyákrajzon. Valószínűleg az IC jó még, mert ha minden led világít, akkor adja a megfelelő feszültséget az ic. Úgyhogy nézz át mindent, "főleg a kondenzátorokat", és ha nem boldogulsz küldj 1-2 képet, hátha megtaláljuk a hibát!
Valaki help plz! Találtam itthon 1 DB A277D tipusú ic-t. Ha jól tudom ez az ic más néven az UAA180. Szeretnék ehhez a rajzhoz nyákrajzot kérni, ha lehetne. Előre is kösz!Én még azért annyira nem vagyok profi, hogy lerajzoljam.
Ezt a legegyszerűbb megrajzolni...
Ha kell 10 percen belül kész vagyok vele. (De csak azért, mert nincs jobb dolgom) Amúgy a stílusért a modik harapnak! Fórum szabályzat
Kész! A PDF-et kell nyomtatni a vasaláshoz, a gif az a beültetési rajz, az xml pedig, ha a hestore-on akarod megvenni az alkatrészeket, akkor ezt kell importálnod a kosárnál, Ha kell a nyák akkor 900Ft + postaköltségért elkészítem, ki is fúrom, és postázom neked utánvétben.
Posta költség: ajánlva, elsöbbségi, utánvét: +700Ft ajánlva, utánvét: +625Ft. De lehet, hogy kevesebb a nyák súlya függvényében. Amúgy a nyák készítés nem nagy ördöngösség...
Kösz szépen! Tegnap este 1 órán keresztül rajzolgattam de sehogy nem akart sikerülni. Valószínűleg nem látom még át az egészet. Kösz nem kell nyák. Ezt a részét már sikerült elsajátítani. Még 1x kösz szépen!
Nincs mit! Jó szórakozást!
|
Bejelentkezés
Hirdetés |














