Fórum témák
» Több friss téma |
- Ez a felület kizárólag, az elektronikában kezdők kérdéseinek van fenntartva és nem elfelejtve, hogy hobbielektronika a fórumunk!
- Ami tehát azt jelenti, hogy a nagymama bevásárlását nem itt beszéljük meg, ill. ez nem üzenőfal! - Kerülendő az olyan kérdés, amit egy másik meglévő (több mint 17000 van), témában kellene kitárgyalni! - És végül büntetés terhe mellett kerülendő az MSN és egyéb szleng, a magyar helyesírás mellőzése, beleértve a mondateleji nagybetűket is!
sziasztok.
azt szeretném megtudni,hogy a laptopomba megadta magát a dvd meghajtó.(eltörött az a kis müanyag pöcök ami a fejre van szerelve,ezt hajtja a csiga)Még nem szedtem szét másik tipusu meghajtót elképzelhető,hogy egy másikból kiszedettel helyettesithető vagy minden tipus más. Köszi Becsey
Sziasztok!
Létezik olyan hogy patch kábel hosszabbító? Neten nemnagyon találtam..... tudom hülyeség mert venni kell egy hosszabbat és kész csak nekem 30méter van és épphogy elég szóval valahogy ha egy 2métert belelehetne bármi kókány nélkül toldani az jólenne......
Hello, hogyne létezne, elmész egy számtek boltba, és semmi kókány nélkül olyan hosszút és bekötésűt készítenek, amilyet csak kérsz.
Lehet kapni, a két plusz csatlakozás hibalehetőségétől eltekintve korrekt toldást ad, és olcsóbb mint egy új 32 méteres kábel.
Gugliban az "UTP toldó" keresésre az első találat.
Hello!
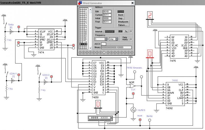
Megnéztem ezt a rajzot, de ez azért egy tipikus iskolai lökött feladat, amit egy pihent agyú kínjában talált ki. Ez 5 főre ugyan működik, de mindenkinek egyenértékű szavazata van. A multiplexert, mint huzalozott ROM áramkört használja fel, úgy hogy a variációkat kombinálja (programozza) a bemenetek H/L szintre húzással. Alapvetően a multiplexer bővíthető, csak éppen értelme nincs, mert ABCD bemeneteknek súlyozott (1-2-4-8) értékei vannak, a szavazatok pedig egyenértékűek. Sokkal értelmesebb lenne, ha a multiplexer bemeneteire kötött szavazatokat, a multiplexer "körbeforgatásával" megszámolnánk egy számlálóba. Így megkapnánk a logikai magas szintek összértékeit, és ennek eredményét egy komparátor áramkörrel összehasonlítanánk a többségi szavazatok kívánt számával. Így minden szavazat súlyozási értéke egyenlő. Ha a főnők szavazatot két MPX bemenetre kötjük, akkor annak súlyozási értéke is kettő lesz. Ebben az esetben nem kell össze vissza kódolni a kapott bemeneti variációkat. Az igaz, hogy több alkatrészből áll és működése dinamikus lesz, nem statikus, mint a példában. Ilyen párhuzamos kódolt áramkört, alapvetően legegyszerűbben egy EPROM-al lehet létrehozni, de ott is ki kell számolni a kódok variációs értékeit és azt égetni az EPROM-ba. De ennek is kb. annyi "iskolai" értelme van, mint az előzőnek. üdv! proli007
Szia!
A dombok állapotát (a prell mentesítés után) egy-egy SR tárolóval kellene eltárolni. Így elég csak egyszer megnyomni a gombot, s a szavazás végén kellene törölni a tárolókat. A 74150-et ciklikusan kellene megcímezni az A,B,C,D bemeneteit. A 74150-es vezérlésére egy bináris számláló lehetne a legalkalmasabb. PL 74193-mat. Így egy-egy gombról meg lehet állapítani hogy aktív volt-e. Az alapórajellel szinkronban egy másik számlálóval "számolni kell" az aktív gombokat. ( Ki kell kapuzni a 74150-es kimenetét és az órajelet. ) Így megszámlált szavazatok már "névtelenek". A számláló tartalmát egy tárolóban kell megőrizni, hogy a számláló közbelső értékei ne jelenjen meg. A tároló kimenetén bináris (hexadecimális) érték lesz. Azért hogy könnyen olvasható legyen, a BINÁRIS (HEXA) formát DECIMÁLIS-ra kell konvertálni és úgy megjeleníteni. Konvertálásra pl a 74185 is megfelelne. S kijelzésre a 7447-est... Ezzel természertesen csak az IGEN szavazatok számolhatók! Egy lehetséges vázlat a mellékletben. A példakapcsolásban csak két szavazatszámláló bemenet lett kialakítva. De értelemszerűen 16 helyig bővíthető... Sok szerencsét a projekthez.
Köszi
Közben látom, hogy nem csak én jutottam erre a következtetésre.
A Statikus ROM-(PROM; EPROM)-os változat programját nem semmi lenne manuálisan elkészíteni. Viszont a hardver tényleg egyszerűbb lenne.
Üdv!
Van egy LCD modulom egy lézer nyomtatóból. Képek róla. Kiderítettem a PIN kiosztását, amit a képen fel is tüntettem. Viszont hogyan lehetne ezt vezérelni? Vagyis érdekelne, hogy mit jelent a EED és EEC rövídítés, hátha tovább tudok jutni vele. LCDHype-t néztem, de nem jutottam semmire, habár, lehet, hogy kezelné, de nem tudom, h mit hova kellene kötnöm.
Sziasztok
Van ez a kapcsolás, ez egy jó kis pic programozó már elég régóta használom és nagyon bevált eddig. Viszont most az új gépemen már nincs soros port. Arra lennék kíváncsi, hogy ez a kapcsolás működne-e az FT232es chip-el? Mert akkor USB-ről is működne. Üdv: Zoltán
Helló! Építettem egy erősítőt,aminek a táplálására +-30V körüli feszültségre lenne szükségem.Csináltam egy egyszerű tápot is neki,a bemeneten 32V váltó van,ez rámegy egy Graetzre,majd 2-2 kondin át a végén a + és - között 43,5V -ot mérek,a + és földnél 42,8V-ot,- és föld 0,5V. De miért nem 21V van a föld és a +,- között? Egyszerűen nem értem.Próbáltam másik trafóval,kondival és akkor is.Mellékeltem a kapcsolást,bejelölve az adatokat.Remélem valaki tud segíteni,mert nagyon szeretném kipróbálni az erősítőt.
Utólag is boldog karácsonyt mindenkinek!
Nos azért mert neked 21-22 Voltos trafó az ami kellene , mert 22X1,41=31,02 érted ? nem ossszuk hanem szorozzuk ! Mivel neked 32AC -van abból így megszorozva =45 volt lessz DC-ben
Jó oké,de most nem azzal van a gond,hanem a földel.Látod a rajzon? Nem a felét adja a feszültségnek.
Ez attól van hogy a konderzátorok nem egyformák ! De neked jobb lenne egy olyan trafót beszerezni ami 2X22 volt , így 1 szekundre tekerccsel nem is lessz jó .
Ha szimmetrikus erősítőt hajtasz akkor így kell. Tekerd át a trafót, 22 V tudsz csinálni, a másik 22 V meg egy másik trafóról bontott lakkozott réz dróttal, persze keresztmetszet egyezzen. A bekötése meg a rajz szerint. A trafót legegyszerűbben a menetenkénti feszültség megmérésével tudod gyakorlatias módon áttervezni.
Ez a táp csak akkor ad azonos feszültségeket a két oldalán, ha szimmetrikus a terhelés (pl. mindkét oldalt leterheled 100 Ohm 5W-os(!) ellenállással).
Erősítők táplálására ez a kapcsolás nem alkalmas, középleágazású vagy két szekunder tekercses transzformátort kellene használni.
Ez labortápról hajtott erősítő esetén szépen látszik ha az áramkorlát mindkét oldalon egyenlően van beállítva, hol az egyik generátor "szólal" meg hol a másik.
Megint segitsegre szorulok Bocsanat es Boldog Karacsony !!
Megint ha lehetne :| jo lenne egy nyakrajz , ha segitenetek josziviuen megkoszonom ! Kapcsolasi rajz , Beultetesi rajz , mar csak a nyakrajz kelene :d!! PDF - ben van a kapcs. rajz es a beultetesi rajz !! Koszonom elore is !!
Húha! Hát nemtudom.Találtam egy ilyen kapcsolást itt,ott is azt írták,hogy szimmetrikus táp.De nem sokban tér el az enyémtől(ITT)
De a trafót meg nem szeretném felboncolni,lent csatoltam egy képet róla.6 kivezetése van,lemérve: kék+kék: 34V narancs+narancs:27V fekete+narancs: 13V fehér+kék:16V Nem lehetne máshogy megoldani? Mert az IC(TDA7294)adatlapján azt írja,hogy 10től 38V-ig bírja.Amúgy meg onnan van a táp kapcsolás is.(tudom,hogy az a kondi 10000µF os én meg csak 1000eset tettem,de nem volt olyan az üzletben)
De nem az az erosito ..... mert amit en akartam 2x100W es ez 150W nyakrajz amit te mutatal
!! Koszonom maskep !! Ha valaki tudna ennek a kapcsolasnak nyakrajzot irjon .. !! koszonom elore !!
Ajajj...
Amit te linkeltél rajzot, az is csak 1x100W (lengyelül egy szót sem tudok, de a "Schemat montazowy (1 kanal)" szerintem 1 csatornát jelent), úgy lesz 2x100W-os erősítő, hogy két panelt kell belőle csinálni. Csinálj az általam linkelt panelből is kettőt, és megvan a megoldás.
Idézet: „De nem sokban tér el az enyémtől” A szekunder oldalon ott a közép leágazás és földre van kötve. Az a kis lefelé háromszög ezt jelenti. ( Minden ilyen jelzésű pontot össze kell kötni egymással. Azért jó az ilyen jelzés, mert áttekinthetőbb a kapcsolási rajz. ) Szóval alapvetően különbözik attól, amit megcsináltál.
Esetleg ha a trafót megpróbálnád bekötni ahogy lerajzoltam.......
Mindenképpen mérd meg a feszültséget, hogy az erősítőnek nem-e lesz sok. Mérésnél terheld le szimmetrikusan a kimenetet majdnem annyival mint az erősítőd áramfelvétele üresjáratban.
Időközben találtam egy 2x18V-os trafót.De azt hogy kössem rá? Azon ugye 4 kimenet van,melyiktől jöjjön a nulla,+,- ?
Kettőt egybeteszel, és már csak 3 marad
vagyis csinálsz belőle egy középleágazású trafót.
Egy-egy példa a tápegység kapcsolására...
Szóval csak összekötöm az egyik ág pozitiv ,és a másik negativ ágát.(ez lesz a föld).A többit meg egyszerűen rá a graetzre?
|
Bejelentkezés
Hirdetés |








!! Koszonom maskep !! 
vagyis csinálsz belőle egy középleágazású trafót.




