Fórum témák
» Több friss téma |
Fú 2x55Volt
Aludjunk rá egyet! Akkor ezért az a sok zéner ott... Ezt így nekem is át kel gondolnom. A stabíc lehet, hogy felejtendő... A zénerek jól vannak? (Mármint egészségi állapotuk felől érdklődöm, hőemelkedés stb) Mérted a feszültséget műszerrel is, a zénereken, ill az ellenállások után?
400W os trafó 2x40V és 2x10V os kivezetéssel...Tanáromtol vettem...
+/-35V kéne neki, arra van tervezve az egész stabilizálás
Ez a kapcsolás milliamperekkel beéri fogyasztásban. Adatlapon rajta van... Gondolom végfokot is akarsz hozzá azért kel 400w.
Es a nyak-on belul a foldelesi pontes "vezetekek" ott is keletkezhet foldhurok.
En nem hasznalok semmifele armyekolt vezeteket az erositon belul es nincs ilyen nivon semmi brumm. Ez ele jon meg torzito/eloerosito.kompresszor , es mas efekt s nincs btum csak amit a gitar hangszedo vesz fel. Az IC-knek jo kozos moidu jel elnyomasa van nem kene bugjanak. Nagyimpedancias negyerositesu JFET -s eloerosito egy Doctor Boogey, ami maga is erosit ,ele teve az mar szed brummot.Ott mar arnyekoltam foliaval a muanyag dobozt de a plusz eloerosito nelkul nem kellett. A folddeles (nulla) vonal a kimenetr felol a memenethez vezet.A kimeneti reszen lessz aszurokondi nullaja kotve. A sasszit csak a bemeneti resz nullajarol szabad foldre kotni.] Szigetelt kimeneti csatlakozo kell aminek a nullakat a kimeneti nulla csomoponthozhoz kotod .
Itt egy huzalozasi pelda :Bővebben: Link ....es meg egy minta Bővebben: Link2
Google -->images :stompbox wiring diagrams
Szia! Utánaolvastam a dolgaidnak, eléggé hosszú!
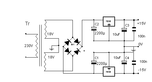
A Táppal kapcsolatban nem tiszta minden számomra! És az sem, hogy neked most csak előfok van, vagy a végfok is? A 2x40V-ból csináltál +-15V-ot? Javaslat: személy szerint a 2x10V-al használnám az előfokot a stabil +78xx és -79xx IC-kel. Egyenirányítás után mekkora egyenfeszültséget ad a 2x10V? Mert, ha nem érik el a +-17V -ot akkor nem használhatsz 7815 és 7915-öt, mert minimum 2V-al többnek kell lennie a fesznek, mint amekkorára stabilizálja! Tehát ha pl.: +-14,2V-od van akkor még megoldható 7812 és 7912-ből a Táp az előfoknak! Mellékelek egy táp rajzot amit megépítettem előfokhoz, jól működik. Szerintem +-12V -os stabil IC-éknél is maradhatnak az alkatrész értékek! Ezzel talán javulhat a dolog. Az általad említett 10.000µF-os kondik meg a végfok táphoz jók lesznek, ami természetesen a 2x40V-re megy. /Csak nem tudom a végfokkal most mi van.../ A csillagpontos GND-t meg szerintem már érted!
A rajzodon a IC1 -15V-jából is a GND-re húztad a vonalat, az nem kell oda! Én is pont ugyanezt rajzoltam neki. És a nyákon kialakítani a csillagpontot nem jó, mert lehet, hogy azon már eleve földhurok van.
Úgy látom, mindig van valami új dolog! A végfok is benne van, azon keresztül búg? Akkor ez tovább bonyolítaná a dolgot, hisz annak is van tápja+testvezetéke, hangszórókivezetés, ház stb
Ezen a nyákon, van vagy külön? Akkor a rajzaid végül is nem is hasonlítanak arra ami valóban meg van építve. Tégy fel, egy kis méretű fotót a cucról, legalább képben legyünk
A végfokot megépítettem, de még nincs se hűtőbordám, se hőátadási zsírom, ezért nem próbáltam még.
Külön nyákon van. Ezzel az előfokkal mindig ugyan ez a búgó hang volt a bibi, és nem tudtam rájönni mitől van. A trafó 2x10V os része egyenirányítva 35V-ot ad. (2x17,2 mérve) Lehet veszek másik trafót ami nekem megfelel. 10-én kapok fizuk, dolgozok ezerrel. Felraktam a képet...Paintben rajzolgattam mellé, hogy látható legyen.
És itt van végül az egész egyben
Jaj, ezer bocs .Nem figyeltem elegge ,el voltam gondolkozva valamint a kep nagyon kics lett mivel a kep ernyo at volt allitva 1280/1024 felbontasba.
Az en pedalomba U/2 a referencia (nulla) es a "minusz" a foldre kerul igy "szokasbol" behuztasm Kozbe meg eppen azon gondolkodtam hogy rengeteg ilyen erositot epitettem soha nem volt eloerositovel problemam .De javitottam Montarbo erositot aminek a nagyaramu fold es az eloerosito foldje kozott volt egy 40 Ohm-os ellenallas utanna egy elkoval hidegitve a nagyaranu foldre .Szoval azon morfondiroztamn hogy a minuszra volt e kotve vagy a "Nulla" csomopontra. Kijavitottam .A bemeneti elso IC korul a "kisaramu ", a kirneneti emitterkovetonel a "nagyaramu fold "
Köszönöm mindenkinek!
Megcsináltam, most már nem brummog hanem... torzít, de ahogy a potik vezetékeit birizgáltam, egyszer megszünk, egyszer visszajött, aztán nem adott ki semmilyen hangot.... szóval ott kell keresnem a hibát. Vettem sodrott vezetéket, ez hajlékony, és azzal újraforrasztom a hangszínt.....
Nálam aztán sorra vannak problémák....
Egy VOX torzítót raktam össze(mellékelt képen) És nem szól semmit, minden a helyén,nincs földhurok Értékek megegyeznek...4db BC549-es tranyó van benne Minden ott kapcsolódik ahol kell.... a "Gain" poti 10K helyett 100K-s, és a diódákrol annyi volt írva, hogy germánium...25V osakat kaptam... Ezekben különbözik a rajztol..Segítenétek?
Szerintem a diódákat cseréld ki 4148 ra, vagy nem is, nem tudom mért nem szól
![]()
De az nem germánium, hanem szilícium...az hangzásban gondolom változtatna, de miért lenne az a baja?
Nekem is ez jutott eszembe, de az okot nemm tudom megmondani...
Az előerősítő hangszínét újrahuzaloztam, és torzít, de ha a "Treble" potit letekerem, akkor megszűnik az a fortyogó hang, meg a torzítás, és rendes hangja van... ez a poti baja, vagy másnak?
Legeloszor megnezni alapossan : nem forditva tetted be a tranzisztorokat ? Tapfezsultseg van ? Kap feszultseget?Zarlatot keresni a kieneti csatlakozotol kezdve a bemenet fele.A bemeneti csatlakozo kapcsolja a tapfeszultseget ?.Ha van ampermero itt merni ahogy berajzoltam.Ha nincs egyszeruen egy drottal osszekotni hogy lasd nem e indul meg.
Diodakat megmerni nem e zarlatosak ( ha bontott diodat hasznaltal) Ha D3 vagy D4 zarlatos akkor nem megy at a jel a kimenet fele.Probakent ki lehet forrasztani ideiglenessen ezeket. Tranzisztorok Foldeles-Kolektor kozott kb. U/2 kell legyen a feszultseg.Ugy 4-5 volt kozott. A nyillal megjelolt pontokra be lehet kotni valahonnan jelet semmi problema nelkul mert le vanak valasztva kondenzatorokkal az egyenaramu reszekrol. Ha nincs hanggenerator akkor jo lessz egy mp3 lejatszo kimenete is .Kimenetet egy erositore kotni es halgatod hol szol es hol al meg a jel .
Nincsennek fordítva a tranzisztorok
elemről kapja a tápot, és mono Jack aljzataim vanna itthon, ezért egyből odaforrasztottam. Újra átmentem az összes forrasztáson, nem-e az a baja, nincs zárlat, és rendesen meg van forrasztva. nem tudom megnézni a diódákat nem-e zárlatosak, nincs műszerem... de az elsőt sikerült eltörnöm, a többire vigyáztam...amennyire lehetett.Kipróbálom hol akad meg a hangja.
Bekarikáztam ahol még szolt, utánna már nem....
Tudna valaki segíteni? Megépítettem a feltett rajzon szereplő torzítót. Nem volt semmi extra elvárásom , csupán csak , hogy legyen egy kapcsolás ami illeszti a végfokhoz a gitár akusztikus jelét , és kapcsolással overdrive üzembe vált. Működik is a kapcsolás , csupán egy probléma van vele. Az overdrive részen nem zengnek ki a húrok. Ha megpengetem , a pengetés idejéig szól a hangszóró , de utána mint ha lekapcsolnák. Hangerőtől függetlenül. Ha a potit tekerem akkor ugyan ez csak jobban hallatszik hogy torzít. Ennyi a különbség. De nem zeng ki végig. A diódák 1n4148-ak . Az ic tl072. Valaki tapasztalt már hasonlót ilyen torzítónál?
Forraszd ki a ket diodat , igy ha valamelyik zarlatos akkor kiveve onnan megindul a cucc.
Aztan ha megse akkor a C8-at forraszd ki egyik vegen ideiglenessen hogy biztos erositsen a Q3-as. A rajzon van hogy keresheted a jelet elvileg akarmeklyik ponton egy kondenzatorral ami egy kabel meleg pontjara van kotve az arnyekolas a GND-re ,a kabel az erosito bemenetere viszia "talalt" jelet.
a Gain poti középső lábánál már nem szolt, egy vezetéket ideiglenesen beforrasztottam az 1-2 lábakhoz, így már szolt egészen a Tone poti középső lábáig...itt félrenyúltam és meghalt a telefonom(erről adtam jelet)...szerintem a 9V-hoz hozzáértem
Idézet: Már ne is haragudj de egy gitár torzitónak telefonról milyen jelet adtál ? Ezt nem értem ! „a telefonom(erről adtam jelet)..”
Zoli én ezeket tudom de azért áljon meg a világ egy gitár torzitóról van szó ? De lehet neki gitár hangot ad a telefonja
Milyen tápról használod? Két elemről? Mindkettő jó? Az IC összes be- és kimenetein 0V-ot mérsz?
Azt a kapcsolót első körben nem használnám a helyedben, nekem legalábbis nem egyértelműen tűnik jónak a bekötés. Egyszerűbb lenne a második (torzító) fokozatot "trúbájpasszolni". Szerintem. |
Bejelentkezés
Hirdetés |













Értékek megegyeznek...


de az elsőt sikerült eltörnöm, a többire vigyáztam...amennyire lehetett.









