Fórum témák
» Több friss téma |
Nálam nem nagyon játszik szerepet, mert a lépcső alján hideg van, az csak egy ilyen háztartási helyiség féle. nem sokat számít, ha nyitva van az az ajtó. már próbáltam, de inkább csukva tartom, nehogy szórakozottságomban leszédelegjek, ugyanis ott a 3 m-es mélység van, mert lépcső az nincs...
Így van, tekerd le teljesen a termofejeket! Akkor a fűtőtestek leállnak és csak a padlófűtés menne. ( Elég nehéz eligazodni a fényképeken, azért ez nem olyan egyszerű mint neked, hiszen te nap, mint nap látod... )
5-ös kép, minden rajta van. Szemből a rad. kör, jobbra a pf. kör a szivattyú és hőcserélő társaságában.
Igen. látom. Azt nem értem, miért tettek fel egy HMV tágulási tartályt a fűtőkörbe. Ez drágább, mert nyomásállóbb. Remélhetőleg kieresztettek a nyomásból, mert ezekben alapban nagyobb a nyomás mint a fűtéshez való piros tartályokban.
Próbáld ki, hogy mi van, ha csak a padlófűtés megy ott, ahol van. Radiátorokat tekerd le.
Az a pf. tágulásija. A 18-as csőnek 8m-ben van 1l víz. 390m-ben majdnem 50l van, annak azért kell ilyen méretű expanziós tartály. A nyomást, persze nekem kellett benne normalizálni 1.5bár-on. Most még nem tekergetem le a thermo fejeket, mert csak ezzel fűtök, napi 4-5m3-el, 20fokon. A termosztát költöztetésén gondolkozom, csak ne kellene furkálnom.
Én nem a tartály méretére gondoltam, hanem a minőségére. A piros színüek valók a fűtéshez, a más szinüek meg egyéb célra, pl használati melegvízhez. ( Ezzel nemfog csöpögni a boyler, amikor melegvizet csinál. Különben meg kell a hidegviz oldalra az a szelep, ahol a melegedő, táguló víz kifolyhat. A pirosból is vannak egész nagyok.
Hát, van rádiós termosztát. Elemmel működik, minden programozható benne, és nagyon szép, még jó is. Pedig kinai. De merem ajánlani, egy ismerősömnek is az van és nagyon jó. 9 ezer körül van. Előnye, hogy hordozhatod akárhova...
Amit ajánlasz, az csak két pont vezérlést tud. A felső szint panel és térhálós, fémrácsos. Így is működne a távirányítás?
A tartály, az gondolom ilyen volt kéznél a szakinak. Bojlerem nincs, mert a kazán az kombi.
Lehet, hogy árnyékolna és nem menne. Ezt ki kell próbálni. Ami ugye elég nehéz ügy...
A kérdés már csak annyi, tud-e valaki olyan távvezérelt termosztátról, ami hasonló körülmények között is vezérli a kazánt. Ha légvonalban számolnám a távolságot, akkor 4m maximum. Tízezer kicsit sok tanuló pénznek.
Olvasgattam itt a hozzászólásokat és elárulok nektek egy titkot, a jó fűtés alapja kb. 70%-ban a tervezésen múlik! A többi a szerelésen és a beszabályozáson! És hogy miért mondom ezt, hát csak azért, mert az a szaki, aki a helyiség légköbméteréhez számítja a radiátor teljesítményét, az csak AS szabvány szerint dolgozik! Egy helyiség hősszükségletét a helyiségek lehűlő felületei alapján kell számolni a hőátbocsátási tényezőjük alapján! És akkor mondok is egy példát, van egy 5m x 4m x 2.5m helyiség 20C-fokra tervezve, amit 12-es fal vesz körbe, a fal túloldalán minden oldalon a hőmérséklet 7 C-fok, ugye a szaki kiszámolja a légköbmétert: 50 ehhez válasz kb. 3000W-os radiátort! Namost van még egy ugyanekkora helyiség, amit ugyanúgy 12-es fal vesz körbe, de itt a fal túloldalán fűtött helyiségek vannak, mondjuk 20C-fokosak, ugye itt is 50 a légköbméter. Tehát a szaki ide is 3000W-os radiátort tervez, pedig itt a falakon történő hőveszteség 0! És itt már látszik is, hogy igazából a jó fűtés a tervezésen múlik! Vagyis hiába akar valaki meleget egy helyiségbe, ha a radiátor negyed akkora, mint amekkora kellene! Amúgy az ilyen AS szabvánnyal készült fűtéseken még valamicskét lehet segíteni beszabályozással, de nem biztos, hogy sikerül! Azért a tervezés és a fűtésszerelés két különböző szakma! Ja és mi az AS szabvány? Elárulom: Ahogy Sikerül, jó lesz az oda! Ezek után, ha valaki jó fűtést szeretne először is, keressen egy tervezőt, vagy aki jártas a hősszükséglet számításban és számítassa ki rendesen a hőmennyiségeket!
Ahogy építeni is lehet rossz fűtést, úgy tervezni is. De igazad van egy tényleg jó tervező biztosan jobban ért a fűtés megtervezéséhez. Csak más a tervezés és más az utána elvégzett építés, az elmélet (tervezés) nem mindíg egyezik a gyakorlattal (építés) ugyanis a kivitelező adja a pénzt általában mindkettőre és ő dönti el, hogy mennyi az amit ki kell hagyni!
Szerintem, ha csak 4 m, akkor biztosan fog menni. Lesz ott annyi össze-vissza verődő rádióhullám, hogy látja a vevő az adót. Egy ismerősömnél úgy működik, hogy a tetőtérből is vezérli a kazánt, pedig a földszint mennyezete monolit födém.
De ha bemész egy villanyszerelő boltba, az eladó biztos hogy meg tud nyugtatni ezen a téren. Legalábbis, itt van egy bolt, az eladó mindenhez ért, amit árul, nem is akárhogy. A másik, hogy itt meg lehet vele állapodni, hogyha nem jó, akkor egyszerűen visszaviszed. Szerintem a környezetedben is találsz ilyet. Mostanában nem az a cél, hogy valamit rádsózzanak, aztán többet nem mész abba a boltba. Sokkal inkább visszavárnak, mert ők is belőlünk élnek. Ezek a boltok már magánkézben vannak és többnyire a tulaj az eladó. Próbáld meg, azt biztosan megéri. És ne nagy áruházakban vásárolj, mert ott még az is lehet, hogy hiányos a doboz amit megveszel...
Akkor inkább fúrok! Mit csináljak a jó bocs-hetronikkal? Ha már kifizettem érte 24-t és tudja azt amit kell, inkább szétfúrom a lakást, de menni fog.
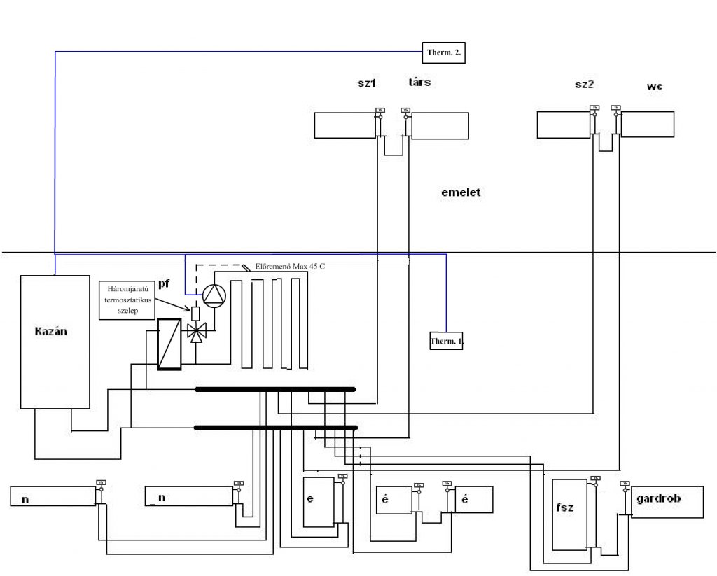
Becímkéztem itt egy képet a könnyebb érthetőség végett.
Hát, te tudod.
Jól látom, a padlófűtés osztó-gyűjtőre menő csövek csak 16 mm-esek? Nagyobb kellett volna, a szivattyúnak jobban kell dolgoznia. Éppen elég a sok padlófűtés csövön átnyomnia a vizet. Igaz, ott 5 részre ágazik el az a vízmennyiség, ami az előbbi 16-os csövön jön. Ettől még jó lehet, bár ennek a csőnek elég nagy így az ellenállása.
"A padlófűtés temperálásra van kitalálva."
Ez nem igaz! Nekem egy fia radiátor sincs a földszinten és nem fázom radiátor nélkül. ![]() Helyesen kell méretezni mind két fűtési rendszert és nincs alul/felül fűtési gond a lakásban! Tartom állításom, hogy nem jó a méretezés, vagyis a nem megfelelő hőmennyiség elosztás miatt van nálad probléma. Ahogy katt is írta, vagy fojatni a lenti rendszert- bár ez még nem biztosítja a megfelelő keresztmetszetet az emeletre- vagy növelni kell a fenti rendszeren áthaladó víz mennyiségét Szerintem a második megoldás lenne az ideális, így egyszerűbb lenne az utólagos finomhangolás. Nem tudom mennyibe fájna egy nagyobb keresztmetszet kiépítés az emeletre. De közelebb kerülnél a megoldáshoz az biztos! "A gyors felfűtésre, meg ott a radiátor, amivel csak a hiányzó hőfokot kell tudni pótolni." Hát lehet ez is a probléma forrása, mivel a fsz-en temperálsz, az emeleten meg semmi sincs! Így eleve hátrányból indul az emelet. Tehát még több hőmennyiséggel tudnád kompenzálni. Az állandó hőmérésklet tartást még nem próbáltad? Érdemes lenne egy hetet rászánni! Nem beszélve arról, hogy olcsóbb is az épület hőveszeteségét pótolni mint hosszabb szünet után újra felfűteni. "Én 83 nm-t fűtök, öt kör van, kb 450..470 fm cső van lefektetve." Nekem ~78nm van és 600m csőből talán maradt 50m. Az aljzat szigetelés 9-12cm nikecell. ![]() Balatonfűzfőn vettem mérethibás(nem azonos vastagság/táblaméret) ~10 köbmétert. Még így is olcsóbb volt mint azt a szerintem karcsú 5cm-t nm-enként építő anyag boltban megvenni. Ennek tükrében el lehet képzenli mennyi hő vész el a fűtés alatt. ![]() Számíthatóság szempontjából semmi!
"Azért a tervezés és a fűtésszerelés két különböző szakma!"
A kettő nem zárja ki egymást. Egy jó szerelő csinálhat jó és rossz megoldást, egy tervező szintén. Tanúja voltam tervezési hibának és szerelési hibának is. "Ahogy építeni is lehet rossz fűtést, úgy tervezni is." Igazolja ezt Zoli is. ![]() A két szakma jobb ha egy kézben van!
"Jól látom, a padlófűtés osztó-gyűjtőre menő csövek csak 16 mm-esek?"
Ez egy egyenvezeték rendszer. ![]() A kazán körének nem ártana minimum 22mm-t építeni, de ha több az nem baj. Gyakorlatilag az áramlásra van bízva a hő elosztás. Amelyik ágan kevesebb az ellenállás az kap több hőt. Merész tervezői munka!
"Amelyik ágan kevesebb az ellenállás az kap több hőt."
Nem olyan hosszú ez a vékony csöves szakasz, talán annyira nem szól bele. Illetve, ezt nem tudom biztosan, mert a fényképekből én nem látom tisztán. Nem biztos, hogy tervezői hiba, lehet, hogy a szaki talált egy csődarabot, aztán betette... Hát, a fojtás tényleg nem biztosítja az emeletre a megfelelő keresztmetszetet, de lecsökkenti a földszintit! Ezzel be lehetne állítani, hogy egymáshoz képest megfelelő legyen a keresztmetszet. A baj csak az, - nem biztos, hogy ez akkora baj, - hogy a szivattyúnak nagyobb teljesítménnyel kell dolgoznia, vagyis több áramot vesz fel és az áram sem ingyen van.
Helló!
Nézd meg légyszíves a 6-os és 3-as képeket. A falsíkból kettő cső fordul balra párhuzamosan. A fűtési előre és visszatérő csövek 22mm-k, abból van leágazva 16-al a pf. hőcserélőhöz a két kék színű elzáró csappal a primer oldalra. A szekunder oldal a primerből adódóan nem lehet nagyobb keresztmetszetű, meg hát a bekötési csonkok sem teszik lehetővé ezt. A szivattyú ami látszik a képeken az a pf.-t keringeti, ha a csőtermosztát ezt megengedi. A kazán szivattyúja nyilván teljes fordulaton kell hogy üzemeljen, hogy le tudja adni a teljesítményét. Üdv.:VIM
Miért ne lehetne különböző átmérőjű egy hőcserélő be és kimenetén az elmenő cső? A bekötési csonkok lehet, hogy kicsik, de lehetett volna rátenni olyan fittinget, ami ezt megnöveli. Ha szűkiteni lehet, mint a szivattyú kimeneti oldalán, akkor bővíteni is...
Azt sem értem, minek kellett ide csőtermosztát? Ez gondolom kikapcsolja a szivattyút, ha túl meleg víz akar a padlófűtésbe bemenni. Na de mitől lenne túl meleg a víz? Eldugul a hőcserélő? Akkor nem jön ki belőle víz. Leáll a szivattyú? Akkor elvileg nagyon felmehet a víz hőmérséklete, de ez nem megy bele a padlófűtésbe, hiszen a szivattyú nem jár! Tehát, minek az oda? Csőtermosztátot akkor kell alkalmazni, ha a kazán közvetlenül és nem hőcserélőn keresztül fűti a padlófűtés csöveit. Akkor ugyanis előfordulhat, hogy a kazán belenyomja a padlóba a 80 fokos vizet, ha mondjuk nem elég gyors a vízáramlás és elromlott a kazán vízhőfokszabályozója. A csőnek semmi baja nem lesz tőle, ezek az újfajta csövek szinte mindent kibírnak. Egy kérdés: ha nagyon hideg van kint és éppen bent sincs meleg, tehát fűt a kazán, akkor ezt hogy teszi? Időnként kikapcsol a gázégő, aztán újra bekapcsol? Mondjuk ezt csinálja 2...5 percenként? Mert ha így csinálja, az azt jelenti, hogy kicsi a vízsebesség és mire átfordul a víz a kazán hőcserélőjében annyira felmelegszik, hogy a kazán azért áll le, mert mondjuk a víz eléri a beállított mondjuk 70 fokos vizet. Ezzel az a baj, hogy egyrészt a gázszelep nem szereti a sok ki-be kapcsolást, - az élettartama neki is véges, - a másik, hogy annyival tovább tart a felfűtés. Igazából akkor jó egy ilyen rendszer, ha a kazán melegét azonnal el tudja szállítani a víz, mert akkor lesz a leggyorsabb a felfűtés. Tehát, a kazán csak akkor áll le, ha a termosztát állítja meg. Nyilván, a padlófűtés le fog maradni a radiátorokhoz képest, mert a radiátorok gyorsan csinálnak meleget a szobákban. Erre a termosztát kikapcsolja a kazánt, pedig még a padlófűtés betonja nem is melegedett fel. Nem is nagyon fog, mert utánna is a radiátorok határozzák meg a szoba hőmérsékletét, és a termosztát mindíg kikapcsol, tehát a pf. nem fog igazán működni. Kicsit más a helyzet, ha vannak fent a radiátorokon termofejek. Ezek lezárják a radiátorokat, ha elég melegnek érzik a szoba levegőjét. A baj csak az, hogyha megszólal a termosztát, akkor ugyanúgy leáll a kazán, mint termofejek nélkül. Még bonyolítja a dolgot, hogy a tetőtérben radiátorok vannak és nem tudnak elég meleget csinálni. Talán kicsi a teljesítményük, vagy kevesebb vizet kapnak, nagy a hőveszteség, stb.Persze, mert mire kezdenének befűteni, lent már meleg van, tehát a termosztát leállítja a fűtést, emiatt fent sose lesz elég meleg. Talán, azt kellene megpróbálnod, hogy a termosztátot felviszed. Ekkor a termosztát csak akkor állítja le a fűtést, ha fent meleg van. Lent, ha elég meleg van, akkor a termofejek lezárják a radiátorokat, tehát, nem lesz a lenti rész túlfűtve. Viszont, gyanítom, hogy ily módon a pf. olyan, mintha ott sem lenne, vagy csak nagyon lassan fog felmelegedni, hiszen a radiátorok fent a pf-hez képest nagyon gyorsan csinálnak meleget, tehát a termosztát lezár, tehát a pf-ben sem melegszik a víz tovább. Tehát, csak egy kicsit lesz jobb ilyen szempontból a helyzet, mintha lent van a termosztát. Így tényleg nagyon sok idő kell a pf. beton felmelegedéséhez. Ha viszont felmelegedett, akkor a lenti radiátorok termoszelepei nem nyitnak meg, mert a pf. önmagában gondoskodik arról, hogy a helyiségben elég meleg legyen. Ez így elvileg jó lenne, de csak akkor, ha lent a pf. nem tudja túlfűteni a helyiségeket. Mert ha a hőveszteség kisebb a lenti részben mint fent, akkor a termosztát be fog kapcsolni, hiszen fent hideg van. Erre persze elindul a fűtés lent is, igaz, hogy csak a pf-be, hiszen lent meleg van és a termofejek lezárva tartják a radiátorokat. Tehát, lesz egy kis túlfűtés. Ez ellen is lehet védekezni, csak ez már tényleg igényel némi elektronikát, már nem olyan egyszerű.Mindez persze csak akkor igaz, ha mondjuk a lenti nappaliban van pf. és radiátor is egyszerre. Szóval, nyugodtan vedd le a falról a termosztátot, vidd fel valamelyik helyiségbe, - a leghidegebbe,- és kábelezd be, próbáld ki, hogy mit csinál. Szerintem, így jónak kellene lennie. A kazán szivattyújának nem biztos, hogy teljes fordulaton kell járnia. Ez elsősorban attól függ, hogy mekkora a teljesítménye. Ha túl nagy, akkor feleslegesen nagy a vízsebesség, attól nem lesz gyorsabb a felfűtés, hiszen akkor meg a kazán teljesítménye kicsi, tehát, a túl gyorsan áramló vizet nem tudja felmelegíteni. Ez a fűtés szempontjából nem jelent semmit, csak a villanyszámla lesz több...
Szóval:
Idézet: csak ennyit kellett volna írni, a többit már fújom kívülről. A kazán azért nem olyan buta, mint ahogy gondolod. Nézz csak utána, hogy mit tud. Én hozzá képest dilettáns vagyok. A szivattyú fordulatot (szállító teljesítményt) az adott igényeknek (teljesítménynek) megfelelően, a rajta lévő három fokozatú kapcsolóval meg kell adni a beüzemeléskor. A radiátoraim 30KW-t tudnak, a pf.-t most hagyjuk. Azt hiszem ez elég meggyőző a maximális szállító teljesítményhez. „Szóval, nyugodtan vedd le a falról a termosztátot, vidd fel valamelyik helyiségbe, - a leghidegebbe,- és kábelezd be, próbáld ki, hogy mit csinál. Szerintem, így jónak kellene lennie.”
Hm... azért az is lehet, hogy ezt a fórumot mások is olvassák. Hátha érdekli őket...
A másik dolog, nem igazán láttam, hogy te tudod mit kell csinálni ahhoz, hogy a fűtésed rendben legyen. Ha így lett volna, akkor nem olvastam volna tőled néhány elmarasztaló véleményt egyrészt a saját fűtéseddel, másrészt a padlófűtéssel kapcsolatban. Persze lehet, hogy én látom rosszul, ez esetben elnézésed kérem, hogy segíteni próbáltam. Igérem, nem fog többet előfordulni. Miből gondolod, hogy én butának néztem a kazánodat? Én csak annyit írtam le, hogy a kazán bizonyos helyzetekben mit fog csinálni. Te ezt írtad le: "A kazán szivattyúja nyilván teljes fordulaton kell hogy üzemeljen, hogy le tudja adni a teljesítményét." Ezt próbáltam kicsit pontosítani. Ugye létezik mondjuk 3 fokozatú 5 kW-os szivattyú is... ahol nem biztos, hogy kell a maximális teljesítmény...
Háát, furkálni nem akartam össze-vissza a festett lakásban (már megtettem még a kezdet kezdetén, amikor még volt hibajavító festékem), súlyos tízeseket sem akartam kidobni az ablakon, Téged megbántani meg végképp nem. Ha valamivel is kihoztalak a béketűrésből, itt és most kérek bocsánatot mindenki előtt!
Én is olyan szándékkal hoztam fel példának az esetemet, hogy tanmese legyen másoknak. Mert működni működik, csak vannak hiányosságai, de hála neked megerősítettél abban az elhatározásban, hogy fúrnom kell. Ha leírnám, hogy hol és mit kell fúrni, Te is (gondolom) haboznál rajta. Üdv.:VIM
Berajzoltam a rajzodra hogy mit kellene módosítanod a fűtési rendszereden, ahhoz hogy legyen egy elfogadható fűtésed! Először is kellene a padlófűtés körbe egy háromjáratú termosztatikus szelep, mellyel 35 - 45°C kellene beállítani a padlófűtés előremenő hőmérsékletét. Két helyiség termosztát kellene, a Therm1 valamelyik padlófűtéses helyiségbe, a Therm2 a felső szinti radiátoros helyiségbe kellene elhelyezni. A két termosztát külön-külön tudja vezérelni a kazánt(VAGY kapcsolás) plusz még a Therm1-nek külön kellene kapcsolnia a padlófűtés szivattyúját is. Ja és még egy: az összes radiátoron legyen termofej, a kazánhőfok pedig 60°C legyen! A rendszer működése: A Therm1, Therm2 kapcsolok, indítják a kazánt, melynek a 60°C-os előremenő vize megy a radiátorokba és a padlófűtés hőcserélőjébe. A padlófűtés hőcserélő szekunder oldalába beépített háromjáratú termosztatikus szelep bekeveri a 35 - 45°C-os előremenő vízhőmérsékletet a padlófűtésnek. Ha az alsó radiátoros helyiségek valamelyike eléri a kívánt hőmérsékletet, lezár a rajta lévő termofej, de így még a padlófűtés tovább üzemel. Ha a Therm1 helyiség hőfoka eléri a beállított értéket, lekapcsolja a padlófűtés szivattyúját, és a kazánt is, ha a felső Therm2 helyiség is elérte a beállított értéket. Ha a Therm2 helyiség még nem érte el a kellő értéket, akkor a kazán tovább fűt. Így egy viszonylag külön - külön működő rendszered lesz. :yes:
"a kazánhőfok pedig 60°C legyen!"
"A padlófűtés hőcserélő szekunder oldalába beépített háromjáratú termosztatikus szelep bekeveri a 35 - 45°C-os" Nekem is 20kW-os hőcserélőm van és nincs keverőszelep, de ennek ellenére ~40 fokos az előre menő víz. A kazán kb:70 fokon van. Megfelelő áramlással beállítható a szivattyúkkal az előre menő hőfok. Egy termofejes keverő szelep ~ 25000 HUF. Felesleges kiadás. + ha beszarik bosszantó lehet. ![]() Az a gond hogy VIM write-only módban van. ![]() Lent túl sok a fűtés fent kevés. A legolcsóbb megoldás egy próbaüzem, lent csak pf fent a radiátorok. A lenti radiátorokat erre az időre el kell zárni! Néhány nap után hőméréseket végezni a lenti és fenti terekben. Jó lenne egy ilyen mérési eredményt látni! Hogy haladjunk is ![]()
Mellesleg a keverőszelepet a primer ágba kell tenni a
szekunder ág figyelésével. Így láttam a szakirodalomban.
Helló!
Nem csak Idézet: (írásos) üzemmódom van, de tolakodni sem akarok.„write-only” Nem akarok 7radiátort kizárni, hogy csak 4 menjen, a padlót meg járassam csúcsra, ilyen jó időben. Nyilván valami munkaponti differencia is van még, mert kb. -10foknál érezhető a hiányosság. Egyelőre a termosztát emeleti, radiátoros szobába telepítésével leszek elfoglalva, majd a teszteléssel. Idézet: „Nekem is 20kW-os hőcserélőm van és nincs keverőszelep, de ennek ellenére ~40 fokos az előre menő víz. A kazán kb:70 fokon van. Megfelelő áramlással beállítható a szivattyúkkal az előre menő hőfok.” Nálam is ez a verzió van kiépítve, de nem kellett volna 20KW-s hőcserélő, csak 10KW-s, akkor nem kellene fojtani a keresztmetszetet az elzáró csapokkal. Ebből adódóan jobb lenne a sönt (strang) hatása is az átfolyási keresztmetszeten. Idézet: -csak én nem mindig vagyok itthon, hogy rárepüljek a problémára. Nem ég a ház! De igyekszem!„Hogy haladjunk is” Üdv.:VIM
SoSan akkor nézd meg a szakirodalmat jobban és észreveszed, hogy van osztott és kevert módú szabályozás a háromjáratú szelepeknél! Benne van a nevükben, hogy miben különböznek egymástól! Ha nálad csak 40°C-os az előremenőd szabályozás nélkül, akkor valószínű, hogy alulméretezett a hőcserélőd. És mi történik az előremenővel, ha a kinti hőmérséklet -10 -15°C lesz?leesik 20 - 25°C-ra?
VIM hol fojtod a keresztmetszetet az elzáró csapokkal? Egyébként még mindig nem értem mi a konkrét problémád a rendszereddel. Nagyon lassan melegszenek át fent a radiátorok, vagy a fenti radiátoraid melegek, de mire felfűtené a helyiséget, előtte lekapcsolja a kazánt a termosztát?
"Először is kellene a padlófűtés körbe egy háromjáratú termosztatikus szelep, mellyel 35 - 45°C kellene beállítani a padlófűtés előremenő hőmérsékletét."
Ez minek? Már van neki egy beépített 20 kW-os hőcserélője, az ezt a célt szolgálja. Ott van a fényképeken, hungarocellel hőszigetelve.
Azért mert a hőcserélőnek nem csak 40°C-ot kellene tudnia 7°C-os külső hőmérséklet mellett hanem többet, mert ha a külső hőmérséklet -15°C-ra csokken akkor már az előremenőd csak 25 - 30°C lesz! Magyarul a hőcserélőnek többet kell tudnia, hogy legyen tartalék a nagyobb hőveszteségre! Vagy a kazánhőfokot kell feljebb állítanod.
|
Bejelentkezés
Hirdetés |








