Fórum témák
» Több friss téma |
Fórum » Elektronikus polaritás kapcsoló
Témaindító: győriattila, idő: Nov 23, 2009
Témakörök:
Hali Mindenkinek!
Nem tud valaki egy olyan kapcsolást,ami ha kap áramot(12V)továbbítja,ha nem kap áramot megfordítja a polaritást? Egy központi-zárral mozgatott huzatszabályzóhoz kellene,amit termosztát vezérelne. köszi,hali.
Milyen teljesítményt kéne kapcsolni?
Központi zár nem több 1 Ampernál?! Kell akkor saját táp a központi zárnak... és azt kapcsolná a termosztát?
Biztos nem több egy Ampernál,és igen van tápja,ezt kellene valahogy váltogatni.
Én úgy tudom, hogy a központi zárakat inpulzus kapcsolja, biztos polaritás csere kell neked?
Ennél egyszerűbb polaritásváltót nem tudok elképzelni.
Köszi Zolee.
nem akarok értetlenkedni,de ez milyen típusú relé? hogy kérjem a boltba?
DC12V 2morzés relét kérjél.
Hello!
Azaz a relének DPDT kódúnak kell lenni. üdv! proli007
A kp zár vezérlő alapból polaritást fordít a kimenetén, de csak impulzust ad. Biztos ez kell neked a huzatszabályzóhoz?
Ha jól értelmeztem amit mondtál, akkor ez kell neked. Üdv Inhouse
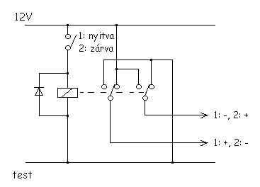
Hello! Ez egy tranzisztoros polaritásváltó
4 tranzisztorból áll ezek hídban vannak kötve,a fogyasztó(Rt) az átlójukba kötöd.A táplálás váltakozó,az ellenálláson egyenáram folyik.Ha a vezérlés vezetékre plusz feszültséget kötsz,akkor a felső baloldali,és az alsó jobboldali tranzisztor kapcsol be.Ha a vezérlés vezetékre minusz feszültséget kötsz,akkor a felső jobboldali,és az alsó baloldali tranzisztor kapcsol be,és az ellenálláson folyó áram iránya megváltozik
Hello!
Hát ez egyáltalán nem így van, és a kapcsolás ráadásul hibás! De ha már a szimulátorban lett lerajzolva, akkor miért nem szimulálod is le? :no: üdv! proli007
Hűha ez már zavaros nekem.
Nekem nincs hozzá központi zár vezérlőm,se a "vezér" motor,aminek 4-6 kivezetése van,és ez vezérli a többi 4-5-t. Ezen a központi zár motoron csak 2 kivezetés van. Ezt kéne valahogy megmozgatni egy valamivel...
Viszont így nem kevés a polaritásváltó?
Mert ha a motor végállásba ér attól még megkapja a tápot. Van benne végálláskapcsoló, vagy egyenesen a motorra kötnéd a tápot?
Azt úgy terveztem,hogy megoldom egy időzítő áramkörrel(555),aztán beállítgatom,hogy mennyi ms kell neki...
remélem működni fog... :yes: ja amúgy vettem relét,ha lesz egy kis időm össze is forrasztgatom. hali.
Hello!
Ha időre szeretnéd működtetni és nincs végállás kapcsoló, akkor viszont két relé szükséges (de elég benne egy váltó érintkező is) Mert egy relével, a feszültség mindig kinn lesz a motoron. A kapcsolást az ábrához hasonló módon lehet megoldani (persze nem kell a motornak és a relének külön tápot biztosítani, mint a mellékletben és a két relé külön működtethető, mert ez a kapcsolásnál kívánságra a feszültség polaritása határozta meg az irányt.) üdv! proli007
Heló.
Jaa,aha értem. köszi.
üdv!
Én a helyedben valami stepper motort használnék és ott nem kell a polaritással bajlódni. Vezérlésfüggő lesz, hogy melyik irányba fogja nyitni. Gondolkoztam én is, hogy építek egy huzatszabályzó vezérlést, de sajnos idő hiányában elmaradt. A stepper motort PIC-el vezéreltem volna meg. Üdv, Matt
Tehát csak egy kp zár motorod van?!
Az impulzus hossza 0.75-1s körül legyen. Nem tudom, hogy néz ki egy huzatszabályzó, de ha nem "digitális", akkor nem lesz jó a kp. zár motor. Ezzel nem fogod tudni köztes pozícióba rakni... Üdv Inhouse
Üdv!
A huzatszabályzó egy kis ajtó a kazán elején, aminek a nyiott állapotát egy hőmérsékletfüggő mehanikus cucc állítja. Szerintem ő ezt szeretné kiváltani egy elektronikus megoldással. Ezért javasoltam neki a steppermotort, mert azzal simán be lehet lőni a köztes poziciókat, sőt még fokozatosan is lehet nyiti, illetve zárni. A jól értettem a kérdezőt, akkor termosztáttal szeretné szabályozni, hogy mennyire van nyitva, de szerintem emellé még mindenképp kéne valami kazánhőmérséklet érzékelő, mert ha túlmelegszik a kazán, és a termosztát túl magas értékre van állítva, akkor gáz lehet. A hőérzékelőnek egy felső hőfokhatárt kellene megadni pl 80 fok, ha ezt eléri akor lezár biztonsági okokból. Én valahogy hasonlóan oldanám meg. Remélem tudtam segíteni. Üdv, Matt
Akkor ide nagyon nem jó a KPzár motor.
Üdv Inhouse
Heló Matt!
Ahogy mondod,pont így terveztem. te tudsz valamit... amúgy már összeraktam a cuccot,csak fel kéne valahogy szerelni a kazánra... vannak ötleteim,mondjuk bowden mozgatná az ajtót,a bowdent meg a k.zár... vagy ilyesmi... na köszi mindenkinek,szólok ha üzemel. Hi.
Csak te nem érted meg, hogy a KpZár motor nem jó erre...
Üdv Inhouse
Én étem,hogy te miért gondolod hogy nem értem.
Nekem jó úgy is,ha a víz eléri pl. a 65 C-t,a kp.ár lezárja az ajtót,ha pedig lehül pl. 55 C-ra, akkor nyitja az ajtót. Nincs szükségem,sőtt nincs értelme egy olyan cuccra ami a hőmérsékletváltozástól mm-ről - mm-re nyitogassa Fel-le nekem a huzatszabályzó ajtómat. Józan-paraszt ésszel : - vagy kell levegő,vagy nem kell levegő a kazánnak ... és zsírúl működik , hidd el...
hi.köszi
aha,én is ilyesmi időre tippeltem,köszi. nincs szükség köztes pozicióra. vagy nyit,vagy zár.
Ha csak így kell (digitálisan), akkor lehet jó. Mint írtam köztes pozíciót nem tudsz vele elérni, mert rövid út, rövid idő alatt...
Raknál fel képeket? Üdv Inhouse
Üdv!
Semmi áron nem szeretnék vitatkozni a tisztelt kérdezővel, de nekem az az észrevételem, hogy a mechanikus szabályzó sem 2 állapotú,h vagy kinyitja vagy becsukja. Ahogy melegszik fel a víz, annak függvényében fogja elzárni. Szerintem ha így valósítod meg, akkor a hatásfok nagyon rossz lesz, mert így nem fogja folyamatosan melegen tartani a vizet. Akik kitaláltál a mechanikus huzatszabályzót sem véletlenül így találták ki. Ennek pont az a lényege, h ha egy kicsit lehűl a víz akkor kicsit kinyitja az ajtót, hogy több levegőt kapjon és nagyobb lánggal égjen a tűz. Ahogy Te gondoltad meg a "fogyasztás" is rengeteg lesz. Gondolom vegyestüzeléses kazánról van szó. Próbáltad már így, hogy azt állítod "zsírul működik" ? Üdv, Matt
Heló matt.
szerintem te csak találgatsz. nekem csak egy rajz kellett volna,relés kapcsolás helyet,valami kis paneles cucc,amit házilag meg lehet csinálni...ez szerin Épületgépészettel foglalkozom több mint tíz éve,az elektronikát csak "messziről" ismerem. A gyári huzatszabályzó n.jó,de vannak hibái.pl.éjszaka,ha nincs rajta fa,csak parázs ami akár reggelig is fűtene,azt hiszi hogy levegő kell neki,erre rányit,és 5 perc alatt elég. - elektronikával ez javítható. - ha rárakod a nedves fát,annak nagyon gyorsan levegőre van szüksége,be ne aludjon,mire begyullad. -mivel lassan nyit ki,sokáig füstöl,ami a kéménynek nem jó,mert nem melegszik be, a távozó füst nem éri el az optimális hőfokot,ami kb. 120 C-s,a kimenetnél mérve. -és mivel lassan nyitja-zárja az ajtót,nem tudja mondjuk 55-és 60C között tartani a hőfokot,míg egy elktromos ~5C között tudja tartani a beállított hőmérsékletet.... - meg nem beszélve arról,hogy 8e Ft,ez meg egy ezresből kijön. köszönöm hogy meghalgattál. mert hülye azért nem vagyok...
Értem,köszi.
szia györiattila.
hol tart adolog kiváncsi vagyok engem is érdekelne egy ijen megoldás köszi -
heló.
kész van az elektronika,és a mechanika is. fel is van rakva ilyen kóki módszerrel,de működik. a rögzítésen agyalok,hogy lenne jobb. |
Bejelentkezés
Hirdetés |








