Fórum témák
» Több friss téma |
- Ez a felület kizárólag, az elektronikában kezdők kérdéseinek van fenntartva és nem elfelejtve, hogy hobbielektronika a fórumunk!
- Ami tehát azt jelenti, hogy a nagymama bevásárlását nem itt beszéljük meg, ill. ez nem üzenőfal! - Kerülendő az olyan kérdés, amit egy másik meglévő (több mint 17000 van), témában kellene kitárgyalni! - És végül büntetés terhe mellett kerülendő az MSN és egyéb szleng, a magyar helyesírás mellőzése, beleértve a mondateleji nagybetűket is!
Azért ha megnézed az általad belinkelt adatlapot láthatod, hogy a tok alatt már 2,2mm széles az a láb és illik is odáig beültetni.
Láttam, de nekem 0,7mm+-0,1nek tűnt. Az sem vastag nagyon, de mégiscsak több.
Köszi a választ! A 600W-os motor egy szivattyú lenne de lecserélem egy DC-s kissebb teljesítményűre, (ha van ilyen). Miért lesz gond az akku tőltésével? A generátoron van feszültség szabályzó. Ugyan azon az elven akarom müködtetni mintha az autóban lenne. Márcsak a gerjesztést kellene megoldani valahogy, mert ugye így hiába pörög mint az állat, nem fog áramot termelni. Előbb-utobb begerjed különben, 3-4000-es fordulaton, de nem valoszinü hogy ezt el fogja érni. Ha esetleg ebben is tudnál segíteni azt megköszönném
Üdv!
Megoldható lenne a képen látható módon + - 12V előállítása? Kösz előre is!
Igen, de a kondik elektrolit kondik legyenek. A negatív ágban nem a GND-re megy a kondi mínusza.
Szia! Igen! Azért ez a neve. Az erre kijelölt helyeken a földelő vezeték rá van kötve egy, a földbe mélyen leszúrt acél csőre. Van ahol nagy acéllemezt használnak.
Aha. Akkor már értem! És fbela1990 rajzán is?
Igen, az egy földelés jel. Hogy kell-e oda azt az adott kapcsolás dönti el. De ez a rajz egy programmal készült, ami sokszor megköveteli, még ha nincs is rá szükség valójában.
Pl. egy autós erősítőnél elég fura lenne.
Az a baj, hogy ebből a rajzból nem derül ki, hogy középcsapolásos trafóról kapjuk az áramot, vagy csak egy AC virtuális földpont kell. Nem túl jó rajz...
Bizony, ez már a graecz utáni DC 24V!
Értem én, de hogyan lesz ebből +- 12 Volt? Egyenáramúlag a földelés a levegőben lóg. Magyarázzátok már el, hogy mire jó ez a megoldás!
A két kondi úgy viselkedik, mint két 12V-os aksi. Sorba kötve 24V-osak. Ide mehet a 24V-os betáp. Viszont a közepüktől mérve már +12V illetve -12V lesz.
Sziasztok egy kis segítség mit jelent hogy minden csatornán 2 sávos EQ és hogy 5 sávos grafikus EQ az összes csatornára?Egy keverőerősítőről van szó
Csatornánként mély, és magas állítási lehetőség, közép fix. A kimeneten meg az összes kevert jelet tudod, a mélytől a magasig, öt különböző frekvencián állítani.
Sziasztok.12V ról kiszeretnék próbálni 1db ledet hogy hogyan világít.Mit kell tennem hogy ne menjen szét a led.Köszi.
De ha aszimmetrikus terhelés lép fel, akkor borul a töltéstárolásos dolog. Erősítőhöz jó, de mondjuk egy kettős labortápba nem igazán. Vagy tévedek?
A két kondin csak akkor lesz 12-12V, ha mindkettőn azonos a terhelés. Ha az egyiken sokkal nagyobb a terhelés, akkor a másik oldal "elszáll", lehet rajta akár 15-20-24V is (miközben a terheltebb oldalon 9-4-0V lesz).
Ez a megoldás csak állandóan szimmetrikus terhelés esetén használható.
Köszi!
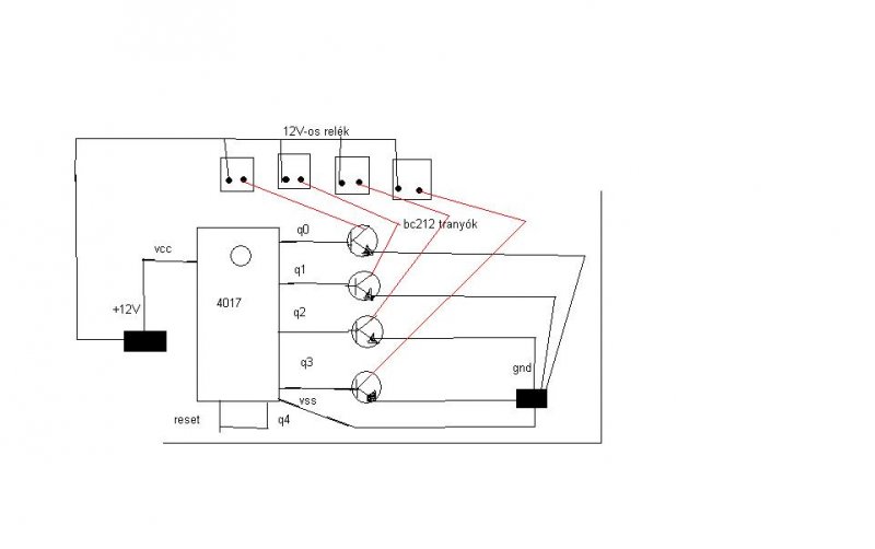
De most jut eszembe, hogy mivel én nem ledeket akarok vele vezérelni, ezért lehet hogy más a helyzet. Szóval én 4 relét akarok kapcsolni vele, és tranyókkal kapcsolom a külön reléket. de most nekem mindegy, hogy csak simán végigkapcsolja a reléket, vagy elvissza megy mint a knight rider futófény. szóval csináltam egy rajzot, csak a 4017-et tettem rá, az 555-el vezérlést azt nem, és az lenne a kérdésem hogy így működne? Köszi!
Hello!
Kissé gond, hogy mindig mást mondasz. - Ha a négy relét csak sorrendben akarod vezérelni (0-1-2-3-0....) és így négy állapot van az ismétlés előtt. Akkor jó így ahogy "rajzoltad" (és ahogy Zoli mondja, a bázisokba ellenállás kell, plusz védődióda a relére). - Viszont az eredeti működés, oda-vissza fut (0-1-2-3-2-1-0...) ez viszont ugyan négy Led, de hat állapot van. Tehát ez az "eredeti működési elv", csak négy Led-el. üdv! proli007
Köszi!
Mostmár nagyjából értem ennek a számlálónak a működését. Szóval, ha a resetet nem kötném sehova, akkor ugye minden órajelre egyet léptetne a Q9-ig, és aztán újra. Nem akartam mást mondani, csak úgy gondoltamm hogy feleslegesen ne terheljelelk titeket, a relékkel, azt gondoltam hogy ha tudom a ledekkel, akkor megtudom csinálni relékkel is, de mégse De mostmár értem, még annyi kérdésem lenne hogy a bázisra jutó ellenállás milyen legyen, hogykell kiszámolni? Köszi!
Hali. Lenne itt ez a számláló. Egyszerű 14mm-es kijelzővel működik, de egy házi készítésű kijelzővel nem megy, ami 12V-al működik. A tranzisztorokkal lenne e gond, mert nem engedi át a bejövő 12V-ot, csak valami 3-5V körül. Miért, mit kellene csinálnom? (egyébként BC337,BC547-est használok hozzá. 1K bázisellenállással.)
Hello!
Bocs, de hogy lehet ilyen szakszerűtlen tanácsot adni? A +-12V számomra egyenfeszültséget jelent. Viszont egyenáramon a kondi az impedanciája végtelen nagy. Tehát feszültség osztásra nem lehet használni.. A kondi pedig nem feszültségforrás mint az aksi. És ahogy István is mondta csak akkor lenne a feszültség azonos mind kettőn, ha a terhelés azonos. De akkor minek az osztás? Váltakozóáramú szempontból, pedig pont a kondi miatt a táp minden pontja hideg pontnak, azaz váltóáramilag földpontnak számít. Ez a badarság, már többször előjött itt a fórumon és erősítgetik, hogy működik. Bekötik egy +- tápot kívánó műveleti erősítős kapcsolásba, ahol bekapcsoláskor "működik" is, mert a kondik töltőárama miatt a feszültség megoszlik rajtuk (ehhez viszont a kapacitásuknak is azonosnak kell lenni). Az IC viszont egyenáramú munkapontját a kondik közös pontjáról, erről az egyenáramúlag lebegő pontról kapja. Tehát amikor a két kondi feszültsége szétmászik akár az egyenlőtlen terhelés, akár a kondi szivárgása miatt, akkor elvándorol a munkapont, és torzít a cucc.. A feszültség megváltozhat akár azért is, mert amennyiben az erősítő nem szinuszos jelet erősít (már pedig a zene minden csak nem szinusz) annak átlagértéke nem nulla, tehát egyenlőtlen terhelést hoz létre. De ha csak egyszerű paraszti ésszel gondolkodnánk, akkor is! Ki a bánat készítene szimmetrikus tápfeszültséget, amikor két kondival meg lehet oldani? :no: És még egyszer bocs, de világért nem sértegetni akartalak, csak feloszlatni ezt a ködöt. Mert ez igazán ebbe a kategóriába tartozik.. üdv! proli007
Hello!
- De miért nem lehetne? Az IC-nek tök mindegy, hogy a Led-diódáját, vagy a tranyó bázis-emitter diódáját vezérli. A bázisellenállás előtt, ugyan úgy lehet diódás mátrixot használni, mint a Led-ek előtt. - A relé áramát elosztod a tranyó bétájával, és megkapod a bázisáramot. Ha a tápfeszültségből levonod a tranyó bázis-emitter nyitófeszültségét (kb. 0,6V) és a dióda nyitófeszültségét (lb. 0,7V) és elosztod a bázisárammal, akkor megkapod az ellenállás maximális értékét. A tranyók jó nyitása és béták szórása miatt ennél kisebbre kel választani az ellenállást. (De még mindig nem mondtad el, hogy hogyan működjön, és miért kell reléket használni.. Nem lesznek hosszú életűek, ha állandóan kapcsolgatnak.) üdv! proli007
Üdv!
Nemsokára hosszabb útra indulunk, és szeretném magammal vinni a laptopomat, amit az autóban szeretnék használni. Inverterre gondoltam (12V->230V). Egy 150W-os teljesítményű inverterre gondoltam, a kocsiban viszont max 120W van a szivargyújtóban. A laptop max 70W-ott fogyaszt. A kérdés, ha csak ennyi kell neki, akkor csak ennyit fog felvenni a bemeneti (12V-os) oldalon is az inverter? (Természetesen kicsit többet, mert van némi vesztesége is.) Előre is köszönöm a választ
Köszönöm a gyors választ, a kocsit nem akorom babrálni, de a fő kérdés hogyha egy inverterből 70W-ot veszünk fel, akkor az inverter is 70W-ot vesz-e fel a bemenetén. Bocs az értetlenkedést, de nem véletlen hogy a kezdő kérdésekhez írtam. Nem vagyok még tisztában ezzel. :hide:
Köszi.Nézegettem ezt de honnan tudok 2 értéket?
-leden eső feszültség -leden átfolyó áram kösz.
Még egy kérdésem lenne, de ez csak kíváncsiságból. Mi van akkor ha nincs az inverteren terhelés, csak nagyon keveset fogyaszt a bemeneti oldalon?
Mégegyszer köszönöm a sok segítséget!
Sziasztok!
Éppen terveződik, legújabb készülékem, ami egy kódzár PIC-kel, és egy kis segítségre volna szükségem... Sajnos rajzot nem készítettem hozzá, mert minden menetközben jött meg... Tehát ha valaki venné a fáradságot, és átnézné, hibákat keresve, akkor azt megköszönném... Köszönöm! Üdv.: Litldákk |
Bejelentkezés
Hirdetés |













