Fórum témák
» Több friss téma |
Szia!
A source bypass kondik növelésével elvileg tudsz némi basszust adni, de nem lesz az a hasbarúgós mély. Mesteremnek is ezt mondtam, mikor kipróbáltuk a jfet tortyogókat a csöves higain cuccai mellett, hogy mélyben vérzik el. Egyszerűen ennyi, ha növeled pár µF re az első fokozat byp. kondiját, már mélyülni fog.Ha nem elég, a többit is... De tényleg nem lehet tőle csodát várni, kisebb génen meg jön cserébe a blocking distortion, zizegés, recsegés... Zsolti
Hello!
Kipróbálhatod, semmiből nem áll, fogsz egy pl 10uf es vagy 22uf es, akármekkora kondért, és alulról ráforrasztod a panelre az eredeti kondira. És fülelsz, ah tetszik az irány, akkor csak az értékkel kell kísérletezni, ha nem, akkor hagyni. Pár perc kérdése ![]() Zsolti
Csao, elszántam magam, 47 uF, elko, dögösebb lett kicsit, csak az első fokozathoz nyúltam, egyenlőre, de tényleg nem olyan számottevő a változás
, bár már lehet csak én hallom, pihentetem kicsit a dolgot ![]() ![]() ![]()
Hello!
Valaki próbálta már a Marshall JCM-800 előfokának kapcsolását mint torzító? Múltkor egy soldano torzítót csináltam csak keveseltem a torzítását, túl sok közepet emelt, és zajos volt. Most JCM-800 2204-et csinálok, megpróbálom a lehető legjobban leutánozni az elrendezést ami a Marshall fejekben van. Már régóta foglalkoztat ez a csöves torzító építése eddig nem találtam olyat aminek elég lett volna a torzítása. Fontolgatom egy Mesa Dual Rectifier solos csatornájának az után építését, de nem akarok beleugrani mert bonyolultabb és több alkatrész kell hozzá. Esteleg van valakinek tapasztalata ilyen téren?
Hello!
Én esetleg tudok pár első kézből származó infót adni, mert én megépítettem, bár én végerősítővel együtt Mint oly sok ember és nem csalódtam benne egy kicsit sem. Mondjuk csak maga az előfokozat elég zizis lehet, attól függ, milyen végfokozatot tervezel mögé?Ha soldanot probáltad, attól nem sokkal különb a mesa, igazából minden attól is függ, milyen csöveket használsz. Az enyémben tung-sol van, elég meggyőzően szólnak, de groove tubes- szal az igazi...csakhát az ára...Ami nálam van még, a jcm800 elé egy csöves boost, ezzel már közelít a mesához, de csak hardrock hangzásig van értelme használni. Megépítheted, de azért valami tónus áramkör illik utána szerintem. Ha van kérdés, szólj csak ,vagyunk itt páran, akik tudnak segíteni esetleg. Zsolti
Szia!
Hogy állsz a moddolással? Van valami eredményed? Tulajdonképpen az össz- vissz támadási pontod sajna a source körök kondenzátora, azon hangolgass, míg meg nem találod a neked megfelelőt. A csatoló elemekhez szerintem nem érdemes nyúlni, így is elég mélyre lemennek...Ami érdekeset tegnap tapasztaltam, az én hasonló topológiás, kb ennyi génnel rendelkező metál torzítómat ráakasztottam egy LM3886 -ra, megnövelt kimeneti ellenállással, egy 16ómos 4X12-n megkergettem, határozottan jól szólt. Le is szkópoltam, pár apróságot kivéve úgy működik, ahogy reméltem. De volt egy nagyon csúnya zaj, a mesterrel körbejártuk a kérdést, míg nem arra jutottunk, a környezetből veszi fel! A körülöttünk levő elektro-szmog ilyen szemét dolgokra képes. Szóval ,ha ilyen nagy génű cuccot akarunk, azt bizony be kell dobozolni fémbe. Mese nincs. Gondoltam megosztom veletek a tapasztalatot ![]() Zsolti
Csao.
Módosításról lemondtam, helyette, berendeltem egy singi méretű hamvit a gityóba, pontosabban egy shadow SH661 est. Elvileg agresszív hangú dolog, majd meglátjuk. De, a bugi hangja még így is odabaszós ![]() Ha valami történik, tájékoztatlak ![]() ui : Őróla van szó : Bővebben: Link
Sziasztok! - Tudom, h nem egészen ide tartozik...
de a cél ugyanaz(jó hangzást elérni), csak a megvalósítás másabb... Elnézést, h ide írtam, de jobb helyet nem találtam, ahol tudnának segíteni...! Ha valaki tud ingyenes(freeware), vagy freeware-ként működő gitár effekt programot, ami valós időben(real time) működik kérem írja le! Előre köszönöm, és még egyszer bocs, h nem találtam olyan topicot, ahova ez a kérdés beillett volna!
GuitarFX pl illetve az AmpliTube, az utóbbi fizetős de van demója.
Letöltöttem mindkettőt, de a GuitarFX nem jelez, és csinál semmit a bemenetről, pedig jól van beállítva, és szól, csak a starttal elindítható intro hangra teszi az effektet. Az AmpliTube viszont a start menübe betett 1 uninstallt, és 4 pdf-et.. úgyhogy azt el sem tudom indítani... Van valami ötlet, hogy mit tudok csinálni vele?
Amplitube ikont rak ki, a GitarFX meg a start után megy egyből! Nézd meg hogy melyik bemenetre van állítva, gondolom nem a line-in be dugtad a gityót hanem a mikrofonéba ez fontos, illetve nézd meg hogy haq a hangerőszabályzóba bekapcsolod a mikrofont, akkor hallasz e hangot, meg persze a mic boost ot ne használd!
Az addig ok, újratelepítettem a hangkártyámat, de rájöttem, h nem az a baj, hanem a legtöbb előre beállított cuccra rámegyek, és elindítom, akkor lejátszik valami gitározást, és arra adja a hangzást, és nem hagyja abba, csak ha rámegyek a stopra, akkor meg nem csinál semmit...
Az Amptube pedig csak azt rakta ki, amit mondtam, asztalon semmi, és a ProgramFilesben is az Uninstall az egyetlen futtatható állomány...
Banyeg
, Szal az GFX akkor ott van hogy playbacj waw azt ha kikapcsolod nem játsza le. Elvileg mennie kéne, tegyél fel egy screenshotot úgy hogy nyitva legyen a hangkártyád vezérlőprogija ileltve a gutiarFX!
ASIO sem ártana ...
Bővebben: Link amplitube meg kábé ide települ : "C:\Program Files\IK Multimedia\AmpliTube\ ...... " A GuitarFX megoldva, a playback wav volt a probléma![]() Köszönöm! Letültöttem az ASIO-t is, de ugyanaz van, mint a Amplitube-vel... Tudom, h ott van, megnéztem, de ismeretlen kiterjesztésű mind.. 1ik sem futtatható....
Nah akkor
, Mehet a zúzás mindhalálig! Mekkora latency-t ír ki? 12-10 Körül?
De miért nincs semmi a másik 2 programmal?
Azzal, h kirak 1 v több pdf-et, és telepíti, mit érek, ha nem indul el 1 alkalmazás, ami használja?
Hááát fogalmam sincs, bocs de, szerintem te vagy a béna
![]() Nálam vin7 alatt megy minden gityós progi, ampli tub ból 2 is fönn van, metal, és hendrix, + guitar rig 4 is ![]()
Nos örülök, h neked minden megy... de nem én vagyok a béna... ezt nem lehet elrontani, és ebből a 3-ból csak a GuitarFX az, amiben van .exe az uninstallon kívül...
a többi szerintem vmi VST-s progi, amiből eddig, amit találtam mind ilyen volt, de nem tudom, h miért... Ha neked működik, légyszíves írd le, h mit indítasz, mi a neve, és hol van...! És ne a parancsikont, hanem a hivatkozást! Bár nekem, parancsikont sem tett ki...
Talán a vindózod keresője segíthet ....
Egyébként az amplitub elérési útját leírtam már. Esetleg ha megosztanád a fájl nevét amit feltelepítettél előrébb lenne a dolog.
C:\Program Files\IK Multimedia\Amplitube
de itt csak az uninstall.exe van, és ez az egyetlen exe. és nem ezt az elérési utat kérdeztem, hanem, hogy te mit indítasz el... Biztos nem mappát indítasz... Adjam meg a fájl nevét, amit feltelepítettem? setup.exe ez feltelepített 1 uninstall.exét, és a többi VST plugin... De program nincs, ami futtassa a pluginokat... Esetleg nem kell, vmi külön program a VST pluginok használatához??
Lemaradtam az elejéről, de:
Az asio4 driver, az egy driver, afféle hangeszköz amit ezután minden asio kompatibilis programból(pl gitarfx, bár ezt én nem használom) az opciók->audió eszközöknél ki tudsz választani. Ettől fogva kapsz egy szinte valósidejű effektelésre alkalmas eszközt ami kapcsolatot teremt a bemeneted, és a hangkártya kimenete között, s a terhelést ha ügyes, szétosztja a processzorod és a hangkártyád csipje között. Tehát nem futtatható, hanem választható! Ja és a vst plugin az egy olyan függvénytár(dll) ami pl. egy reverb effektet valósít meg. Ezt szintén a gitárfxbe töltheted be, gondolom, ha megadod a dll fájl elérési útját, vagy kézzel bemásolod a gitárfx vstplugin könyvtárába a dll fájlt.
Sajnos azt hiszem, ettől bonyolultabb a dolog, mert a GuitarFX-nek nincs VST-plugin mappája, csak Presets, amiben *.pre kiterjesztésű fájlok vannak, az Amplitube csinál 1 audio mappát a főkönyvtárban, amiben van VSTplugins mappa, de abban *.amps kiterjesztésű fájlok vannak, és az ASIO, az még ilyet sem csinált...
Csao.
c:\Program Files\IK Multimedia\AmpliTube Metal\ nekem itt van én benne van minden , igen a AmpliTube Metal.exe is, ami futtatható állomány, próbálj meg más forrásból letölteni egy aplitubot, hátha a telepítőd hibádzik. Esetleg valami jogosultság probéma lehet még, talán. Teljes jogú felhasználó vagy a gépen ? Illetve, talán nem a sima AmpliTube 2 Guitar Amp & FX modeling plug-in al próbálkozz, mert sztem az csak plugin, nevében is bennevan, ha elolvasod a többi változat nevét pl : AmpliTube Fender™ The official FenderŽ guitar Amp & FX software ott van hogy szoftver. Az utóbbi lesz a te problémád ![]()
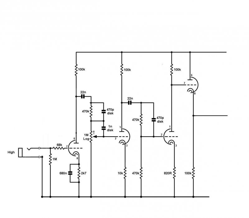
Sziasztok!
Egy csöves előfokot szeretnék építeni a BSSelektronika.hu ról. Elakadtam a cső tokozásán... nem tudom, hogy melyik lába hova tartozik... Mellékeltem képeket, valaki segítene nekem?ITT az adatlapja a csőnek.
szeva
én ennek a másik változatát csináltam(cső nálkül de a kapcs rajz ugyan az) de nem működött valószínűleg a kapcsolás a rossz mer az elektró tanárom is megnézte. De ha neked csak az előfok része kell akkor nem szóltam
Hello
A lábak számozása fordítva van a képen, tehát a bal alsó az 1-es láb. A lábkiosztás mindig alulnézetben van megadva. Ha pl az 1. csövet akarod használni, akkor 6. láb anód, 7. rács, 8. katód. A 4-9 vagy az 5-9 lábakra köss 6.3V-ot és nézd meg, hogy melyik csőfél fűtése izzik, kövesd a 6,7,8. lábat és nézd meg hogy melyik csőfélbe mennek.
Fütést itt 4-5 lábra is lehet kötni ha 12,6V vel fűtüd 12ax7 el megegyező cső! Illetve én a csőnél variálnék, mert egy overdrive részt ki lehet hozni a másik oldalábol!
Ez lemaradt!Bővebben: Link
|
Bejelentkezés
Hirdetés |




, bár már lehet csak én hallom, pihentetem kicsit a dolgot 



Letöltöttem mindkettőt, de a GuitarFX nem jelez, és csinál semmit a bemenetről, pedig jól van beállítva, és szól, csak a starttal elindítható intro hangra teszi az effektet. Az AmpliTube viszont a start menübe betett 1 uninstallt, és 4 pdf-et.. úgyhogy azt el sem tudom indítani...
, Szal az GFX akkor ott van hogy playbacj waw azt ha kikapcsolod nem játsza le. Elvileg mennie kéne, tegyél fel egy screenshotot úgy hogy nyitva legyen a hangkártyád vezérlőprogija ileltve a gutiarFX! 







