Fórum témák

» Több friss téma
Fórum » OBD (autós) készülék
Lapozás: OK   33 / 60
(#) pityu_18 hozzászólása Dec 9, 2009 /
 
Na ezt nem értem véletlen a soros port csatlakozórol leesett az 5ös pontró azaz a GNDről a forrasztás és így ezt írja.Ez most mi lehet?Így működhet?
(#) titó01 válasza Dudus hozzászólására (») Dec 9, 2009 /
 
Jah és azt elfeledtem mondani hogy 10lábas csatlakozó van a kocsiban.
(#) Dudus válasza titó01 hozzászólására (») Dec 9, 2009 /
 
Ha legális, jól működő megoldást akarsz, akkor az OpelScanner vagy az OP-COM jelenti a legjobb megoldást. Ezek nem olcsók, de ha az egyesületnek nincs pénze és magatok javítotok , hamar megtérül. Tudom, hogy paradoxon, de pont a kispénzűeknek éri meg diagnosztikai cuccot venni, mert néhány lehúzós szervizen visszajön az ára.
(#) Dudus válasza pityu_18 hozzászólására (») Dec 9, 2009 /
 
A notebook akkumulátorról ment vagy szivargyújtós tápról?
(#) pityu_18 válasza Dudus hozzászólására (») Dec 9, 2009 /
 
Ez most csak össze volt kötve a géppel a soros porton kersztül de semmi más nem volt rákötve.
(#) Dudus válasza pityu_18 hozzászólására (») Dec 9, 2009 /
 
Érdekes! Arra tippeltem, hogy notebook töltőd és a diagkábel csinált egy földhurkot...Furcsán megy ez nálad, szerintem vagy a forrasztás, vagy a maratás vagy a beültetés....valami nem kerek. Mivel ez egy végtelenül egyszerű áramkör, többet nemigen lehet segíteni, nézd át alaposan!
(#) pityu_18 válasza Dudus hozzászólására (») Dec 9, 2009 /
 
Hát néztem én már mindent,de most ez fotózással készült sehol nem mart alá a szer se.Esetleg ha lenne időd átnéznéd a nyáktervet.Ezt én terveztem át hogy ne smd-s legyen.Am ettől működni fog szerinted?

végleges.lay
    
(#) Dudus válasza pityu_18 hozzászólására (») Dec 9, 2009 /
 
PDF-ben fel tudod tenni? (Nincs most mivel megnéznem )
(#) pityu_18 hozzászólása Dec 9, 2009 /
 
PDf be nem de így képként igen.Remélem így is jó lesz.

interface.JPG
    
(#) titó01 hozzászólása Dec 9, 2009 /
 
Dudus e-mail címed hol tudom megnézni mert lenne amit privátban szeretnék megbeszélni veled.
(#) Hari1231 hozzászólása Dec 10, 2009 /
 
Szeva mindenkinek!
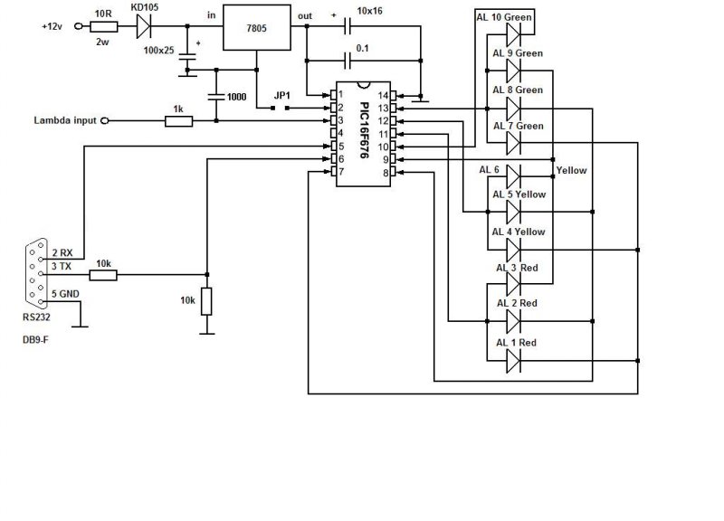
Kezembe akadt egy régi kapcs.rajz. Ez egy lamdaszonda vizsgáló, aminek van egy soros csatija is. (Egyszer építettem egy hasonló kis masinát, csak azon nem volt soros csati.)
Az viszont szöget ütött a buksimba, hogy vajon milyen progival müködne?! ....és hogyan, mit mutatna?
(Dudus ?!)

alfameter.jpg
    
(#) Flamingó hozzászólása Dec 12, 2009 /
 
Úgy látom senki nem akar segiteni!
(#) Peti.Janka válasza Hari1231 hozzászólására (») Dec 12, 2009 /
 
Hali! Meg van a pic-be égetendő progi is?
(#) dinokal válasza Hari1231 hozzászólására (») Dec 12, 2009 /
 
Szia. A lambdaszonda 0V-tól 1V-ig ad ki feszültséget. Ezt egy A/D-vel digitalizálja és a ledsoron kijelzi.
100mV-onként ugrik, a középső 3 tartomány jó a zöldkártyához. A ledek bekötése kissé szokatlan, le kéne ellenőrizni. Ehhez a kapcsoláshoz a pic kicsit olyan mint ágyúval verébre lőni. Sokkal olcsóbb és egyszerűbb LM3914-el.
(#) Dudus válasza Flamingó hozzászólására (») Dec 12, 2009 1 /
 
Nem hinném, hogy ez az indok! Több topic is foglalkozik vele és részletesen le van írva a válasz ezekben ezért szószaporítás lenne.
(#) Hari1231 válasza dinokal hozzászólására (») Dec 12, 2009 /
 
Hááá ezen én is vigyorogtam egy sort! Na valami ilyesmi kapcsolást építettem anno ... igen ez igy sokkal jobban néz ki!
(#) lanti hozzászólása Dec 12, 2009 /
 
Sziasztok!
Szeretnék építeni egy OBD átalaítót usb portra, az a kérdés ha megépítem a soros portos átalakítót azt egy átlagos szabvány soros-usb illesztövel illeszthetem ?Pl mobil telós adatkábellel? Vagyis hogyan álljak neki? 2000-es Golf 4 hez lenne! A lappyn nincsen soros port sajna..
(#) pityu_18 hozzászólása Dec 12, 2009 /
 
Sziasztok.Van ez a kapcsolás.
Ez építettem meg,csak az L vonal nincs bekötve mert mondtátok hogy Ahoz kell bele egy másik SI9243.
Azt akarom kérdezni hogy hogyan lehetne ebbe egy tápfeszültséget jelző ledet és egy kommunikáció jelzőt?Köszi.Esetleg valami jó kis kapcsolási rajz is jöhet. Köszönöm.Bővebben: Link
(#) pityu_18 hozzászólása Dec 12, 2009 /
 
Keresgélek a neten.És találtam egy kapcsolást.A 2 bekarikázott részt gond nélkül át lehetne építeni az én álltalam megépített interface be igaz?Köszönöm.
(#) Dudus válasza pityu_18 hozzászólására (») Dec 12, 2009 /
 
Igen, ha nem igényel a LED, amit használni akarsz, túl nagy áramot.
(#) pityu_18 válasza Dudus hozzászólására (») Dec 12, 2009 /
 
És akkor mi az max áramfelvétel amit nem haladhat meg?
Meg ahogy nézem nálam is maradhatnak azok az ellenállásértékek mint a rajzon,jól látom?
(#) Dudus válasza pityu_18 hozzászólására (») Dec 12, 2009 /
 
Nézd meg a max232 adatlapján a kimenetek terhelhetőségét. Az ellenállások jók.
(#) Hari1231 válasza lanti hozzászólására (») Dec 12, 2009 /
 
Szeva! Hmmmm! Nem toom milyen USB átalakitod van, de sok reményt ne táplálj! Már nagyon sokan probálkoztak - köztük én is - soros-USB átalakitokkal. Van ami működik, de inkább nem. Én alapból akkor már USB KL interfacest épitenék, vagy vennék! ( 7e Ft EOBD csatiba beleépitve!)
(#) pityu_18 hozzászólása Dec 14, 2009 /
 
Sziasztok.Az L vonal illesztéséhez elég annyi mint a kapcsolási rajzon van bekarikázva?Az 510ohm-os ellenállás után van az a +UB ezt hova kell kötni az áramkörbe?
(#) Dudus válasza pityu_18 hozzászólására (») Dec 14, 2009 /
 
UB= U Battery-> Kösd össze az OBD aljzat 16-os lábával, ugyanide kötöd a buszmeghajtó UB lábát is.
(#) littlejoe hozzászólása Dec 19, 2009 /
 
Sziasztok!
Egy ismerős renault scenic 1999-es évjáratú kocsijához kellene kiolvasó szoftver és kiolvasó kábelt épitenem. Valaki tudja a kocsi csatlakozójának bekötését ami úgy néz ki mint az obd csatlakozó csak fele akkora méretű?
Milyen program és kiolvasó kábel kellene?
A kocsi sajnos nem indul csak egy pillanatig ad szikrát a gyertyákra és valószínűleg az üzemanyagot sem fecskendezi be. Előre is köszi a segítséget.
(#) barany165 válasza littlejoe hozzászólására (») Dec 19, 2009 /
 
Szia! Mivel csak annyit írtál, hogy Renaul Senic, 1999. így az 1.4-es rajzát néztem,az az első:
csatlakozó15-Ecu26, csatlakozó7-Ecu 56,
A vezeték szine megváltozik!: A 15-ös a csatinál:el, a7-es:og az ecu-nál a 26 vi, az 56 gr!
Üdv! És boldog Karácsonyt!
(#) littlejoe válasza barany165 hozzászólására (») Dec 19, 2009 /
 
15-ecu26 l-line
7-ecu56 k-line ??
Milyen programmal lehetne kiolvasni?
(#) littlejoe hozzászólása Dec 19, 2009 /
 
kellene neki az l-line mert van egy iso9141 illesztőm amin nincs l-line?
(#) Hari1231 válasza littlejoe hozzászólására (») Dec 19, 2009 /
 
Szeva! Azthiszem - több mint bíztos - az immoja kampecolt be! Akkor van az, hogy 1-2 mpercre beindul az autó, utánna leáll. Ami progit ajánlok az a DDT 2000 !
Következő: »»   33 / 60
Bejelentkezés

Belépés

Hirdetés
XDT.hu
Az oldalon sütiket használunk a helyes működéshez. Bővebb információt az adatvédelmi szabályzatban olvashatsz. Megértettem