Fórum témák
» Több friss téma |
Fórum » Csöves erősítő készítése
Ne feledd betartani a fórum viselkedési szabályait, és a topik megmaradásának feltételeit. [link]
A téma átmenetileg fagyasztva lett, hozzászólni nem tudsz!
PL36PP-hez (2x20W-os) Összeírkáltam a hálótrafó adatait. 200VA-es trafó kellene ami csak 160VA-re van kigerjesztve. Szekunder adatok:
290V 300mA anódfesz (87W) 90V 100mA segédrács (9W) 25V 2A PL36 fűtés (50W) 25V 100mA előfesz (2,5W) 6,3V 2A ECC85 fűtés (12,6W) Az előfesz és a segédrács tekercsnek azért gondoltam 100mA-t hogy ne hajszálból kelljen megtekerni. Aki talál hibát nyugodtan szóljon.Ezen kívül lesz még PL500 PP-m is de ahhoz meglesznek a trafók. (hálózati+2kimenő)
Boldog karácsonyt, és Boldog új évet, minden fórumozó, és Csöves Testvéremnek
szia!
Légrés nélküli M magot nem tudom, hogyan lehetne légrésesen összerakni.Szerintem nem lehet, hacsak nem állsz neki lereszelgetni néhány tizedet minden lemezből. Miért mindenképp triódás erősítőt akarsz? Nekem ugyan még nem volt triódából épített erősítőm, csak pentódát triódaként bekötve hallottam.(PL504PP, EL84SE, GU50SE) Érdekes, triódának kötve nekem egyiknek sem tetszett úgy a hangja mint pentódás módban. Nem lesz kevéske a teljesítmény, amit ez a 6C4C tud SE-ben? üdv
Szerintetek 6N9SZ-nél SRPP kapcsolásban mekkora anódáramot állítsak be?310V a tápfesz most, és 0,8mA az anódáram ,de ahogy néztem ez nem a legjobb munkapont, több kéne...
1mA-nél többet nem igazán javaslok...
Nem SRPP-ben üzemeltettem, hanem 100kOhm volt az anódban, utána meg 6N8SZ katódkövető...
Köszi szépen megcsináltam a visszacsatolást ahogy irtad mostmár sokkal jobban szól,mást nem változtattam a rajzon.Hány wattot tud ez a kapcsolás kiadni és hány wattos hangszóró ajánlott hozzá,hogy szépen szóljon? Még nem eggyenáramról fűtök lehet,hogy ezért van aggy kis mrumm ami nem nagyon zavar ,ha eggyenirányitanám a fűtést lehetne -e csökkenteni a brummot és szabad -e mindhárom csövet eggyenáramról fűteni mivel én mindhárom csövet eggy kivezetéasről fűtöm.
Nem szeretnék kellemetlenkedni itt a sok gyenge hozzászólásaimmal, de a pentóda/trióda ügyben lenne egy gondolatom.
Ha egy végpentódát triódába kapcsolunk, akkor a G1 jelentősen nagyobb kapacitással fogja terhelni a meghajtás kimenetét, ami a magasátvitel romlásához vezethet Ezért előnyös a triódát katódkövetőről, vagy kis belsőellenállású/nagy meredekségű csővel hajtani.
Szia!
Egyáltalán nem kellemetlen hozzászólás ez, hanem építő. Én is észrevettem ezt, de nem csak ez miatt nem tetszik a kapott hang. 6N9SZ-nél miért nem javasolsz 1mA-nál többet? Adatlap szerint 1,5mA körül kellene járnia, vagy nem jól értelmezem? köszi üdv
Nem attól van a brumm, hogy nem fűtesz egyennel. Itt nem is kell. Azt csak lemezjátszó előerősítő fokozatnál kell. Itt megtalálható a rajz az ajánlott táppal is. Láthatod, hogy az A pont, a kimenő jön a főpufferre, majd B egy RC szűrőn keresztül a segédrácsra és C meg egy további RC szűrőn keresztül az előfokra. Ez a biztos módja a brumm mellőzésének. A táp kapcsolásban egy relé kontaktusát láthatod a graetz előtt, ez azért van mert 30 másodperces időzítéssel kapcsoljuk rá az anódfeszt a csövekre miután azok már felfűtöttek. Így sokkal hosszabb lesz az élettartamuk. A relé kontaktusa azért van a graetz előtt mert a váltót jobban tudják kapcsolni a kis relék. Az ív kialszik nullátmenetben míg egyenáramnál fennmarad. A relét működtető kapcsolás is ott van. Nem kell neki külön tekercs a trafón hanem a csövek fűtőfeszéről táplálható. Csöves egyenirányításnál ez a késleltető nem kell. Ha neked olyen van akkor vedd úgy, hogy az A pont az egyencső utáni pufferkondin van. Csöves egyennél ez csak egy db 47µF lehet az egyencsövön. Utána ha van egy soros ellenállás akkor már bármekkora lehet. Ha gondolod utána kiegészítheted a B és C RC szűrőivel. Ha valamit nem értesz kérdezz nyugodtan.
EZ80 csővel van a tápom mint ezen a rajzon a fojtóm eggy 38 wattos fénycső fojtója.
Szép megoldás de nekem jobban tetszik a csöves táp lehet hogy nincs igazam de tetszetősebb és állitólag jobb hangminőséget ad.
Ha minden a rajz szerint van akkor nem kéne hogy brumm legyen. Valóban előnyösebb a csöves egyen de csak kis teljesítményű erősítőknél célszerű alkalmazni. A fénycső fojtó nem jó, mert nincs benne légrés és az egyenáramtól felmágneseződik a vas.
De jó a fénycső fojtó,nekem is ez üzemel az ecl-ben,két kondi közé betéve,és szinte semmi maci benne!
Ha kiveszem,akkor meg zavaróan macis a cuccos!
Szia!
Köszi a segítséget, de még azt nem tudom, hogy a fizetést hogy csináltad? Ezt a pay pal-t nem ismerem hogy megy. Váltottál dollárt és úgy utaltad a pénzt, vagy hogy ment? Ehhez kell egy külön számlát nyitni? Ebben vagyok még bizonytalan. Egyébként mekkora teljesítmény vehető ki a 6C4C-ből?
Szia Laci!
Ne haragudj hogy csak most válaszolok, csak hát tudod a karácsonyi készülődés... :hide: Szeretnék érdeklődni, hogy milyen konstrukciójú lesz az erősítőd? OTL? Ez a 6H13C egy kis impedanciás cső igaz? Párhuzamosan kötöd a két triódát? Hogy lehet belőle végfokot csinálni? Vagy esetleg lesz hozzá kimenőtrafó is? Egyébként mekkora teljesítmény vehető ki ebből a csőből? Ebből lehetne ellenütemű triódásat is csinálni úgy mint a 6AS7G-vel is, állítólag az a legjobb... Két trióda van egy csőben így egyszerű lenne ellenütemben is hajtani. Üdv Geri.
Szia Máté!
Persze nem is a légrés nélküli M magot akartam légrésesen összeszerelni, hanem a légréses kivitelt. Van abból légréses is, de nem tudom, hogy lehet-e olyat kapni, és hogy az adott légrésméret megfelelne-e a kiszámított értéknek. Lehet, hogy pont nincs olyan értékben mint kéne. Akkor meg marad az SM, vagy az EI mag. Azért szeretnék triódás SE-t mert az az igazi SE! Igaz, hogy a triódásak nem nagy teljesítményűek, na de a hangjuk... Az már sokkal jobb. Te is hallottad a különbséget a sugártetróda és a pentóda között (KT88SE-re gondolok) és azt is sokkal jobbnak hallottad. A triódás még annál is jobb. A pentódás erősítőket bekötöd triódásba attól nem fog sokat változni a hangja, nem lesz igazi triódás hangja. Az sajnos még pentódás marad. Hát nem tudom, hogy kevés lesz-e a teljesítménye a 6C4C-nek, igazából nem is tudom mekkora teljesítmény vehető ki belőle. De a 2W-os EL84SE bőven beszólta a szobámat. Egyszer a Terminator 4 c. filmmel teszteltem, de sajnos rövid volt a teszt mert bejött anyukám, és lehalkíttatta, mert nagyon hangos, és mérgesen kérdezte, hogy miért mindig ilyen lövöldözős filmmel kell tesztelni, és miért ilyen hangosan... Úgyhogy eléggé hangos volt az a 2W is. Ha 3-4W kijön a 6C4C-ből akkor már örülni fogok. Osztán ha kevés, akkor még mindig ott van a 6C33C, vagy a kistesója a 6C41C... Üdv: Geri. Idézet: „A pentódás erősítőket bekötöd triódásba attól nem fog sokat változni a hangja” ...csak gyakorlatilag teljesen megváltozik a hang karaktere, a "térérzet", a frekvenciaátvitel ..stb gitárerősítőknél a trioda/pentoda átkapcsolást "teljesítményfelezésre" (is) használják, hogy kisebb hangerőn is torzításba lehessen hajtani a végfokot
én hál' Istennek "nagy fiókkal" rendelkezem az évek során folyamatosan végzett güzülések, és egy hagyaték révén, aztán elég sok mindent csak "elő kell venni". Így alakult az az eset is, mikor egy rugós zengető meghajtásához készítetettem ECC82-s parallel triodás SE végfokot. A kimenő magja a kezemügyébe kerőlő M42-es légréses vas lett (amit már egyszer felhasználtam 17 éves korom nagy oszcilloszkóp (át)építési lázában 6,3/12,6 Voltos trafónak. (mellesleg az ahhoz a szkóphoz tekert hálózati lett az első csöves erősítőm - természetesen PCL 86 - "szíve" is
azóta is nap mint nap teszi a dolgát! )
Dénes Péter Úrral történő - sajnos csak eddig egyszeri - beszélgetésem során dícsérte nagyon ezt a triodát, és mondta, hogy Ő több ellenütemű erősítőt is épített vele de igazából - elmondása szerint - úgy a jó, ha két csővel dolgozol, és az egyes csövek triodáit parallel kötöd. a kivehető teljesítmény 25 W körüli. Az oroszt jobban favorizálta a 6AS7-nél.
Plachtovics György is közölt kapcsolást vele a 2007 és RTÉK-ben, kimenő adatokkal ... amik nem biztos, hogy jók
Szia!
Pedig egyszerű. Mindig a következő lépésre kell menni, ami nálam nem ment elsőre az a bankkártya adatai. Annál kell nagyon figyelni, hogy pontosan add meg az adataid (azt hiszem az elején lévő lejárati időt (hónap/év) és a túloldalon az aláírásod melletti számot kell megadni. (lehet még mást is). A rendszer automatikusan levonja az összeget Forintban így nem kell átváltani semmit. Annyi, mint a 2A3. 3,5 Watt körül.
Szia ! Ez az erősítő mint már mondottam is , fejhallgató erősítőnek épül elsődlegesen párhuzamosan kötött csőféllel OTL -ben .
Idézet: Nagyon egyszerüen , ehhez az átalakitáshoz csak gyakorlatilag a kimenők amik kellenek meg némi pici diy ! A szasszit ugy terveztem hogy a kimenők azok majd alkalom adtán belekerülnek így a füles erősítőm egy apró mozdulattal máris végfokká alakul . Több mint valószinű ez ugy lessz hogy egy kapcsoló segítségével egy kapcsolás erejével OTL - AMP . „Hogy lehet belőle végfokot csinálni?” Idézet: Természetesen lehetne ellenütemben is hajtani , ez sem sokban térne el csak a meghajtás meg a kimenő trafó . De special most nekem ez a megoldás amit elterveztem kézenfekvő mert a PP -nél már nehezebben tudnám OTL-be kapcsolni ? Az ecopityu KÖR erősítőjét biztos láttad már ! „ellenütemben is hajtani.”
Üdv urak, lenne egy apró kérdésem így a linkelt kapcsoláson van egy gad20ha jelű fojtó, mely 20H-s 50mA értékkel rendelkezik, clc tagban, ezt mivel tudnám kiváltani? Bővebben: Link.
Köszönöm, és békés, boldog karácsonyt mindenkinek!
Megtörtént a PCL86 SE (piccolo) bemérése is. Ebben tv kimenők vannak még mindig
1Khz-en 2,25W a kivehető teljesítmény (ahol szkópon még nem látok torzítást) 4 és 8 ohmon egyaránt. 50Hz-en már csak 1W. Innentől lefelé meredeken esik. 1W kimenő teljesítményen nézve az 1Khz-hez képest 50Hz-en -2dB, 20Khz-en -1dB az átvitel. Meghallgatás alapján sokkal jobb eredményre számítottam. De úgyse hanggenerátorral, szkóppal és műterheléssel van járatva nap mint nap .
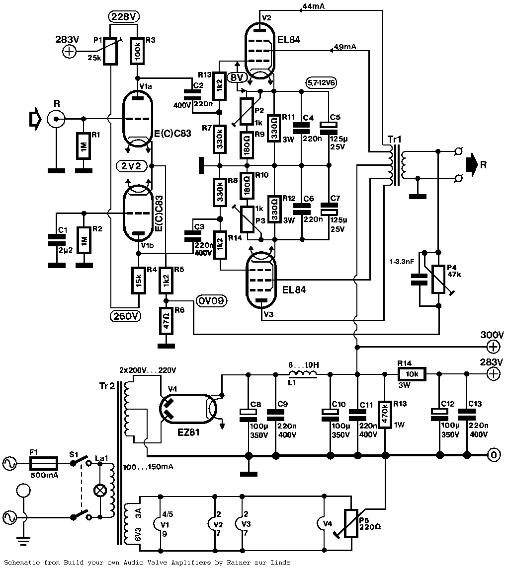
Ha az R14 -es 10k kiveszem, nő annyival a feszültség hogy érdemes legyen piszkálnom (mert az jóval kevesebb mint a rajzon), vagy vigyem inkább a 300V-ról azt is, mert az sincs egészen 300???
Janika, a papírcimkén nagyon jól mutatott a hangdoboz átviteli görbéje (mit görbéje, egyenese), meg a felirat, miszerint 20-20kHz. A valóság sajnos ettől azért jócskán elmarad, az én Angol gyártmányú hanfalamra 45-22k van ráírva, amit már sokkal jobban elhiszek. Bár a "gyengítések" hatása összegződik, Kócos a megmondhatója, hogy a Bass gitár sem jön ennyire le. Ezért igencsak elfogadhatóak a frekvencia értékek.
Ha kiveszed, akkor az előfoknak nem lesz meg az RC szűrése. Csökkenteni lehet mondjuk 2,2-3,3K-ra mivel elég nagy kondi van mögötte.
Ezeket én is gondoltam. Nekem ez jól szól, sőt neked és Doncsonak is bejött. Azt majd kipróbálom ha készen lesz az EL84 SE kimenő (SM65) hogy mi az a max amit ez a szegény PCL86 ki tud magából préselni. Egyébként ezeket az adatokat mértük nálad is ha jól emlékszem.
A 15k-s ellenállást cserélted legalább 100 k-ra ?
Az ellenállás maradjon kell az előfok szűréséhez, max. csökkentheted. Ha rajtra lesz mind a 2 csatorna akkor mégkevesebb lesz a tápfesz. Szerintem legalább 280 V maradjon. |
Bejelentkezés
Hirdetés |



Ha kiveszem,akkor meg zavaróan macis a cuccos!
1Khz-en 2,25W a kivehető teljesítmény (ahol szkópon még nem látok torzítást) 4 és 8 ohmon egyaránt. 50Hz-en már csak 1W. Innentől lefelé meredeken esik. 1W kimenő teljesítményen nézve az 1Khz-hez képest 50Hz-en -2dB, 20Khz-en -1dB az átvitel. Meghallgatás alapján sokkal jobb eredményre számítottam. De úgyse hanggenerátorral, szkóppal és műterheléssel van járatva nap mint nap 
, aztán kicserélem a 15k-t, meg az r14-et 2.2-re. Ha van fejlemény ugy is közlöm a "segitőimmel". 