Fórum témák
» Több friss téma |
- Ez a felület kizárólag, az elektronikában kezdők kérdéseinek van fenntartva és nem elfelejtve, hogy hobbielektronika a fórumunk!
- Ami tehát azt jelenti, hogy a nagymama bevásárlását nem itt beszéljük meg, ill. ez nem üzenőfal! - Kerülendő az olyan kérdés, amit egy másik meglévő (több mint 17000 van), témában kellene kitárgyalni! - És végül büntetés terhe mellett kerülendő az MSN és egyéb szleng, a magyar helyesírás mellőzése, beleértve a mondateleji nagybetűket is!
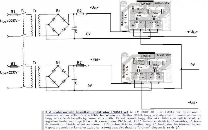
Sziasztok. Egy hozzáértő ember legyen szíves mondja meg hogy hogyan kössem össze a táppanelomon a képen látható lm350t feszültségstabilizátort, ha az egy graetz-es megoldást választom.
Szia!
Bocs. Valószínűleg nem fogalmaztam érthetően. Tehát egy 2x25Vos trafót akarok egyenirányítani 1 graetzes megoldással. Majd ennek a +-35 ágából 2 db lm350el +-12Vot előállítani.
Én így kötném be. A kérdés, hogy ez így jó e?
Jó Hétvégét Minenkinek!
Lenne egy újabb kérdésem: - van EZ az RGB LED, és az lenne a kérdésem hogy ennek mi változtatja a színét, a feszültségváltozás vagy.. előre is köszi
Szia!
Ott van a megjegyzésben: "rögzített algorimusban a szinek változnak". Szerintem csak magától. Egyik barátomnak van egy ilyen horoszkóp emblémája üvegből és az alatt is ilyen RGB led van és csak simán 2 ceruza elem kell neki.
Sziasztok!
Bele van építve a vezérlő csip a tokba. Úgy, mint a villogó ledeknél.
Üdv! Egy régi kameraakkumulátor került a kezembe, Panasonic VW-VBS1E. Az alján van egy kapcsoló, amit el lehet csúsztatni. Egyik állásában egy piros pont lesz látható, a másik oldalra csúsztatva eltűnik a pont és más jelzés nem is lesz látható. Mire szolgál a kapcsoló?
Hali!
Ha jól sejtem szimpla emlékeztető. Ha feltöltöd pirosra kapcsolod, ha lemerült akkor feketére, nehogy a lemerültet vidd magaddal később. Legalábbis az én kamera akkumon semmi más funkciója nem volt.
Gondoltam hogy nem lesz jó. Az a gondom, hogy a trafón 3 vezeték jön ki(össze van kötve a 2 tekercs). És valahogyan meg kell oldanom ilyen stab ic-vel hogy +/-35V-ból +/-12V-ot állítsak elő az aluláteresztőnek, lm1036-nak és egy kivezérlésjelzőnek, néhány lednek.
Esetleg nem lehetne úgy bekötni hogy az egyik lm350-re negatív feszt adok és akkor azt szabályozná? Mint ahogy van az LM317-LM337 párosnál. üdv. fricihun
Ebben Bővebben: Link a 11. oldalon van a kapcsolási rajz, ha jól néztem ott az N csatornás fet 24V-tal lenne vezérelve és a P csatornás 5V-tal. (Lehet keverem a kettőt) Szóval olyan fet kéne ami eleget tesz ezeknek és bírják a 24V 5-6A terhelést.
Hello, van egy astabil multivibrátorom ami után egy transzformátor van kötve. A kérdés az lenne, hogy ha az R1 és R2-es ellenállást és a kondenzátort változtatom, ezeknek milyen hatásai vannak a trafóra tehát pontosan mit is variál a dolgon és mire kell törekedni ezek állítása során. Előre is köszönöm.
Nagyon nehéz kérdés, sajnos én nem tudok rá válaszolni...
Mivel nem ismerem a multivibrátorod kapcsolási rajzát, feltételezem, hogy csak az egyik oldalon változtatod az értékeket. Ha ez így van, akkor az előállított négyszög kitöltési tényezőjét változtatod, (bár a frekvencia is meg fog változni bizonyos mértékben, de ennek lehet hogy nincs jelentősége, már ha a trafó átvitele nem szól bele) ezzel a szekunder oldali feszültséget állíthatod. Hasonlóan a PWM szabályzókhoz.
Hello!
Ezt szeretném megcsinálni.Tudnátok nekem kapcsolási rajzot küldeni hozzá?Kell hozzá tudnom PIC-et programozni?
Ezt csak valamilyen mikrokontrollerrel lehet megoldani.
Itt lenne a kapcsolás. Ez tulajdonképp egy gyújtás. A meglévő probléma hogy nem tudja folyamatosan biztosítani a feszültséget szerintem ez lehet a gond. Amit, kiküszöböltem ez előtt, hogy magas fordulaton nem tudta, az R1 ellenállás értékét növeltem meg és így most mondhatni jó. De ha sokáig tart a terhelés tehát nem egy túráztatás erejéig akkor nem tudja biztosítani. Ebből kifo1lyólag gondolom, hogy lehetne variálni valamit az R2 és a C2 értékekkel is de az a kérdés hogy, mit ? miért számít ha azok is változnak?
Az R1 nem lehet 1k-nál kisebb értékű, nem szereti az 555. Az R2 most 18k, ide tegyél alacsonyabb értékűt, mondjuk 15k. Lehetne a próba időtartamára trimmerpotit berakni, azt állitani, és ha megfelel, akkor lemérni az ellenállását és fix darabbal helyettesiteni. De lehet csökkenteni a C2 értékét is. A gond az, hogy nagyon nem emelheted a frekit, mert a hálózati üzemre készült trafó nem szereti a lényegesebben nagyobb frekvenciát.
Köszönöm. De a kérdés továbbra is fent áll: R1 R2 C2 mit variál a kapcsolásban, mi az amit állít ? mi fog változni ha őket változtatom ?
Szia! Ezt én is tervezem megépíteni, de engem az izgat,hogy a LED mátrixhoz kell valamilyen shift rendszer?
A freki és a kitöltési tényező. De a kapcsolással van egy kis gond. R3+R1 nek legalább 1k nak kell lennie mert ha kisebb az IC meghalhat.
Az R2 6k-n üzemel. De az R3 nem. Neki miért is kell nagyobbnak lennie ? illetve a kitöltési tényező mennyire számít a kapcsolásban ?
Bocs csak az R1 nek kell legalább 1k.
nak lenni. Minél kisebb a kitöltési tényező annál kisebb a szekunder feszültsége a trafónak.
Köszönöm. Tehát a 3rom értékkel (R1,R2,C2) arra kell törekednem hogy a kitöltés 100%kos legyen ? esetleg még egy képletet vagy valamit amivel tudok számolni ?
Akkor az azt jelentené, mintha mindenféle körítés nélkül egyszerűen csak egyenfeszt kapcsolnál a trafóra. Nagy áram folyna, de legalább semmi sem történne (egy ideig, aztán füst). 50% körüli a jó.
Ja, és nem 3rom, azaz háromrom, hanem 3, azaz három.
Értem, esetleg kérhetek segítséget, hogy az IC 3KHz-en és 50%-os kitöltéssel működjön ? Az a "3rom" úgy sikerült hogy először betűvel írtam ki csak nem töröltem végig
A rajzon lévő értékek jók, esetleg a kondit növeld.
Túl sok helyen sokaktól olvasom a számok ilyesféle leírását, szóval nem ez a magyarázat. Bocs, de ez tény és való, hogy az emberek mostanság már nem tudnak magyarul írni. |
Bejelentkezés
Hirdetés |










