Fórum témák
» Több friss téma |
Sziasztok! Problémáim a következők: családi házunk fűtése kombinált kialakítású, padló és radiátoros fűtés. Minden helyiségben van padlófűtés, és néhányban ez kiegészül radiátorral is. A radiátorok theroszeleppel ellátottak. Egy helyiségtermosztát van felszerelve. A kazán -Saunier Duval Isotwin Condens- fent van a padláson. A kazán időjárás érzékelős, a max fűtővíz hőmérséklet 73 fokra van állítva. A kazánból kijövő melegvíz vezeték ketté van ágaztatva. Egyik vezeték a radiátoros osztóhoz megy, a másik pedig egy keverőszelep közbeiktatásáva (a visszatérő vezetékből) megy a padlófűtési osztóhoz. A keverőszelep 1-6 osztású, és a 3 és 4 érték közé van állítva. A keverőszelep után ezen az ágon van egy szivattyú is. Az osztóktól pedig minden helyiség külön körre van kötve mind a padló, mind pedig a radiátoros rendszerben. Itt érkezek el lassan az egyik gondomhoz: ami pedig az, hogy a radiátorok mindig hidegek. Pontosabban a fűtés beindulása esetén a radiátorok sarka kicsit langyossá válik, de ez néhány perc múlva megszűnik, és utána folyamatosan hideg. A probléma megoldására kipróbáltam azt, hogy a padlófűtési vezeték keringető szivattyúját kiháztam a konnektorból, és akkor természetesen fűtöttek a radiátorok is. De ha ez a szivattyú megy, akkor radiátoros fűtés nincs. Pedig ez a szivattyú a legalacsonyabb fokozatra van állítva. Laikus fejjel azt gondolom, hogy a kazán szivattyúja, ami radiátoros vizet nyomja, nem elég erős? de nem vagyok benne biztos. Tudtok valami megoldást a problémára? Esetlek valami kapcsolót kellene felszerelni, ami kikapcsolja időnként a padlófűtés szivattyúját? Egyáltanán miért kell a padlófűtéshez külön szivattyú, a kazáné nem elég? Másik gondom az, hogy a kazán a fűtés közben egy egy pillanatra megáll majd rögtön újraindul. És az az újraindulás néha akkora csattanással jár, hogy azt hiszem eltört valami cső. Ez normális? Mi lehet az oka? A fűtési körben lévő nyomás 1,3, a kazán gépkönyvében az van, hogy 1 és 2 között kell lenni. Üdv:sist74
Fényképet tudnál feltenni az osztó-gyüjtő kialakításáról? Sokat segítene a megoldásban, mivel a leírás alapján nem teljesen világos a rendszered kialakítása. Kellene mindkettőről, mivel csak egyben lehetne átlátni a problémát.
Mellékelem a képeket a kazánról és az osztókról.
Szia!
Csináltam egy skiccet a bekötésről. Ha nem jól látnám, akkor javíts ki! Az a fekete "bigyó" az motoros szelep volna? Nem látszik jól a bekötése sem. A többi kötés is nehezen kivehető ebből a szemszögből. Első ránézésre a padlófűtés részesül előnyben, mert a radiátoros leágazás előtt a három útú szelep vissza is fordítja a kazán visszatérőjéhez a vizet. Annak a sönt ágnak vékonyabb csövet szoktak beiktatni. ....de majd jönnek a többiek is és megnézik mit tehetnek. Üdv.:VIM
kijavítottam a rajzodat..A bekötés a köv.képpen van: a kazánból középen jön ki a melegvíz. Ez szétágazik két irányba, azonos vastagsággal. Az egyik ág megy a radiátor elosztóhoz (ezen van a csőtermosztát) a másik pedig a keverőszelepen és a szivattyún át a padlófűtés elosztóba. A keverőszelepnél csatlakozik bele a padló visszatérője.
Hát igen, gondoltam, hogy ilyen jellegű lesz a probléma. Ilyen esetben, ha kétfelé kell elosztani a fűtővizet (padló-radiátor), jobb lett volna egy hidraulikus váltót betenni, így jobban meg lehetett volna osztani a fűtési melegvizet. A két rendszert amúgy is jobb lett volna elválasztani minimum egy hőcserélővel, ha azt nem akartatok akkor meg legalább visszacsapószelepeket kellett volna beépíteni. Ebben a felépítésben pontosan úgy kell lennie a fűtésnek ahogyan leírtad, mivel a padló keringetője "elszívja" a vizet a radiátorok elől, mivel nincsennek szétválasztva, így sosem lesz jó ez a rendszer. Amint írtam csak egy hidraulikus váltó (kicsi puffertartály) tudná megoldani a gondodat, de akkor be kell építeni még egy szivattyút a radiátorkörbe is.Rákeresel a hidraulikus váltó névre sokat lehet találni, de legegyszerűbb csinálni egyet.
Szia!
JZolinak igaza van, hogy nem a legkorrektebb a rendszered, de azért még valamilyen szinten működnie kellene. Nagyon halkan meg kérdezem, nem-e véletlen fordítva van bekötve az a keverő szelep? Mert ha igen, akkor az pontosan az általad leírtakat képes produkálni. Vagyis, ha a padló víz még hideg, akkor fűti a padlót, tehát elvonja a teljesítmény jelentős részét(ez eddig még érthető is, bár nem kívánatos) de ha a padló már melegszik, a keverő szelep el kezd váltani -és most jön a lényeg-. Ha fordítva van betéve, akkor a kazánból jövő előre menőt váltja a visszatérőre nem pedig a padló fele menőt. (ekkor a padlóban meg áll a keringés, és a padló szivattyúja csak magában tekeri a vizet) Létre jön egy "rövid kör", melyre a kazán ki-be kapcsolással válaszol (tartja a beállított kazán hőfokot), és természetesen a víz h@lye lesz elmenni a ház másik végében lévő radiátorhoz, mikor a kazán alatt, azon a 60-70 cm-en megfordulhat. Természetesen ez is csak egy tipp/hiba lehetőség, de érdemes megnézni. Üdv Tibi.
Helló!
Lehet, hogy meg is lesz az a hiba! Szerintem igazad lesz azzal a fordított bekötésű keverőszeleppel kapcsolatban. Akár melyiket néztem meg bekötésileg, mind egyenesen továbbította a kevert fűtővizet, ami ez esetben a padló felé kellene hogy menjen, nem úgy, ahogy sist74 kazánja alatti bekötésnél. Ott a keverőszelep, kevert vizet állít be a visszatérő ágnak. "A" pirossal a bemenet, "B"kékkel a kimenet, "AB" piros/kék a kevert hőmérsékletű víz kimenete. VIM
Tévedtem! Hanivelék lefelé kevernek.Bővebben: Link
Helló!
Gyorsan megnéztem a keverőszelepet, de jól van bekötve. Cold, hot és mix feliratokkal ellátott, és minden vezeték oda csatlakozik bele, ahová kell. Már kínomban következőt találtam ki: vettem egy időkapcsolót, amit be kell dugni a konnektroba, és ebbe dugom a padlófűtés keringető szivattyúját. Ezt a kapcsolót be tudom állítani a nap 24 órájára, hogy negyedóráig adjon áramot, negyedóráig pedig ne. Így tulajdonképpen a padlófűtés keringető szivattyúja 15 percig megy - és így megy a padlófűtés, utána pedig 15 percig nem megy és ekkor mehetnek a radiátorok. A kazán hőfokát levettem 50 fokra, a keverőszelepet pedig kinyitottam csutkára. Így az 50 fokos víz megy egyszer ide, egyszer oda. Most ezt tesztelem. Szerinetek nagy marhaság? Üdv: sist74
Olvastam a kazán doksiját, ott is ezt javasolják pf. esetében. A pf. körök be vannak már szabályozva hidraulikailag? Egyenletesen áramlik minden körben a fűtővíz? Több napos tekergetés vár rád, ha még nem állította be senki. Lehet, hogy ha be lesz szabályozva a nyolc kör, lesz rajta annyi fojtás, hogy javítson a helyzeten, mert most "zabálja" a kalóriákat.
Mármint mit javasolnak pf. esetében?? A beszabályozás mit jelent? Mit kell tekergetni???
Gyorsan berajzoltam. Csak az előre menő csapokat állítgasd, a visszatérőket nyisd ki teljesen. Bánj úgy a rendszerrel mint egy fúvós hangszerrel (furujával). A kis körökbe kevés víz kell, a nagyokba több. Te tudod, hogy melyik köröd mekkora s e szerint korlátozd a bemenetét a kör csapjával. Csak kis lépésekben kezd el az állítgatást, ha előzőleg megnézted, hogy egy csap hány fordulat alatt záródik el. Ehhez képest a köröket figyelembe véve nyissad vagy zárjad a csapokat. Később finomítani lehet a pontos beállításon, de akkor már csak fokokat szabad mozdítani a csapokon (szelepeken).
Hm... hát, ha nem egyformák a körök hosszúsága mondjuk 8...10 %-on belül, az nagyon nagy baj. Azt sose lehet rendesen beállítani. Ha rendesen megtervezték volna, akkor semmit nem kell állítgatni, legfeljebb akkor, ha a helyiség berendezése olyan, hogy nem kell alá fűtés. Vagy, ha esetleg a csőfektetés olyan, hogy valami különleges kivánság merül fel.
Mi van, ha csak a padlófűtést használod?
Idézet: „Gyorsan megnéztem a keverőszelepet, de jól van bekötve. Cold, hot és mix feliratokkal ellátott, és minden vezeték oda csatlakozik bele, ahová kell.” És elárulnád, hogy hova kell?...... Fel tennél egy igazán értékelhető képet a keverő szelepről?(annak bekötéséről?) Azért azt lásd be, hogyha a keverő szelep már kizárná a padló kört, akkor a radiátorokba csak elvánszorogna a kazán által előállított meleg víz...(ha-csak nincs valami nagy légdugó a radiátoros rendszerben).
Hát, ha légdugó nincs is, attól még lehet benne kosz, rendesen. Tudok olyan helyet, ahol a háromjáratú szelepet évente kétszer-háromszor szét kell szedni, mert annyi kosz, spén leül benne...
Van a kazánban légtelenítő? Mert a kazán a padláson van, de én nem látok a közelében sem légtelenítőt.
A fali kazánokban többnyire van...vagy a szivattyú szerelvényen, vagy a kazántest felső pontján...
Ahogy nézem a padlófűtés csövek vastagabbak hamarabb megfordul benne a ví mint a radiátorokban a kazán érzi a meleg vissza jövő vizet.A megoldás szerintem is a szelepekkel a víz lassítása a padlóban.
Helló!
Nem tudom, csak sejtem, hogy a csőtermosztát a pf. szivattyút kapcsolná. Ha nem az előremenő csőre lenne feltéve, hanem a visszatérő csőszakasz, egy arra alkalmas részére (kapcsolási limit 35fok), akkor talán fel tudna éledni a rendszer. Persze a padlókört csak be kellene szabályozni hidraulikailag, mert így a kisebb ellenállású kör felé veszi az irányát a padlóköri víz.
Tavaly nálam is kisértetiesen hasonló volt a helyzet. Nálam a torló szelep elzárása majd fokozatos kinyitása segített mert addig a malegvíz a padlóba bele se kostolt egyből visszament a kazánba arra volt könnyebb menni a víznek.Itt a padló fele könnyebb.Ezen kellene változtatni.Meg kellene próbálni a padló fűtésosztó fő csapját elzárni és utána fokozatosan kinyitni.Ha a radiátorok felélednek nincs dugulás.
Helló!
Idézet: „Mi van, ha csak a padlófűtést használod?” Hát nem vagyok a topon, hogy csak későn ismerem fel a nekem feltett kérdésedet, ne haragudj. Nem jó lenne, mert anyuci így is fázik, hogy megy mind a kettő vegyesen és 22fok van. Annyiban viszont jobb lett a szabályozás, hogy a lenti túlfűtöttség nem szól bele a fenti szoba hőmérsékletébe. De amint mondtam szándékomban áll kisebbre cserélni (felére) a hőcserélőt. Már csak a piszkos anyagiak és a hátralévő fűtési idény szab neki határt. Azt figyeltem meg a jelenlegi felállásnál, hogy ha a 16h- 22h-ig működik a nappali 20fokos beállítással, tovább meleg a padló mint amikor reggel 8h-tól menne. Lehet, saját magát hűti el a padló rész a hosszabb keringetés miatt, mert már a radiátorok lezárnak, a körök felfűtöttek, a kazán csak minimális teljesítménnyel 30-35fokos vizet keringet a rendszerben. Azon gondolkozom, hogy a meglévő csőtermosztátot sorosítani kellene egy másikkal, amit egy gyorsabban hűlő felületről kellene működtetni. Talán javítana a tehetetlenségen. És, hogy a körök hosszúságára is reflektáljak, muszáj beszabályozni a köröket, mert a nélkül nem oda és annyi meleg megy amennyire szükség van. Olyan mint a furulya sípjai. Ha az elején belefújsz, a hozzá legközelebb eső furaton lesz a legtöbb levegő kiáramlás és tőle távolodva a hangszer utólsó sípján a legcsekélyebb. Ha azt akarod, hogy az utólsó hang szólaljon meg, be kell fogni az előtte lévőket. Képletesen szólva így működne az elosztó is. VIM
Nem nagyon hiszem, hogy jó ez a furulya hasonlat. Gondold meg, ha nincs egyik kör sem fojtva és a körök egyforma hosszúak. Akkor az egyes körök között csak annyi a különbség, ami az osztó-gyűjtőn való elhelyezkedéséből adódik. Ez, mondjuk egy 80...100 m hosszú kör esetén lényegtelen különbség, hiszen az áramlás szempontjából az ellenállások számítanak, amik egyformák, mivel egyforma hosszúak a körök. Csak az osztó-gyűjtőn levő bekötési helyükből származik külöbség, ami nagyon minimális.
A furulya hasonlattal az a baj, hogy a lukon kiáramló levegő nem ütközik semmilyen ellenállásba, tehát, a befújás helyétől már számít a furulya hosszúságából eredő ellenállás. Sőt, csak ez az ellenállás van, hiszen, nincs a lukakra semmi sem kötve. A beszabályozásnak akkor is van értelme, ha rosszúl rakták le a csöveket, pl. egyenletesen beteríti a padlót. Én úgy tettem le, hogy a külső falak mentén 10 cm-re, aztán a helyiség közepén meg 30 cm-re egymástól. Abból a meggondolásból, hogy a külső falak hidegek, ezeket kell felmelegíteni ahhoz, hogy kellemes melegérzeted legyen. És ezek is tárolják a hőt, nem csak a padló. Ha így van megcsinálva a csőfektetés, akkor valószínű, hogy van olyan kör, ami a helyiség közepén van, na azt már érdemes fojtani, mert ne ott csináljon meleget, hiszen csak a levegőt melegíti. Egy lakásban pont attól van jó hőérzet, hogy "melegek" a falak, a berendezési tárgyak. Még akkor is, ha nem dőlsz a falnak, lehet távolról is érezni, hogy nem süt a fal, nem áramlik feléd a hideg.
Szerintem a hőcserélő cseréje főleg kisebb teljesítményűre, inkább rontani fog a helyzeteden, de ezt már leírtam előbbre. De igazából a Te pénzed lesz és a Te döntésed!
Szerintem nem így van, vagy két malomban őrlünk. Ha ez így igaz lenne, akkor nálam az utolsó körökben nem folyna víz, mert nálam az összes csap totál nyitva van. Ennek ellenére, a visszatérő ágakban nagyjából egyforma a vízhőmérséklet. ( tudom, inkább az áramlási sebességet kellene mérni, de azt nem tudom )
De majd elmélkedek ezen a furulya dolgon. Egyébként, nagyon jó ez a link. És, ha kicseréled kisebbre a hőcserélőt és azzal sem lesz jó, akkor mit csinálsz? Inkább ESBE szelepet tegyél bele, az talán olcsóbb és legalább szabályozható.
Sziasztok!
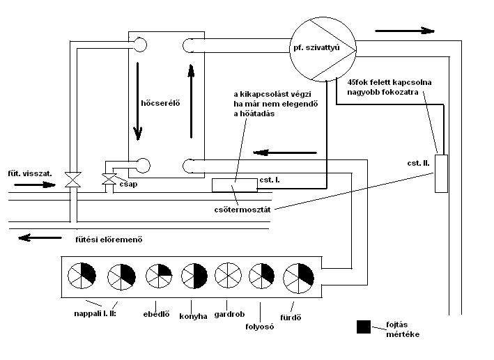
Új fejlemények a fronton! Véletlenül nyitva hagytam a csapot a pf. hőcserélő primer visszatérőjén, mert tekergettem a padlók köreit az osztó-gyűjtő visszatérőn, hátha emelkedik a fűtési előremenő hőfoka. Egyszer csak, ránézek a kazán kijelzőjére, 67fok. Még jó, hogy időben észre vettem és csak rövid ideig ment 50-52fokos víz a pf. csövekbe. Ezt az egészet úgy idéztem elő, hogy az osztó-gyűjtő kimenetéhez közelebbi köröket (folyosó, fürdő) nyitottam, minek következtében hamar megfordult a víz a kisebb körökben és nem engedte "maga elé" a tőle hidegebb körök vizét. Így csökkent a terhelés (hőlépcső) a kazán visszatérőjén amire "az" vízhőfokot emelt az előremenőn. Most optimalizáltam valamelyest a köröket és azt tapasztaltam, hogy a szivattyú szállító teljesítményét is fentebb vehettem, akkor sem ülteti meg a kazánt (...még III. fokozatban sem. UPS 25-50 180-s grundfosz) Előzőleg eltökélt szándékom volt hőcserélőt cserélni egy fele akkorára, mint ami most be van építve, de valamit kihagytam a számításból, még pedig a nyomást, ami esetemben nem elhanyagolandó. De! Egy másik csőtermosztát beépítése kapcsolhatná nagyobb fokozatra a pf. szivattyút, hogy ne tudjon vészesen túlmelegedni a szekunder kör. A meglévő cst. I. funkciója maradna a lekapcsolás ( ha már nem áll rendelkezésre megfelelő hőmérsékletű, hőközlésre szánt víz), csak máshonnan, a hőcserélő és kazán közti szakaszról venné a parancsot. Ha a cst. I. a hőcserélő és radiátor osztó-gyűjtő közti szakaszról veszi a jelet, képes "elhűteni" a pf. kört ( tovább keringeti mint kellene, mert a hiszterézis nem reális értékű azon a szakaszon). A nyomásról és a teljesítmények alakulásáról a "doksiban" olvastam. A cst. tervezet és jelenlegi szelepállások a bekötésekkel a mellékelt rajzon. Még annyit, hogy nem szedtem még szét, ezt a kapcsolóval felszerelt szivattyút s nem tudom megoldható volna-e az átkapcsolás a benne kialakított kivezetésekkel. A kapcsolással elboldogulnék, de ha van meglévő jobb megoldás, hát :worship: Üdv.:VIM
Sziasztok ! Egy 1 emeletes épülő ház fűtési rendszerét kell megépítenünk. A rendszer rövid leírása : Vaillant kondenzációs kazán, vákuumcsöves napkollektorok, Idro 50-es 21 Kw-os (kicsit sok, de ebben a típusban ez a legkisebb) vízteres kandalló, 1 m3-es 1 hőcserélős puffertartály, minden helyiségben külön körön padlófűtés Oventrop osztóval és Oventrop elektromos szelepekkel (minden körhöz külön, 230v-ra nyit), minden helyiségben 230 V-ot kapcsoló szobatermosztát (még nincs kiválasztva), Auromatic 620-as Vaillant vezérlés (aranyáron). A napkollektorok a hőcserélőn keresztül adják le a hőt a puffertartályban, a vízteres kandalló a tartály vizét keringetve fűti azt, a padlófűtésben is a tartály vize kering 1 keverőszelepen keresztül, a használati meleg víz 1 túlméretezett 43 Kw-os külső hőcserélővel lesz megoldva. Ha a hőérzékelő észleli, hogy a puffertartály felső 40 %-ban a víz hőmérséklete kritikus szint alá esik, akkor beindítja a gázkazánt ami szintén a puffertartály vizét keringeti és legalacsonyabb üzemi szinten a kívánt fokra melegíti. + a tervezett szélgenerátor "túltermelését is lehet hasznosítani a puffer alján lévő elektromos fűtő-cekásszal. mit fognak csinálni nyáron ennyi meleg vízzel nem tudom. Problémám és kérdésem a következő. Nem szeretném, ha a padlófűtés keringető szivattyúja (ALFA II-es) állandóan nyomna, a csőtermosztát sem jó szerintem, mert tudja mikor kell zárni, de honnan tudja mikor kell nyitni azaz elindítani a szivattyút. A következőt találtam ki: a szobákban lévő termosztátok 230 V-ot kapcsolva kinyitják az Oventrop szelepeket és elindítják a keringetőt. Igen ám, csak hogy a szelepek fázisai a keringetőnél közösítve vannak, így visszafelé beszélve kinyitja az összes szelepet. Egyenáramnál ez kiküszöbölhető lenne diódával, de váltóáramnál nem. Talán relés módszerrel megoldható. Tud valaki kapcsolási rajzot küldeni. Összesen 11 szelep működik. Talán adtam tippeket az előttem szólónak. Előre is köszönöm. Jani
Sziasztok!
Ez a szivattyú vezérlés amit keresek, kiderült, hogy kapható ehhez a típushoz. Mikor rákérdeztem az árára, csináltam egy hátra szaltót! Azt mondja az eladó:-170EU, és meg kell rendelni. Nem is az elektronikája érdekelne, hanem a relés átkapcsoló része a két fokozat között. Itt találtam rá:Bővebben: Link , a 41. oldalon vannak a rajzok és hozzá a magyarázó szöveg, melyik, mire alkalmas. Ha tudna valaki segíteni abban, hogy a fokozatok között mely kivezetések között kell az átkapcsolást megejteni azt megköszönném. Üdv.:VIM
Érzékelőtől függően szeretnéd kapcsolni a szivattyú fordulatszámát? Vagy egy másik jellel, de akkor mi az a jel? Ha érzékelő milyen érzékelő, és hol lesz elhelyezve?
heló mindenkinek egy olyan kérdésem lenne hogy lefektettünk egy thermo boden nevü elektromos padlófűtést járólap alá és a csatlakozó kábel ugy néz ki,hogy egy dupla szigetelt kábel belül egy barna szigetelésű kábel egy kék szigetelésű kábel és egy csupasz sodrott szálból áll addig oké hogy a barna a fázis amit ugye a termosztát vezérel a kék a nulla de mi a sodrott szál?mert a nullához képest 24volt van rajt és azlenne a gáz hogy nem adja le azt a hőt amit kéne remélem jó topikba irtaM köszönöm előre is a segítséget Üdv!
|
Bejelentkezés
Hirdetés |













