Fórum témák
» Több friss téma |
- Ez a felület kizárólag, az elektronikában kezdők kérdéseinek van fenntartva és nem elfelejtve, hogy hobbielektronika a fórumunk!
- Ami tehát azt jelenti, hogy a nagymama bevásárlását nem itt beszéljük meg, ill. ez nem üzenőfal! - Kerülendő az olyan kérdés, amit egy másik meglévő (több mint 17000 van), témában kellene kitárgyalni! - És végül büntetés terhe mellett kerülendő az MSN és egyéb szleng, a magyar helyesírás mellőzése, beleértve a mondateleji nagybetűket is!
Hello!
Egyezményes, vagy "szokványos" jelölési formák. - A GND általános megjelölése valamely áramkör Grund alappontjának. - DGND-vel jelölik, a Digitális részáramkörök GND pontját. - A PGND a teljesítmény egység GND potenciálja. Néha ez egybe esik a váltóáramú hálózat földelési pontjával is. De nem törvényszerű. - De van AGND ami az analóg áramkörök alappotenciálja. Ezek vagy azért vannak megkülönböztetve, mert különböző potenciálon vannak, avagy nincsenek összekötve, vagy pont azért, mert így lehet kialakítani a helyes összekötéseket, hogy ne legyen "földhurok". Azaz a földelésben folyó áramok ne okozzanak egymásban feszültségesését, ezzel meghamisítva a mérendő feszültségeket. üdv! proli007
Köszönöm a mindenre kiterjedő választ ! Konkrétan ERRŐL a kapcsolásról lenne szó 9 .oldalon van egy rajz ennek a mintájára szeretnék egy 3 cellás töltőt csinálni. Lehet hogy megbukom , de hátha nem. Amit még nem értek rajta ,hogy a "TO system load"
vezeték a panelon majd a "BATT" lábhoz kapcsolódik ? Végül is ott van a telepek pozitív vége... Pontot hogy tudok adni a segítségért ?
Valóban régen megszűnt. 1990-2004-ig létezett. JElenleg átalakult Hobby Elektronika tematikus füzetekké. Évente pár megjelenéssel. Egyes rovatai beleolvadtak a Rádiótechnikába, mivel testvérlap.
Vagy inkább fogalmazzunk úgy: A Rádiótechnikások megpróbáltak egy dologról két bőrt "lehúzni", de hosszútávon - és az árpolitikájuknak köszönhetően - nem jött be.
Sikerült megtalálni a rossz alkatérszt!
ezt a tipust milyen értéküvel helyettesíthetem? vagy hogy keressek rá neten? mert neten szeretném megrendelni! linket tudtok nekem adni?? Választ előre is köszönöm Csady
Köszönöm!
Nem voltam benne teljesen biztos, beforrasztás előtt, gondoltam megkérdem.
hy!
Van egy zseblámpám, amit rázni kell hogy feltöltődjön.Van benne egy tekercs, amin át mozog egy vasdarab. Gondolom a tekercsben feszültséget indukál. Szerintetek működőképes ez vagy csak alibiből van ott az a tekercs. Ugyanis most bányásztam elő, gondoltam majd jól megjavítom, de.A tekercs kivezetések le vannak szakadva.Nem tudom hova forrasszam vissza.Egy led meg két 3V-os elem vagy akku(lapos) sorba, köztük egy nyomógomb.A tekercs ellenállása 20 Ω.Ha párhuzamosan rakom az akkukkal, akkor lemerülnek szerintem.Akkor hova forrasszam?Vagy hiányzik egy dióda a tekercs elé?Milyen értéket kellene mérnem a tekercs kivezetésein? hegusp
Ismerem ! Egy gagyi lámpa . Addig működik ameddig az elem bírja benne. A tekercs csak népámítás, átverés. Még a mozgó alkatrész sem mágnes , csak sima vas. Sajnos van ilyen.
Az ilyen fajta zseblámpákból többféle van. Te ezek szerint az "átverőset" kaptad. Ez addig működik, amíg az elem ki nem merül. Az ilyen fajtában tényleg vasdarab van, nem mágnes. Olyat is láttam, amelyikben volt dióda is, de árulkodó volt a kibontáskor, hogy a tekercs mindkét vége ugyanarra a pontra volt kötve.
Nekem volt (vagy valahol megvan még?) egy tényleg rázogatással tölthető darab. Abban akkumulátor, dióda, mágnes, kapcsoló van. Az rázogatással tényleg tölthető, meg is néztem szkóppal, hogy milyen impulzusok keletkeznek rázogatás közben. Ezeknél jobb megoldás szerintem az olyan fajta, amelyiket markolgatva a belsejében egy mágnes forog, a keletkezett feszültséget egyenirányítják, és az tölti az akkut. Csak az a baj, hogy a kínai fajták mechanikája nagyon gagyi. Van orosz is, az mechanikailag iszonyat stabil, de abban nincs akku, az addig világít, amíg markolgatja az ember, és rettenetes a hangja.
Sziasztok szerintetek mi a probléma ezzel a motorvezérlővel az 5v-os relé meg a 12v-os moci meg se mozdul, a 12v-os relé furcsán viselkedik, csak akkor kapcsol be ha elindul a motor amit vezérel. bocs ha valami olvashatatlan a rajzon. Légyszi segítsetek elég sürgős.
Szia! Elég egyszer feltölteni a képet, utána csak hivatkozni ( linkelni ) kell rá...
A dióda 100V 10A-s. Legjobb lenne ezzel '' д242A '' helyettesíteni. Vagy 100V-os 10A ( 25A ) graetz-híd.
Erre a kérdésére már kapott választ, de legalább megerősödött a hitében Csady fórumtárs
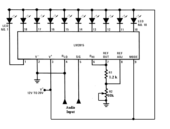
Elkeszitettem egy kivezerles jelzot pontosabban kep 1 !
Ezzel a nyakkal : KEP 2 Es nem mukodik,.... a 10 - edik LED vagyis a legutolso mukodik a , poti nem reagal semire.... .... a tobbi led felsem villan , semi sehol !! Mi lenne a problema , legyetek szibesek segitsetek , Koszonom elore ! Video is hozza :
Nekem érzékem van baromságot írni.
Remélem nincsen harag. Idézet: -ra ment aválasz (#612517), mert többit nem értettem, akkor, most meg már tudom, hogy mire gondoltál, így meg erősen furcsán hozza ki magát a hozzászólásom. :bummafejbe: „Monjuk inkább, hogy figyelmetlen vagyok”
Sziasztok egy kis segitség kéne,van 18db ledeslámpám lámpánként 16 leddel mindegyikbe van tápegység eztszeretném megszüntetni és egy tápegységet szeretnék hozá.Mehora és milyen legyen a táp?Elöre is köszönöm a segitséget.
Üdv!
Az Ic táp és test közé 2,2µF tantált, vagy 10µF elektrolit kondit kellene tenned.Írtad hogy utolsó világít lehet túlvezérlődik,ezért próbáld bemenetét egy10k ohm-al lezárni.Ha ezek nem segítenének 9.lábat szabadítsd fel és így próbáld meg.
hy!
A tekercses lámpa, amit rázni kell hogy töltődjön, van valami ötletetek helyette? Vagy a vasat kicserélem mágnesre plusz rakok be diódát? hegusp
Ha a tekercs működőképes akkor lehet, hogy jó lesz. De hát próba cseresznye.
Hello!
Dehogy haragszom! Nem szokásom, nem is tudom miért kellene... Csak akkor tudok kijönni a sodromból mikor valaki ostoba, erőszakos és ráadásul parasztos is. De ahhoz meg próbálok nem hozzá szólni.. üdv! proli007
Sziasztok
Van egy ac 24 v-os tápom és két darab dc 9-16 v közötti tápról üzemelő autóba való szirénám. A kérdésem az lenne, ha a tápra teszek egy egyenirányítót, akkor a két szirénát sorba kötve üzemeltethetem erről a tápról? Előre is köszönöm a segítséget!
Hello!
Elvileg igen, ha a két áramkör egyforma. És az áramfelvétele nem változik időben. (Mert akkor a feszültség ide-oda fog mászkálni a fogyasztás miatt) De puffer kondi is kell hozzá, mert brummogni fognak.. üdv! proli007
Szia proli007!
Köszönöm a gyors választ. A szirénák egyformák, ilyesmi mint itt a második Bővebben: Link A kondinak milyennek kell lenni és hogy kell bekötni? THX
Hello!
Nem ismerem ezeket.. Ha csak egy hangon vinnyognak akkor valószínűleg az áramfelvételük is állandó. (meg kellene mérni..) Kondinak elkó kell, de legalább 35V-os, és a sziréna áramfelvétele szerint, Amperenként kb. 4700µF legyen. (20W-os hoz, lehet ez a kondi jó is elég lesz). Akkor nem fog zúgni is. Persze bekötni polaritás helyesen kell. Különben az is riasztani fog. (Riasztóan nagyot puffanni) üdv! proli007
Köszi szépen! Abban még esetleg tudnál segíteni, hol találok arról valami infót, hogy a kondit hogy kell bekötni? Ilyen kondi megfelelne szerinted? Bővebben: Link
Bocsi, hogy ennyit kérdezek, de elég amatőr vagyok ebben a témában.
sziasztok
nekem is kondikkal lenne bajom... azt szeretném kérdezni hogy ha van 1 db 2,2 KW-os 240 es villany motorom (kompresszoron) az normális e hogy 0 fok alatt men nagyon akar elindulni? Csak lassan bika áram felvétellel.... a multkor emiatt majdnem leégett :rinya: de rájöttem hogy a kondik hajszárítóval felmelegítése segít. Ez normális? vagy a végét járják a kondik? 40uf 450v és 240uf 450v (csing csung cseng márkájuXD) ilyenkor csere érett? és ha igen milyen teljesítmény beli eltérés lehetséges a kondikat illetően? Köszi --YoCeE-- |
Bejelentkezés
Hirdetés |








Remélem nincsen harag. 
a multkor emiatt majdnem leégett :rinya: 




