Fórum témák
» Több friss téma |
Látom ismét a winyós lézerekre fektettétek a hangsúlyt.Én is megcsináltam már régebben a winyós lézerem.Nyitottam is egy topikot nekiBővebben: Link
Hello mindenkinek.... az írtátok hogy van olyan prizma ami egy nyalábból többet csinál! ezt hol tudnék venni? és kb. mennyibe kerül?
Szia! Nem akarok hülyeséget mondani, de szerintem egy közönséges írószerboltban vagy üvegboltban (ahol poharak, lencsék vannak). Egyébként meg a fizika szertárak tele vannak vele...
Üdv!
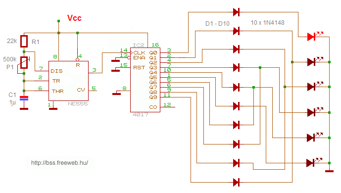
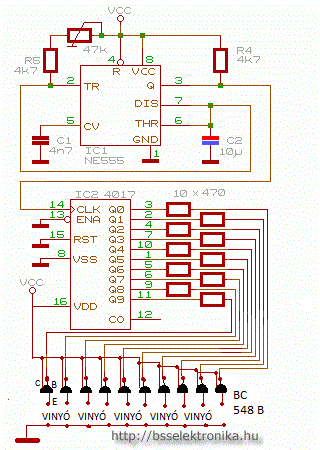
Azt szeretném elérni a lézergépemen hogy ne csak a vinyós effektem működjön rajta, hanem több effekt is helyet foglaljon a gépemen! Lerajzoltam hogy mit szeretnék! Szerintetek megtudnám csinálni hogy egy 555 vezérelt 4017-IC futófény kapcsolgassa a vinyókat, amikre tükrök vannak ragasztva és ezek térítik el a főnyalábot a különböző effektekre? Ez a futófény ledekre van tervezve, de néztem hogy 1,5volt simán kivágja a vinyó olvasófejét. A vinyók sorban lennének egymás mögött, és egymás után kapcsolná őket a 4017. Ez vajon kivitelezhető?
Hátha a ledek helyére tranyókat raksz lehetséges mert ez a kapcsolás nem tud elég áramot szolgáltatni a vinyó mozgató tekercsnek én is próbálkoztam ilyennel de én DC motort vezéreltem vele úgy hogy a tranyók collector körébe más-más értékű ellenállásokat raktam és az osszcillációt minimálisra állítottam végülis jól szuperált de most fejeztem be én is a vinyós lézereffektet egyenlőre zene vezérelt de az nem szép hogy ha nincs mély akkor egy vonalba világít a lézer ezért egy AMV segítségével adok a vinyóknak egy 20Hz-es "alap" hangot és egy tranyós kimenetű AMV-vel meg 40Hz-en ki be kapcsolgatom a lézert de ez még csak elméleti síkon létezni meglátjuk mi lessz belőle...
és a tranzisztorokat hogy kössem be?
Lerajzolnád nekem?
Ha ismered a tranzisztorokat akkor amit mellékeltél kapcsolást a diódák helyére kötöt a bázist bizonyos tranyók esetébe elkelhet sorosan egy ellenállás a collectort a + tápra az emitert a fogyasztóra sorosan és úgy a testre . Ajánlom figyelmedbe ezen cikkek át tanulmányozását és a google jó barátod beírod a kiválasztott tranzisztor tipusát mint például "BD240 datasheet" és ott az adatlapokon le vannak rajzolva a lábkiosztások, a béta, max áram max feszültség stb vagy még a HEStore-on kinézel a tranyót és ott a jobb oldalt kicsit lentebb megnyitod a pdf-et és az az adatlapja...
Hali!
Ez így megállná a helyét a vinyókkal? 5volt elég lesz a kapcsolásnak?
5 volt a bemeneti feszültség,vagy 5 volt a winyókra eső feszkó?Szerintem oda bármilyen teljesítmény tranyó jó lesz.(szerintem)
5db winyót akarsz rákötni?
Én már csináltam winyóból x y elhelyezésű lézershowt.
Nekem hangfrekis erősítő erősíti fel a miki jelét és oda vissza mozog a winyó.Nos a te kapcsolásod elvileg a night krider futófény effekt.Elviekben kimozdul vagy jobbra vagy balra a szedőfej csak egy irányb mozdul,és utána visszatér az alap nyugalmi állapotába a tehetetlensége végett,majd ugyan ez a másik winyóval is megtörténik.Ez elég lassúnak bizonyul,ha az alap kapcsolást nem spékeled fel hogy gyorsan járjon"a ledsor"oda vissza.Ez esetben a winyókoz érkező feszkó. A winyó szedőfej sem lesz gyors mozgásó,mivel kitér 1 tized másodperc alatt ütközés pontig majd amikor nem kap feszkót vissza billen alap állapotába.Ezt onnan tudom mert megcsináltam egy 555-ös astabil multivibrátorral.Bővebben: LinkEsetleg kiegészítésként tudom elképzeni egy hangfrekis erősítő mellé,amikor nincs bejövő jel(környezeti zajok)akkorez ezt bekapcsolja egy elektronika és addig ez megy.De szerintem csak ovális köröket fog rajzolni.De ha már itt járunk AVR vagy PIC-el kéne megoldani. Remélem érthetően írtam le az elméletem Javítsatok ki ha téveedek!
Szerintem egy próbát megérne DAC-al is
, nem tudom próbáltad-e már.
5-volt bemeneti feszültségre gondoltam!
3db vinyót akarok csak egyenlőre de később többet is! Addig úgy gondoltam ahol nem lesz vinyó ott marad a led!
Nem jól értelmezted, az x/y vinyóm az zenével van nálam is vezérelve!
Ez egy effekt, de én többet szeretnék egy gépen elhelyezni, és a három vinyóval akarom rájuk terelni a lézernyalábot felváltva, bizonyos időközönként amit az 555-ös kapcsolással állítok be! Az 555-öt úgy akarom beállítani hogy kb. fél vagy egy percenként váltsa az effekteket, így nem kell ott ülni kézzel váltogatni.
Azok a winyók amik nincsenek elhelyezve x y tengelynek megfelelően nem fognak 2 irányba mozogni, vagy bal vagy jobb oldal ,és akkor ütközésig kibillen.Ahhoz egy polaritás váltót is kéne építeni vagy hasonlót.Esetleg úgy tudom elképzelni,hogy az egyik winyót polár helyesen kötöd be a másikat meg fordítva.Akkor egyenként de 2 irányba fognak mozogni.
És ha a vinyók karjait gyenge rugóval húzatom vissza alaphelyzetbe?
Nekem az a lényeg hogy ne maradjon a lézernyaláb előtt!
Sziasztok!
Lenne egy 50mW os zöld laser pointerem de elszált benne az infra nem tudjátok hol lehetne ilyet beszerezni?Akár vevő lennék kristályhibás pointerre is! Felraktam egy képet! Erről a fajtáról lenne szó! androlight@gmail.com
Még egy kérdésem lenne :Magát a az infrát kell jobban hűteni vagy a kristályt ha állandó üzemre akarom átalakítani?
Az egész pointert!
Hogy tudnád külön külön hűteni a diódát vagy a kristályt? Én procihűtőbordával hűtöm, de a ventilátor nem kell rá, elég a borda közé szorítani! A festéket viszont kapard le róla és kend be hővezetőpasztával!
Próbáld ki hogy kézzel valamelyik irányba koppig kihúzod,majd elengeded.Az magától vissza áll alap helyzetbe.Az neked nem elég gyors?
Amúgy valami móricka animációt vagy rajzot készíthetnél hogy gondolod azt a winytót elhelyezve.Mert ahogy én értelmezem,akkor egyenként 1db vízszintes vonalat fog rajzolni.
De elég gyors, most néztem hogy visszaáll koppanásig!
Nekem csak annyi kell hogy a karra ragasztott tükör ráirányítja az effektemre a főnyalábot és ott tartja 1 percig, aztán vált a másik vinyóra és az irányítja el a másik effektemre és így tovább! Érted már?
Az x/y vinyóm mellett még helyet kap három effekt amik más más ábrákat produkálnak, ezekre kell nekem automatikusan bizonyos időközönként ráirányítani a lézernyalábot, így váltogatja a gép az effekteket!
Pontosan így, csak három lenne belőle, amik egymás után váltakoználnak 4017-es kapcsolásnak köszönhetően!
Nos ezzel a kapcsolással ez kivitelezhető?
És milyen gyorsan váltakoznának?Elméleti síkon menne.Gyakorlatilag meg kell próbálni.
Körülbelül 1-2 percig maradna feszültség alatt egy vinyó, aztán váltana a másikra!
Ezt az 555-el el tudnám érni?
Amikor szétszedtem az első zöld pointerem azt tapasztaltam hogy a kristály egy réz gyűrűben van de az a réz gyűrű nem érintkezik a réz testel mert egy kis ragasztó eltartja ergo az nem vezeti át a hőt szal ez baj! Neked meddig bírja ilyen hűtéssel ami mellesleg sztem nem sokat ér igy!
De ki tudja
Már egy hónapja megy így, K.b. 20 órát üzemelt ezzel a hűtéssel!
Egyébként a kristálynak hő is kell az üzemekéshez amit a dióda fűt! Én amikor bekapcsoltam a ventilátort a hűtőbordán, szép lassan legyengült a fényereje a lézernek, mert leesett a hőmérséklete! Ha nem megy a ventilátor akkor pont tartja azt a 20-25 fokot és nem melegszik tovább!
Mindenképp kipróbálom... Elvileg ha gyengült a fénye akkor valamilyen modon csak elvonja a hőt szal elvileg működik... Köszi Az infót! Még annyi érdekelne miyen táppal hajtod ?
|
Bejelentkezés
Hirdetés |



















