Fórum témák
» Több friss téma |
- Ez a felület kizárólag, az elektronikában kezdők kérdéseinek van fenntartva és nem elfelejtve, hogy hobbielektronika a fórumunk!
- Ami tehát azt jelenti, hogy a nagymama bevásárlását nem itt beszéljük meg, ill. ez nem üzenőfal! - Kerülendő az olyan kérdés, amit egy másik meglévő (több mint 17000 van), témában kellene kitárgyalni! - És végül büntetés terhe mellett kerülendő az MSN és egyéb szleng, a magyar helyesírás mellőzése, beleértve a mondateleji nagybetűket is!
Heló!
Tudna valaki olyan kapcsolást, amivel egy áramkört tudok "reteszelni"? Tehát kikapcsolás után ne kapcsoljon vissza magától, csak manuálisan lehessen újraindítani.Erről lenne szó Kezdő vagyok, de ez lehet picit túlmutat a topicon .
Köszönöm a válaszokat. A piros LED is tud stabilizálni???
Hello.Van egy 2*25W-os autórádióm.Van rajta egy ha minden igaz DIN szabványú 8 pólusú csatlakozó.A 8ból 1 nincs bekötve.Lehet erről bemenetet adni az autórádiónak?Hogy külső jelet erősítsen?Van:r-ch L-ch s-gnd gnd bus data
Öntartó relét kell alkalmazni. Tehát több érintkezős tipust, aminek az egyik érintkezőpárját a nyomógombbal párhuzamosan kötöd, igy annak felengedése után átveszi a szerepét,és behúzva marad. A nyomógombbal viszont sorba van a reed relé, ami megszakitja az áramkört, ha a vizszint lecsökken. Újraindulni nem tud hiába van már meg a megfelelő szint, csak ha a nyomógombot működteted.
Mennem kell, igy most nem rajzolok, ha nem érthető, akkor majd később.
Sőt, hogy mégebb okosodj, a LED fényelemnek is jó, azaz a saját színének megfelelő fénnyel megvilágítva áramot ad. Nem sokat, de érzékelőnek épp jó.
Köss sorba hármat. Ha kettőt erősen megvilágítasz, a harmadik fényt ad
Ezt tudtam. Ujabb kérdésem az lenne mennyi a minimális feszültsége a LED-nek amelyen már világit?
Egy rajz majd téyleg jó lenne, mert nem telejsen látom át.
Köszönöm!
Nagyon köszönök mindenkinek mindent.
És elnézést kérek mindenkitől azmiatt, hogy sokat ismételgettem a kérdést és, hogy csak le akartam másolni a megoldást remélem nem fognak törölni de nemtudom, hogy-hogy tudnám jóvátenni de remélem itt szal elnézést mindenkitől [ Balint.magyar neked különösképp köszönök mindent így már világos minden ] :worship: :worship: :worship:
A feszültség a színtől függ.
A fényerő pedig az áramtól.
Azt hiszem közben rájöttem mégis miről beszéltél.
Ilyesmire gondoltál? Csak hogy tényleg jól értelmeztem-e...
Hát ha ugyanazt tudják akkor az egyik erősebb és azon van egy lyuk,arra hűtőborda is kell.
Hello!
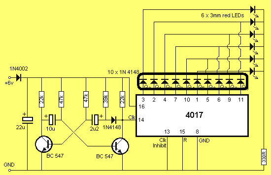
Az lenne a kérdésem,hogy a kisebb áramköröknél ki lehet hagyni a diódákat?pl:1n4148,persze csak ha nem egyenirányításra van.
Segítenék ( ha tudok ), ha érteném a kérdésedet.
ki lehet hagyni ebből a kapcsolásból az 1n4148-at?
Nem egy, hanem 11 darab 1n4148 van.
A 3-as és 1-es lábra kapcsolttat igen, de akkor a hozzákapcsolt LED-ek nagyobb fényerővel fognak világítani. A többi 9 darab kell. A bekeretezett 10-ből 8 darab diódás VAGY kapu. Két-két IC-kimenetet kapuz egy-egy LED-re. Ha nem lennének, akkor a kimenetek tönkremennének a rövidzáraktól.
Nem. Szemmel láthatóan azért vannak odatéve, mert 1-1 ledet két kimenet vezérel. Tehát az ic kimeneteit védik.
Köszi.
Amúgy már megcsináltam és működik rgb ledekkel is meg sima ledekkel is,csak kellett volna másba is,de inkább nem veszem ki mert nyákon van.
Igen igy is jó. De jobb lenne ha mégtöbbérintkezős relét használnál, ami a szivattyú fázisát, és a nullavezetőjét is megszakitaná leállitáskor. Természetesen, (bár a rajzon nem szerepel) a védőföldet szigorúan ki kell épitened.
Szerintem egy piros LED 2,9V alatt nem fog világitani. Ha nem igy van akkor kérlek javits ki. A LED-en eső feszültséget ugy kell megmérni hogy párhuzamosan kötöm vele a voltmérőt és amennyit mutat azt ki kell vonni a táp feszültségből?
A led bizonyos áram átfolyásának hatására kezd el világitani!!! Az áram hatására esik rajta feszültség, amit-helyesen irtad, egy párhuzamosan a led kivezetéseire kötött voltmérővel lehet megmérni, és ez a nyitófeszültsége. A táp feszültségéből csak azért kell kivonni, hogy az előtétellenállást tudd méretezni.
Legyen a tápfeszültség 5V, ebből egy piros led nyitófeszültségét kivonva 3.5V marad. Miután R=U/I igy 3.5V/0.02A=175 ohm. Teszel egy 180 ohm értékű ellenállást, és a leden ~20mA fog folyni.
Hello!
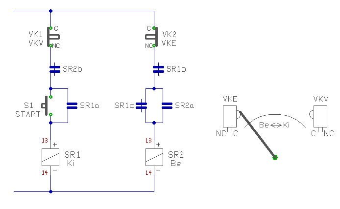
Lehet hogy valami ilyesmire gondoltál? - Alaphelyzetben mind két relé el van ejtve. VKV-rárva, SR2B-zárva, SR1a-nyitva. Ha megnyomod az S1 nyomógombot, az SR1 relé behúz és mivel SR1a is zár, a gomb elengedése után a relé húzva is marad. (öntartás) SR2 relé nem tud alaphelyzetben meghúzni, mert bár SR1b és SR1c érintkező húzva van, az alaphelyzet miatt VKE végállás kapcsoló bontva van. - A motor elindul "Ki" irányban, és elhagyja a VKE végállás helyzetét. Ekkor VKE zár, de mivel SR1b és SR1c érintkező nyitva van, SR2 nem tud meghúzni. - Ha a motor gép elérte külső végállását, VKV végállás kapcsoló bont, így SR1 relé elejt. Ilyenkor SRb és SR1c érintkező zár, és mivel VKE végállás kapcsoló is zárt állapotban van, SR2 relé meghúz. Az SR2 relé az SR2a érintkező zárásával, öntartásba kerül. A gép elindul visszafelé. Amikor elhagyja VKV végállás kapcsolót, VKV zár. De ilyenkor, SR1 nem képes meghúzni még akkor sem, ha a START gombot megnyomjuk, hiszen SR2B érintkező bontva van. - Amikor a gép alaphelyzetre visszatér, VKE bont, SR2 elejt, a motor megáll. SR2b zárása miatt, a START gombbal, a ciklus újra indítható. (Ha menet közben a gép. pld. feszültség kimaradás miatt megáll, akkor a START gomb megnyomásakor mindig kifelé indul el a gép. - Ha STOP gombot is szeretnél, akkor azt a főáramkörrel sorba kapcsolt bontóérintkezős gombbal egyszerűen megoldható. - Feszültség kimaradás után a feszültség megjelenésekor a gép áll. - Ha "VISSZA" gombot is szeretnél, akkor az SR2a érintkezővel párhuzamosan kötött záró gombbal megoldható. - Két végállás kapcsoló van, mind két végállás kapcsoló, a végállás elérésekor bontja az áramkört. Tehát azok "C-NC" jelű csatlakozói vannak bekötve. Alaphelyzetben a VKE jelű végálláskapcsoló bont, míg véghelyzetben a VKV végállás kapcsoló bont. üdv! proli007
Sziasztok!
Kezdő vagyok, ezért nem értek hozzá, de lenne egy FM adó kapcsolási rajzom, aminek meg kellene fejtenem a működési elvét. Két tranzisztorból és egypár ellenállásból, kondenzátorból áll. Csatolom alul, el tudná nekem magyarázni valaki, hogy hogyan működik?
Szia!
Az első tranzisztor egy hangfrekvenciás erősítő-illesztő, a második egy oszcillátor, amelynek a frekvenciáját a tranzisztor bázisának kapacitásváltozása modulálja a hangfrekvenciás feszültség függvényében. Gyakorlatilag egy feszültségvezérelt FM-modulátor.
Innentől olvasgass: Bővebben: Link
Ami most van gép annak már szintén 19V-os a töltése, de ezzel is ugyan úgy megy mint eredeti töltőről.
Köszönöm szépen az okitásokat. Nem piros LED-et akartam irni hanem feheret.
Az előző példánál maradva, ahhoz hogy egy fehér leden 5V tápfeszültség esetén 20mA áram folyjon: 5V-3V/0.02A= 100 ohm ellenállás szükséges.
Értem, akkor alapvetően ez így jó, csak illene a fázis mellett nullát is megszakítani?
Védőföld itt egyszerű, ugyanis nincs. Ez egy ruszki centrifugálszivattyú és a hálózati dugója az a fajta, amin szokott lenni védőföld érintkező is... Na itt nincs, nem buhera, gyárilag sincs. Ami vicces, mert a szivattyú háza horganyzott a cél, csak a teteje műanyag.
Jól érted, fázist, nullát egyszerre kellene kapcsolni.
Védőföld nélkül??? Ezek a ruszkik... Centrifugálszivattyú, ez eddig rendben, de búvár, vagy sima?
Sima, függőlegesen a kút szájára van szerelve
és egy kb. 9-10 méteres szívócsövön rajta lábszeleppel szívja ki a vizet. |
Bejelentkezés
Hirdetés |




. 









