Fórum témák
» Több friss téma |
Mielőtt kérdezel, a következő két dolgot ellenőrizd!
I. A helyes tápfeszültségek megléte.
II. A kimeneten van-e egyenfeszültség.
Sziasztok!
Van egy STK2230 sorszámú stereo audio amplifier IC-m. Ehhez keresnék kapcsolási- és nyákrajzot. De olyan kellene amibe csak egy STK2230 IC kell a kapcsolásba, mert én találtam vagy 20 helyen kapcsolást hozzá de mindegyikhez vagy 3 különböző sorszámú STK IC kel. Ja és régi PC táp jó lenne neki tápegységnek? Előre is köszönöm a segítséget!
Ezzel az STK-s IC-vel van egy rossz tapasztalatom, hogy csak az egyik oldala indult be, és nem a panel tervem volt rossz, se nem az IC, mert kettővel is kiprobáltam, csak egyszerűen nem akart összejönni! Neked mik a tapasztalataid?
Ha valakit esetleg megfogna ez az erősítő ? Akkor ITT talál hozzá nyák tervet , meg egyéb dolgokat ! EZ még építés alatt szóval az eredmények később !
Sziasztok!
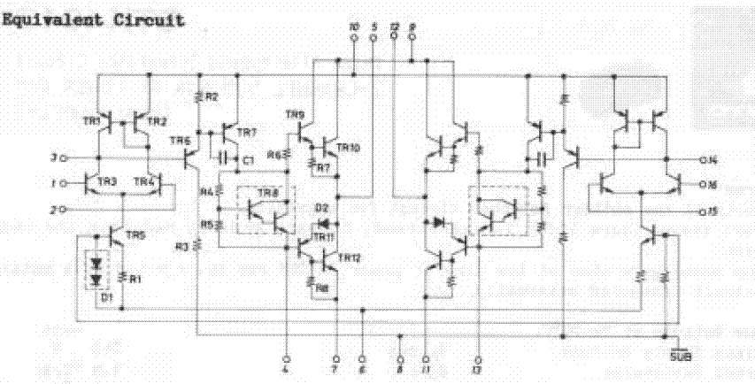
Tegnap szétszedtem a régebben említett STK4913-amat. Szét volt égve fele belseje, nem csodálom, hogy nem ment. Szerintetek milyen alkatrészekkel lehetne újraépíteni? Itt a rajz (bocsi a rossz minőségért):
Szia Márk! legegyszerűbben ezzel tudod ujjá varázsolni:STK 4913
Ez igaz, csak az a gond, hogy most nemrég rendeltünk a HQ-ból, most meg újra rendelni.... A postaköltség meg majd nem több, mint fele az IC-nek. Itthon meg összedobnám az itthon levő cuccokból... mondjuk az igaz, hogy az erősítő is jobban érezné magát gyári STK-val.
Idézet: Hát nem igen hinném hogy csak ugy összedobnád ? Azért ez nem egészen így működik ! „Itthon meg összedobnám az itthon levő cuccokból.”
Na jó, lehet veszek normális STK-t, de még a erősítővel is gond van, mert STK nélkül is egyenfesz van a kimeneten. Igaz, már csak 11V.
Idézet: Márk! ebben az erősítő maga az ÍC Szóval ezt nem értem ? ha az ÍC nélkül is a kimmeneten DC van akkor ott már több 2 -nél a dolog , ezért tüzetesen átkéne vizsgálni mindent . „de még a erősítővel is gond van, mert STK nélkül is egyenfesz van a kimeneten. Igaz, már csak 11V.”
Az erősítőn a panelt értettem. Hát nagyon át kell nézni. Még az sem lehet, hogy a műszer szedne össze annyit, mert azt nem hiszem. Meg lehet, hogy az elkók is púposak, ezek a fekete műanyagtetejű valamik, eléggé púpos, nem tudom, hogy ezek ilyenek-e, vagy most púpos.
Szia!
A fekete műanyagtetejű kondik alapból púposak szoktak lenni, ez nem hiba. Amúgy valamelyik 2000 utáni RT. évkönyben van egy cikk az STK-k klónozásáról.
... RT ÉK 2002 Az STK463 "klónozása" , 114. oldal. ...
Ugylátom ez az ÍC nem oly nagy siker ? De nekem talán az lessz ha elkészül már gyakorlatilag kész , csak némi vezetékelés a hiány ? A folytatás majd a későbbiekben , ha beindul a kész mű akkor majd arról is beszámolok ! Eddig ennyi van belőle :STK6153 Hibrid
Nekem is félkészen van a cucc egyelőre, sajnos a trafóbeszerzésnél megakadt a dolog, odáig még nem jutottam el. De ezzel a teljesítménnyel, meg állítólag a hangzása is jó, elég széleskörűen alkalmazható, szóval mindenképp érdemes lesz befejeznem...
Idézet: Hát igen it azért ha belegondolsz akkor eléggé összetet trafóra van szükség ? Vagy speciál tekersz / tekertettsz/ hozzá . Én magam tekertem a toroidokat át , le vissza , az adott feszre!Toroidok A csövek számára az anódfesz az egy erre a célra készitett kis külön Anód trafó lessz ! Az enyém már gyakorlatilag kész is csak még némi vezetékelés ami hiányzik , meg aztán a szasszit le kéne festeni először? „trafóbeszerzésnél megakadt a dolog”
Na ja, a képek alapján neked már csak egy kis lépés és megvan a végeredmény. Trafótekeréssel nincs most ingerenciám foglalkozni, szóval inkább gyártatok, de csak egy 230V/2x25-30V+6,3V-os kellene, szóval nem olyan bonyolult, anódfesznek egy 1:1-es áttételű vackot használok. Meg doboz sincs még, szerintem majd fekete akrillal fújom le, bejön ez a matt, kicsit ipari jelleg.
Hát Laci gratulálok a Tőled megszokott precizitást látom a képen. Majd a hangjáról számoljál be, azt hiszem hogy a télen én is előveszem és egy sztereót összeállítok.
Sajnos az idő nagy úr, de de érdemes szakítani rá. Idézet: Sajnos nekem meg pont a tél nem kedvező ! De reméllem azért az év végére sikerül beizzítanom a gépet , már tényleg nem sok ami hiányzik belőle :hide: „a télen én is előveszem és egy sztereót összeállítok.”
Van egy Dual cv1180-as erősítőm melyben kiment a végfok(STK4161II). Lehet-e nagyobbra cserélni, mondjuk stk4171V-re vagy stk4191V-re vagy csak ugyanolyat rakhatok bele amilyen volt?
Sok STK-s topikból egy sem volt jó neked?
Nincs értelme cserélni, hiszen nem érsz el vele teljesítménynövekedést, mert a tápegység feszültsége, teljesítménye nem változik.
Köszönöm a választ, bár nem nagyon értek hozzá azért megkérdezem hogy ennyire pontosan méretezik a tápegységet? Valamint stk4161II-nél a fesz. 30-46v között van 71V-nél meg 32-49v. Ha mégis nagyobbat raknék bele akkor milyen hatásai lennének?
A katalógus szerint a harmonikus torzítása az V végződésűnek 0,08%, mig a II-nek 0,4%
Üdv!
Szegeden vásárolható elég jutányos áron STK4148ii , 2x45w, 500Ft. Nem célom a reklámozás, de sokat halljuk, hogy az STK-k szebben szólnak, mint a TDA-k. Most ki lehet próbálni ezt elég olcsón. (Én holnap befizetek egyre, jó lesz későbbre is )A link: STK4148ii . Üdv!
S mennyire hamisak? Mert eredeti STK hybridet már 5 évvel ezelőtt is alig láttam.
Jaj istenem... STK4182ii-ről van szó...Nem pedig STK4148ii-ról. Bocsánat...
Szóval egyhez hozzájutottam, elvileg az utolsó, de azt mondta a srác, hogy a raktáron még talán van valahol, csak fel kéne kutatni (szóval telefonon egyeztetni kell, hogy ha lesz ideje, akkor nézzen utána a Karcsi )Eredeti-e? Hm. Ez jó kérdés. Jól néz ki, kicsit ragad valami miatt (talán nagyon szerették). Szét nem szedtem még... Tehát így nem tudok erre választ adni. Max. ha össze lesz rakva, de most inkább a JLH-mal szórakozok... Üdv!
STK442-130, már a másodikat vettem meg egy panelbe, ami tökéletes elméletileg ehhez a végfokhoz, de miután az első szétment, vettem egy másikat, az első alapból búgiott mint állat és a teljes tápfesz rajta volt a kimeneten, a másikat betettük, de már kis hangerőnél is elkezd recsegni a mély hang rajta, az elsőt szétszedve úgy néz ki, hogy hamis, mert össze lett hasonlítva egy régebbi tuti eredeti példánnyal, ebben hatalmas tranyók voltak a régihez képest, mint amilyen itt is be van linkelve korábban a szétszedett íc-ről, képet nem tudok feltenni, de hihetetlen Kínai szar volt, már mindent hamisítanak, ezért a HQ videobol többet nem rendelek ilyen ÍC-t!
Szerintetek lehet valamit kezdeni vele, kb fél watt és már recseg is a hangfal? Valaki akinek van tapasztalata írjon már róla valamit! Köszi!
Sziasztok!
STK4241V és STK4241II csak hangminőség béli különbség van ugye? Ja és mi a véleményetek ezekről az STK-k ról,ezeket is hamisítják mint állat? Érdemes vele foglalkozni? Nekem volt 4148 de még egyszer nem nyúlnék hozzá.
A harmonikus torzításban térnek el.
Az ilyen kérdések miatt töltöttem fel. Ma már nem vennék az utángyártottakból. Rengeteg a panasz rájuk. A SANYO pár éve már nem gyártja őket, tehát fehér holló az eredeti beszerzése, és semmi garancia nincs rá hogy amit adnak, az eredeti. (Van pár külföldi oldal, ahol originál, sanyo stk áramköröket hirdetnek, de ezek igencsak elrugaszkodott árak.) |
Bejelentkezés
Hirdetés |






