Fórum témák
» Több friss téma |
ÜDV óóhh nagy elektronikamesterek
.Azzal a kérdéssel fordultam az istenekhez,hogy hogyan lehetne egy képen lévő NYÁK-ot összekicsinyíteni?Most szeretném elkészíteni első munkámat ami egy Elektromos fordulatszámmérő lenne a motoromra.Meg is találtam,hogy honnan lenne megépitve,meg meg is vettem az ALL CUT RACE-ket,csak az a kép ami fent van az elég nagy.Szal azt kéne összekicsinyiteni,arra a méretre amiben már rendesen beférnek a cuccok.Jah de még nem is mondtam,hogy melyik lenne az.Erröl az oldalról szeretném megcsinálni:Bővebben: Link Ha tudjátok,hogy a képet mekkorára kéne összekicsinyiteni,vagy ha esetleg ismertek olyan programot amivel össze lehetne nyomni,akkor azokat a tanácsokat szivesen várom FONTOS lenne Előre is köszöntem.
Hi!
A képet nem kell megváltoztatni, a nyomtatásnál kell keresni méretezés opciót. Vagy berakni szövegszerkesztőbe, és ott szabadon lehet méretezni, még vonalzó is van hozzá. :yes:
ŐŐ nem azért, de ha te ezt kinyomtatod akkor nem akkora lesz mint a látott kép.. Hogyha megnézted a kész, beültetett képet láthatod hogy ott is minden belefér. De ha ezt kinyomtatod és a kép mérete miatt marad a méret akkor érdemes egy máshonnan, ugyanilyen Nyákot keresni, mert nagyon sok helyen megvan a nyákterv az adott programhoz, és ugyan ilyen a szerkentyű mint a tiéd.
Sok sikert az építéshez.
Szia!
Egy szabadon használható programmal kell megnyitni, és kinyomtatni. A nyomtatáson megmérni, hogy a 18 lábú IC 1. ás 9. lábai között mekkora a távolság. A jó méretű nyomtatáson ez a távolság 8*2.54 = 20.32 mm. Kiszámolni a nagyítás mértéket. A második nyomtatásnál a számított nagyítás reciprokát (%-ban) beírni a skálázáshoz (vízszintesen és függőlegesen egyformán kell nagyítani/kicsinyíteni). A nyomtatás után a méretet még egyszer ellenőrizni (az ic -t rá is lehet tenni). Ha nem jó még mindig, a nagyítást módosítani. Szia
Csodát nem lehetett vele tenni, de így jó közelítéssel 2,5mm a lábtáv.
Mielőtt legyártod, nézd meg passzol-e az ic...
Otthon valahol van egy ilyen nyákom készen, gondoltam hogy fordulatszámmérő de eddig még nem kellett viszont így megvan a kapcsolási rajza mostmár.
itt van pdf-be.. csak kinyomtatod 1:1ben
Itt van pdf-ben,csak kinyomtatod 1:1ben
Nagyon köszönöm a segitségeket
...Ugynézki hogy mostmár jólesz Holnap hozzá is kezdek Amint készlesz ,irok róla egykis cikket,hogy milyen
Sziasztok!
Mindenkitől bocs, nem akarom offolni a fórumot, de SOS segítségre lenne szűkségem, és úgy látom ez a témakör most a legaktuálisabb. Rövid leszek ígérem! Van egy IMI 220-as villanymotorom, ami 550 wattos, és 1420-at forog. 3 szál vezeték jön a kapocslécre. A legalsó sorban van kettő a baloldalin, és a középsőn, valamint egy a felső sor jobb oldalán. Hogy kell bekötni, és milyen kondival? Segítségeteket előre is köszönöm, és még egyszer bocs, hogy idepofátlankodtam. Üdv: Gábor
Nem igazán értem miről beszélsz, de csatoltam képet a bekötési lehetőségekröl.
A kondenzátor értéke KW-onként 70 ľF legyen
A világért sem akarom elvenni a kedved, és nagyra értékelem a kollégák segítségét is a képkonvertálásban, de...
ez a minőség, szerintem nem lesz elég a NYÁK készítéshez. A helyedben, megpróbálnám felvenni a kapcsolatot Pénzes Péterrel vagy valakivel a fórumon, aki ismeri őt. Neki biztosan megvan megfelelő minőségben a dokumentáció.
...vagy pl. sprintlayouttal ujrarajzolni. Teljesen kezdonek is meglehet 1-2ora alatt
De ez csak egy velemeny.
Persze.
Az is teljesen jó megoldás. A lényeg, hogy egy "tiszta" kép legyen.
Nagyon köszönöm, de sokkal okosabb nem lettem!
A motor belsejéből konkrétan 3 szál vezeték jön ki. Melyik mi?
Fénykép, rajz, stb.
Ha már ennyi értetlen ember van itt, akkor Neked kell pontosabban megfogalmaznod a kérdésedet. :yes: (esetleg egy másik topic-on, de ez most másodlagos kérdés...)
Rendben, igazad van!
Itt egy ábra, a motorról. Azt szeretném tudni, hogy a fázist, a nullát, és a kondit hová kössem? Mindenkinek nagyon köszönöm a segítségét.
Elvileg így jó lesz, de...
Először ellenőrizd ellenállásmérővel a tekercsellenállásokat. Keresd meg a legkisebb ellenállású tekercseket. Az én elképzelésem szerint ez "a" és "b" kivezetések között lesz. Ez a főtekercs. Ide kösd a 230V-ot. Azután a keresd meg a következő tekercset. Az én elképzelésem szerint ez "b" és "c" között lesz. Ez a segédtekercs. Akkor a kondit így kösd be. Ha a két tekercs egyforma ellenállású akkor a közös potjuk lesz a "b" azaz a nulla, a másik kettő küzül pedig mindegy, hogy melyikre kötöd a fázist illetve a kondit, de a forgásirány a szerint lesz "előre" vagy "hátra". Azaz attól függ a forgásirány. O.T. vége !!!
Köszönöm a hasznos infót!
Üdv Mindenkinek!
Valamit még kihagytam,a nagy buzgóságomba...
Egyáltalán,hogy működik? Aki már megcsinálta PlS irja le róla a véleményét..
Nos,nézegettem több helyen is a véleményeket erröl a tipusról.Sajnos elég sokan irják azt,hogy a LED-ek össze-vissza urgálnak,állitólag az NE555 egyböl elszáll amikor feszültséget kap stb...
De ennek ellenére mégjobban elekztem keresgélni,és végül találtam is egy másikat ami ráadásul jobban is megtetszett. A méllékletbe lehet látni,hogy melyik az.Bővebben: Link Lehet,hogy ebbe vágok bele.. A NYÁKrajz kicsinyitését,meg valahogy megoldom.Ha esetleg nemsikerülne max. beviszem a suliba,ugyis mondta a tanár,hogyha bármi segitség kell akk vigyem be és megoldjuk
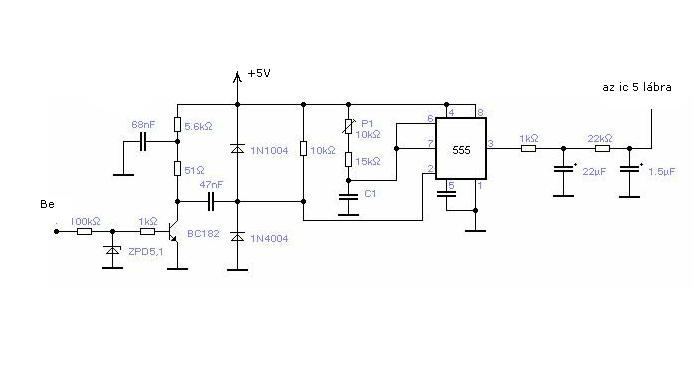
Az 555 monostabil multivibrátorkén van bekötve feladata h. amegszakitótol jövő jelet állandó amplitúdójú és szélességű impulzusokká alakítása! Ha a bemenő jel tul nagy akkor bizony tönkremegy
Probáld meg igy bekötni...
És még egy kérdés.(Bocs a tudatlanságomért,most kezdem ezeket tanulni
)Ezte be is kell "programozni"?Mondana valaki erröl valamit?Nagyon megköszönném.
ez nem kell programozni, estleg beállitani kell!
A bemenetre pár volt váltoáramot vezetsz 50hz--3000fordulatnak felel meg beállitod a potin h. 3led világitson és kész |
Bejelentkezés
Hirdetés |




.Azzal a kérdéssel fordultam az istenekhez,hogy hogyan lehetne egy képen lévő NYÁK-ot összekicsinyíteni?Most szeretném elkészíteni első munkámat ami egy Elektromos fordulatszámmérő lenne a motoromra.Meg is találtam,hogy honnan lenne megépitve,meg meg is vettem az ALL CUT RACE-ket,csak az a kép ami fent van az elég nagy.Szal azt kéne összekicsinyiteni,arra a méretre amiben már rendesen beférnek a cuccok.Jah de még nem is mondtam,hogy melyik lenne az.Erröl az oldalról szeretném megcsinálni:
...Ugynézki hogy mostmár jólesz
Holnap hozzá is kezdek
Amint készlesz ,irok róla egykis cikket,hogy milyen 


Egyáltalán,hogy működik?
Aki már megcsinálta PlS irja le róla a véleményét..
De ennek ellenére mégjobban elekztem keresgélni,és végül találtam is egy másikat ami ráadásul jobban is megtetszett. 








