Fórum témák

» Több friss téma
Fórum » Villanypásztor
 
Témaindító: bernardo, idő: Feb 5, 2006
Témakörök:
Lapozás: OK   48 / 303
(#) frob hozzászólása Feb 6, 2010 /
 
Sziasztok

hol lehet kishazánkban villanypásztorhoz Joule mérőt venni? keresgéleg keresgélek ,de nem találok , mondjuk olyan érdekelne amivel legalább 0-3Joule ig mérni lehetne

előre is köszi
(#) uli válasza frob hozzászólására (») Feb 6, 2010 /
 
Szia!
Ha szét tudod szedni és megnézni mekkora kondi van benne és mennyire tölti fel, akkor számolhsató a dolog. 0,5C*U^2 képlettel.
uli
(#) mex válasza uli hozzászólására (») Feb 6, 2010 /
 
Az csak a kondiban tárolt energiát adja meg. Hogy ebből mennyi jelenik meg a kimeneten, az a trafón múlik, ezért is lenne jó a tényleges értéket mérni.
(#) frob válasza mex hozzászólására (») Feb 7, 2010 /
 
Így van, a kondiban tárolt energia, egy dolog, és egy dolog ami kijön a trafóból...

(#) dizi válasza frob hozzászólására (») Feb 9, 2010 /
 
Keress rá a vigép.hu-n az egyéb kellékek közt. én is kerestem ilyen műszert csak nagyon drágán adják 25000Huf.
Talán valahogy építeni kellene egy ilyet :yes:
(#) frob válasza dizi hozzászólására (») Feb 15, 2010 /
 
Valóban em olcsó darab
jó lenne valami infó róla, már hogy mennyire megbízható meg ilyesmi, valakinek van esetlegesen ilyen használatban?
(#) Cavalier válasza frob hozzászólására (») Feb 15, 2010 /
 
Néztem már a kapható "joule mérő"-nek hirdetett cuccokat, az egyik csak áram/feszültségmérő, a másik csak feszültségmérő.

Ilyen műszer igazából csak készülékteszteléshez kell, én valami olyan módszert találtam ki, hogy kell többféle ellenállással terhelni a jeladót, mondjuk 100, 500, 1000 ohm-al, és ezen mérni a feszültséget. Ha elér egy értéket, mondjuk 2kV-ot, akkor elindít egy számlálót, ha újra visszaesik ennyire, leállítja. Így a hasznos impulzus hosszát megkapjuk, illetve ha tudjuk a csúcsfeszültséget, egy átlagolással meglesz a kb. effektív fesz, a terhelő ellenállásból meg tudjuk kapni, hogy ez mekkora teljesítmény, és az idővel számítható az energia is.
Mikrokontrollerrel is megoldható persze a dolog, ami ezt az egészet magától megcsinálja, ha lesz sok időm, kedvem, kifejlesztem.
Egyféle ellenállással terhelni azért nem elég csak (szerintem) mert abból még nem lehet következtetni a jeladó belső ellenállására.
(#) sztankovics bruno válasza Pethy hozzászólására (») Feb 15, 2010 /
 
helló össze tudtad hoznni a villany pásztorod mert érdekelne ha sikerült meg épiteni nekem is szükségem lenne rá mert a kutyáim véget... missuri2009@hotmail.com
ide irhatsz..Csaba
(#) frob válasza Cavalier hozzászólására (») Feb 15, 2010 /
 
azt gondoltuk ki a kolegával,hogy ntc ken kellene átereszteni és azt nézni hogy hány szikra van és az mennyire melegíti fel az ntc-ket abból is lehetne számolni

de ha azt mondod azok amelyek boltban kaphatók gagyiware cuccok akkor inkább csinálok mint veszek
(#) ötfelezős hozzászólása Feb 16, 2010 /
 
Az ilyent tárolós szkóppal vagy mifenével mérik, nem?
(#) Cavalier válasza frob hozzászólására (») Feb 16, 2010 /
 
Lehet, hogy lehet kapni korrekt cuccot, amibe belefutottam az nem az volt. :/
Mikrokontrollert hanyagolva lehet úgy is csinálni, hogy schottky-s csúcsegyenirányítóval mérni feszosztó után, de azt is kalibrálni kéne valahogy, az ntc-s megoldás se rossz, de az a pár joule energia nem hiszem, hogy pontosan mérhető lenne, sok függ a környezettől.
Kontrollerrel szerintem egy 5-ösből összedobható egy kis LCD-vel, és az jó még sok másra is. A progi se kell, hogy túl bonyolult legyen benne.
(#) Cavalier válasza ötfelezős hozzászólására (») Feb 16, 2010 /
 
Már akinek van.

Végülis egy grafikus kijelzőn összedobható lenne 8 bites mikrokontrollerrel az is, 30-60kSPS-el ki lehetne nyerni jópár mérési pontot az impulzuson belül.
(#) gergoszekeres hozzászólása Feb 16, 2010 /
 
helló
tudna valaki nekem küldeni egy egyszerübb villanypásztpr kapcsolási rajzát kutyáhozzz kéne elöre is kössz
(#) frob válasza Cavalier hozzászólására (») Feb 16, 2010 /
 
hát vanni van, csak kényelmes lévén, na meg féltve a szkópot ... meg ahhoz azé sima mezei ellenálat nem jó, valami kV os szigeteléssel bíró példány kellene osztónak pár db

szóval ezek miatt még nem vetemedtem arra hogy szkóppal méricskéljek rajta.. de ami késik múlik, előbb utóbb...
(#) frob válasza gergoszekeres hozzászólására (») Feb 16, 2010 /
 
kicsit nehéz tudom... de van fent egy olyan gombocska hogy a téma képeinek listázása, kicsi fényképezőgép szerű ikon, böködjé már egy kicsikét rá... rögtön találsz magadnak megfelelőt is... szerintem
(#) Cavalier válasza frob hozzászólására (») Feb 17, 2010 /
 
Csináltam sima 3-400V-os ellenállatokból sorbakötve egy osztót, az egész műgyantába öntve egy csőben teljesen profi. A végére lehet tenni még varisztort meg szupresszordiódát, a jeladó meg legyen földfüggetlen, akkor nem lehet baja a szkópnak. Persze én se kötném rá így se. Talán valami olcsó PC-s szkóppal megpróbálnám.
(#) frob válasza Cavalier hozzászólására (») Feb 17, 2010 /
 
és max a pc fittyen
ehhez direkte olyan ellenállás kell, az a bajság a sima ellenálattal akármennyire is kiöntöd az át fog ütni a felületén a kiöntés alatt

ellenállás huzepból már inkább lehetne ilyesmit csinálni, de annak meg kellene vahy kohm/cm es ellenállása és akkor pár 100Mohm nem lenne még nagyon hosszú valami lebegős szerelésben... és úgy kiöntve

na de, lehet rövidesen tudok mondani valami érdekeset, kolegának sikerült kerítenie pár db 10 Mohm os 20 kV os ellenálatot...
(#) Cavalier válasza frob hozzászólására (») Feb 17, 2010 /
 
Elvileg nem szabadna átütnie kiöntés nélkül se, ha a névleges fesz esik rajta, pl. sorbakötsz 20-25db 450V-osat. Meg nem is kell ide megaohmos nagyságrend, pártíz kilo elég, a jeladónak igazából párszáz ohmon tudnia kéne produkálni a teljesítményt. Csináltam olyat is, hogy 3-5W-os régi magyar bordó színű 47k-ból 3-at sorbakötöttem, az se húzott át, mondjuk azon csak egy glimm volt, nem szkóp.

Vellemann pc szkópot néztem pont ebayen, 130 usd, 12megás, és azt mondja, hogy a pc port optóval leválasztott. Csak párhuzamos portos, az meg nincs laptopon, az usb-párhuzamos adapter meg nem hiszem, hogy elvinné.
(#) ötfelezős hozzászólása Feb 17, 2010 /
 
Induktivitásmentesre kell konstruálni, különben nagyon csal... Bocs.
(#) mofesa hozzászólása Feb 20, 2010 /
 
Üdv mindenkinek.A minap hoztak hozzám egy régi villanypásztort.Segítenétek abban,mi hiányozhat belőle,no meg életre kelteni?
(#) poros válasza mofesa hozzászólására (») Feb 20, 2010 /
 
Nagyon sötétek a képek nem látszik rajtuk szinte semmi. Tegyél fel világosabb képeket.
Így nem hiszem, hogy tud segíteni valaki.
(#) mofesa válasza poros hozzászólására (») Feb 21, 2010 /
 
Remélem ezek már jobban láthatók.
(#) exorcist válasza mofesa hozzászólására (») Feb 21, 2010 /
 
Első ránézésre olyan, mintha egy gyútótrafó hiányozna belőle.
(#) exorcist hozzászólása Feb 21, 2010 /
 
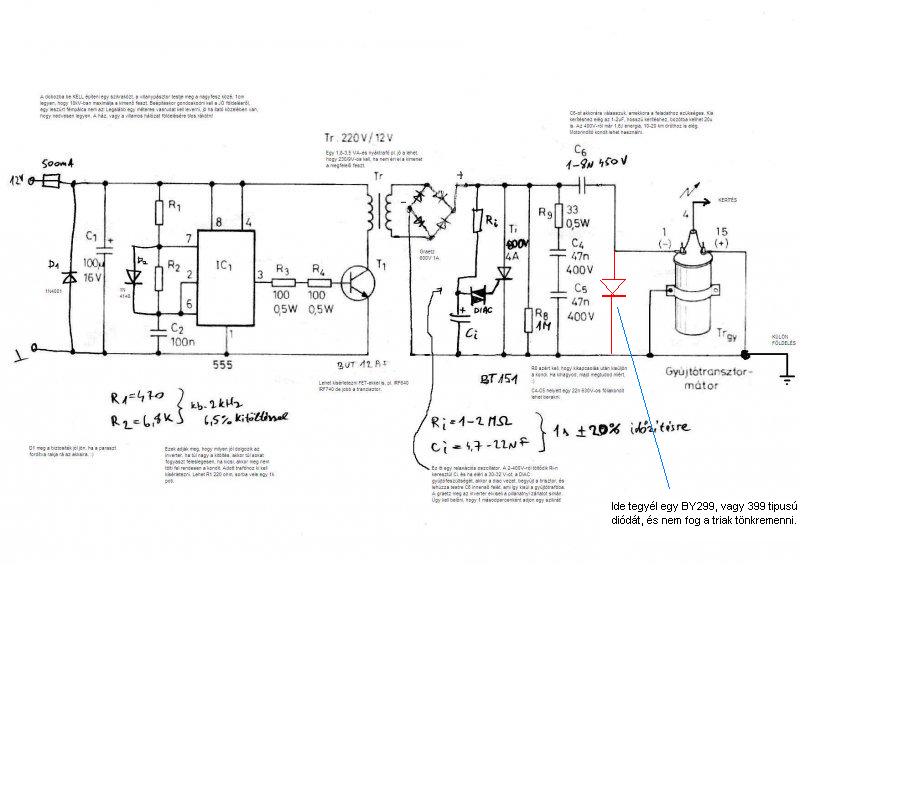
Megépítettem az inverteres-tirisztoros villanypásztort (ezt). Egy 8,5V-230V-os trafóval csinál az 555-ös kb. 300V-ot ami egyenirányítva tölti a két párhuzamosan kötött 10µF-os (500V-os) motorindító kondit egy mp. alatt kb 350-400V DC-re. Tirisztor helyett én egy BT139-800E (800V/16A) triakot raktam be (a polaritásra figyelve működik is). A kimenő trafót apósom tekerte E-I magos vasra (primer: 13 menet <0,1 Ohm, szekunder 400 menet kb 10 Ohm, légrés nincs). A nagy hó miatt eddig csak üresjáratban próbálgattam, hatalmas szikrákat ad (van bent egy kb 10mm-es szikraköz). A problémám az volt vele, hogy már kétszer kellett kicserélnem a triakot mert tönkrement a szikráztatás közben, rövidzár lett belőle. Lehet az gond hogy nem tirisztort, hanem tiakot építettem be? Illetve a nagyfesz áramköri részben a 33Ohmos ellenállással egy 47nF/630V-os kondi van az ajánlott 22nF-os helyett. Ez lehet esetleg gond? Bár szerintem ez a két alkatrész valamilyen szűrést végez, vagy esetleg a visszafele haladó impulzusokat igyekszik levezetni a földbe, nem gondolnám kritikusnak a kondi értékét. És ha rajta lesz a cucc a kerítésen, akkor sűrűbben előfordulhat majd a triak meghibásodás vagy ritkábban? A karámra kötött pásztor, vagy az üresjáratban szikráztatott pásztor terheli jobban az elektronikát? Előre is köszönöm a válaszokat.
(#) mex válasza exorcist hozzászólására (») Feb 21, 2010 /
 
A kerités felfogható egy kondi egyik fegyverzetének, a másik fegyverzet a föld. Ezt a kapacitást tölti fel az elektronika, tehát mint terhelés jelentkezik, nem úgy mint ha csak a szikraközön sülne ki az energia. Igy a feszültség felfutása is lassabb, vélhetőleg jó hatással van a triakra.
Nézd meg a rajzot, én ezt a módositást javaslom.
Egyébként a kapcsolás nem valami korrekt, mert az 555-ös részt a kisütés időtartamára le kellene állitani.

V.p.JPG
    
(#) poros válasza mofesa hozzászólására (») Feb 21, 2010 /
 
A gyújtótrafó biztosan hiányzik. Próbálj tenni bele egy trafót ,de anélkül is meglehet próbálni egyáltalán működik e. Ehhez azért jó lenne látni a panel másik felét is mert többféle megoldás létezik a trafó meghajtására a kimeneten akár nagy feszültség is lehet amit azért már nem kellemes tapogatni a mérőműszert meg tönkre teheti ha rá mérsz. Azt sem értem minek bele három biztosíték. A bal alsó sarokban az egy pótméter hátoldala?
(#) mofesa válasza poros hozzászólására (») Feb 21, 2010 /
 
Köszi a választ.Az egy trimmer.A panel másik oldaláról egy-két kép.
(#) poros válasza mofesa hozzászólására (») Feb 21, 2010 /
 
Esetleg tudnál az alkatrész oldalról feltenni képet?
(#) mofesa válasza poros hozzászólására (») Feb 21, 2010 /
 
Két kép az alkatrész oldalról.
(#) poros válasza mofesa hozzászólására (») Feb 21, 2010 /
 
Olvasható valamilyen felirat azon a hatalmas kondenzátoron ? Ez egy érdekes kapcsolás még hasonlót sem láttam. Jó régi , ilyen szilícium tranzisztort ma már talán kapni sem lehet .
Következő: »»   48 / 303
Bejelentkezés

Belépés

Hirdetés
XDT.hu
Az oldalon sütiket használunk a helyes működéshez. Bővebb információt az adatvédelmi szabályzatban olvashatsz. Megértettem