Fórum témák
» Több friss téma |
Hello!
Majd egy hónapos "nyomozás" során azt deritettem ki,hogy a Mitsubishiknek nem olyan egyszerű a bekötése ilyen esetekre. Az elektronika tápját természetesen az ECU +15 bemenetére kötöttem. A gyártó pedig még nem találkozott olyannal aki ilyen autóba szerelte volna be. De most kaptam egy e-mailt,hogy mi talán a megoldás: egy ellenállás és kettő tekercs sorba kapcsolása. Remélem most már jó lesz,mert nagyon drága a benzin.
Amit be kell kötnöm az kettő 22mH tekercs és egy 100 Ohm-os ellenállás sorba kötve.
Hogy tudom ezt olcsón megoldani,milyen tipúsú tekercset ajánlotok? Köszi.
Sziasztok,
Engem is érdekelne, hogy mi a megoldás a központis átalakítással kapcsolatban! Elvileg mi központisok hátrányban vagyunk... Én 2009 szeptemberében szoktattam rá az autómat az alkoholra, azóta 10.000. km benne van. Amíg jó idő volt, 50/50, ha hidegebb(3-4 fok alatt) akkor 60/40 arányban tankoltam az autót. Lassan visszaállok az 50/50-re ismét ![]() Várom a fejleményeket!!!
Már mi a fenéért lennél hátrányban?
Egy normális átalakító szet - ha jól sejtem - figyeli a motorhőfokot, kér egy jelet a gázpedálpotiról, a lambdától, utóbbit manipulálva továbbküldi a gyári ECU-nak, vár egy impulzust az ECU-tól, amit a mért adatok alapján manipulál és az nyitogatja a mágnesszelepet. Most hogy nem mind a négy bemenetén kap injektorvezérlő jelet, csak az egyiken, attól még működik - azon az egy csatornáján. Nem tudom, milyen autóval próbálkozol, de például a satuegyszerű dolog, ha mondjuk egy C16NZ Opel esetében kicseréled a spricnit C18NZ-re, az 13%-al nagyobb motorhoz van méretezve, tehát elvileg annyival több anyagot enged be ugyanakkora jelalakra. Hidegindításhoz meg ott van az a megoldás, amit leírtam a C18XE-re, azt bármilyen injektoros motor hőfokjeladójánál el lehet játszani. Gyakorlatilag a legnagyobb hidegben is vissza lehet venni a hőfokjel eltolást 4-5km után teljesen. Az más kérdés, hogy van olyan átalakító szet, ami sebességtartáshoz visszaszegényíti a keveréket, így nem 30%-al fog többet enni etanolból, hanem csak 18%-al városban, országúton meg 10-12%-al. A baj az, hogy ha csak a befecsi időt nyújtjuk el, vagy nyomást emelünk, akkor a folyamatos túlfogyasztás miatt elvész az árkülönbség. A hőfokjellel meg azért nem szabad játszani folyamatos üzemre, mert az ECU hideg motornál nem veszi figyelembe a lambda jelet, programtábláról dolgozik, és a hazudott hideg motor állapotában hajlamos folyamatosan olyan adagokat betolni, hogy hosszútávon hazavágja a katalizátort. Tehát okos elektronika kell.
X16SZ-es astra az alany, átalakító nélkül...
Injektor-égéstér távolság, ami a hátrányt adja...(ezt olvastam a típus fórumon) Mivel kicsapódik az etanol, mire az égéstérbe ér, vagy mi. Nem állítom, hogy nincs igazad, sőt, hiszek én mindenkinek! Csináljunk okos elektronikát!!!
Hát nézd, nekem van egy kövület '91-es C16NZ-m, amit erősen módosítottam, ha vissza szeretném vezetni motorkódra, akkor 16SZ lenne talán, mert síkolással emelt kompressziós, és 4-2-1 leömlő van rajta, és valahogy hiányzik a katalizátor.
Ez elektronikus módosítás nélkül simán megeszi a 3/4 rész etanolt 1/4 95-ös benzinnel. Én nem vettem észre, hogy hű de kicsapódna az etanol, sőt, amíg 98-asból 6,4-et eszik, a fenti keverékből 7,2-t. Tulajdonképpen, amikor ezzel az autóval kísérleteztem az etanollal, még nem jutottam el a hőfok becsapásig. Akkor volt, hogy majdnem üres tankba toltam 40 liter etanolt, az addigi 3/4-1/4 arányra, tehát majdnem tiszta kúti anyaggal hajtottam. Ment is, nem volt gond, mert meleg volt a motor. Másnap voltak gondok, nem igazán akart beindulni, túráztatni kellett, meg erőtlen volt, amíg fel nem melegedett. Gyorsan rátankoltam 95-öst dugóig, utána konszolidálódott a hidegindítás is. Csak most kicsit csapágyas szegény, mert nem bírta az Ajusa hengerfej tömítés, és benyomta a vizet az olajba. Tervem, hogy talpraállítom, megcsinálom a hiegindító rendszert, és tiszta etanollal járok vele, még ha csapdossa is a 7,5-8 litert a fogyasztás.
Hello,
Kicsit lassan haladok, mert a tervem a most hétvégi teszt volt, de lehet, hogy csúszik. Sajna nem annyira értek a mechanikai szerelésekhez és a szerelőm nem veszi fel a telefont. Rá azért van szükség, mert vettem reggel 1000Ft ért benzinszűrőt, de nem tudom itthon az esőben (aztsetudomholvanbeépítve) kicserélni. A csere nélkül pedig nem próbálok :no: Maga az elektronika Alfa verziója kész, fel is teszek róla egy képet, ezt injektoridőt növel gombnyomással és saját termosztát jelet figyel a hidegindításhoz, mindezt kiteszi LCD-re. Bővíthető 2 analóg (folytószelepállást feltétlen) és 2 digitális jellel. Eddigi elektronika költségem cirka: 4-5eFt. A lamda szonda jelét ha meghamisítom mi garantálja, hogy nem melegszik túl a katalizátor?
Egész jo csak a bemeneti résznél nem vilgos a vazérlés.
A tranyokat pozitiv jelszinttel akarod vezérelni holott az injektorok negatival vannak kivezérelve. Nem zárom ki ezt az ötletedet ha az injektorok "tranziens" jeleit akarod fölhasználni. Azért ezt leszámitva egész korrekt az elgondolásod. U.I. Nem cikizésnek irtam amit irtam mivel tényleg nem logikus számomra.
Igazad van, negatívval van vezérelve az injector, és elég lenne 2 injectorra megépíteni, mert a hengerenkénti befecskendezésnél 2-2 párhuzamosan van kötve. Ezt a rajzot csak úgy hamar dobtam össze, hogy legyen valami kiindulási pont. Ami nehezebb feladat az a program lesz, azon még gondolkozom.
Azért a ketteséval valo vezérlést sem szabad álltalánositani mivel az is gyárto is tipusföggö.
Sziasztok
Keresek egy bioetanol vezérlő elektronika kapcsolást egy négyhengeres hengerenként befecskendezéses opel autóhoz. Utána néztem, készen is lehet kapni, de én szeretném elkészíteni. Köszönöm előre is Bubuszoft
srácok itt úgy érzem magam, mint a komcsi érában, ahol a kérdéseket (híreket) erőteljesen moderálták. Lehet itt normális kérdést feltenni, ami nem jár büntetéssel?
Mert érdekes, hogy az én fórumomat törölték Etanol Vezérlő Elektronika pedig nincs is ilyen oldal MIÉRT?
Mondjam, vagy mutassam?
1szerű, mert ez a topik pontosan azzal foglalkozik, már rég óta. Ilyen esetben padig a párhuzamos topikokat összevonják, méghozzá úgy, hogy a régebb óta élőbe szúrják be az újat, illetve ha semmi új nem születik az újabb topikban, akkor egyszerűen törlik. De ne aggódj, idetaláltál, és jó helyen vagy.
Üdv mindenkinek!
Szeretném én is átalakítani az autómat etanolosra, persze elektronikusan,(és az injektort akarom megmahinálni) de sehol a világon nem találok hozzá kapcsolási rajzot. A leg kézenfekvőbb a PIC-es hardver lenne, csak ahhoz egyszerűen hülye vagyok. Bár rajzról meg tudom építeni ezeket a kütyüket, én magam programot írni nem tudok. Ezért gondolkodok egy olyan kapcsolásban, ami az ECU-ról lejövő jelet "meghosszabbítja". Szerintetek életképes lehet ez az ötlet? Mellékelek egy rajzot mire is gondolok. Egyszerűen pár tized msec.-al később engedi el az injektor tekercsét. Építenék egy analóg áramkört ami tulajdonképpen egy időzítő lenne. Nos? Nagy marhaság lenne? Semmi állítási lehetőség semmi serial port csak plussz 10-20% nyitva maradás.... Télen nyáron.
Közben itt agyalgatok, találtam a neten pár pic16f628-as időzítőt, de hát nekem msec. kellene állítanom, a legjobb rajz is csak 1 sec-től indulna felfelé. Összedobtam egy kókány rajzot, ez tulajdonképpen off-delay kapcsolás, csak hát persze nem négyszögjelet adna le, na meg hát ez meg sem közelíti a milisecundumokat. Nos valami ilyesmit szeretnék. Egyáltalán a PIC- el lehet ilyen időzítőt csinálni?
Én sem értek a PIC-hez, de azt tudom, hogy jó helyen taperálsz, csak rosszul.
Az injektor nyitva tartási idő megtoldásához felesleges mikrokontroller. Viszont ha már van, akkor a hosszabbítás százalékát függővé lehet tenni hőmérséklettől, lambdajeltől, gázpedál állástól, fordulatszámtól. Sőt, így lesz az igazi, mert ha csak egy konstans hosszabbítás van, akkor borítékolható a 25-30 százalékos többletfogyasztás, úgy meg semmi értelme az átalakításnak, mert megy a réven az egész. Ha viszont egy "intelligens" átalakító van, akkor 10-25 százalék közé esik, jobblábfüggően.
Hát nem is tudom..(szó szerint nem értek az injektorvezérléshez
)Viszont én abból indulok ki, hogy a motorvezérlést továbbra is az ECU oldaná meg. Figyelgetné a gázpedált, a vízhőfokot, meg felőlem a naplementét is. Én csak kitoldanám a négyszögjelet. Indítózásnál amúgy is az ECU hosszabb jelet ad le. Én meg méginkább megnyújtanám a jelet. Apropó: Egyáltalán négyszögjellel vezérelhető egy injektor? Naszóval: én csak kicsit dúsabb keveréket szeretnék előállítani tudományosan. Most gondoltam csak bele, az nem árt azért, ha meleg motornál kissebb a "négyszög jel hosszabbítás".
Nem reklám, inkább referenciaként itt egy átalakító, amit én az eddigi legjobbnak tekintek.
Kiemelnék néhány érdekes dolgot: A működési paraméterek alaphelyzetben már alkalmasak az E85 és benzin teljesértékű vegyesüzem megkezdésére, de igény esetén ezeket is át lehet állítani a megfelelő parancsokkal. Ezek a paraméterek lehetnek: - Alap fix dúsítási értékek százalékban (alapból 16% normál és 24% növelt) - Dúsítási érték maximuma (alapból 26%) - Kívánt üzemmód (alapból 1-es mód) - Sport mód lambdaablaka (alapból 0.84-0.88) - Kívánt lambdaérték határok fix dúsítási módban (alapból eredeti követése) - Hidegindítási algoritmus engedélyezése és üzemmódja (alapból engedélyezett, 3. mód) - Hidegindítási extra algoritmus paraméterek (alapból nem engedélyezett) - Eco mód engedélyezése (alapból engedélyezve) - Dúsításszabályzás paraméterei (alapból 2 lépés, 800ms ciklusidő) - Lambda trimmerelés paraméterei (alapból 1 lépés, 1000ms ciklusidő) - Benzines üzemmeleg alapjárat injektornyitási érték az üzemanyag típus meghatározáshoz (alapból 2.0ms) - Gázpedálállások (alapból 30% eco és 90% sport mód) - Sport mód kitartási ideje (alapból 3mp) - Maximális injektorkapacitás (alapból 95%) Az átalakító táblázatait is ki lehet tölteni, ezek az alábbiak lehetnek: - Hőmérséklet - befecskendezés kompenzációs tábla (alap kitöltéssel rendelkezik) - RPM tábla 1-2. a fix dúsítási módokhoz (opcionális kitöltésű) - TPS tábla 1-2. a fix dúsítási módokhoz (opcionális kitöltésű) A táblák kitöltési lehetősége: - Táblapontok egyenként: tábla száma, pozíciószám, érték - Tábla teljes kitöltése: tábla száma, kitöltő érték Szóval úrhölgyek és úrvezetők! A fenti oldalt tanulmányozva jutottam arra a következtetésre, hogy egy síma befecsi idő növelést az autóm gyári ECU-ja is megcsinál üzemmelegen. Opel Astra 1.8 hengerenkénti 125 pacival, és minden átalakítás nélkül megy tiszta etanollal melegen. Csak hidegindításhoz kell átverni a hőfokjelet. Igen ám, de 7,4 liter helyett 10 litert eszik, így aztán az árkülönbség kimegy hátul a csövön. Ezért kell egy olyan átalakító, ami korrekten kezeli a megváltozott üzemanyaggal a motort, és ha kell, átveri a gyári ECU-t (lambdajel), hogy ne pánikoljon, hogy szegény a keverék, amikor nem is az, ugyanakkor amikor kell (gyorsítás, padlógáz) odatolja az anyagot kövéren. Sajnos ilyen szinten (mokrokontroller) én is ugatom az elektronikát, így azt kell mondjam, hogy amíg nincs senki, aki kitalálja és elárulja a tízezer forint alatti titkot, addig marad a piacon lévő átalakítók valamelyike.
Ja, ha csak hidegindítás a probléma, akkor ott van a sufnituning módszerem visszább, az működik most nekem is.
Még a többlet fogyasztással is sokkal olcsóbban jön ki az ember, etanollal. Rengeteget autózom, és még úgy is legalább százezres megtakarítást számoltam, hogy 50% etanol 50% benzin keverés, és elektronika nélküli üzem van jelenleg. (jó, évi 55 ezer km amit átlag megyek)
Nyáron tuti a 80-20 arány, ilyenkor hidegben még a 60-40 is problémamentes, csak kicsit melegíteni kell a motort. (Opel C14NZ ) Egy elektronikán már gondolkozom én is, de inkább saját kezűleg építve, óriási túlzásnak tartom a jelenlegiek árát. Eddig amit láttam átalakító, abból egyik sem tűnt olyan bonyolult dolognak, hogy ne lehessen megépíteni. Ha valakinek van eTun leírása, vagy Hunflex, esetleg az általad linkelt, ezeket megépíteném inkább.
Hát nem csak hidegindítás a baj, hanem egész egyszerűen az autó alacsony fordulaton is prüszköl. Picit játszani kell a gázpedállal, és már nincs is gond. A bajom az a nejem, illetve nem is ő, hanem hogy ő viszont nem fogadja el, hogy nem pöc röff az autó, és hogy játszani kell a gázpedállal. No mindegy, ez legyen az én gondom.
Szal agyalok még egy sort mit is lehetne itt csinálni ami max 10000 Ft-ba fájna, nekem ez a lélektani határ. Proky féle, vagy már nem is emlékszem, ki ötlete, lesz a vége úgy lehet. alátét a nyomásszabájzóba és kész. Hmmm.....hmmmm
Igen, a nyomás megemelése a legegyszerűbb, de ezzel kockára teszed a szivattyú élettartamát.
Akkor javaslom, hogy próbálkozz egy 10 százalékos időkitöltés növeléssel analóg módszerrel. Ha a mindenkori kitöltési időt növeled, akkor alapvetően az ECU lesz továbbra is a parancsnok, nem kell felülbírálni egy intelligens vezérlővel. Azért írok 10 százalékot, mert ha annyival toldod meg, akkor már símán beleeshet a szükséges plusz mennyiség az ECU programtáblájába, míg most valszeg kifekteti a nyitási időt a táblája szerinti legnagyobbra - ami nem elég. Javaslom, hogy kikapcsolható legyen az idő toldása, ha visszaállnál benzinre. Ilyen lehet, ha pl. kongó tankkal beállsz a kútra és nincs etanol. A hidegindításra meg javaslom, hogy a megnövelt nyitási időt tovább lehessen növelni egy potenciométerrel, amit egy - a hengerfej megfelelő helyére (ahol nem gyengíti szerkezetileg) csavarozott 30 fokos termosztát rövidre zár, így nem jelent gondot, ha úgy marad. A fentieket az én hidegindítási módszeremmel ellenben is ajánlom, mert annak van két hibája. Az egyik, hogy az ECU egy bizonyos motorhőmérséklet alatt egyszerűen figyelmen kívül hagyja a lambdajelet, helyette egy konstans értéket vesz programtábláról, így akár hosszabb távon is lehet olyan, hogy túldúsít, és ezzel még a katalizátort is kinyírod. A másik hibája, hogy amikor az ECU-t becsapod, hogy hidegebb a motor a valóságosnál, akkor nem csak a lambda mellőzése melletti dúsításnövelést alkalmazza, hanem az alapjárati szabályzót is jobban nyitja, így aztán simán ki lehet hozni az én fapados módszeremmel 2200-as alapjáratot.
Urak,
Sikerült a benzinszűrőm kicserélni, ami azért jó, mert mostmár merek E85-öt tankolni. Alapvetően suzukira fejlesztek első körben, amint működik az átalakítóm Alfa verziója , szívesen veszek 1-2 önkéntest aki, központi injektoros próbát csinálna. Rövid progleírás: Főciklus ban kezeli az LCD kijelzést és a két dúsítás kezelő gombot, saját termosztát jel a hidegindítási időnyújtáshoz. Az ECU vezérlőjele megszakítást indít, PIC nyitja az injektort, kiveszi a számított nyújtásmódosító értéket és annyival később engedi el az injektort. Fontos kérdés: Közlekedéstechnikában nagyon fontos a biztonság. Ki kell találni, hogyan lesz ha hirtelen meghibásodik a vezérlő. Tartalék vezérlő? Fix nyújtó relés átkapcsolással? Alapból visszaáll ECU-ra? ??? Üdv:
Nem akarlak kiábrándítani, de szerintem azért nem fog senki találni rajzot, mert le van védve. Tehát vagy ki kell találni, hogyan működik egyik-másik, vagy venni kell egyet és kibelezni. A PIC program meg még veszélyesebb terület, mert szerintem az is jogvédett, tehát maximum tanulmányozása után, de mindenképpen egy másik írása lehet csak opensource.
Nem most kellett volna cserélni, hanem 1-2 tank etanolozás után. Merthogy azért kell cserélni, mert az etanol kitakarítja a tankodat, és az összes nagyja szutyit megfogja a szűrő. Tehát az etanolozás megkezdése után lesz szutykos.
Uram, egy emeltkompressziós C16NZ-ben (Opel) szívesen tesztelném, korrekt a működési elv!!! Viszont szerintem egy jól bekalibrált működés esetén tök fölösleges plusz költség és karácsonyfa az LCD, azt kellő működési tapasztalat után mindenképpen el lehetne hagyni, de lehet, hogy már a béta szakaszban is. Meghibásodásra azt mondom, hogy egyrészt úgy kell méretezni, hogy 6-17V között stabil legyen, a bemenetein se sokkolja egy ekkora feszkó, a kimenetén meg rövidzárvédett legyen. Olyan kontroller és alkatrészek kellenek, amik nem esnek kétségbe -35 és +80 fok között, kapjon cseppálló burkolatot, vagy egyszerűen szigorúan utastérbe kell tenni. Ha ennek ellenére mégis fejreáll, akkor egyszerűen mechanikus kapcsolóval, vagy egy relével (nyugalmi állapotban) ki lehessen iktatni. Legjobb egyből az ECU mellé tenni, mert ugye onnan jön ki az injektor kábele, meg ott van gyújtáskulccsal kapcsolt táp. Azt is figyelembe kell venni, hogy lehet az ECU érzékeny az injektor ellenállására. Gondolok arra, hogy hibának érzékelheti, ha túl kicsi.
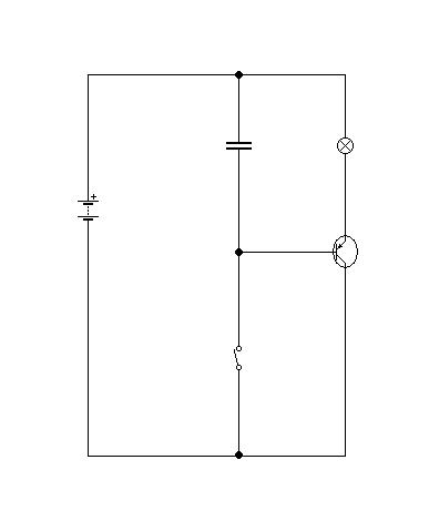
ez is egy befecskendezési idő módosító de ez elvesz az üa. ból a kétáramkörös kapcsoló a lambdaszonda vezetékét szakítja meg (HHO hoz való) Egy tranyóval gondba vagyok MPS A 14 mivel tudom helyettesíteni?
Ezekkel tudod helyettesíteni: 2N6426, 2N6427, CMPT6427, CMPTA13, CMPTA14, CP307, CXTA14, CZTA14, MPSA13
De a hqvideonál kapható ez a típus.
Ez nem az a módszer, ahol vizet adagolnak pluszban az üzemanyaghoz?
Üdv urak.
Már régtől olvasgatom a témát. Per pillanat még nincs rá szükségem,de hamarosan nekem is meg kell változtatni az ECU által adott "parancsokat". Ha már ilyen mértékben belementek a változtatásba /gondolom az árak miatt/ kis kiegészitéssel igaz de megfontolandó a HHO beengedése is.Nekem dizelben két liter minusz.Szóval csak mondom. Üdv.
Majdnem vizet gáz halmazállapotú víz 2H 1O (hho) vagy brown gas
|
Bejelentkezés
Hirdetés |








, szívesen veszek 1-2 önkéntest aki, központi injektoros próbát csinálna. 





