Fórum témák
» Több friss téma |
- Ez a felület kizárólag, az elektronikában kezdők kérdéseinek van fenntartva és nem elfelejtve, hogy hobbielektronika a fórumunk!
- Ami tehát azt jelenti, hogy a nagymama bevásárlását nem itt beszéljük meg, ill. ez nem üzenőfal! - Kerülendő az olyan kérdés, amit egy másik meglévő (több mint 17000 van), témában kellene kitárgyalni! - És végül büntetés terhe mellett kerülendő az MSN és egyéb szleng, a magyar helyesírás mellőzése, beleértve a mondateleji nagybetűket is!
Ha egy 7805-ös stabilizátor IC bemenetére rárakok egy kondit, és napelemmel töltöm, a kimenethez odarakom a multimétert, mi lesz az eredmény? Azt szeretném elérni, hogy az IC kimenetén legyen 5V, ha a kondi feltöltött. Ez így működőképes?
Hello!
Nem nézted figyelmesen az adatlapot. Az IC logikai működése olyan, hogy amíg a RESET bement magas szinten van, addig a számlánc törölve van, de a kimenet is magas szinten van. Majd amikor a RESET alacsony szintű lesz, elkezdődik a számlálás és ha véget ér, a kimenet alacsony szintre vált. Tehát csak akkor működik "jól", mint a hogy Qvasz2 írja és az adat lap is mutatja, ha a RESET alacsony szinten van, és csak egy pillanatra magas, mialatt törli a tárolót éás a számlálókat. Viszont kellemetlen, hogy bekapcsoláskor is van Reset, így a számlánc tápfeszültség bekapcsolásakor egyből számolni kezd, kimenet magas szintű. Számodra akkor lesz megfelelő az időzítő működése, ha az IC tápfeszültségét kapcsolod és a RSET fixen alacsony szinten van. Ekkor bekapcsoláskor lesz egy törlő impulzus, és azonnal számlálni kezd, miközben a kimenet magas szinten van. Ha letelt az idő, a kimenet alacsony szintre vált. Ha ez után kikapcsolod és újból bekapcsolod, kezdődik elölről az egész. Ha számlálás közben kapcsolod ki, megszakítod a folyamatot. Tehát az 5-6-7-10 láb a GND-n van. 8-12-13-14 tápon. üdv! proli007
Mire jó az LM3914-es IC mode (9) lába? Nem lehet növelni a ledet meghajtó kimeneti áramát, külső erősítő alkatrész nélkül kb. 20mA-ra?
Arra való, hogy pont vagy sor módban működjön. Előbbiben csak egy LED világít, utóbbiban az adtott kijelzésig világítanak a LED-ek.
Áram növeléséhez csökkentsd a 6-7-es láb és test közötti ellenállást 1-1.2k-ig.
Szia! Nemsemmi amit tudsz!
Működik az időzítő, úgy kötöttem be, ahogy írtad, és teljesen jó. Elvileg 12,5percig kellett volna égnie a LEDnek, de kb. 10 és fél perc után kikapcsol. Ez gondolom az Rs fix értéke miatt van. Majd szerintem feljebb viszem 10K-ról... Köszönöm mindenki segítségét! Nagyon hálás vagyok! Még kezdő vagyok, és még nem csináltam ilyet. Mármint a datasheet értelmezésére gondolok. Kezdem megbánni, hogy nem ezt tanulom... Üdv
Sziasztok. Egyszer valaki valahová feltett egy "képlet rendszert". Ez úgy nézett ki, hogy egy kör alapon sok sok képlet volt elrendezve. Amikor megláttam leis mentettem de most meg nem találom. Vagy esetleg egy elektronikai képletekkel teli táblázatot ha tudna valaki. Hátha más is látta azt a mellékletet amiről beszélek.
Üdv Roli!
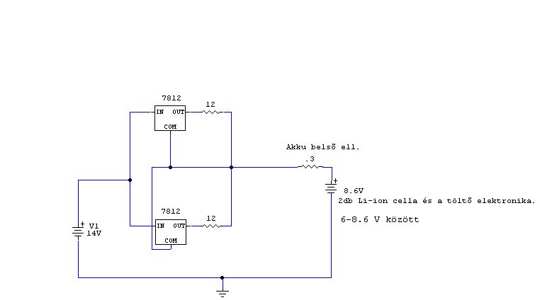
Nekem lenne egy kicsit hülye kérésem. Ezt valaki leszimulálná nekem, mivel a 7812 nincs benne az én tervező progimban. Annyit kérnék hogy az akku fesz.-ét 6 V-ra és 8,6V-ra kellene beállítani. És ha minden igaz, akkor kb. 1A-es áramnak kell folynia rajta.
A 12 ohmok helyett légyszi tegyél már 24-et? akkor már elvileg közelebb járok az igazsághoz.
Hello!
Akár folyhatna is 2A, ha a V1 feszültsége legalább 15V-al több, mint az aksi kapocsfeszültsége.. A 7812m nem LM317. Mind a kettőt, lehetne áramgenerátornak használni, csak éppen értelme nincs. Az LM317-nek a belső referenciája, 1,25V, így az ellenálláson ekkora feszültség esne. Ehhez kellene még az LM működéséhez 2-3V feszültség többlet. De ha 7812-őt használsz, annak belső referencia értéke (már amivel összehasonlítja a kimeneti feszültséget) 12V és ehhez jön pluszba a 2-3V. Így a kapcsolás, nem fog értelmesen működni 14V-ról. Nem beszélve arról, hogy a feszültséget nem korlátozza semmi. Javaslom, hogy inkább keress egy Li cellához való komplett rajzot, és azt próbáld megépíteni. (Persze, csak ha nem robbantásra akarod használni a cellát.) üdv! proli007
Ez a töltőelektronika előtti kapcsolás lenne. És a töltőelektronika lekapcsol, ha eléri a 2*4,23V-os cellafeszültséget. Ez is csak azért kell, mivel 1A-nél szeretném meghúzni a felső határt. (Labortápról teszteltem Umax:12V áramgenerátoros üzem 1A-rel. És 8,4V-nál kapcsolta ki a töltést magyarul felugrott 12V-ra és leesett az áram ~0mA-re.) Ezt szeretném megoldani a 7812-esekkel. De ugyebár 1darabot nem szertnék 1A-rel terhelni és azért 14V a bem. fesz, mivel sorosan van kötve az áramgenerátor és ha lekepcsol a töltés, akkor sem megy 14V fölé a kapocsfesz. Ez kicsit összetett, mivel összesen 5 cellát töltök. És van egy komparátor is ami az össz. feszültséget figyeli és jelez ha eléri a (2*14V és az 5V összegét) Magyarul feltöltött. + egy hőmérséklet érzékelő is kerül az akkuba, ami letilt ha 60°C-ok fölé menne a hőmérséklet. És szerintem pedig van értelme áramgenerátornak használni. Én Ni-Cd akkuknak csináltam hozzá hasonló áramgenerátoros töltőt. És az a jó benne, hogy a felső fesz. korlát a bemeneti fesz.-gel szabályozható. (Egyszerű és nagyszerű)
Na összeraktam Tinában, erre kidobta hogy nem tudja elindítani, mert demó.
Már kezdem unni, hogy nincs egy értelmes tervezőprogramom, ami tudná ezeket az alap dolgokat. Eagle-el lehet szimulálni?
Hello!
Értem, csak mint említettem, a 7812-őt nem lehet ebben a kapcsolásban használni, csak ha a tápfeszültség jóval magasabb. Nem beszélve arról, hogy 12W-ot elfűteni elég értelmetlennek tűnik ebből az okból. BZolinak sem sikerült volna kihoznia 2A áramot, ha az R3 értékére nem -3-at írt volna. Csak hogy egy az aksinak, nem negatív a belsőellenállása. Sőt a boltban sem kapni negatív ellenállásokat.. De ha kapható, akkor majd készítek -3Hz-et is. üdv! proli007
Az nem -3ohm, hanem 0,3ohm. Vagyis én úgy terveztem.
Hello!
Idézet: „a 7812-őt nem lehet ebben a kapcsolásban használni,” Idézet: „BZolinak sem sikerült volna kihoznia 2A áramot, ha az R3 értékére nem -3-at írt volna.” Ha nem haragszol, még egyszer nem írom már le.. :no: üdv! proli007
Ok, kösz. Az ellenállás már le van csökkentve, csak a kimenetre párhuzamosan vannak kötve a ledek, nem ártana ha kicsit több lenne az áram, de így is jó.
Hello!
Miért nem kötöd sorba a led-eket, és már is "nagyobb" az áram.. üdv! proli007
Hali!
Megakarok építeni egy effekt pedált, találtam egy viszonylag egyszerűt, proco rat-nek hívják. A gondom csak az, hogy eléggé kezdő vagyok áramkörépítés terén, és nem vagyok biztos benne, hogy lehet még kapni az lm308-as IC-t. Ha nem lehet mivel tudnám helyettesíteni. Nézegettem az lm308 adatlapját, és próbáltam viszonyítani, de ehhez nem értek még. Előre is köszönöm a válaszokat.
Itt nézted már? Ha ez az akkor jó drága.
Bővebben: Link
Ezer köszönet. Ezt kerestem. Hát igen, nem olcsó mulatság, de ha sikerül megépíteni és jól szól, akkor mindent pénzt megér.
Most már késő, kész a nyák. Szóval ha sorba vannak kötve, akkor is elegendő feszültséggel látja el a ledeket?
Sziasztok!
Az lenne a kérdésem, hogy a számitógépen a 9p-es (RS232) femal csati az nem véletlenül monitor csatlakozó?? És még az is érdekelne, hogy azon áramlik olyan adatviszony, mint a nyomtató porton??? üdv szabolcs
Szia!
Ilyen a monitor csatlakozó: VGA csatlakozó És ilyen a soros porti csati: Soros port csatlakozó és a leírása
Üdv!
Az ősöreg számítógépeknél (386?) létezett 9 lábszámú csatlakozó és ezek fekete-fehér színeket tudtak csak megj. Míg a soros port (rs232) az adatok sorban küldi ki, egymás után, addig a párhuzamos port (nyomtató) párhuzamosan, a 8 adatvonalon egyszerre jelennek meg, és tűnnek el az adat.
Meg tudná valaki mondani , hogy a kismegszakítóknál van e jelentősége hogy melyik a bejövő és a kimenő oldal ? Konkrétan tracon kismegszakító.
Ugyan ez a kérdés 3 fázisú FI relénél? |
Bejelentkezés
Hirdetés |




Működik az időzítő, úgy kötöttem be, ahogy írtad, és teljesen jó. Elvileg 12,5percig kellett volna égnie a LEDnek, de kb. 10 és fél perc után kikapcsol. Ez gondolom az Rs fix értéke miatt van. Majd szerintem feljebb viszem 10K-ról... Köszönöm mindenki segítségét! Nagyon hálás vagyok! 

Már kezdem unni, hogy nincs egy értelmes tervezőprogramom, ami tudná ezeket az alap dolgokat. Eagle-el lehet szimulálni?
Vagy 





