Fórum témák
» Több friss téma |
Sziasztok ma készült el a fejhallgató erősitőm tea2025 el azért választottam ezt mert fontos hogy kocsi akuról tudjon menni. Azt vettem észre hogy nagyon nagy az alapzaj még akkor is amikor egy 3300µF os kondi volt a tápban, és torzan szólt. Mitől lehet ez? Jövöhéten megcsinálom az lm 386 os erősítőt is hátha jobb lenne.
Esetleg tudtok valami jobbfélét 12V ra? azért teszek fel egy képet.
Bocsi kihagytam, igen raktam a két bemenetre egy-egy 10k-s ellenállást de sokkal jobb nem lett.
Mindjárt kicserélem amúgy az lm386 hoz melyik kapcsolást használjam mert az adatlapon is több féle van meg nekem jo lenne ha 12V ról járathatnám. Köszi
Hali!
Az R3, R4, R5, R6, R7 -nek így mi a szerepe? Vagy csak nekem furcsa...?
Csak simán csatlakozási pont nem volt kedvem keresgetni vagy talán nincs is olyan saru az eagleben.
Szia ma csinálom meg az lm386 os kapcsolást a téma legelsö kapcsolási rajza alapján. Az lenne a kérdésem hogy csinálhat valami rosszat az hogy én körbeviszem a testet a nyákon ugy ahogy az előző nyákomon? Köszi üdv
Összeraktam az lm 386 os kapcsolást de a 18k helyére 21k raktam mert csak az volt itthon meg smd ic-t használtam szerintem jobb mint a tea2025 de még ennek is sok az alapzaja meg hamar betorzított pedig csak 9V ról járt. Nincs valami másik ic? Vagy tranzisztoros is jo csak 12V ról. teszek egy képet eről is.
Sziasztok!
Megépíteném az FH3-at. A kérdésem az lenne, hogy ha már az integrált hangkariból ugy jön ki a jel, hogy nem valami csúcs minőség, akkor ezen a fejhellgatóerősítő mit javít? Vagy hogy mitől jobb mintha direktbe kapná a jelet a füles? Azon kívül hogy erősíti. köszönöm
Mint ahogy nagyra becsült kolléga említette volt az imént, ezt arra találták ki, hogy jó minőségű műsorforrás, jó minőségű hanganyagát, egy jó minőségű egységgel erősítve, jó minőségű fejhallgatón, kiváló minőségben élvezhesd. Ha valamelyik nem smaffol, lőheted az egészet.
Áhá
Értem köszönöm. Akkor inkább befektetek egy ilyenre Ezek tényleg annyival szebb hangot adnak mint mondják? Ennyire gyenge minőségüek az integrált cuccok?
Sziasztok!
Építettem egy fejhallgató erősítőt gitárhoz, de akármit csinálok, torzít. Lebontottam a problémát a mellékelt kapcsolásra, de ez is torzít. A gitár közvetlenül van rádugva, a végén meg egy 32ohmos fülhallgató lóg. Szerintetek mi lehet a baj? Azt hittem hogy mivel ez a legegyszerűbb kapcsolás a világon, ez nem lehet rossz. Ránéztem szkóppal is, szépen erősít, jól is néz ki a jel, de hallom, hogy torzít. Kipróbáltam több fülhallgatóval is, meg mp3 lejátszót is dugtam rá gitár helyett de úgyse jó...
Szia!
Szerintem azért torzít, mert a 358-as csak kis áramot tud szolgáltatni a kimenetén. Tegyél bele inkább L272-őt.
Szóval csak ez a baj? Akkor teszek bele inkáb TDA7052-t, az olcsóbb. Köszi a segítséget
Sziasztok!
Régóta keresgetek kapcsolásokat aktív fejhallgató elosztóról, de most lett igazán fontos a dolog. Arról lenne pontosan szó, hogy 1 bemenete és 2-3 kimenete lenne, amire fejhallgatókat lehet csatlakoztatni, külön-külön hangerőállítással. (ilyesmi például..) Valaki épített már ilyet? Esetleg megvalósítási tapasztalata ilyenben? Van olyan alapkapcsolás, vagy kapcsolás amiből kiindulva meglehet építeni? Üdv: Peti
Sziasztok!
Olyan fejhallgató erősítőt szeretnék építeni, aminek nem okoz gondot 3-4db 32ohmos fejhallgató meghajtása. A tökéletes hangminőség nem elsődleges szempont, mivel zenekari próbára kell a kütyü (nem stúdióba...), hogy a dobtól is mindent jól lehessen hallani. Láttam a fórumban elég sok kapcsolást, de szeretnék tanácsot kérni, ti melyiket ajánlanátok erre a célra? Valami hasonló megoldásra gondoltam, mint Peti027! Előre is köszi a segítséget!
Üdv mindenkinek!
Van egy kis gond a fejhallgatómmal, letekert hangnál is zavaró súgás hallatszik. Kiderítettem, hogy az erősítő ic alapból ilyen ramaty. Tud esetleg valaki kipróbált, bevált rajzot ami nem súg? A fejhallgató 3V ról jár (drótnélküli). A benne lévő ic adatlapját mellékelem. Előre is köszönöm.
Sziasztok.
Kis segítségre szorulnék. Szóval TPA 6120-ból szeretnék füles erősítőt csinálni. De nem találtam hozzá sehol olyan korrekt kapcsolást ami megfelelt volna. Tehát az lenne a kérdésem,hogy az ajánlott kapcsolást hogyan lehet megváltoztatni úgy,hogy az elejéről levenni a DAC-ot és oda nekem csak analóg bemeneti csati kéne. Azt nem értem,hogy az OPA bemenetekkel: -inA,-inB,-inC,-inD, hogyan kell összehozni mondjuk két RCA dugaljat?
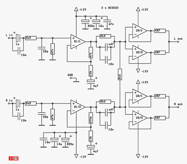
Érdekel a forumtársak véleménye a csatolt fejhallgató erősítővel kapcsolatban. Igen elég bugyuta kérdés ez így, de gondolatok, vélemények valószínű lesznek mindenkinek a kapcsolási rajzról, ezekre vagyok kíváncsi.
Ez a kapcsolás: Bővebben: Link Ahol LED van oda miért LED kell? Egy dióda nem jó? Egyáltalán ott mi a szerepe a LED-nek, csak az, hogy azzal a kevés feszültséggel kevesebbet juttasson a tranzisztor bázisára mint az emitter kapna? Mondjuk ez így biztos sántít, mert az emitternél ugye ott az a 100ohm is.
Q1/Q3 áramgenerátor , egy dióda kevés lenne a LED helyett (kb. 1,7V)
Gyakorlatilag itt a dióda állítja be az áramgenerátort, az meg dönti el az egész nyugalmi áram nagyságát a "végtranzisztorokon"?
Valahogy úgy .. az áramgenerátor a diódákon átfolyó áramot tartja stabilan és a diódák meghatározzák a nyugalmi áramot .
Sziasztok!
Van egy SONY MDR-V900 as típusú fülesem, aminek az adatai itt vannak: Driver units: 50 mm dia.dome type Power handling capacity:3000 mW Impedance: 24 Ωs at 1 kHz Sensitivity: 107dB/mW Frequency range: 5-80,000 Hz Cord: Coiled 1-3 m long single-sided LC-OFC class1 litz cord with a gold plated stereo unimatch plug És én ezt szeretném rákötni erre a kapcsolásra. 8V al akarom hajtani, amit a számítógép tápjáról szedek egy 7508 as sab ic vel. A hangerőt egy 100K os log os potival szeretném szabályozni. A kérdésem, hogy az elgondolásom, és a párosítások szerintetek helyesek e? és ugye biztos nem fogja tönkretenni a fejhallgatót? Esetleg nem lehet hozzá valami védelmet hozzáépíteni, hogy még véletlen se kerülhessen tápfesz a fülesre? nagyon szépen köszönöm: lewi
A 386-nak elég ocsmány hangja van és ha jól emlékszem még zajos is, keress valami jobbat. Ennél még az is sokkal jobb ha pl. egy 5534-et kiegészítesz 2 tranyóval.
Szia!
Esetleg te nem tudnál ajánlani egy másikat? jobbat? ![]() Csak azért mert én nem igazán értek az elektronikához, inkább az utánépítésben tevékenykedem minimális háttértudással. Szóval van esetleg valami ajánlatod? ![]() köszönöm: lewi
Hasonlókra gondoltam némi módosítással. Ki kell próbálni a PC +/- 12V-jával elvileg jó lesz, ha nem akkor kell neki egy külön táp.
Esetleg meg lehet oldani, hogy a számítógépről kapja az áramot az FH3? Kisebb módosításokkal ez is megcsinálható, ugye?
Ja és, azt meg lehet saccolni, hogy mekkora lehet az áramfelvétele az elkészült FH3 nak? Csak, hogy a számítógépem 400W os tápja elviszi, e különösebb megterhelések nélkül? köszi: lewi
Valaki nem tud esetleg segíteni abban, hogy a számítógép +12V jából hogyan tudok +- 12V ot csinálni?
És ha igen, akkor tudna valaki segíteni, hogy hogyan lehetne a VF3 at bekötni hozzá? Eddig itt tartok a panel készítésével.
Hát csúnya lenne, ha egy 400as táp nem vinné el.
Az ATX szabványú tápoknak van -12v kimenete is, az alaplapi csatlakozón. De zajosak ezek a tápok, és a gép is rengeteg zavart termel. Panelt tervezel? Ránézésre ugyanazt tervezed, csak a vonalaid formája más. Bővebben: Link |
Bejelentkezés
Hirdetés |









Ja és, azt meg lehet saccolni, hogy mekkora lehet az áramfelvétele az elkészült FH3 nak? Csak, hogy a számítógépem 400W os tápja elviszi, e különösebb megterhelések nélkül? 




