Fórum témák
» Több friss téma |
- Ez a felület kizárólag, az elektronikában kezdők kérdéseinek van fenntartva és nem elfelejtve, hogy hobbielektronika a fórumunk!
- Ami tehát azt jelenti, hogy a nagymama bevásárlását nem itt beszéljük meg, ill. ez nem üzenőfal! - Kerülendő az olyan kérdés, amit egy másik meglévő (több mint 17000 van), témában kellene kitárgyalni! - És végül büntetés terhe mellett kerülendő az MSN és egyéb szleng, a magyar helyesírás mellőzése, beleértve a mondateleji nagybetűket is!
358 van benne
ne haragudjatok de hosszú napom volt és... tehát akkor a 7-es és a 14-es láb közé tegyem a kondikat vagy,a 7-es lábra kössem a kondit és ezen keresztül a testre, és a 14-es lábra is egyet és ezt a pozitívra? vagy a 12 és a 14 láb között tegyem ezt? jól megkevertetek de, azthiszem én is titeket
Köszönöm a segítő válaszotokat!
Üdv! jocki17 Holnap megírom a fejleményeket, meg egy pár képet
Hello.Hány voltot kell egyenirányítani és pufferelni hogy 65voltot kapjak?Ha jól tudom 1.4 a váltószám?
Pontosabban pufferelve 1,44V. tehát 45V AC-nál lesz 64,8VDC
Ebből még lejön a diódákon eső veszteség, emiatt szoktak 1.4-gyel számolni, viszont terhelve kb 1.3-szeres szorzóval kapod meg az üzemi feszültséget.
Sziasztok!
Egy egyszerű PWM-et keresek, DC motor fordulatszám szabályozásához. kb 30A folyamatos, 60A körüli pillanatnyi áramfelvételt kell bírnia, 12V-on. Ebben a kapcsolásban ha a FET-et olyanra cserélem, ami elbír ekkora áramot, az elegendő? Még annyit hozzátennék, hogy hirtelen kell a motornak indulnia. Ha igaz, amit mondtam, akkor esetleg egy konkrét fet tipust ha javasol valaki, azt is megköszönöm. Köszönöm előre is.
Szia!
Valami ilyesmi határadatokkal rendelkező típus jó lesz.
Sziasztok! A Tina-t hogy lehet bővíteni? A CD4541-es IC nincs benne, pedig nagyon kellene! Ne tudja valaki, hol találok valami bővítményt?
Sziasztok!
Van egy relém, ami eddig 220V-ról ment, de most 48V ra kellene. Tekercse adatai: 5,7Kohm 12,6H 220VAC 50Hz, milyen huzalból hány menetet használjak, hogy 48(50) DC-ről menjen? Olyan kicsi huzal van rajta, hogy a jelenlegi menetszámot lehetetlen megszámolni.
Pedig úgy kell, hogy letekered az egészet és közbe számolod. Ezután kiszámolod, hogy hány menetre hány volt jut. 220V/letekert menetszám és a kapott eredményt megszorzod jelenesetben 48 Volttal. Sokáig fog tartani letekerni lehet jobb lesz ha veszel újat.
Becslésem szerint 38000 menet lehet rajta, ha van kedved megszámolni, akkor szívesen kölcsönadom
Én a menetszámot a gerjesztés kiszámolásához használnám.
Idézet: „Pedig úgy kell, hogy letekered az egészet és közbe számolod. Ezután kiszámolod, hogy hány menetre hány volt jut. 220V/letekert menetszám és a kapott eredményt megszorzod jelenesetben 48 Volttal.” Teljesen helytelen eredmény fog kijönni, tekintve, hogy 220AC-ról kell 48V DC-re méretezni.
Nem olvastam el figyelmesen, hogy AC-ről DC-re. Ez esetben mást nem tudok.
Rémlett, bár sosem volt számoltam vele, hogy van némi útmutatóm.
Rádiótechnikai zsebkönyv:
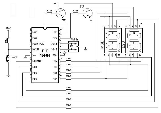
Sziasztok szuksegem lenne a segitsegetekre van egyelrendezesi rajz melyben 7 segmentes kijelzot szeretnek vezerelni csak az a gondom, hogy nem tudom mekkora tranzisztorokat kell teni, mert semm a leirasban semm a rajzon nem tunteti fel.Tudna nekem valaki segiteni?
Sikerült jól megkavarodnom a potenciométerek lineáris illetve logaritmikus típusjelzésében.
Az egyik labortápos cikkben ez áll: Idézet: „Mind a kimeneti feszültséget szabályozó, mind pedig az áramhatárolás beállításáért felelős potenciométerek lineáris karakterisztikájúak legyenek, mert az ún. "logaritmikus" karakterisztikával rendelkező potenciométerek nehézzé teszik a kívánt értékek pontos beállítását. A lineáris karakterisztikára a típusjelzésben "A" betű utal.” Tehát ezek alapján a logaritmikus karakterisztikára a típusjelzésben az A betű utal. A HEStore-ban pedig ilyen típusú potik vannak: Idézet: „POM16 LIN 5K B POM16 LOG 5K A” Tehát itt pedig pont fordítva van. Most melyik a helyes?
Szerintem egyszerű BC548 tranzisztorok megfelelnek
Üdv!
Néztem ezen az oldalon itt a logaritmusos B vel van jelölve.
Hello.Ehhez a kapcsoláshoz milyen műveleti erősítőt ajánlotok.?
Lineáris "A", logaritmikus "B".
Olyan lehetséges hogy a tranyók azért halnak meg mert 10A a 12V?
A táp amiről működne 12v10A.És a tranyók pedig csak 100-200mAesek
Egy LM358 működésében kérném segítségeteket.
A vm1 (3-as láb)ugye a referencia feszültség amihez viszonyítja a vm4 feszültséget(2-es láb).Amennyiben meghaladja a vm1-et a vm4 akkor a kapu billen és az 1-es láb nyitja a tranzisztort és a led kigyulad. Ha kissebb a vm4 mint a vm1 akkor elalszik a led! Remélem helyes az elméletem, ha nem akkor légyszi homályosítsatok fel. Előre is köszi!
Na de az áram felvételt nem a táp határozza meg, hanem az ohm törvény.
Egy áramkör annyi áramot vesz fel az áramforrásból, amennyit igényel.
Ha előtted van egy dugig finomságokkal megterített asztal, akkor nem kell megenned az összes ételt, csak annyit, amennyit kívánsz. Tehát nem a maximálisan 10 ampert leadni képes tápegységtől mennek tönkre a tranzisztoraid. Az optocsatoló ledje fordítva van bekötve! |
Bejelentkezés
Hirdetés |




Én a menetszámot a gerjesztés kiszámolásához használnám.
Véletlenül küldtél rossz linket, vagy tényleg 








