Fórum témák
» Több friss téma |
- Ez a felület kizárólag, az elektronikában kezdők kérdéseinek van fenntartva és nem elfelejtve, hogy hobbielektronika a fórumunk!
- Ami tehát azt jelenti, hogy a nagymama bevásárlását nem itt beszéljük meg, ill. ez nem üzenőfal! - Kerülendő az olyan kérdés, amit egy másik meglévő (több mint 17000 van), témában kellene kitárgyalni! - És végül büntetés terhe mellett kerülendő az MSN és egyéb szleng, a magyar helyesírás mellőzése, beleértve a mondateleji nagybetűket is!
Hello!
Kicsit sántít a számítás.. - A fehér Led nyitófeszültsége, ismereteim szerint 3..3,2V-ra tehető. Így maximum 24V-ra 7db kapcsolható sorba. 3,1V-al számolva, így 21,7V feszültség jön ki. Tehát az előtét ellenállásra 2,3V feszültség jut. (Amit egyébként BZoli kifelejtet) De ez csak akkor lesz igaz, ha a 24V tényleg annyi, tehát stabilizált. Így nem 2*14-es csoportot, hanem 4*7-es csoportot kell képezni. - Így ha a Led áram 20mA, akkor kb. 110ohm-os ellenállás kell, de mind a négy soros ágba. Így már párhuzamosítani lehet a négy ágat. (De ha a táp nem 24V, vagy változik akkor azt, figyelembe kell venni.) - A 4 csoport áramfelvétele, 80mA lesz. Így Zolinak igazat adva, inkább BC639-et használj. - A zéneres stabilizátor, tényleg egyszerű. Leszimuláltam, hogy érthetőbb legyen. Tulajdonképpen a zéner típusát kell kiválasztani (feszültség-teljesítmény) és ehhez kiszámítani az előtét ellenállás értékét. Az 555 tápáram fogyasztása, kb. 10mA. Ehhez jön hozzá, a tranyó bázisáramának terhelése, ami kb. 6mA. Ez összesen 16mA. De maximális terhelésnek 20mA-t választottam. (Ezt modellezi a kapcsolásban a 600ohm-os ellenállás. Tehát a valóságban ez az ellenállás helyett az 555-ös áramkör van) Hogy a zéner stabilizálni is tudjon valamiből, a zéneráramnak minimum 5mA kell hogy legyen. Így az R1 ellenálláson a kettő összege, a 25mA áram folyik át. Az előtét ellenálláson eső feszültség, a tápfeszültség és a zéner feszültség különbsége, azaz 12V. Így már az előtét ellenállás értéke kiszámítható. 12V/25mA=480ohm. Így a sorban közel eső 470ohm-ot választjuk. Az ellenállás teljesítménye P=U*I=12V*25,5mA=306mW tehát már egy 0,6W-os ellenállás is bőven megteszi. A zénerre jutó teljesítmény akkor a legnagyobb, mikor Az NE555 nem terheli (persze ez csak akkor lehet, ha kiveszed az áramkörből) Ilyenkor, az összes 25,5mA áram a zéneren folyik át. Mivel a zéner feszültsége is 12V, a zéner maximális terhelése is 306mW. Tehát már egy 550mW-os zéner is bőben megfelel. A BZX85-ös, pedig 1,3W-os, tehát simán elviseli a teljesítményt. A zénerre, persze szűrésnek egy kondi is dukál. (10..100uF) üdv! proli007
Szia. Proli Mester!
Látom mindig, hogy aktív vagy nagyon ezen a fórumon és sok okos dolgot mondassz. Legyen bármi a feladat azt te megoldod és nem csak leírod mint "mások" hanem körbe írod képletekkel és hogyha valaki ide téved és pont olyan kérdése van amit te már megválaszoltál és részletesen leírtál akkor fel se kell tennie mert amit leírtál abból már tudni is fogja. Én csak remélni tudom, hogy egyszer én is leszek ilyen szinten mint te! Minden tiszteletem a tiéd. Ha valaki a te hsz-ed olvassa abból biztos, hogy ragad rá valami "okosság", nem csak az, hogy forraszd be ide és kész is, ez csak egy példa volna. Csak ennyit szerettem volna. További sok segítő hozzászólást. Üdv. M.Roli.
Az IC-ről RÖVIDEN: LM78XX feszültségstabilizáló IC, az utolsó 2számjegy a kimeneti feszültség: PL: 7805nél 5V a kimenet, vagy a 7812nél 12V... Érdemes figyelni a terhelhetőségére/hűtésére, illetve a maximális bemenő feszültségre.
Ajánlom figyelmedbe pl. az LM317t-s kapcsolásokat. Nézd meg gogliban, hogy mire is tudod használni! Állítható kimenő fesz, persze korlátok közt. Még annyival kiegészíteném, hogy egy LED sorral kevesebb lett véletlenül a rajzban, de nem nagy cucc, csak tenni kell egy 7.ik ágat is bele, és már nem 24, hanem 28LED villog. (A nyitóáramot 3V-nak számoltam, mivel fehér 5mm-es LEDről volt szó.)
Hozzátenném még: Ha pl. van egy bontott LM7805öd, és neked mondjuk LM7812-re lenne szükséged, akkor az IC (GND) föld lábára köss, egy 12Vos zener-t, úgy hogy az anód vége legyen az IC-re kötve! Így a kimenő fesz. 12V lesz. Ja és még, hogy: az IC-n esik feszültség, tehát ha te adsz az LM7805nek 5,5V-ot, attól még a kimeneteén, nem fog megjelenni az 5V. Kb. 1,5V esik ezeken az IC-ken.
Hello.
Ilyen emberektől mint TE, nagyon jól és sokat lehet tanulni!Király vagy Köszönöm Hú de rossz hülyének lenni...
A stabilizátor GND lábával sorba kötött dióda, zener feszültsége hozzáadódik az eredeti stabilizátor feszültségéhez! A zenernek a katódja legyen az IC felé kötve (ekkora feszültségű zenert záróirányba kell bekötni).
Tehát pl. 7805 stabilizátor GND lába és a föld közé kötött 12V-os zener esetén a kimenő feszültség 17V lesz (feltéve, hogy van elegendő bemenő feszültsége persze).
Igazad van! Tudtam, hogy záróirányban kell bekötni, véletlenül felcseréltem a kettőt... Na most szégyellem is magam. Van még mit tanulnom, pl. hogy ne írjak be hülyeségeket! Köszönöm, hogy kijavítottad, amit írtam! Üdv:Zoli
A telefonok miért zavarnak mindent? Mármint, kép, hang jelenségekre gondolok.
Kösz
Mert drága az árnyékolás, szűrés.
Gondolom, zsebtelefont kérdezel. Abban rádióadó is van. Nagyon közel tehető a többi készülékhez. Ha azok árnyékolatlanok, nincs bennük megfelelő zavarszűrés, akkor az elektromágneses tér feszültséget indukál a készülék vezetékeiben. A félvezetők pedig demodulálják. A rádióvevőknek tűrniük kellene, ha a vett jel mellett másik, nagy teljesítményű jel is a bemenetükre jut. Szűréssel és megfelelő félvezetővel és munkaponttal ez jól teljesíthető. Gyakran olcsóbb megoldást választanak. Kézi rádióban hely sincs sok. Nyilván megoldható a zavarásmentesség, hiszen egyik zsebtelefon nem zavarja a másikat, illetve a saját URH műsorvevőjét. Érdekes módon egy középhullámú rádiót ( Szokol ) infravörös távirányító is tud zavarni. Nyilván nem a fény, hanem a távirányítóban folyó áram mágneses tere.
A rádiótelefonok azért zavarnak "mindent" mert azok amiket zavarnak, azoknak a zavartűrő képességük, szelektivitásuk igen gyenge. Pl.: egy hanfrekvenciás erősítőnek mi a bánat köze van egy 900 MHz -es jelhez. A rádiótelefon (CB, PMR, PAMR stb.) működéséhez hozzátartozik, hogy rádiófrekvenciás jelket sugároz, de a HF berendezések működéséhez nem, hogy észlelik ezeket a jeleket. Műsorvevő készülékek zavarásánál legtöbbször nem a szelektivitás, az intermoduláció a probléma, hanem az egyszerű hangfrekvenciás áramkörök zavarérzékenysége. Ez hibás konstrukció, (földhurok, instabil, gerjedékeny áramkörök) megfelelő szűrés hiányának következménye, melyen utólag javítani nagyon nehéz.
Magyarul, tele vagyunk sok gagyival, és sajnos még márkás cikkeknél is előfordul. A forgalomba hozatali engedély megszerzéséhez a berendezéseket ilyen szempontból is vizsgálják, de jellemző, hogy a vizsgált berendezés teljesíti a követelményeket, de az árusított már nem.
Hello.Ha a Be re kötöm az erősítőről a bemenetet és a 3-as láb és a GND közé egy izzót akkor a zene ütemére fog vezérelni?
Ha a V+ 12V akkor a kimeneten is 12V lesz?
MIt jelent egy ellenállásnál az, hogy hány W van mellé írva? És a kondiknál a V?
Természetesen azt,hogy mekkora maximális teljesítményen lehet még biztonságosan üzemeltetni.
Kondenzátornál ugyanez, csak feszültségre vonatkoztatva.
Szia!
Idézet: Igen, 12V lesz a kimeneten is, de nem érdemes terhelni. Ha pl. LEDeket akarsz vele villogtatni, akkor a LEDeket, ne a kimenetre kösd, hanem tegyél a kimenetre egy ellenállást, és vele sorosan egy (mondjuk NPN) tranzisztor Bázisát. Az Emmitert kösd a földre, a Collertorra pedig a LEDeket kösd! Az ellenállás a tranzisztortól függ. Mire szeretnéd használni a kapcsolást? Ezt nézegesd! Vagy itt találsz pár konkrét kapcsolást. (A lap alján tudod letölteni) Üdv „Ha a V+ 12V akkor a kimeneten is 12V lesz?”
Igazad van, csak mostanában a power LEDeken gondolkodok, mert levilágítót csinálok...
Aha.Ezt az 555-tel csak vész szükség esetén építem meg.Mivel van egy kapcsolásom megépítettem de nem jó. :no:
Ha valaki ért a fényorgonához ami olyan hogy hangvezérelt és egy kimenete van az a "Discófények házilagban" ha tudna nekem segíteni azt nagyon megköszönném.Már meg lett építve de nem jó.5*20w 12V os izzők vannak párhuzamosan kötve és egyszerre villannának fel.
Hozzáadsz 10-et, megszorzod 6-tal.
Vagy step-up konvertert használsz. Ha megsúgod mire kell, akkor többet tudunk segíteni.
Egy astabil multivibrátor kimeneti feszültségét, és ha lehet akkor a kimeneti áramát is szeretném növelni.
Üdv!
Az astabil 12 voltról megy. És a kimenő jele 110 Hz 2V kb 10mA De nekem a 2 volt és a 10mA nagyon kevés. Legalább 12 volt és 150 mA kellene. Egy invertert szeretnék készíteni, illetve már készítettem egyet de nem akar indulni az oszcillátor része. És azt szeretném kiváltani ezzel az astabillal.
Szerintem ott közel 12V van, csak ha multival mérted, akkor csak effektívet látsz, szkóp mutatná az igazit. A kimeneti áram meg elvileg 200mA lehet max. ha jól tudom. Amúgy egy tranyóval szinte bármekkorára növelheted a teljesítményét.
Ja és a kitöltési tényező is csak 8% körüli.
A 110 Hz-t a teljesítménytranyók kapcsolgatására
Amikor kész lett, 2X elindult utána semmi!
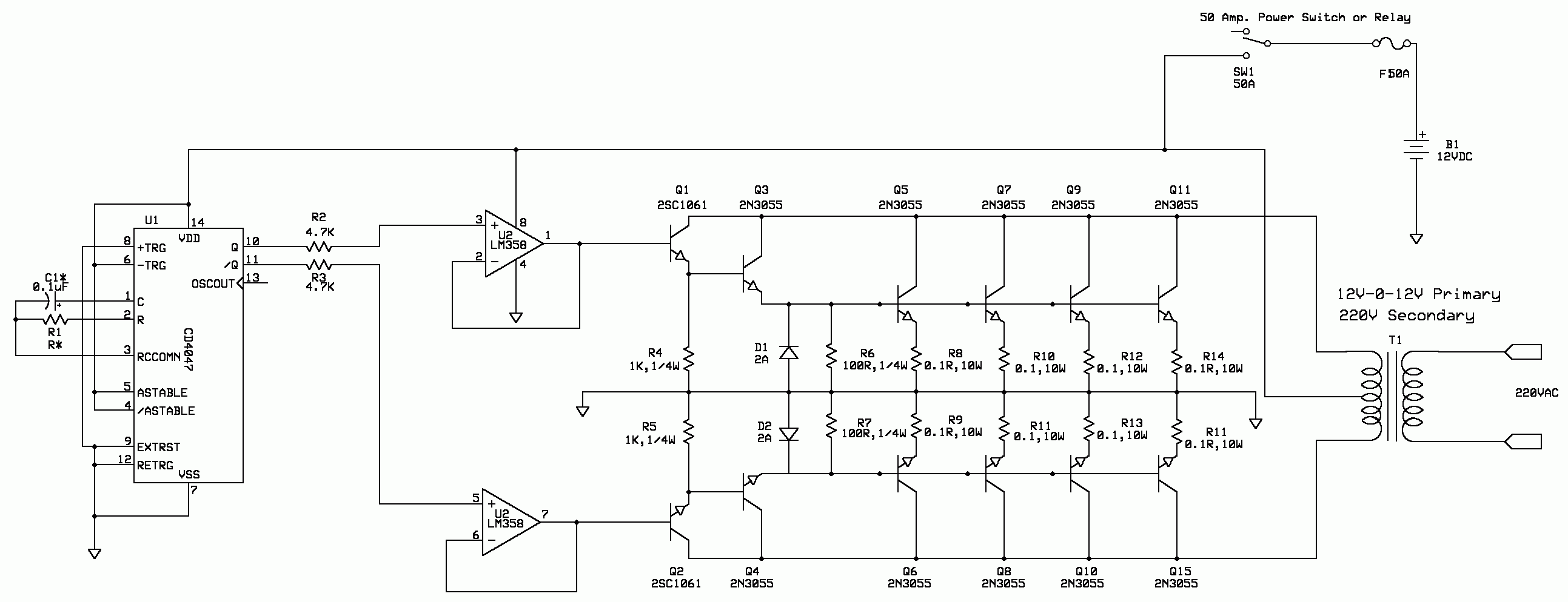
Cserélhettem én az ic-ket sorba, akkor sem. Nem tudom mi lehet szerintem, valamiért instabil az oszcillátor része.Nézzétek meg ezen a kapcsoláson a cd4047 1-3 lába közti elrendezést! (így még nem próbáltam)
Hidegítsd a IC-t egy pár mikrós elkóval 12-14 lábakon. Még egy 100 nanós kerámiát is rakhatsz ugyanoda.
Tipikus hiba... De persze lehet, hogy más is van a háttérben. Bocs, hogy beleszóltam
Üdv!
Kössz a választ, meg fogom próbálni.
Autóakksiról indítom/indítanám.(új)
Az LM jó és a tranyók is Nincs kondi a lábakon, mert a rajzon sincsMit értesz az alatt hogy a táplábain? 7 és 14-es láb?Vagy amit istván ír? |
Bejelentkezés
Hirdetés |





(A nyitóáramot 3V-nak számoltam, mivel fehér 5mm-es LEDről volt szó.)
nagyon jól és sokat lehet tanulni!



mert a rajzon sincs




