Fórum témák
» Több friss téma |
Szervusz.
Kösz a képeket .Igen Így első ránézésre a hangszóró csatlakozók nem ideálisak erre a feladatra .De az amatőr leleményesség az zsigerből jön ![]() ráakasztva a pásztor vezetékeit még így is feltölti a kondidat . Arra a feszültségre mint amikor terhelés nélkül asztalon mérted.Végül is feltöltheti ha kellő idő áll rendelkezésére. Ezért kérdeztem hogy milyen idő közönként csattan . Légyszíves számold meg hogy egy perc alatt hány csattanás van .Én tegnap vettem műanyag oszlopokat .Hétfő-kedd lesz a vezeték ill szalag vásárlás napja .Még utána kell néznem hogy hol lehet kapni .Pestre kell mennem de ezt nem akarom kihagyni a vételből .Hétvégére kb telepítem én is és megosztom az eredményeket. KUTYA pásztornak kellene ,milyet ajánlatok vezetéket vagy szalagot .És hány sort ,milyen közzel kösz és üdv mindenkinek
Hi
Minden esetben a vezetéket használd a kutyához a be tud vágni a szőre közé a szalag az rásimúl a bundájára. A másik dolog A KARÁMVEZETÉKNEK SEMMI KÖZE A KONDI FELTÖLTŐDÉSHEZ a villany pásztor is olyan mint egy óra azt mondja neked TIK TAK TIK TAK a TIK: a feltöltődés.,a TAK:a rásütés amikor a tirisztor nyitva van a kondi a gyt tekercsén töltődik fel amikor zárva van akkor egy pillanatra rövidzár keletkezik és a kondiban tárolt feszültség a gyt tekercsén sül ki így generálva a ngyfesz szikrát
Szia A működésével tisztában vagyok a berendezésnek. Már a másodikat építettem magamnak .Ugyan az mint az első elviekben csak a nyákot variáltam kicsit meg és egyszerűbb lett.De mind a kettővel a tirisztor gyújtását kellet beállítani ez a macerás része a többi azonnal indul
Az én készülékem az 220/12-12/220 tirisztorral a végén és természetesen autó gyújtó trafóval .Még raktam is a trafó pillanatnyi rövidzár védelme érdekében egy ellenállást is be a rajzát csatoltam az előző oldal valamelyikén .A kondi nagyságával fogok játszani 1µF-6µF elsőnek 1µF lesz próbálva . Szalagra gondoltam hogy jobban látható ,mindenkinek . Igaz a vezeték az jobban elvész a semmibe nem olyan látványos de ütni az is üt. ezek a vezetékek mind rozsdamentesek ? Levitamásnak a készüléke pedig az asztalon vezeték nélkül csak a szikraköz van rajta és feltölti neki 250 Voltra Mint az előző hozzászólásokban írta is.Ez tekinthető alap állapotnak és ugyan ezt az értéket méri akkor is ha telepítve van .Tehát a készüléken nem változott semmi . A kondenzátor viszont a 20µF -jával pedig nem kicsi szerintem .Annak már elég kajaknak kellene lenni .
grumimaci
Ez a dióda tényleg nem engedi tönkre menni a tirisztort főleg ,hogy FORDÍTVA rjzoltad be így ez rövidzárlatot okoz helyesen bekötve megvédi de így nem.
Jópárat már én is építettem van vele kapcsolatban tapasztalatom, én 6 ill 3.5 wattos tarfókat használtam a kondik 1-16µF közöttiek de nekem érdekes mód mind egy másodperc alatt tudott maximumra töltődni.
A zsinort meg nem véletlen írtam a szalag nem jó kutyához a zsinorra lehet jelzést (táblát) tenni,viszont a rajzodat azt nem találtam meg. csatolok egy képet ez a mennyiséget szorozd be 15-tel.
Itt a rajz. (#697059)
Én 14 watt-os trafót használok .De a berajzolt ellenállással ami töltő áram korlátozást végez töltéskor .A tirisztor rákapcsolja a kondit de egyben rövidzárba viszi a trafót is .Ekkor pedig a zárlati áramot korlátozza le a trafó normál teljesítményéhez . Így ez a trafó valójában nem 14 Watton ketyeg. Ha korlátozó ellenállás nélkül próbálom akkor azonnal feltölti a kondit 300 Voltra és nem is esik a fesz vissza .Korlátozó ellenállással pedig 270 Volt. A trafó ilyen rövidzárba való rántása nekem nem szimpatikus .Pedig a tapasztalat úgy hallom elbírja .
A trafót nem kell félteni a dióda hidat annál inkább,de hogyha oda olyan 3 Amperes diódákat teszünk akkor az ellenállást sem kell tenni, nem tudom,hogy te mekkora értékű ellent használsz.
Nézd meg mégegyszer, a kondi után van, ott jó úgy. Ha a triak mellé a kondi előtt lenne kötve, akkor kéne fordítva lennie.
Itt a rajz, ha kihagyod a 7,5k ellenállást, sose zár le a tirisztor. Akkora ellenállás kell, hogy a kondi kisütése után elég kicsi legyen az áram a tirisztor felé, hogy le tudjon zárni. Az 555-ös inverteresnél ez nem annyira lényeg, mert az üres kondi amúgyis beterheli, úgyhogy a tirisztor felé nem fog áram folyni egy darabig, de a két trafónál, vagy combosabb inverternél gond lehet.
De ennél a rajznál a kondi előtti dióda szerintem helytelenül van itt a dióda anód lába a pozitív ágba van kötve,de az a 7,5 k ellen kicsit sok mivel szerintem nem engedi elég gyorsan fel tölteni a kondit az 1és 4µF-os kondiknál ez nem lehet akkora gond, de a 4µF felettiekkel már igen mivel az impulzust egy 555 végzi és az nem figyeli a kondi feszültségét és előfordulhat sőt biszti ,hogy olyankor küld jelet a tirisztornak amikor a kondi nincs teljesen feltöltődve így lehet hogy nem is jelenik meg normális szikra,ezért jobb a diakos kapcsolás.
Viszont ennél egy kis ügyességgel és áramkörrel meg lehet oldani azt,hogy amikor az 555 adja az impulzust arra az időre kikapcsolja a töltési folyamatot. Viszont az ilyen 2db-os leválasztó trafós megoldásnál az sem mindegy,hogy a trafók primer oldalát ,hogyan kötjük össze.
Most melyik rajzra is gondolsz? Amit legutóbb linkektem, ott a katód van a tápon a kondi előttinél.
Itt egy kalkulátor ha ide betáplálsz mondjuk 450V-ot tápfesznek, 7,5k ellenállásnál 20uf kondinál pont egy másodperc alá jön ki az ideje, hogy feltöltődjön 449V-ra. Persze jobb lenne a feszültséget figyelni, de pár ciklus után beáll akkor is, ha az első impulzusnál még alig van feltöltve a kondi, de akkor kisül, és a következőnél már újabb 1 sec múlva fel lesz töltve, "szinkronba kerül". A szekunder oldalt kell összekötni, de miért is nem mindegy?
Köszönöm mindenkinek a hozzászólásokat! Megpróbáltam egy 230/10V-os 50VA-es toroiddal és úgy néz ki hogy a kicsi trafó miatt voltak gondjaim. Ma szereztem egy 1A-es dugasztáp trafót, ezzel is kipróbálom. A hangszóró csatlakozó nem saját ötlet, más pásztorokon láttam. Karám nélkül a kicsi trafóval simán áthúzta, de karámmal mint már írtam 1-2mm volt a szikra csupán, viszont a nagyobb trafóval már jó. R1-R2-t potival oldom majd meg. A hangszóró csati helyett milyen megoldást javasoltok?
Dizi: azt a sok pásztort ez a kapcsolás működteti?http://www.hobbielektronika.hu/forum/files/f6/f6161ca65bee1ea77d51d...24.jpg
Mondhatni igen az enyémek is inverteres készülékek,de azonkívül semmi közös vonásuk nincs az itt közöltekkel (közölttel) én már nagyon régóta készítek pásztorokat
jól bevált egyedi tervek alapján.
Jó addig oké, de itt ki beszélt 450 voltos feszültségről eddig mindenkinek csak 250 voltig ment fel a mérce, gondolom te se 555 ic-vel adod a ütemet a tirisztornak. A trafóknak van kezdő és egy befejező szála ha mind kettőnél a kezdőt a kezdővel és végződőt a végződővel kötöd egy kicsivel rosszabb lesz a hatásfok mint ha a végződő szálat kötöd a másik kezdődőjéhez.
A feszültség lényegtelen, 250V-os tápnál is kb. annyi idő alatt tölti fel. Itt most a két trafós megoldásról beszélünk, ahol egy feszültséggenerátor jellegű forrás van, azért kell a soros ellenállás, mert olyankor a tirisztor kisütése után is képes akkora áramot adni, hogy a kondit is töltse, és a tirisztort is nyitva tartsa. Valószínű, hogy kisebb ellenállás is elegendő oda, de 20 µF-nál a 7,5k az még jó. Én is a diac-os megoldást preferálom az egyszerűsége miatt, de az 555-ös is ugyanúgy jó. A diacnál is hosszabb az idő közvetlen a bekapcsolás után, az első szikráig gondolom a tirisztor gate-je nem süti ki teljesen az időzítő kondit, ha már beállt, így aztán rövidebb a periódusidő.
Én pedig azért nem támogatom az 555 jeladást mert a hőmérséklet változás is befolyásolja a időzítés jó párat csináltam ilyen módon de nem igazán vált be.
De az a legnagyobb poén, hogy ebbe a témában van kb tízféle rajz ebből talán használható három. Azt amit te felraktál azt kb 25 oldalon keresztül vesézgetjük és még mindig vannak olyanok akik találnak benne kivetnivalót. ![]()
Sziasztok.
Lenne egy kérdésem. A szerint a kalkulátor szerint amit Cavalier felrakott anno, 16µF-os kondi 330v-ra töltődik fel, az energia 870mJ. Ez gyári szigetelővel és 0.36 ohm/m-es vezetékkel hány métert tudhat? Vagy ezt hogy lehet kiszámolni?
Belinkelnétek azokat amik használhatóak? Remci említi a 0,36Ohm/m-es vezetéket. Ami nekem van annak 2,3Ohm/m az ellenállása. Az 1,94Ohm-on kívül mi a kettő között a különbség. Miért jobb vagy rosszabb az egyik a másiknál.
Nem szeretem az 555-öt én sem, kényes időnként ebben a környezetben.
![]() Az a gond, hogy minimális tudással próbálkoznak építeni, és nem megy a logikus hibakeresés. Részegységenként kell a hibát keresni, de ha nem értik a részek működését, akkor nehéz. És persze, ha nem megy, akkor lehet szidni a rajzot. ![]()
Keress vissza, kifejtettem amikor szóba került pár hete..
Inkább trafófüggő a dolog, de 1-2km-t talán autó gyújtótrafóval. Aljnövényzettől is függ. Inkább próbáld feltolni 400-450V-ra, a motorkondik bírják 600-ig.
Szervusz !
A diac az mennyivel precízebb mint az 555. Azt hiszem semmivel .A diac-ot is bekel állítani hogy mikor vezessen !Ha hamar vezet akkor ugyan úgy nem várja meg hogy a kondi feltöltődjön .Szóval azért mert DIAC nem véd meg a hibás beállítástól. Ebben a felhasználásban viszont nem játszik szerepet az időzítés pontossága nyugodtan szórhat ha véletlen a hőmérsékletre elmászna . Azt hiszem ezt be kell látnod .Az viszont igaz hogy a diac-os kapcsolás egyszerűbb kevesebb alkatrész kell bele De szívesen megnézném -nénk a te kapcsolásodat is . Ha van rá mód .A feltöltő és kisütő ellenállás lehet kisebb akár nulla is mint a te esetedben. Végül is az határozza meg hogy milyen értékű az ellenállás .Ha trafót ha rövídzárba viszi a tirisztor, ne alakuljon ki nagyobb áram mint az normál körülmények között lenne . Ezért limitálja a zárlati áramot . Szerintem elég világos a működése .Azzal hogy megnöveled dióda hidat 3A ra az a kis trafónak ugyan úgy zárlatot jelent .Egyébként megvettem a vezetéket ma . Mint azt javasoltad vezeték lett végül is nem szalag. üdv
Az a baj ,hogy az 555 nagyon érzékeny ugyan úgy a pillanatnyi rövidzár haza vághatja mint a diódákat,pedig legyártottam egy pár olcsó gagyit de olyannal nem találkoztam,hogy a kis trafó ment volna tönkre,de viszont olyannal igen amiből 1 liter vizet öntöttem ki.
A diakos vezérlést igen nehéz hazaverni és az mellett,hogy egyszerű nagyon megbízható még mostoha körülmények között is,nem hiába alkalmazzák nagyon sok gyári készülékben. Nem kell félni, fogok feltenni olyan rajzokat amiknek csak a prototípusa készült el szalagra nem került sosem. A bevált rajzomat majd akkor felteszem ha majd Cavalier is felteszi az ő rajzát. ![]() ![]() ![]()
Szerintem nem az 555 hibája a freki elmászása, hanem az időzítőkondié.
Egy normális pásztornál szerintem ki kellene küszöbölni a felesleges energiapazarlást is, a tirisztor gyújtási idejére a töltőtrafót ki kellene kapcsolni. Inverteres megoldásoknál ez könnyebb, de 50Hz-s üzemnél sem lehetetlen.
hy!
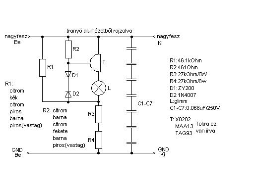
Na ehhez mit szóltok?Ez egy gyári villanypásztor kimenetén volt.Ha be volt kötve, nagyobb szikrát adott.Valamiféle illesztés?Hálózati pásztor eredeti trafója meghalt. Helyette (leválasztótrafóval) gyújtótrafót raktam.Ezzel a "cuccal" akkora volt a szikra, hogy vakított 1,5cm-en.Ezért levettem róla. Viszont az inverteresre ráakasztottam(12V-osra), még szikra sem jött(1mm volt).Mivel a tranyót nem ismerem, nem ismerem a lábkiosztását sem.Azért ilyen a rajzon.Kicsit botikarajz, de átlátható. hegusp
Ebbe egy kisteljesitményű tirisztor van.
Elvileg a túlzott nagyfesz megakadályozását szolgálja.
Íme ez egy olyan rajz amiben sajnos két darab NE555 van
a különlegessége ,hogy a rövidzár pillanatában kikapcsolja az invertert. Ez sem került gyártósorra. :no:
hy!
Ha rajta van , akkor ütősebb.Pont fordítva.Tirisztor? Mármint a gyári cuccban?Az lehet. hegusp
Ez az áramkör figyeli a vezetéket mondhatni,ha a vezetékkel minden rendben van akkor a gllimm villog ahogy a nagyfesz megjelenik de ha ez elalszik nem mutat semmit akkor a vezetékben szakadás van és a földbe megy a kraft.
|
Bejelentkezés
Hirdetés |