Fórum témák
» Több friss téma |
Nagyteljesitményű micsoda???
Mert ha motor fordulatszám szabájzó,akkor itt biztosan találsz segitőt. Miután átolvastad a fórumot és tényleg belekezdesz a megépitésbe mindenképp beszéljük át az igényeket és a felhasználási területet.Ez részemröl csak puszta kiváncsiság. Viszont ami nagyon érdekelne az az egy zsák kondi kétkupac fet és egykupac dióda elrendezése.Az enyém nem sikerült a leg előnyösebbre.Katt-nak volt egy pár jó ötlete hogyan is lehetne megoldani a legjobb elrendezésben és nekem született is egy majdnem kész terv,de mivel bevált a régi is ezért nem épitettem át. Szóval érdekelne hogy te hogy oldod meg és mennyire lessz életképes a végeredmény.
Szia.
Egy jóhirem van.Lassan de alakul a kisautó és szerintem egész igényes lessz a szerelés a végére. Rosszhirböl van több is.A HQ-bol még nem jöttek meg a cuccok ezért az elektronikai része még áll.(az LF ic miatt késnek ennyit) A másik hogy formázgatom az akksikat és elég rossz eredményeket kapok.Az elöl lévő két akksi az elég gatya állapotban van.Az egyik valószinűleg kuka mert kivan púposodva az egyik cella és nemsok energia fér bele.Régebben erre a két akksira volt rákötve a motor gerjesztése és erre még rájött az áramkorlát nélküli kocsikázás.Szóval a 8-bol minimum 1-et sikerült kinyirnom.Ezt nevezik tanulóakksinak.De elvileg jövőhéten lessz hejette ugyan ilyen tipusú. Napi egy akksit tudok feltölteni,ugyhogy eltart még egy darabig de ha megvan felteszem a diagramokat az eredményekröl. Van kérdésem is.A VMK vezérlésével van megint egy kis bajom.Sajnos a gyujtáskapcsoló bekötését nemlehet úgy csinálni hogy összezárjam a gyujtáskapcsoló két vezetékével a fetet.Van három szál vezeték.Piros,(bemenet)kék-sárga (kimenet).Ha gyujtásra teszem akkor a pirosat zárja a sárgával.Ha továbbforditom öninditózásra akkor a pirosat összezárja a sárgával és a kékkel is. Tehát a pirosra kötöm a pozitivat a sárgára a +12V-vezérlés-VMK tápokat.És igy öninditózásnál a kékre is kikerül a 48V. Át lehet a VMK vezérlését úgy alakitani hogy 48V-ra ne korlátozza az áramot?Vagy egyszerűen tegyek bele egy kis relét ami összezárja a fet lábát? Csak a baj van ezzel a VMK-val,de remélem működni fog.
Szia!
Tehát, a gyújtáskapcsoló olyan mint egy rendes autóban? Hogy amikor az utolsó állásba tekered, akkor a pirosat, meg a kéket, meg a sárgát összezárja, de csak addig, amíg abban az állásban van? Ha elengeded a kulcsot, akkor magától visszaugrik? Ha igen, akkor meg lehet csinálni relé nélkül is, de ehhez a VMK áramgenerátorát meg kell fordítani, vagyis a VMK-nak a GND-n ( -48 V ) kell lennie. Tehát "P" csatornás FET kell bele és amikor a kék vezeték kap feszültséget, az közvetlenül ad feszültséget a VMK-nak. Tehát, a kék vezeték közvetlenül a mágneskapcsolóra van kötve. Viszont, ha a gyujtáskapcsoló nem rugós, tehát nem ugrik vissza az utolsó állásból az előbbibe, akkor nem jó, mert ha úgy marad, akkor a VMK zabálni fogja az áramot... Ha már kész van a VMK áramgenerátora, akkor egy kis relével meg lehet csinálni ugyanezt. A szélvédőt itt nézd meg: Saint-Gobain Autover Hungária kft 1044 Bp. Garam u. 3. ( Egy Baumax mellett van, a Váci útról kell bemenni.) Tel:+36 1 250 0689 Email: rendeles@saint-gobain.com
Igen,a gyujtáskapcsoló olyan mint egy rendes autóban.
A P fetre én is gondoltam de még meg sem próbáltam átrajzolni multisimben.Majd megpróbálom. Köszi a cimet,még nem találkoztam vele.Holnap hivom is őket.
Szia.
Átrajzoltam P-fet el az áramgenerátort,de nemakar rendesen működni. Rákukkantanál nekem?Mert én aztán két hétig is elszórakoznék a paramáterek csavargatásával. És ha nem volna gond rárajzolnád a 14V-os segédtápot?. Megjöttek a cuccok és gyorsan összeakarom dobni. Köszönöm.
Jó a rajz, csak a szimulátor kissé kényes, úgyhogy máshogy kellett beállítani. ( lelke van és az néha elég rosszindulatú... )
Most kb 400 mA áram fog folyni a VMK-n, lehet, hogy még ez is sok lesz, akkor növeld meg az 1,5 ohmos áramfigyelő ellenállást. Ez a tranyó amit kinéztél nem lesz jó, legalább 100 V-os legyen és nem volna baj, ha tennél egy 65...80 V-os túlfeszlevezetőt a tranyó drain-source elektródái közé. Az a baj, hogy a gyujtáskapcsolónak hosszú lesz a drótja, így nagy lesz az induktivitása, ( ugye ennek az utolsó állása megy a FET drainre, ez teszi rá direktbe a 48 V-ot a VMK-ra ) és amikor visszaengeded a kapcsolót, hát akkor megszakad az áram és nem vagyok benne biztos, hogy a túlfeszültség nem vágja agyon a FET-et. Még az is lehet probléma, hogy a gyujtáskapcsoló szikrázni fog, hiszen nem 12 V-ot kapcsol, hanem 48-at. Szóval ezt nagyon meg kell nézni, ha ivet akar húzni, hát akkor lehet gondolkodni, hogy mi legyen... Tehát, ez az áramgenerátor a gyujtáskapcsoló középső állásában, a többi táppal együtt kapja meg a tápfeszt. Nem kell neki 14 V-os segédtáp, odarajzoltam egy ilyen zeneres izét, jó lesz az. Arra azoban vigyázz, hogy a zener melletti kondi ne legyen túl nagy, mert az a baj, hogy amikor megkapja a feszt, ez az egész azonnal el akar indulni. Ekkor viszont még nincs meg a 12 V-os tápfesz a FET meghajtóján, tehát a FET nem fog kapni egy kis ideig 12 V-nyi gatemeghajtást, tehát analóg üzemben fog menni. Ez nem olyan nagy baj, mert egyrészt ez az idő rövid ( ezért ne legyen nagy ez a kondi ) másrészt nem olyan nagy az áram. A 12 V-os tápfesz feléledését látod a szimuláció eredményében a kék sugáron. ( ugye, a szimulátor mindent a groundhoz képest mér és mutat, tehát, ez nem 12 V lesz, hanem 36V. Lehet látni, hogy a bekapcsolás után lassan csökken ez az érték a 48 V-ról a 36-ra. Nem gyorsan kell összedobni, hanem precízen! A kettő között fél óra különbség van... :yes:
Köszönöm szépen.
Ez igy sokkal gyorsabb és több időm marad perecizen összedobni. Már én is töprengtem azon hogy mi fog tönkremenni ha rövidrezárom a fetet.(pontosabban a drain lábára adok 48V-ot) Elősször is teszek egy ellenállást (5W) a gyujtáskapcsolóval sorban mert nem kell a behúzáshoz 48V.(állat mód beránt)Elég neki a fele is hogy biztos maradjon a berántás. A túlfeszlevezetőt snubbernak hivják?Mert én arra gondoltam.Egy RC tag a D-S között.Azt nemtudom mi alapján méretezzem de szerintem egy 200ohm-10nF megfelelne. A fetet csak bedobtam a szimulátorba de most jövök rá hogy csak 60V-os P-fetem van. Nagyon kiváncsi vagyok hogy fog szuperálni.Remélem elsőre indul.
Hát, azt hogy mi a neve inkább hagyjuk... én jobb szeretem, ha lerajzolják, vagy körülírják, hogy mire gondolnak.
Jó lehet az RC is, csak az R-rel tegyél párhuzamosan egy diódát ( 1 A 200 V ), úgy, hogy az anód a +48 V felé nézzen. A 200 ohm inkább csak 10 legyen. Mondjuk 5 W-os. Ez rendes üzemben melegedni fog, valószínű csak kicsit, mert a FET kis frekvenciával kapcsol. Azért jobb lenne a szupresszor...
Sikerült elsőre beüzemelni a ketyerét és még működik is.
1-2 apróságot leszámitva 100%-osan. Bekapcsoltam,lenyomtam a VMK-t és bent is maradt. A snubber dolog nemigazán működik mert furcsa hangokat ad ki valami.(valószinű a tekercs) 1N4003 diódát tettem a 10ohm-os mellé mert ez volt itthon.Ezért kivettem belőle a snubbert és úgy kapcsoltam rá a tekercsre elösször csak 24V-ot.Beránt-ugymarad és nem száll el semmi.A 48V-ot rá sem akarom tenni a tekercsre előtétellenállás nélkül.De olyat még be kell szereznem. Shöntnek 1.2ohm 2W-ost tettem be és nem is melegedett amig rá nem kapcsoltam a behúzáshoz a 24V-ot.Akkor viszont egy pillanat alatt elkezdett füstölni.Tehát amig a berántásnál rajtavan a tekercsen a 24V (1-max 2s) azidő alatt igen megizzad.Majd cserélnem kell egy 5W-osra,mert arrol nemég le a festék. Fetnek IRF9640 et sikerült beszereznem.11A 200V.Egy kis bordát kellett rátennem mert idővel elégge felmelegedett.Érdemes volna ránézni szkóppal a gate-re hogyan néz ki a vezérlőjel?Nem e tulságosan analóg módban üzemel?Vagy a 0.5ohm-os csatornaellenállás a sok és cserélni kellene? Köszönöm szépen az ismételt segitségedet. Ismét közelebb kerültem a végcélomhoz. Gulyi88 te itt vagy még?Rég hallottam felőled.
Örülök, hogy megy a szerkezet. Ezt a snubber dolgot nem értem, annyit csinálhatna, hogy melegszik a 10 ohmos ellenállás, mást szkóp nélkül nem vehetnél észre.
Hát, valószínű, hogy vastag drótból tekerted át a VMK behúzótekercsét, ezért kevés menet fért rá, aminek kicsi az ohmos ellenállása, ezért aztán baromi nagy lehet az áram a behúzásnál. Igen, kössél elé egy akkora ellenállást, amivel még biztonságosan be tud húzni. De ezt az ellenállást azzal a dróttal kösd sorba, ami a gyujtáskapcsoló utolsó állásáról jön, különben ha benne van a körben, akkor az áramgenerátor árama azon is átfolyik és feleslegesen melegíti. Az volna jó, ha lenne a VMK-n egy felesleges, alaphelyzetben zárt segédérintkező. Ugyanis, ezt sorba lehetne kötni az előbbi ellenállással, így el lehetne érni azt, hogy a FET csak addig van rövidrezárva, amíg a VMK be nem húz! Ezután ez a segédérintkező megszakítja azt a drótot, ahol a VMK direktbe kapja a48 V-ot. Esetleg azt is kipróbálhatod, hogy fogsz egy ezer µF körüli kondit, párhuzamosan kötsz vele egy ellenállást. Ezt az egészet sorba bekötöd a gyújtáskapcsoló utolsó állásához menő dróttal. Ez úgy fog működni, hogy amikor indítanád a VMK-t, ez a kondi töltetlen, tehát elkezd rajta folyni az áram. Ennek nagysága az első pillanatban csak a feszültségtől, meg a tekercs ellenállásától függ. Tehát, a VMK elkezd meghúzni, közben meg töltődik fel a kondi. Ha elég nagy a kondi, akkor késöbb fog teljesen feltöltődni, mint ahogy meghúzott a VMK. Ez azért lenne jó, mert akkor akármeddig lehet " önindítózni", csak addig folyna nagy áram, míg fel nem töltődik a kondi. Az ellenállás azért kell az elkóval párhuzamosan, hogy legyen ami kisüti a kondit, ha a gyujtáskapcsoló normál helyzetben van. ( vagy ki van kapcsolva teljesen ) Nem biztos, hogy elég 1000 uF, lehet, hogy sokkal több kell. Ez függ a tekercs ellenállásától, meg a behúzási időtől, szóval, ezt kisérletezni kell. Az ellenállás meg akkora legyen, hogy mondjuk 5...10 s alatt kisüsse a kondit. Azért azt tudni kell, hogy ez idő alatt nem lehet újra behúzatni a VMK-t, mert a töltött kondin nem fog elég áram folyni, tehát nem húz be a VMK. Nem hiszem, hogy ez baj lenne, mert egy villanymotor nem olyan, mint egy benzines, tehát, ez nem fog lefulladni, vagyis nem kell azonnal újraindítani, ha esetleg nem sikerült a repülőstart a piros lámpánál... Ez az egész arra menne ki, hogy ne lehessen túl sok ideig "önindítózni". Azt azért nézd meg, hogy az 1,2 ohmmal nem akar e nagyon melegedni a VMK tekercse. Gyanítom, hogy a behúzva tartáshoz kisebb áram is elég. Jó az IRF9640-es. Nem szabadna csak nagyon kicsit melegednie. Ennek ellenére nem baj, ha van egy kis hűtőborda rajta, legalább nem a lábai tartják a tranyót egy olyan helyen, ahol rázkódásnak van kitéve. Mindenképpen meg kellene nézni szkóppal, hogy milyen jelek vannak. A szimulátorban nézd meg, hogy hol, mit kellene látni. Túl nagy eltérések nem lehetnek. Nézd meg a gate jelet, négyszögnek kellene lennie. ha mégsem az, akkor gáz van... vagyis, hibakeresés. Analóg üzemben csak az első pillanatban lehet, az nem mérvadó. Egyébként, hallanod kellene, hogy megy az áramgenerátor, mert alacsony frekin megy, mivel nagy a VMK induktivitása. Tehát, egy ketyegésszerű hangot kellene a tekercselésnek adnia. De jobb, ha megnézed a feszt szkóppal a drain-en.
A tekercset vékony drótbol tekertem és sok menet ment rá.Pontos adatokra már nem emlékszem de többszáz menetröl van szó.És nem melegszik.Még a 24V-tol sem jelentős.Behúzott állapotban zizegést hallani a tekercs felöl,de szerintem ez természetes.
Mikor ráteszem a 24V-ot a berántáshoz akkor a vezeték nem szikrázik mikor a pólushoz érintem.(még csak asztalon van összedobva) Ez nem olyan rossz dolog. A segédérintkezős dologra már én is gondoltam,de kifogom próbálni a kondis megoldást is.És a jobb lessz a végleges. Szkópügyben még nincs előrelépés anyagi megfontolásbol de talán egy hónap mulva lessz rá keret.Ha véletlenül hallanál valami jó kis nekem való szkóprol akkor megköszönném ha gondolnál rám.Addig is marad a régi csöves. Az egész elektronikáját a VMK tekercse elé akarom beszerelni az ablakba.(a multkor belinkelt képen látszik hogy hová) Remélem a tekercs ilyen közelsége nemfogja megzavarni az egészet. Igy már egész szimpatikussá vált a VMK.Hasznosnak bizonyul és szinte nem is fogyaszt.Talán még a gyáriakat is lepipálja. Köszi mégegyszer. Ideje volna már leinni.?
Mikor készül majd a teljes hidas előre hátra üzemű meghajtás visszatáplálással?
ÁÁÁÁÁ Cimopata.
Fölöslegesen bonyolitanád.Elég egy félhid is,az irányváltást pedig egy mágneskapcsoló végezné. Persze a vezérlésbe minimum egy tempomat illik,sebesség és gázálláshoz tartozó nyamatékszabájzással. A viccet félretéve,lehet érdemes volna idővel összedobni asztalon kicsiben. A végleges verziónak nevet adni,levédetni,jópénzért árulni,hátradőlni és dőzsizni a rengeteg lóvébol.
Az irányváltáshoz mágneskapcsoló sem kellene. Ahhoz kellene egy teljes híd és a gerjesztőtekercs polaritását változtatná meg.. Mindjárt nyomatékszabályozást is tudna. meg egyebeket.
Az üzleti része már nekem is eszembe jutott... de nem hiszem, hogy sokan akarnának ilyet venni, úgyhogy nem éri meg a kifejlesztése. Majd ha a negyedébe kerülnek az akksik...
Tisztelem és becsülöm a munkádat. Figyelem a dolgok alakulását.
Az üzleti dolgok tekintetében vannak kétségeim. Katt-nak igaza van, hogy az akkumulátor árak határozzák meg egy elektromos járgány költségeit. Vezérlők és egyébb kiegészítők kb. 100.000 Ft-ból készen megkaphatók. Vezérlés - 48V 400 A kb. 60.000 Ft Pedál (hall) 15.000 Ft Programozó adapter 6.000 Ft Irányváltó kapcsoló kb. 25.000 Ft Ez mind készen (gyári profi kialakításban ) ! Nem hiszem, hogy háztájiban ez ennyiből kihozható. Majd küldök róla képeket (amennyiben érdekel ). Üdv Mgy
Kiváncsivá teszel. Várjuk a képeket, vagy a linket.
Mellékelem a képeket és rajzokat.
Ez egy billenőplatós teherautó és egy hidraulikát is kell kapcsolni.
A balkanfoto2.jpg-t megpróbálom nagyobb méretben elküldeni.
Bár 48V 400A, de ugyanúgy 1 negyedes hajtás mint rozsdáé.
Én szerintem, ha rozsda most kezdené az építkezést már meglevő kapcsolás alapján nem hiszem hogy 10-15e-nél többe kerülne. A doboz méretén látszik, hogy olyan sok mindent azért az sem tartalmaz. Persze a mikrokontrolleres vezérlés nagy előny, de a célnak egy analóg cucc is megfelel. Ezzel nem azt mondom, hogy gagyi! Jó árfekvésű, belépő szintű motorvezérlő. Akinek nincsen ideje, hozzáértése, .... annak nem érdemes kínlódni házi körülmények között kísérletezgetni. Egy olyan vezérlő amiket villanyautókban is használnak n*100e Ft nál kezdődik. Valljuk be, mi magyaroknak a vérünkben van abból nagyot alkotni ami a "fiókban" van.
Igen, hát egy ipari szerkezet azért teljesen más.
Mondjuk nagyon kiváncsi lennék a 99 %-os hatásfokra... 20 kHz-en? A rozsdáé biztosan tudja ezt, mondjuk 200 A körül, de az sokkal kisebb frekvencián megy, tehát nagyon kicsi a kapcsolási veszteségek átlaga, meg annyi FET van benne, hogy nagyon kicsi lehet a csatornaellenállás, tehát, a vezetési veszteség is. Nem hiszem, hogy egy gyári cuccba ennyi FET-et betesznek. Akkor nem ennyibe kerülne, még akkor sem, ha olcsó ( nekik ) egy FET. Ez a Kelly igaz, hogy tud 400 A-t, egy percig. Utánna olyan meleg lesz, hogy kikapcsolja a hővédelem. Különben meg csak 160 A-es... És ha egy hegyre kell felmenni? Akkor bizony kell a nagy áram, és valószínű, sokkal tovább, mint egy perc. Meg az akksik áramára is kiváncsi lennék. Nem hiszem, hogy elég sima lenne, egyszerűen ebben a dobozban nem fér el elég kondi... Szerintem szép példája ez annak, hogyan lehet valamiből a legtöbb dolgot kispórolni. Vagy fogalmazhatunk úgy is, hogy ez elég egy targoncába, de egy autó teljesen más világ. Egyébként, 60 ezres árért simán lehetne csinálni olyat, ami még visszatáplálni is tud, mondjuk 600 A-es és nincsenek ilyen gondjai, hogy 50 fokos házhőmérsékletnél megáll. Persze, ehhez legalább egy 30 db-os megrendelés kellene. Az meg azért nem lesz , mert az akksik irreálisan drágák. Tehát, marad az álmodozás, meg a környezetszennyezés... Csak halkan írom le, hogy nagyon kevés elektronikai berendezés van, amitől nem lehet sokkal jobbat csinálni a konyhaasztal sarkán... Az egy másik kérdés, hogy esetleg sokkal drágább lesz... de ez hobbi. Tehát, élvezet. Nem kell bedőlni a gyári portékáknak, azok lehet hogy nagyon ki vannak találva, meg nagyon dizájnosak, de azokba is nagyon sok energiát, munkát feketettek, hogy az ilyen egyszerű, meg "olcsó" legyen. És a gyárak sem állnak neki mindent kifejleszteni, mert a fejlesztési költségek iszonyú magasak. Ha valamiből csak néhány darab kell, már nem éri meg nekik, még akkor sem, ha iszonyatos pénzeket kérhetnek el.
"...a vérünkben van abból nagyot alkotni ami a "fiókban" van."
Ettől szép az egész!
Mind igaz amit írtatok (katt és cimopata).
Jelenleg a 48V 400A -es 239 $. A tartós terhelhetősége igaz hogy 160 A, de az 7.6 kW papíron. Egy 500 A-est ( tartósan 200) próbáltam Fertőrákoson egy 21 személyes buszon. Az emlkedőknél nem mondom, hogy száguldozott, de óvatasan figyelve az Ampermérőt el lehetett vele döcögni. Aki egy elektromos járgánynál 6.3 kW-os motornál nagyobbat szeretne, annak sok pénze lehet akkumulátorokra. Aki a FET-es teljesítményvezérlésekben nem annyira profi, annak egy ilyen vezérlő szerintem megfelelő. Nem reklámozom én ezt a Kelly-t és rozsdát meg a többi autóépítőt sem bántom (sőt értékelem), de az én lehetőségeim között ez látszott a legjobbnak. A kütyürében mi van pontosan benne (kiöntve), pontosan nem tudom, de tetszik, hogy egy laptopról rengeteg paramétert beállíthatok és igazodhatok a motorhoz. Egy hasonló vezérlő megépítéséhez sok szakmai tapasztalat, tudás és megszállottság kell. H-hidas hajtás szerintem felesleges, mert egy írányváltó mágneskapcsoló megoldja a problémát. A 99%-os hatásfokra csak egy ötletem van. pl. 200 Amper környékén egy mágneskapcsolóval áthidalom a FET-es vezérlőt, így közvetlenül az aksikra kapcsolnám a motort. Lehet, hogy hülyeség, de várnám a hozzáértők véleményét.
Szia.
A gyári vezérlő nemfeltétlen olcsóbb a házinál.A gyári laptopra dugható.Ez olyan modern dolog,de szerintem egy házinak nem kell tudnia.Előnye viszont hogy gyorsan belehet hangolni az adott motorhoz. A házi nagyon nagy hátránya hogy iszonyat sok munka kell az elkészitéséhez és nem is lessz olyan dizájnos mint a gyári,de szerintem jobban működhet mert a hobbista a vezérlőét az adott motorhoz tervezi és ahoz tökélletes. Mikor eldöntöttem hogy nekem kell egy Ekocsi,nem volt szivem kiadni vezérlőre 60-80e forintot.Inkább ráköltöttem a házira 100E-ret. Ha most kéne mégegyet csinálni akkor a feléböl kijönne és mivel ez hobbi,nem toldanám meg 20e-rel és vennék gyárit.Viszont a következő darab minden tekintetben tökélletesebb lenne az elsőtöl.(erre az egy motorra)Van aki két hónap alatt összedobja az Ekocsit gyári cuccokbol.Ez gyors,célravezető és tökélletes megoldás. Én a bonyolultabb utat választottam mert MAGYAR vagyok és nem az anyagi haszonszerzés volt a célom. Persze ha valaki bekopogna hogy csináljak neki egy Ejárgányt akkor én is a gyári megoldást választanám.Mert az már haszonszerzés és az nem minősül hobbinak. Egy pár technikai adatot irhatnál az akksikrol,töltésröl,töltéskiegyenlitésröl,hatóvávrol,stb...Engem kifejezetten érdekel.
Persze, át lehet hidalni egy mágneskapcsolóval, de akkor az a baj, hogy nem lesz áramkorlát. Tehát, akármi történik, a motor árama annyi lesz, ami a csövön kifér. A másik, meg hogy mi vezérli ezt a mágneskapcsolót? A gázpedál teljesen lenyomott állapota? Hegymenetnél ez megint nem jó, mert ott nagy teljesítmény kellene, tehát, már eleve a maximális árammal megy a motor, amit a szabályozó megenged. Ha ilyenkor áthidalod a vezérlőt, akkor annyi áram fog kifolyni, hogy az biztos nem lesz egy szerencsés dolog. Szóval, ezen gondolkozni kell.
Az egész vezérlést egy mikrovezérlővel kezelném le.
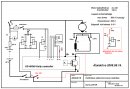
Részben már elkészült (igaz targoncára). A kezelőszervek bemenetekre mennek, a mágneskapcsolókat pedig kimenetek kezelik. Egy LCD-s kijelző AKKU feszültséget, üzemórát és egyéb tájékoztató funkciókkat biztosít. Az áramot a motorkábelen eső feszültséggel figyelhetem. A pedál állapotát a kijövő 0-5 Voltot is rávinném egy AD bementre. Az általad említett áramkorlátozások és a pedálállapotok FULL gáz estén is kezelhetőek. Egyéb indítási , irányváltási , kezelési és más mérési feladatok is lekezelhetőek. Kerékfordulat jeladó is beépíthető és sok gyakorlati próbálkozás után finomítható az egész vezérlés. Lehet, hogy ágyúval lövök verébre, de egy 500 Ft körüli 16f887-et nem luxus beépíteni. Kb. a melléklet szerinti kialakításban gondolkodom, mely mint említettem, részfunkciókkal megvalósult.
Hát nem semmi. Sajnos, csak gyönyörködni, meg irigykedni tudok... Az én világomból már kimarad a mikrovezérlő, meg az ilyen apró izék. Ezek sosem érdekeltek, bár kétségtelen, hogy nagyon sok mindent meg lehet velük valósítani. ( a rossznyelvek szerint még azt is amire semmi szükség... tudnám sorolni pl: a szünetmentesek területéről... a cégek informatikusai nagyon szeretik nyomkodni a gombokat... )
Ha megtalálod az összefüggéseket az egyes mért, érzékelt jellemzők között, akkor már tényleg csak szoftver kérdése mindent leképezni... De azért felmerül a kérdés: muszáj ezt így elbonyolítani? Tudom, neked egyszerű lesz. Persze csak utólag... Utólag minden egyszerű, különösen, ha már megmutatták hogy kell... ez megint a hobbi szint, az ember magának megcsinál minden olyat is, amire valójában semmi szüksége. Persze, erre csak utólag jön rá. Viszont nagyon sokat tanul belőle. És ez jó! Meg az is lehet, hogy pénzzé tudod tenni targoncavezérlés címszó alatt az eredményeidet. Meg kell próbálni... ( de azért gondolom te is tudod, hogy ez csak nagyon kis részben függ attól, hogy milyen tulajdonságokkal bír a vezérlőd... a nagyobb rész valami egész más(ok)tól függ...)
Kösz az elismerésedet. Én meg a más területekbe belemélyedt profik és hobbisták tudását és eredményeit irigylem. Hozzászólásaid alapján a motorvezérlésekben szerzett tapasztalataidat meg én irigylem ( pozitív értelemben).
A mai világban egy kávéfözöt nem lehet úgy venni, hogy ne legyen benne egy mikrovezérlő. A játékbolt polcain sorakozó kütyürék is mikrovezérlővel működnek. Ezért folytam bele valamilyen szinten a PIC-kek gyakorlati alkalmazásában. ( Ott is "irigylem" a profik nagyobb tudását). Maga a vezérlő és kijelző 3-5 eFt-ból kihozható. Erre kialakítottam néhány univerzális panelt és adott feladatokat próbálok "ráerőszakolni". Igy jött ez a Ejárgány vagy targoncavezérlés. A jelenlegi targoncák is hasonlókat tartalmaznak, csak 20x-os áron. Ezen vezérlő lebutított változata alkalmas a villanyautók vezérlésére is. Több szétbontott gyári DC főáramkőri vezérlést tanulmányozva rájöttem, hogy fehér ember ( vagy egy megszállott hobbista) nehezen fejleszthet ki egy azok specifikációit közelítő motorvezérlést. Ezért választottam egy aránylag olcsóbb készet.(Kelly) Igaz a DC motorokban nincs sok tapasztalatom, ezért félre is rendeltem a vezérlőt és van olyan vezérlőm, mely külső gerjesztésű kefés motorokat kezelne. (sepex). Ezeknél a gerjesztőtekercs két kivezetése ki van hozva, de soros motor gerjesztőtekercsét nem lehet rákötni, mert csatlakozója szerintem 30-50 Ampernél nem tud többet. Tudom úgy használni, hogy kb. 20 ohm műterhelést rákötve a gerjesztőtekercset helyettesítve becsapom a vezérlést, de ez nem az igazi. Egy "vasalót" (ez a műterhelés) ne hordozzak már magammal. Nem nagyon találok gyakorlati információkat a fenti (sepex) külső gerjesztészű motorok nagyteljesítményű változatairól. Ebben talán te vagy benne és segítségedet előre is köszönöm. Egyébként aki félkész szinten áll az Ejárgányával és érdekelné a fenti univerzális panel ("fedélzeti komputer" céljából), annak tapasztaltcsere érdekében anyagiaktól mentesen segíthetek.
Óriási!
Főleg, ha rájövök, minek bele a mikrovezérlő? Ha jól látom, mágnes kapcsolókat működtet. Olyankor persze érthető, ha nem manuálisan történik a kapcsolás. Hanem, agyi hullámok, meg ilyesmi. Ez a része biztosan nincs a rajzon. |
Bejelentkezés
Hirdetés |








Ha most kéne mégegyet csinálni akkor a feléböl kijönne és mivel ez hobbi,nem toldanám meg 20e-rel és vennék gyárit.Viszont a következő darab minden tekintetben tökélletesebb lenne az elsőtöl.(erre az egy motorra)





