Fórum témák
» Több friss téma |
- Ez a felület kizárólag, az elektronikában kezdők kérdéseinek van fenntartva és nem elfelejtve, hogy hobbielektronika a fórumunk!
- Ami tehát azt jelenti, hogy a nagymama bevásárlását nem itt beszéljük meg, ill. ez nem üzenőfal! - Kerülendő az olyan kérdés, amit egy másik meglévő (több mint 17000 van), témában kellene kitárgyalni! - És végül büntetés terhe mellett kerülendő az MSN és egyéb szleng, a magyar helyesírás mellőzése, beleértve a mondateleji nagybetűket is!
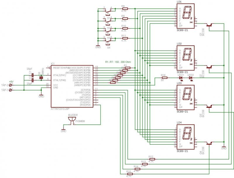
Sziasztok! Van egy gondom, elkészítettem a képen látható órát, előttem már sokan megcsinálták, ezért le van tesztelve rendesen, és mindenkinek hibátlanul működik, így most tanácstalan vagyok, mivel nekem is tökéletesen működik, de nálam a másodpercek tovább tartanak, (ami a valóságban egy perc, az az én órámon kb fél perc, és a másodpercet mutató két led is lassan villog) mi lehet a baj, ha minden úgy csináltam ahogy a többiek, és ugyan azt a kész, hex file-t töltöttem be az attiny2313-ba. Kérem szépen segítsen valaki ha tud. Köszönöm!
Bocsanat de nem ertek valamit . Ide most 2xLM358 kell ? En megneztem es ennek az IC nek 8 laba van Bővebben: Link . Megtudna nekem szamozni valaki a labakat ezen a rajzon : Bővebben: Link
Koszonom szepen . Es meg valami mi az a "VG1"
Szerintem a kvarc könyékén lehet a gond. A két 20pF os kondi nem maradt ki?
Koszi .. az ic szamozasat megertettem , de akkor a VG1 is kell feszultseget kotnom ?
a V1=12V bocsanat ha hulyeseget kerdezgetek
Sziasztok megépítettem az ezen az oldalon található 555-ös ic-s villogót de nem működik.Csak halványan világít.Az ic jó többel is kipróbáltam MI lehet a gond
Ha kap RF jelet akkor a zold led villan es ha nem kap jelet akkor a piros . Egy erositobe szeretnem kotni
Koszonom valaszodat
A potit hogy kossem be ?
Koszonom
Koszi szepen . Nincs tobb kerdes
A kvarchot ott a kondi is. de 20pF nem volt így betettem egy 33pF-osat. Lehet hogy ez a baj? Ennyit számít?
Szerintem ez a baj. Az adatlap szerint a kondik kapacitása 12-22pF lehet.
Sziasztok megépítettem az ezen az oldalon található 555-ös ic-s villogót de nem működik.Csak halványan világít.Az ic jó többel is kipróbáltam MI lehet a gond
A válaszokat előre is köszi.
Ha halványan világít előfordulhat hogy túl nagy frekvencián működik. Képet tudsz róla felrakni?
Helló! Az alábbi kapcsolásnál a feszültség szabályzó ic nagyon melegszik.Valami nem jó nála.Csak azt nem tudom, hogy mi.Talán a lábakat kötöttem be rosszul? Egyébként a kimeneten 5V-nak kellene lennie,de nekem csak 3,2 V van.Tehát tuti valami rossz.Valaki tudna segíteni nekem? Köszönöm előre is!
A diódák nem jól vannak. Felül is pozitív feszt adsz a 7905-nek. Fordítva kösd be a diódákat a felső hídba.
Nagyobb terhelésnél így is melegedni fognak, túl nagy a trafó feszültsége a kimenő 5V-hoz. Bár a trafó elég gyengécske.
Igazad van, az alsó az jó, csak a felsőt ölte meg
Adatlapot vedd elő, és minden kérdésedre választ kapsz. A bekötést is látod, és még példakapcsolást is mutatnak.
79L05 78L05 bekötés
Sziasztok!
Megépítettem ezt a kapcsolást és tökéletesen működik. Az a kérdésem lenne hogy mekkora pótméter vegyek a sebbesség állításához és hogy hova kell kötni. Előre is köszi
hát....... Nem is tudom. Nem kevés az a 150k???,
Én most kipróbáltam egy 560k ohmos ellenállással és kb itt kapom meg azt a sebességet amit szeretnék lassúnak. De még ennél is lehet lassabb. Viszont azt is szeretném hogy tudjam gyors-ra kapcsolni. A 100k ohmos, ami eredetileg van ott az nekem már gyorsnak számít. Tehát a lényeg: Szeretném nagyon lassúra és gyorsra is állítani a sebességet. Vegyek ilyen 150k ohmos potit vagy nagyobbat???
Üdv!
Egy Videoton C2911-AM Plat TV-t próbálok javítani. Megtaláltam a gyári kapcsolási rajzot. A NYÁK-ján találtam egy, szerintem megfeketedett ellenállást! Szeretném a véleményeteket kérni, hogy tényleg megfeketedett-e, mi a szerepe a kapcsolásban. Dávid
Szia!
Ez gyárilag fekete. Degauss PTC
Én nem egészen erre voltam kíváncsi, sejtettem hogy fekete gyárilag is. Inkább az alatta levő NYÁK réteg aggaszt, az miért fekete?.. Csak én látom kormos feketének?
Ez kezdő kérdés
. Amugy oda hiába írom, elég offline.
Sziasztok.
Az lenne a kérdésem hogy itt van a kezemben az ellenállás,a képernyőn meg az ellenállás színkódja.Nem tudok rájönni hogy az ellenállást hogy tartsam hogy kitudjam olvasni a kódot.Azt látom hogy baloldalról jobbra de mindkét vége nagyon egyforma. Köszöntem a választ.
Szia!
Mérd meg ohm-mérővel. A kis tűrésű ellenállások színkódja eléggé furmányos.
Köszi így tényleg jó lett,(és utána leellenőriztem a színkódot is és stimmelt.
Egy volt olyan hogy a műszer mért 6,9 Ω -ot a színkód meg 6,2 öt mutatott.
Sziasztok! Azt szeretném kérdezni,hogy a fenti kapcsolás az most a fesz.rákapcsolása után x ideig magasan tartja a kimenetét,vagy pedig x idő után kapcsol be folyamatosan?
|
Bejelentkezés
Hirdetés |






a V1=12V







. Amugy oda hiába írom, elég offline. 



