Fórum témák

» Több friss téma
Fórum » EAGLE NYÁK tervező
Lapozás: OK   192 / 444
(#) (Felhasználó 4577) válasza Sendi hozzászólására (») Júl 11, 2010 /
 
Igen, de még 5.4.0-val. Szerintem frissíts a legújabb verzióra, azzal még nem vettem észre hasonló "nem összekötési" hibát sem.
(#) edison14 válasza Sendi hozzászólására (») Júl 11, 2010 /
 
Helló!

Nem érdemes frissítened mivel a legújabb verzióban is így van sőt még egypár verzióban így is lesz. Ha valamit másolok akkor annak a neve a hossza a keresztmetszete is ugyan az lesz. Rossz is volna ha egy szöveget másolnál és más szöveg kerülne a helyére.
(#) Sendi válasza edison14 hozzászólására (») Júl 11, 2010 /
 
Helló.
Mint írtam nekem most 5.8 van.
Mintha a korábbival nem tűnt volna fel ez a hiba.
Lehet hogy csak nem vettem észre?
Néha azt is mondja, hogy hibás kötés van az sch-n, leellenőrzöm, és minden "világit".
Újra kötöm és akkor "megnyugszik"
Ilyen tapasztalat?
(#) qvasz2 válasza Sendi hozzászólására (») Júl 11, 2010 /
 
Én move-val szoktam megráncigálni, és ha húzza a gumikötelet, akkor össze van kötve
(#) edison14 válasza Sendi hozzászólására (») Júl 11, 2010 /
 
Hali!

5.9-nél és 5.10-nél még nem tapasztaltam.
(#) Kafka válasza Sendi hozzászólására (») Júl 11, 2010 /
 
Azt hiszem némi félreérthetőség keletkezett az elmúlt néhány hozzászólásban.
Idézet:
„nem kötötte be autómatikusan”
Ez minden verziónál így van. Ha magát a vezetéket odamásolod az alkatrészhez nem köti oda, ha elmozgatod az alkatrészt és vissza akkor már ráköti. Avagy:
Idézet:
„Én move-val szoktam megráncigálni”

Idézet:
„másoltam a vezetékeket.”
Edison14 tökéletes választ adott, egy vezetéknek vannak tulajdonságai (köztük a neve is) amennyiben egy vezetéket másolsz akkor a tulajdonságait is másolod ebből kifolyólag teljesen természetes ha pl.: egy vezetéket leraksz és azt másolod végig a tervezés folyamán akkor minden össze lesz kötve mindennel. Helyes eljárás: vezeték létrehozásához wire ikon használata, ilyenkor a program oszt egy következő N$x számú vezeték nevet. Azt hiszem logikusan végiggondolva ez így helyes és sehogy máshogy, ez nem hiba. Aki nem tapasztalta az vagy nem használja az eljárást vagy nem próbálta ki. Csak olyan esetben célszerű amikor tápot,gnd-t,L1.. gyakori használatú vezetéket kell kötni, gyorsan.
(#) W.A.Lacky hozzászólása Júl 13, 2010 /
 
Tisztelt fórumozók!
Több éve használom már a programot, több-kevesebb sikerrel, de az alábbi jelenséggel még nem találkoztam; a hosszú ö - ő - és a hosszú ü - ű - karakterek helyett a kapcsi rajzon kérdőjeleket konvertál a progi. Hogy lehet ezt javítani?
Kérem, aki tudja, segítsen.
Köszönettel W. A.
(#) gulasoft válasza W.A.Lacky hozzászólására (») Júl 13, 2010 /
 
Nem értem a kérdést. Mi az hogy a kapcsolási rajzon konvertál? Mit akarsz te a kapcsolási rajzon konvertálni?
Hosszú ő-t ütsz és kérdőjelet rak a helyére? Kapcsolási rajzon minek neked hosszú ő? Egyébként ha lehet válts betűtípust.
(#) W.A.Lacky válasza gulasoft hozzászólására (») Júl 13, 2010 /
 
A begépeléssel nincs gond (T), ott elfogadja a hosszú ő-t és ű-t. Amikor azonban megjelenik a rajzon a szöveg a megfelelő rétegen, akkor sajnos kérdőjellé konvertálódik.
Valóban lehetséges, hogy más betűtípussal nincs gond. Még nem próbáltam. Köszönöm a választ.
W. A.

P.S. Én semmit sem akarok konvertálni. Azt hiszem félreértettél.
(#) qvasz2 válasza gulasoft hozzászólására (») Júl 13, 2010 /
 
Idézet:
„minek neked hosszú ő?”

Például mert magyarok vagyunk, és magyar nyelven szeretnék címkét, vagy feliratot elhelyezni.
(#) Ragen hozzászólása Júl 13, 2010 /
 
Sziasztok!

Egy rajzon szeretnék pár dolgot megváltoztatni. Például a forrasztási pontok a ellenállásoknak és a tranzisztoroknak nekem kicsik.
Lehet ez utólag válzotzatni kézzel?
(tudom hogy kezdő kérdés, de nekem fontos lenne, mert így nem tudom vasalás, fúrás után már hsználni a panelt.)
(#) (Felhasználó 4577) válasza Ragen hozzászólására (») Júl 13, 2010 /
 
(#) Ragen válasza (Felhasználó 4577) hozzászólására (») Júl 13, 2010 /
 
"Az Info-val megnézed, hogy melyik könyvtárba tartozik, megnyitod a könyvtárat és szintén az Info gombra böksz, majd a megváltoztatni kívánt forrszemre és ott beállítod a méretet."

Ezt nem csak az új alkatrész felrakásakor van?
Én úgy értelmeztem...

Mindjárt megyek haza és kipróbálom...
És köszi
(#) gulasoft válasza W.A.Lacky hozzászólására (») Júl 13, 2010 /
 
Basszus! Az már nem a kapcsolási rajz, hanem a nyákterv!!
Állítsd át a betőidet vektorossá, ezt egyébként mindenkinek ajánlom, mert a gerber és a ps is csak a vektorossal dolgozik jól, a többi össze vissza csúszkál.
(#) MolnarG válasza gulasoft hozzászólására (») Júl 13, 2010 /
 
Miért is lenne nyákterv az? Ilyen szempontból tök mindegy mire állítod a betűt? Egyszerűen nem szereti a dupla hosszú ékezeteket.

ékezet.jpg
    
(#) W.A.Lacky válasza MolnarG hozzászólására (») Júl 14, 2010 /
 
Igen, erről beszélek.
Továbbra is várom a megoldást...
Hátha valakinek van már tapasztalata.
W.A.
(#) Kafka válasza W.A.Lacky hozzászólására (») Júl 14, 2010 /
 
Egy helyen azt találtam, hogy a ASCII karakterek közül a 127-ig lehet hiba nélkül használni, az e fölöttieket kerülni kell. Okát nem tudom, lehet azét mert a program nem windows fontokat használ hanem saját beépített fontjait és azt a 7-bites ASCII tábla alapján. Lehet ez azért, hogy ezzel biztosítsák, hogy bármely gépen tökéletesen fusson vagy mert ezeket programozták vektorgrafikusnak. Vagy mert a gerber csak ezeket támogatja. Biztos van valami logikus magyarázat, de talán ezt csak a szoftveresek tudják.
(#) W.A.Lacky válasza Kafka hozzászólására (») Júl 15, 2010 /
 
Igen, ez így van ahogy írod. Sajnos azonban az én programomat Magyarországon forgalmazta egy cég, ahonnan megvásároltam. Nem olcsón. Elvárnám, hogy egy hazánkban forgalmazott SW ismerje a hazánkban használatos valamennyi írásjelet. Nem tudom hogyan tudnának pl. Oroszországban vagy Kínában forgalmazni, az ott használatos betűk nélkül. De bocs, ez már nem ide tartozik.
Ő helyett marad az o + ".
"Mert nekünk így is jó"

W. A.
(#) m.gyula3 hozzászólása Júl 15, 2010 /
 
Sziasztok!

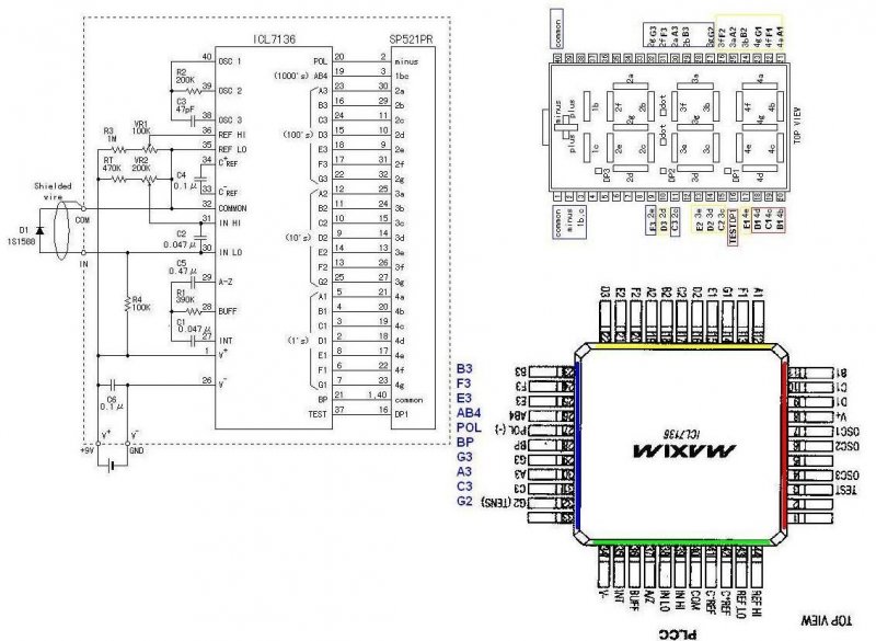
Valaki legyen szíves nézze, meg hogy jól kötöttem-e be a kijelzőmet, kijelzővel még nem foglalkoztam idáig és nem vagyok biztos benne, hogy jó lett. Más a kijelzőm mind aki megcsinálta a hőmérőt és a digitek is másként vannak jelölve.

köszönöm

üdv!
(#) m.gyula3 hozzászólása Júl 15, 2010 /
 
Itt van a kapcs.rajz meg az lcd bekötése, ezeket most mellékelem, mert az elöbb elfelejtettem.

sziasztok
(#) W.A.Lacky válasza m.gyula3 hozzászólására (») Júl 16, 2010 /
 
Szia!
Nincs időm végigbogarászni, de ami azonnal látszik; a "belülről" kötött lábak nem kapcsolódnak az IC-khez!!!
Múvold el az IC-t és ha a zöld vezetékek nem mozognak az IC-vel együtt, akkor nincs valódi csatlakozás.

W. A.
(#) gulasoft válasza W.A.Lacky hozzászólására (») Júl 16, 2010 /
 
Attól hogy Magyarországon forgalomban van a termék, még nem fogják számodra átírni. Vehetsz itthon kínai újságot, és háboroghatsz hogy nem tudod elolvasni, de ettől csak neked nem fogják magyarra lefordítani. Amikor pl. egy játékot veszek és tud csehül, meg svédül, meg beloruszul meg anyámkínjául, de magyarul nem, akkor sem nagyon tudsz mit tenni, lelkes emberkék fordítgatják és fél után talán lesz magyar verziója. Egy felhasználói programnál (főleg egy ilyen spec. területnél) meg végképp ne várd el hogy minden nyelv saját karaktereit tudja.
Egyébként a profi nyáktervezők biztos tudják, de azok milla alatt nem kaphatók. Olcsó húsnak híg a leve, és azért ez a lé annyira nem is híg.
(#) gulasoft válasza (Felhasználó 15355) hozzászólására (») Júl 16, 2010 /
 
Valószínűleg lehet rátenni pöttyöt meg vesszőt, csak ez persze kényelmetlenebb, de a gerber miatt nem használhatnak winfos kódokat. Én a nyákrajzoknál szívtam, hogy a képernyőn jó volt, vektorosan meg csak a vektoros font maradt ugyan akkora, a többi össze vissza csúszkált.
(#) qvasz2 válasza gulasoft hozzászólására (») Júl 16, 2010 /
 
Így van sajnos, én előlapot rajzoltam a sassal, és bizony az utólag a betű fölé rakott ékezetek mind elcsúszkáltak!
Amúgy a pöttyökkel nincs gond, azt tudja (Ö Ü), csak a vesszőket nem (Ő Ű Í)
(#) elektrocad válasza gulasoft hozzászólására (») Júl 16, 2010 /
 
Üdv Gulasoft!

Valahogy így áll a helyzet, ahogy írod. A szövegekben az ASCII táblázat első 127 karakterét lehet használni. Valószínűleg a Gerber miatt. Az, hogy egy program környezete (menü, leírás, stb.) többnyelvű, egy teljesen más kérdés, a kettőnek semmi köze nincs egymáshoz.
Egy ilyen, viszonylag szűk felhasználói körben alkalmazott szoftver esetében nem feltétel, hogy a felhasználó hazájában használatos nyelven működjön egy program. Ezek nem bolti dobozos szoftverek. Egyébként évekig csak angol és német nyelvű volt, és jó volt úgy is. Én még most is az angolt használom.
Privát megjegyzés: Egy alkatrészekkel teli nyákpanelt az ember nem a vitrinbe tesz ki, általában valamilyen dobozba szereli be. Tök mindegy mi van ráírva, úgyse látja senki, esetleg javításkor.
(#) W.A.Lacky válasza elektrocad hozzászólására (») Júl 16, 2010 /
 
Igen uraim, bizonyára minden hozzászólónak igaza van a karaktereket illetően. Ne felejtsük el azonban, hogy mégiscsak magyar emberek vagyunk és szeretnénk magyarul (is) írni. Nekem is angol nyelvű SW-m van, nem ezzel van a gondom. Az odabiggyesztett ékezetek nem mindig maradnak a helyükön, mint ahogy azt mások is leírták. Ha nekem van egy hivatalos helyről vásárolt, jogtiszta SW-m és azzal olyan kiadványt szeretnék készíteni, amely egy szintén jogtiszta irodalomban jelenik meg, nos én is a szűk szakmai körhöz tartozónak vallom magam, de azért igénylem a korrekt magyar helyesírást. Még akkor is, ha egyesek demagóg módon kinevetnek ezért, esetleg nem értenek meg.
Egyébként nincs jelentősége, mert nekünk így is jó...

W. A.
(#) elektrocad válasza W.A.Lacky hozzászólására (») Júl 16, 2010 /
 
Üdv Lacky!

Értem miről írsz, de van három véleményem:
1. A szoftverek vásárlás előtt kipróbálhatók, az Eagle biztosan, a vásárlást követően az ékezetek miatti reklamáció nem helyénvaló. Azt már a próbaverzióban is észre lehet venni.
2. Ha egy szoftverben műszakilag, más, pl. Gerber szerkesztők miatt nem megoldható néhány magyar karakter használata, akkor azt más hasonló szoftver sem fogja használni. Azok is kötve vannak a gerber szerkesztőkhöz.
3.
Idézet:
„Ha nekem van egy hivatalos helyről vásárolt, jogtiszta SW-m és azzal olyan kiadványt szeretnék készíteni, amely egy szintén jogtiszta irodalomban jelenik meg, ...”

Tudnod kell, ez nem kiadványszerkesztő program. Azoknál én is elvárnám a teljes magyar abc támogatását. De ahogy már írtam, egy áramkörnél a kutyát sem érdekli, mi van rá írva, fő hogy működjön.

Végül: Lehet, hogy egy későbbi verzióban ezt is megoldják. Ha már kínaira is lefordították a programot, a kínai jelekből is több van, mint ami belefér az ASCII első 127 karakterébe. Szerintem a kínaiaknak több karakter hiányzik, mint a magyaroknak.
Az Eagle-t 12 éve ismerem, ez az első eset, hogy valaki néhány ékezetet hiányol - eddig jó volt anélkül is. Ha csak ennyi a program hiánya, az nem rossz.
(#) W.A.Lacky válasza elektrocad hozzászólására (») Júl 17, 2010 /
 
Tisztelt Elektrocad!
Eddig mindig érdeklődéssel olvastam a hozzászólásaidat, mert értelmesek voltak, de most... Ekkora demagógiával már rég találkoztam. Szeretném ismételten hangsúlyozni, hogy én az elején egy egyszerű kérdést tettem fel, nem reklamáltam. Erre született valakinek egy elég analfabéta és egy kicsit durva reagálása, amelyre én kifejtettem álláspontomat. Ha nagyon reklamálni szerettem volna, akkor nem ezekkel a karakterekkel foglalkozom, hanem mindjárt az SW megnevezésével, hogy tudniillik "NYÁKtervező". Amikor természetesen köze sincs a NYÁK tervezéshez. Mert a NYÁK-ot a felhasználó tervezi, az SW csak lerajzolja. Legalábbis azokban a verziókban, amelyeket én ismerek. Lehetne sorolni ezután az SW gyengéit, de nem teszem. Valszeg majd kiforrja magát. A teljes magyar ÁBC karakterkészletét továbbra is hiányolom és a véleményem fenntartom. Ha rajtam múlna soha nem kerülhetne kereskedelmi forgalomba ilyen termék. Sajnálom.
W. A.
(#) elektrocad válasza W.A.Lacky hozzászólására (») Júl 17, 2010 /
 
Idézet:
„Sajnos azonban az én programomat Magyarországon forgalmazta egy cég, ahonnan megvásároltam. Nem olcsón. Elvárnám, hogy egy hazánkban forgalmazott SW ismerje a hazánkban használatos valamennyi írásjelet.”


Talán a forgalmazó cég segíthet.
(#) W.A.Lacky válasza elektrocad hozzászólására (») Júl 18, 2010 /
 
Idézet:
„Talán a forgalmazó cég segíthet.”


Köszönöm, már túl vagyok rajta.

W. A.
Következő: »»   192 / 444
Bejelentkezés

Belépés

Hirdetés
XDT.hu
Az oldalon sütiket használunk a helyes működéshez. Bővebb információt az adatvédelmi szabályzatban olvashatsz. Megértettem