Fórum témák
» Több friss téma |
Fórum » Keverőpult építése, javítása
Há te figyuz káma csákó! Ez nem egy ratyi chat oldal, ahol az a turbógyerek aki benyomja az ász rövcsiket.
Itt nincs demokrácia! Vagy writetolsz rendeseden hogy readelni tudjuk, vagy szárnysuhogás lesz, mert a stílusodat itt nem likeoljuk! Comprende carajito?
Megvannak az adatok ez egy 12v 200w trafó
Heló van egy gyári sal keverőm. Nincs rajta monitor mód,hogyan tudok rá építeni megbontás nélkül?
Szia!
Hogy Benne legyen a keverőben megbontás nélkül sehogy. De külön mellé lehet építeni könnyen, 2db sztereós 220K poti párhuzamossan kötve és a csuszkákról eszed le a jeleket.Üdv.:
sziasztok!
Segítséget szeretnék kérni a keverő működésével kapcsolatban.Még sosem építettem,csak most kezdett el foglalkoztatni a dolog.Legnagyobb eredményem 1(egy) TDA2003-as végfok 10W-al meg 1 kiv.jelző ![]() Néztem 1(egy) kapcsolási rajzot itt megtaláljátok: Bővebben: Link Szóval,azt nemértem ha 3 sávos DE mono akkor hogyankell bekötni? 3 különálló(de egyforma) erősített jelet kell rákötni és abból lesz 1(egy) jel?vagy hogyan.. aki tud légyszi segítsen, és bocs ha nagy ostobaságot kérdeztem ![]() Link beillesztve. szamóca
A rajzon egy hat csatornás, mono, jelösszegző kapcsolás van, (nem 2*3ch) aminek a "különlegessége" a trimerekkel beszabályozható érzékenység. (a bemeneti ellenállás rovására) Tehát ebből kettőt kell építeni, és kétpályás sztereó potikat kell alkalmazni, a sztereó kivitel esetén. A keverendő csatornák száma egyéni, a megfelelő trimer, poti, ellenállás elhagyásával.
Igen három jelforrásból (a potik állásától függően) egy jelkimenetre keveri le a jeleket.
Hali,
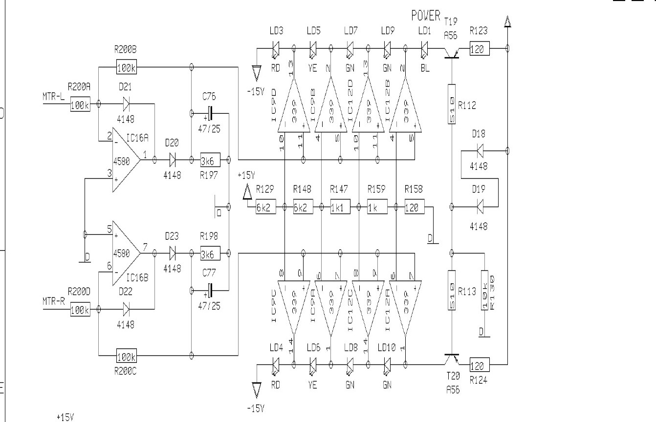
Egy kis segítség kellene. Adott egy Behringer Xenyx 1002-es keverő. Hibásan került hozzám, elég gatya állapotban. A táp szállt el, ami aztán szinte minden műveleti erősítőt kicsinált. Ezeket már lecseréltem, és a hang rész gyakorlatilag már hibátlanul üzemel. Egyetlen dologgal nem boldogulok, ez pedig a kivezérlésjelző. 2x4 ledes komparátoros áramkör. Nem vagyok hibatásos műszerész, de ránézésre nem egy bonyolult kapcsolás, de kifog rajtam. Az alsó három(2 db zöld, sárga) remekül működik, de a piros gyakorlatilag a bekapcsolástól folyamatosan világít. Átmértem 5x mindent, minden ok, a komparátort is lecseréltem, de még mindíg ugyanaz. Lassan beleőrülök . Talán a maximalizmusom is okozza, hogy emiatt az "apró" hiba miatt még mindíg darabokban van, de bosszant az is, hogy egyszerűen nem tudok rájönni, mi lehet a hiba. A két csatorna szinte teljesen független egymástól, és mind a két oldal ugyanazt produkálja, vagyis mindkét piros led folyamatosan világít. Becsatoltam az áramkört. Rettentő hálás lennék, ha vki szánna rá egy percet, hátha csak én nem látok a szememtől.Köszönöm!
Csak hogy tanuljak, azon kívül, hogy nem ebbe a topic-ba írtam, más hibát követtem el? Csak mert szándékosan nem tettem bele egyikbe sem. Egyrészt itt 2008-as az utolsó hozzászólás, és ez lehet, hogy csak az én pesszimizmusom miatt, de sok jóval nem kecsegtetett, másrészt nem a keverő a lényeg, hanem a kivezérlésjelző, az pedig elég sok audió cuccban van, így viszont leszűkül azok száma, akik olvassák, vagy rosszul gondolom? Köszi a hozzám való türelmet!
Hali!
A feszültségek rendben megvannak? Megnézted az ellenállásokat is? Azt pedig sose nézd, hogy mikor írtak utoljára egy topikba, mert ha írsz bele, akkor úgyis felkerül a lista legelejére, azt pedig mindenki látja ott oldalt. Látod én is, és biztos még sokan mások is. Az más kérdés, hogy van-épp itt olyan személy, aki érdemben tud válaszolni...
Köszönöm! A feszültségek teljesen rendben vannak. Mind a tápfesz az IC-ken, mind a feszültségosztónál megvan minden, aminek ott kell lennie. Az ellenállásokat is kimértem, azok is jók. Nekem elfogyott az ötletem.
Ha az IC9-et cserélted, és zárlat sincs azon a részen, de mégis fennáll a hiba, akkor nem sok más lehetőség maradt...
Esetleg cseréld le a LED-et.
Amíg nincs jel, addig a komparátorok a ledek anódját a 12-es lábköz kötik (aminek -15-nek kell lennie), ahogy nő a jel ezt a kötést sorról sorra feloldják, és a T19 meg a T20 áramgenerátor fix áramot küld át rajtuk. Az IC-k 12-es lábán mit mértél?
Nagyon érdekes, mert a piros led áramot a többin keresztül kaphatna csak.
Így tippre a leírt működést akkor csinálná, ha :
- a piros led fordítva lenne bekötve ÉS - az egyik lábára nem -15V hanem valami más lenne kötve
Próbáltad megcserélni a két IC-t? (IC9, IC12)
Idézet: vagy hibás, és átereszt...„a piros led fordítva lenne bekötve” Volt már szerencsém olyan LED-hez, ami elhalt, és fordított polaritással meg világított. De mekkora ennek az esélye?
Hát ez érdekes lehet. 27V van a 3-as és 12-es között, vagyis ennyi tápfeszt kap. A rajz szerint viszont elméletileg +-15 kellene lennie, vagyis 30V. Már csak az a kérdés, hogy mi okozza. Ezen tovább tudok menni, köszönöm! Jelentkezem, mire jutottam.
Igen, azzal kezdtem, de mivel ugyanazt produkálta, le is cseréltem őket, és mindíg ugyanaz, tehát nem az IC. A piros led-eket is lecseréltem már, biztos ami biztos
, de az sem hozott eredményt.
Hát ez bejött
! Rettentő érdekes. A 12 db műveleti erősítő ugyanazt a tápot kellene kapja(+-15V). A komparátor IC is ugyanazt a tápot kapja, mint az ehhez az áramkörhöz tartozó műveleti erősítő. Ami érdekes, hogy a +15 voltos táp hiba nélkül mindegyik műveleti erősítő IC-n megvolt, és a -15 az ehhez tartozó egyetlen IC kivételével szintén mindenhol rendben volt. Hogy mi az oka, hogy ezen csak -12 V volt, gondolom vhol szakadás lehet, nem tudom biztosan, de nem is érdekes, mert egyszerűen átkötöttem a -15V-ot egy másik műveleti erősítőről, és láss csodát.. Szóval köszönöm, azt hiszem az alaposságom csiszolásra szorul, mivel a tápot ílyenformán nem mértem. Köszönöm mégegyszer!
Ez az egész azért lehet, mert nem tud a kimenőfesz a led nyitófesze alá menni. Használj kollektorkimenetű komparátort, vagy egy diódát a leddel sorba !
Hát nem azt írtad, hogy a feszültségek rendben megvannak? Azt hittem, ott, abban a részben mérted, ahol a hiba van, nem a másik végében a ketyerének...
Csak pironkodok. Jó pap holtig tanul. Természetesen Neked is köszönöm!
Köszi a gyors választ! Tehát ha építek ebből 2-t aminek külön külön 2 bemenete van akkor 4 mono csatornából tudok csinálni 2 darab sztereo kimenetűt?..de akkor ez a 3 csuszkapoti tulajdnoképpen csak volumegomb nem?
Hello!
Egy sztereó erősítőnek, két egymástól teljesen független csatornája van. Ami közös, hogy a két csatorna hangerejét, egyszerre szabályozzuk. (A két villamosan független potméternek, közös tengelye (tolókája) van.) Mono jelforrásból, csak akkor tudsz "sztereót" készíteni, ha a jelforrást mind két csatorna bemenetére rávezeted. (Vagy az összegző fokozat bemenetén mind két oldalra viszed a jelet egy ellenálláson keresztül.) De ettől a jel, még nem lesz a jel sztereó, csak mind két csatornán ugyan az a mono jel fog szólni! Egyszerűbb lett volna, ha leírod mit szeretnél építeni, és mit vársz tőle. Akkor a kapcsolásodat át lehet alakítani kívánságaid szerint. (Használd a hozzászólás fejlécében található Válasz gombot!) üdv! proli007
Sziasztok!
Kezdésnek szeretnék venni valami alapvetőbb keverőpultot. Én a következő kettőt néztem ki magamnak: Bővebben: http://www.argep.hu/product_1344856.html Bővebben:http://www.argep.hu/product_413485.html A Behringer márkáról már hallottam a másikról viszont nem, de szerintem a másik többet tud. Kérem ha valaki ért egy kicsit hozzá, feltétlenül írja, még vásárlás előtt szeretnék tájékozódni, köszönöm! Eddig Virtual DJ-vel csináltam a bulikon a zenélést és most beruháznék egy ilyen kisebb keverőpultra. Előre is köszönöm, Üdv Norby!
Hali! Van egy Behringer PMH 1000 tipusu keveröm aminek meghalt a tápegysége. A probléma az hogy ez egy aktiv keverő és nem igazán lehet megjavitani a tápot és a csere kissé drága lenne, viszont azt mondták, megoldható, hogy a kezelőfelületet (ha a beépitett végfokot nem is) müködésre birjuk, de kellene a kapcs.rajz hogy tudjuk, mit, hová és mennyit. tudna valaki segiteni, vagy tanacsot adni? KösziBővebben: Link
Hi,
Mi most egy Soundcraft-al küzdünk, abban is a táp égett szét..villám miatt. Elég sok vezetősáv elégett. Ha javíthatatlannak bizonyul, akkor csinálni kell hozzá egy külső tápot. A műveleti erősítőknek +/- 12..15V kell, plusz van benne a 48V-os phantom. Ezeknek megkeresem a vezetősávjait aztán rákötöm a külső tápot és meglátjuk.
Köszi ezt kerestem király vagy
|
Bejelentkezés
Hirdetés |






. Talán a maximalizmusom is okozza, hogy emiatt az "apró" hiba miatt még mindíg darabokban van, de bosszant az is, hogy egyszerűen nem tudok rájönni, mi lehet a hiba. A két csatorna szinte teljesen független egymástól, és mind a két oldal ugyanazt produkálja, vagyis mindkét piros led folyamatosan világít. Becsatoltam az áramkört. Rettentő hálás lennék, ha vki szánna rá egy percet, hátha csak én nem látok a szememtől.
! Rettentő érdekes. A 12 db műveleti erősítő ugyanazt a tápot kellene kapja(+-15V). A komparátor IC is ugyanazt a tápot kapja, mint az ehhez az áramkörhöz tartozó műveleti erősítő. Ami érdekes, hogy a +15 voltos táp hiba nélkül mindegyik műveleti erősítő IC-n megvolt, és a -15 az ehhez tartozó egyetlen IC kivételével szintén mindenhol rendben volt. Hogy mi az oka, hogy ezen csak -12 V volt, gondolom vhol szakadás lehet, nem tudom biztosan, de nem is érdekes, mert egyszerűen átkötöttem a -15V-ot egy másik műveleti erősítőről, és láss csodát.. Szóval köszönöm, azt hiszem az alaposságom csiszolásra szorul, mivel a tápot ílyenformán nem mértem. Köszönöm mégegyszer!





