Fórum témák
» Több friss téma |
Fórum » NYÁK terv ellenőrzése
Hello!
Itt meg a rajz. (alkatrészeket majd beazonosítod, mert nem látom) üdv! proli007
Szia! Lehet egyszerűbb lenne a nyákot az eredeti terv alapján elkészíteni (SAA1042-es kialakításnak megfelelően) és egy másik nyákot készíteni az új STEP DIR motormeghajtó számára. ( Az L298N-t már érdemes lenne hűtőfelületre szerelni. S a STEP DIR vezérlést is meg kell oldani...) Így csak a vezérlő jeleket kell átvetetni a új motormeghajtó áramkör számára.
A nyák teljes újratervezése is biztos megoldható! Csak kicsit időigényes munka. A STEP DIR vezérléssel és az L298N kérdésekkel a Léptetőmotor vezérlés. (Bővebben: Link) témában biztosan kapsz segítséget. :yes: Üdv.: _jani_
_jani_:
Köszönöm, hogy foglalkoztál a dologgal. A panel újratervezése ugyan megfordult a fejemben, csak a tudás hiányzik. Jónak érzem az ötletet, miszerint az lehetséges volna az eredeti nyákhoz kapcsolni az új L298N vezérlő jeleit, de félek ez meghaladja jelenlegi tudásomat. Természetesen az általad adott linket még pár százszor biztosan végigmazsolázom, talán találok valamit, amivel elindulhatok. Ezt mindenképpen köszönöm, de bátorkodnék tetézni a dolgot egy újabb kéréssel: egy sematikus rajzból már képes vagyok nyákot készíteni. Ha időd engedi és kedvet is érzel hozzá, egy számomra - pillanatnyilag - megoldhatatlan problémán segítenél keresztül, ami már hónapok óta leköti agyam teljes processzoridejét. Köszönet üdv: - janóczi -
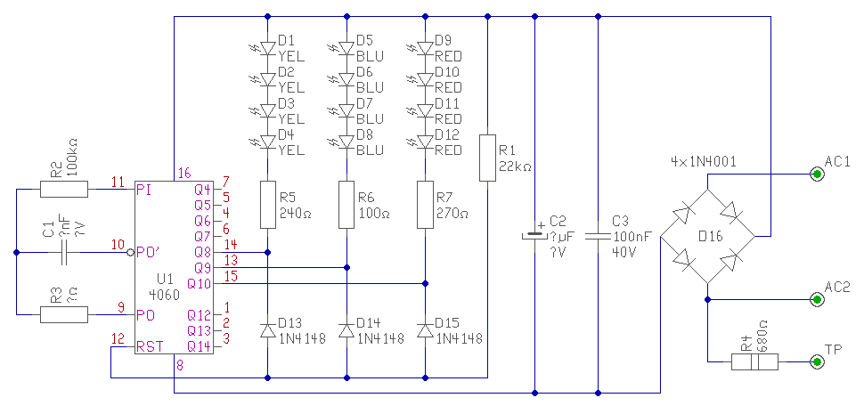
A léptetőmotoros témában kellene a vezérlést összehozni. S ha már megvan a végső motor meghajtó áramkör, a nyák ellenőrzése már nem lesz nagy feladat...
Köszi!
![]() A kevesebb néha több... Frankye
Nincsmit!
[off]UI: Néha jól esik halat is fogni és nem csak horgászni "tanítani"...
"A léptetőmotoros témában kellene a vezérlést összehozni"
Igen, a cél ez volna!
Sziasztok!
A pár oldallal előbb már volt kérdésem egy nyákterv ellenőrzésénél, azt meg is csináltam de volt benne pár hiba. Ezeket utólagosan kijavítottam, de új nyákot csináltam, mert kicsit változtak az igényeim, és gondoltam, hogy akkor már csinálok egy új nyákot, hogy tiszta legyen minden, és ne legyenek a panelom fólia felől forrasztott tranzisztorok, meg egyebek. Az új nyák amit csináltam viszont nem akar működni. A hibakeresést persze a tranzisztorban kezdtem, véletlen se magamban. Másik tranzisztorral bebizonyosodott, hogy nem a tranyó a hibás. Szóval most gőz erővel valami buta elkötést keresek. Mint már oly sokszor olvastam a fórumon, hogy aki segítséget kér, az azt mondja, hogy a bekötéseket, nyákot, értékeket leellenőrizte, s mégse megy. Nos ezt én is megpróbáltam elvégezni, így én azt mondom, hogy nem látok benne elkötést, de mint sokszor volt már, valószínűleg most is valami hasonló lesz.A csatolt képemen mutatom a kapcsolási rajzot, és a nyáktervet. A hiba, hogy a bejelölt tranzisztor csak melegszik, ha feszültséget adok az áramkörnek, és nem szól. ![]() Esetleg tudnátok segíteni, hátha valami hibát vétettem a második nyáknál? Köszönök szépen mindent! lewi
Kimeneted nem a kimenet.
Kimenet nem a 27K hanem a két 100 - 100 között van.
aaahhh.
Nagyon szépen köszönöm! Mindjárt kipróbálom. De szerintem megvan a bűnös. Ha működik visszaírom.
_JANI_ arra utalt, hogy ne ebben a témában beszéljétek meg!
:yes: ... s még linket is (Bővebben: Link), mellékeltem pár hozzászólással ezelőtt.
![]() Szerintem több segítséget fogsz ott kapni a kérdéseidre, mert az csak léptetőmotoros vezérlésekkel foglalkozik. ( Elsősorban. )
Sziasztok nincs meg valakinek a castone 300w-os nyák terve.Elöre is köszönöm.Üdvözlettel saca
Hali van egy tervem van egy 4x7 es Led tablam amin 2 essevel vannak parhuzamba kotve egy Led nek 3 V kel es ^ V os tapot igenyel a Led tabla es szeretnem ha Villogna egyszerre az egesz es utanna kikapcs es utanna megint.......Kaptam egy tervet vajon jou?ha nem akkor ha tud valaki megkoszonemm neki
es meg egy kerdes ha jo a kapcsolas akkor az 50 K alkatresz az IC tol balra az egy Potmeter?a Kozepso szaraval Lefele es a ketsz elso a ket iranyba ?A valaszitokat nagyon megkoszonnem
Márt volt egy kijavított elvileg jó nyákterved! Bővebben: Link!
Miért került elő ismét egy hibás változat. ( Ráadásul el is lett készítve... )
Hello+
Először azt kell tisztázni, milyen kapcsolási rajza (képe-típusa..) van ennek a "Led táblának". Aztán, hogy mit is szeretnél tőle. Mert érdemi válasz, csak akkor várható.. És olvasd el a file nevét, amit belinkeltél. Mert köze nincs ahhoz, amit írtál. üdv! proli007
Az áramkör amit feltöltöttél (Bővebben: Link) egy PWM (Bővebben: Link)-es fényerőszabályzó. S a LED és VILLOG szóra (Bővebben: Link) meglepően sok találatot hozott a fórumkeresője!
Nézz szét a témák között! ![]() Bővebben: Link
Sziasztok!
Terveztem egy JHL erősítőt szerintetek van benne elkötés, vagy valami szépséghiba?
A kimeneten lévő alkatrészek hol vannak? A pozició számok miért a fólia oldalra kerültek? A csatlakozási pontok is kerülhetnének egyvonalba. C6 pozició száma hiányzik. Q3, emitter-collector között nagyobb távot kéne hagyni, mert a rögzítő csavar anyája összezárhatja. C3, szerintem nem párhuzamosan van kötve R2-vel.
Próbáltam kijavítani amiket mondtál illetve betettem még pár alkatrészt a negatív ágban lévő ellenállás ami a kapcsolásban van aztis betettem a biztonság kedvéért
Így mi a véleményed?
Hello!
A C8 alja, most nem jó helyre megy, mert a Q3 emitterén a helye. (Ha már az a 2..15ohm bekerült, ami nem tudom mire való.) És Cki kondi nem a panelen lesz? üdv! proli007
De ha a Q3 emittere a földre megy és C8 alja is a földre van kötve az úgy nem jó?Csatolok azért egy rajzot megint
Hello!
Így jó, csak ez előtt ott volt egy ellenállás.. üdv! proli007
Igen közbe módosítottam ezt-azt amit mondtál
akkor így nagy valószinűséggel szólnifog ugye? Habár e nem ide tartozik de azért megkérdem, hogy szerinted 23-24V-ról még megszólal?
Hello!
Én nem készítek erősítőket, csak azért írtam, mert nem volt vállalkozó. Menj az erősítős topikokba, ott vannak az embereid. üdv! proli007
Sziasztok!
Szeretnék segítséget kérni! Megpróbáltam készíteni egy nyáktervet a mellékelt fülhallgató erősítő rajzához.A rajzon csak egy oldal van,a nyáktervem már stereo,ilyet még soha nem csináltam,a végére picit belekavarodtam,meg az is gyanús,hogy túl gyorsan elkészült.Bármilyen észrevételnek örülnék,a poti és a két kondenzátor a bemenetnél nem végleges,át lesznek pakolva,csak gondolkodás nélkül felrajzoltam,hogy ne hiányozzanak a lapról.Bővebben: Link Üdv.:Zoli
Az elvi rajz lemaradt...
![]() De a két oldal tükrözése szerintem jó. Illetve egyforma. |
Bejelentkezés
Hirdetés |






Szóval most gőz erővel valami buta elkötést keresek. Mint már oly sokszor olvastam a fórumon, hogy aki segítséget kér, az azt mondja, hogy a bekötéseket, nyákot, értékeket leellenőrizte, s mégse megy. 










