Fórum témák
» Több friss téma |
Az panelhiba. Ha a tetejet megnyomod, eltunik?
Ugy ertem, hogy a hiba helye felett, a keretet erosen, a kep sikja fele nyomod. Es alatta?
Szia
Nekem egy Nec monitor 19-es csinálja amit mondasz, melegedésre függőleges színes csíkok majd ha jól megnyomom felette a keretet szétszedett állapotban, próbál megjavulni , vagy meg is javul kis időre. Tudsz erre a jelenségre valami okosságot esetleg?
Ez a panel uvegere csatlakozo foliakabelek kontakthibaja, illetve ha szeles a csik es egynemu, akkor az oszlopmeghajto ic, ami az a kis fekete paca a foliakabelen.
Az en tudasom szerint nem javithato, panelcsere szukseges. Probaltam sokfele dolgot mar, ha valoban kukaba szanod, elotte erdemes kicsit meleg pakaval athuzni, majd erosen ranyomni kihulesig (az uveg ne torjon el!), de ehhez teljesen szet kell boritani a panelt es ez kezdoknek kockazatos. Allitolag par embernek sikerult, nekem nem, illetve egyszer ideiglenesen kb fel napra megjavult.
Tesóm monitora nyaranta szórakozott, függőleges csíkkal telt meg az egész, elmásztak a színek. Múltkor szétszedtük a szalagkábel csatlakozójának megtisztítása megoldotta a dolgot. Néha ilyen apróságokon is múlhat.
Sziasztok!
Adott egy Fujitsu-Siemens 19" -os LCD monitor, ami mostanság olyat produkál, hogy egyszer csak sötét lesz képernyő, de a power-led tanúság szerint működik(ne). Ilyenkor van hogy engedi magát kikapcsolni, de hiába kapcsolom vissza ugyanaz az eredmény. Ilyenkor hangosabban lehet hallani a monitorból az inverter (gondolom az) sípolását (de nem túl hangosan azért, nem ciripel, mint a régi AT-s tápok). Ilyenkor csak a 230-ból való kihúzás, pár perc pihi, és aztán mehet. Naponta- néhány naponta jön elő a probléma. Ötletek?
Olvass vissza. kb 400x leirtuk, mivel erdemes kezdeni.
Hello! Acer AL1705 SM inverterpaneléhez nincs kapcsolási rajzotok? Elektrotanyán van rajz, csak az inverter nincs benne. Át kellene verni az érzékelést, mert lekapcsolgatja a háttérvilágítást 5-10 mp után. BA9741F van benne meg AF9435P FET-ek. Előre is köszi!
A vezerlochip fajtaja a fontos. Ahhoz keress adatlapot, a sense labon kell fel vagy lehuznod a feszt.
De ez csak ideig-oraig megoldas.
Hello.
Ismerősöm megkért, nézzem meg a BENQ FP71G lcd monitorát. A hibajelenség:a pover/készenléti led nem ad életjelet, de a tápfeszek:~15-17V, 5V, 3.3V, illetve 2.5V megvannak. Az inverter nem kap indítójelet, így nem is működik. A scaler ic-nek lehet baja? Az egész történet egy hálózatkimaradás-visszatérés után kezdődött. Kérem akinek van ötlete írjon.
Elso lepeskent a feszeket egyenkent terheld le kicsit (a 15V-ot jobban) es nezd meg, ugy mennyi az annyi.
A power led azert szokott vilagitani, ha van tapfesz... Szerintem ha IC, akkor a mikrovezerlo resz mehetett gallyra. Ceterum censeo a kondikat csereld ki, meg ha nem is puposak.
Sziasztok!
Volna itt egy érdekes hibával jelentkező Samsung SyncMaster 204B LCD monitor. Ilyennel még eddig nem találkoztam, ezért szeretnék véleményt kérni, javítható ez a hiba, vagy kuka lesz ez is. Ha van rá mód, azért szeretném kijavítani, de itt úgy néz ki, nagyobb lesz a baj. Előre is köszönök minden segítőkész hozzászólást. A képek:
Ennél a verziónál a ledeket tranyók kapcsolják. A tranyókat meg a scaler ic. Még nem méregettem végig,valóban eljut-e a tápfesz (feszek) a táplábaira, vagy valamelyik kondinál elakad....
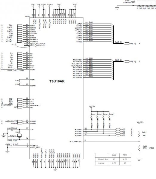
Hello! A meglévő rajzon egy 8051 P2.2 lábán van onBACKLITE nevű jel. Ha felhúzom, a háttérvilágítás lekapcsol, ha elengedem visszakapcsol 3-4mp-ig aztán szintén lekapcsol. Sajnos a rajzon említést sem tesznek arról a csatlakozóról ami összeköti a táp és inverter panelt a vezérlő panellel (CN102/CN201). Azon van egy 13V, 5V táp. Azonkívül 2 jelvezeték jön az invertertől. Az egyiken 4,05 V van a háttérvilágítás működő állapotában 3,98 V a háttérvilágítás kikapcsolt állapotában. A másikon 0,704 V van a háttérvilágítás működő állapotában 0,698 V a háttérvilágítás kikapcsolt állapotában. A scaleren (TSU16AK) is említenek egy AdjBACKLITE bemenetet, de hogy honnan jön az nem derül ki. Nem gond ha ideig óráig működik, addig talán lesz hozzá cső, ha nem akkor meg úgyis kuka.
Találtam az inverterkörben 2db B-E zárlatos 2SC5706 kapcsolótranyót.
Tettem helyette 2SC4106-ot, úgy néz ki megjavult.
Latod, latod, mi itt vert izzadunk, hogy kitalaljuk a reszinfokbol a hibat, te meg egy laza csuklomozdulattal kimered a problema forrasat. Ugye, megy ez, csak a kezdo loketet kellett megadni?
Mindenesetre gratulalunk hozza!
Hát igen, 1x nem a félvezetők végigmérésével kezdem és tessék most ott volt a hiba.
Köszönöm a löketet és a segítséget. Jöhet a BenQ meg a Lenovo. De előtte lazításul egy Technics erősítőförmedvény.
Sziasztok!
Átvizsgáltam ezt az ominózus Samsung_204B monitort, sajna egyelőre az a megállapításom, hogy a kijelzőben a COF fizikailag sérült meg, talán véglegesen. Olvasataim szerint ez lenne a jellemző erre a hibajelenségre. A videó scaler a méréseim szerint tökéletes, minden feszültség átkerül a kijelző modulra hiánytalanul. Rengeteget írnak ”hőlégfúvós, tűpákás hevítésről”, majd a nyomkodásos javítási módszerekről is a hibafeltáráshoz, de ezeket házilag kipróbálva sem vezettek eredményre. ”Ha maga a COF hibásodott meg, akkor sajnos nem javítható a panelünk.”, ezt írják több helyen is. Néhány felvétel a monitor belsejéből.
Sziasztok! Neovo F317-es Tft monitorom egy-egy pillanatra felvillan, hang van bekapcsológomb is villantgat. Táp inverter panelon keresgélek, a kondik jónak látszanak. Valami ötletet kérnék? Köszi
Kicseréltem két elektrolit kondenzátort az táp inverter panelon, kicsit jobb a helyzet.
sziasztok.
nekem van egy fujitsu siemens lcd-é monitorom és az a baja . ha be kapcsolom 3-4 másod perc mulva ki kapcsol . mi lehett a baja?
Olvass vissza. kb 400x leirtuk, mivel erdemes kezdeni.
Ahogy írtátok (elolvastam, igaz nem 400-szor
), és kicseréltem a táppanel kisfeszültségű elkójait. Sajnos a problémát nem oldottam meg (Önkényes kikapcsolás, 'elképtelenedés'-ennek ellenére a power-led normál üzemet mutat...; mindezekből csak 3-5 perces áramtalanítás 'mozdítja' ki. Aztán megint működik egy ideig (néha órákig, néha percekig))Valami ötlet, amit itthon meg tudnék tenni? (a 4-es képen a bal oldali monitor haldoklik. A párja 2évvel régebbi, és soha semmi baj nem volt még vele.)
Most járattam szétkapva is, kb 15percet bírt...
![]() Végigtapogattam az alkatrészeket-bordákat, de semmi se forró rendkívülien (bírom taperolni). Kezdek kifogyni a lehetőségeimből
Fénycsőcserét javaslok. Amikor gyengülnek a csövek kevesebb áramot vesznek fel, és az elektronika letilt. Esetleg még a kék nagyfeszültségű kimeneti kondenzátorokkal hangolgathatsz (értéknövelés).
A lapos trafo hatoldalan van a vezerlo IC, arrol is kellene egy kep. Ha le tudod irni a tipusat is, akkor jobb lenne, mint keprol sillabizalni.
Az elkok jo puposak voltak azert... A csocsere tenyleg megoldas, de eloszor nezzuk, tudunk-e kicsit huzni az aramon.
Hmm, értem.
A panelon van egy jumperelési lehetőség, valamilyen áramválasztó. Jelenleg 6,5mA-re van gyárilag állítva. Lehet még 7; illetve 7,5mA-re állítani. Avval lehetne mahinálni? Másrészt, lehet elkapkodtam az előző hozzászólásomban a "nincs túl meleg alkatrész" kijelentésemet. Akkor még nem bekapcsolt állapotban taperoltam a kütyüket, de azóta rámértem a bordákra, és most néztem menet közben, hát nem nagyon akarom rajtuk tartani az ujjamat. És nemcsak a táppanelon, hanem a főmufti chip is elég melegecske. Jelenleg szétszedve járatom a monitort, mellé állítva egy ventit. Eddig működik, nem volt probléma (>1órája) |
Bejelentkezés
Hirdetés |









Köszönöm a löketet és a segítséget. Jöhet a BenQ meg a Lenovo. De előtte lazításul egy Technics erősítőförmedvény. 

















