Fórum témák
» Több friss téma |
- Ez a felület kizárólag, az elektronikában kezdők kérdéseinek van fenntartva és nem elfelejtve, hogy hobbielektronika a fórumunk!
- Ami tehát azt jelenti, hogy a nagymama bevásárlását nem itt beszéljük meg, ill. ez nem üzenőfal! - Kerülendő az olyan kérdés, amit egy másik meglévő (több mint 17000 van), témában kellene kitárgyalni! - És végül büntetés terhe mellett kerülendő az MSN és egyéb szleng, a magyar helyesírás mellőzése, beleértve a mondateleji nagybetűket is!
Azt nem tudom, hogy lehet rajta erőssiteni, de szerintem sehogy. A kérdésed inkább tedd fel a Hangszóró készitése topicban.
Hello.A csatolt kapcsolásban a IC 3-as lábán hány volt van?Elbírna egy 33mA felvételű relét.Persze ha a fesz jó.Ha nem akkor hogyan lehet oda 12V-ot csinálni?
5-6V van. De ne már, egy relét akarsz ilyen nagy frekivel zizgetni? Vagy be sem húz, vagy akkora ívet húz, mint innen Jeruzsálem.
4-5Hz-n akarom a relét huzigálni.A strobi az így működik ahogy van viszont van egy 'izzósor' amit erről akarok még vezérelni.Csakhogy az 12V-os és közel 100W-ot vesz föl.Ezért kéne a relé.
Idézet: ... ami hamar szénné ég. Erre vagy szilárdtest reléket alkalmazunk, vagy egyéb más mechanikai mozgó alkatrész nélküli félvezetőket.„Ezért kéne a relé.” Az égősor pedig csak hunyorogna, a szép villogás helyett. Csökkentett frekivel, fél, 1Hz 50%-os kitöltés már szép eredményt hozna.
Gondolkozzunk egy kicsit. Van egy napelemed, egy akkutöltő elektronikád, egy akkumulátorod és egy elektronikád. Ezt most miért oly nehéz egy dobozba beépíteni? A kerti napelemes világító lámpák, házszámok... is mind ilyenek.
Üdv. :integet2:
Nem nincs se napelemem, se elektronikám, már leírtam jó párszór, hogy mit szeretnék, de idáig semmi sem jött segítségnek csak kitörlik amit leírtam eddig, pedig még csak nem is követelödztem... :smoke:
Sziasztok!
Bár nem tudom, hogy jó helyre írom, de segítségre lenne szükségem, mert egy ideje szenvedek egy tranzisztoros tapskapcsolóval. Picit hosszas a történet, de igyekszem röviden felvázolni a helyzetet. Egy ellenállás híján megcsináltam tegnap egy tapskapcsolót, természetesen nem próbáltam ki. Majd ma megvettem azt az egy ellenállást, be is forrasztottam. De az 5,1KOhm -os helyett 1,5KOhm -ost forrasztottam be, jobban mondva azt kaptam a boltban, de úgy, hogy észre sem vettem. Ráadásul akkora marha voltam, hogy még csak meg sem mértem az ellenállást beforrasztás, és próba előtt, csak miután kipróbáltam. (A kapcsolási rajzot mellékeltem.) Kérdésem, hogy ha 1,5KOhm -os ellenállás került az 5,1KOhm -os helyére (bal legszélső tranzisztor collector lába irányában található), lehetett-e valaminek baja, ha igen akkor melyek azok az alkatrészek? Már átnéztem 25 milliószor, nem-e ér valahol össze valami, aminek nem kéne, de nem. Természetesen vissza mentem a boltba és vettem egy 5,1KOhmosat, de sikertelen a dolog jelenleg is. Előre is köszönöm a segítséget!
Attól nem lehet baja. De ha ott nagyobb az ellenállás. (5k1) Akkor érzékenyebben reagál a mikrofon.
Köszönöm! Akkor marad a keresgélés továbbra is, hogy vajon mit rontottam el.
![]() köbzoli: Volt egy olyan érzésem, hogy rossz helyre írom. További kérdéseimet ezzel kapcsolatban oda teszem fel. Üdv.
Szaiasztok! Lenne egy kérdésem a kondenzátornál melyik lába +? és -? Mert van egy rövedebb meg egy hosszab?
Köszi szóval az oldalán a negatív csik !!
Hello!
Van egy ilyen graetz hidam.: Bővebben: Link És nemtudom, hogy melyik két bementre kell az AC váltakozó feszt kötnöm. Az egyiket az AC felirat mögöttire, a másikat pedig ami amögött van?
Szia!
Meg kell legyenek jelölve - a váltóáramot, mindegy, hogy hogyan, de a ~-al jelölt helyekre kösd. Ha a pozitív rész megvan, akkor a föld sem probléma.
De ha lenne egy multimétered már régen megmérhetted volna . . .
sziasztok!
Nem működik az 1 ledes villogóm mi lehet a baj? pedig minden fajta transisztort kipróbáltam de csak sziplán világít a led?
Lehet, hogy túl gyos a villogás és azért látod folyamatosnak a fényt, vagy nem a emitter-kollektor párost használtad a bekötésnél, hanem a B-C vagy a B-E diódát.
Viszont 2 db egyenként 0,7W-os izzónak amiből kettő van sorba kötve és az ilyen kettes párokból kb 50párhuzamosan.Viszont annak nem kell sok idő hogy felizzon teljesen.Mivel az izzók 5V/db és ha 2 van akkor 10V/db a táp meg 12V és hatalmas amperek
(60A)
Sziasztok!
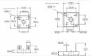
Az első képen látható hiba szerintetek javítható (fs_tap1)? Mellékeltem képet a panel hátsó részéről, valamint egy eredeti állapotról. Laptop alaplapról van szó, tápkör.
Sziasztok!
7812 stab IC 89 mA terhelésen mennyire melegedhet? Tapintó hőmérővel megmértem a fém hátát és 51 °C. Transzformátor: 15V / 3,5VA Puffer kondi: 2200 µF / 35V Input láb szűrő: 220 nF Output láb szűrő: 100 nF Hozzát teszem: 11,8V a stabil kimenő feszem. Mí ezt írom felment a hőmérséklet: 60 °C. Már 65 °C
Ismeritek ezt az oldalt valami bődölet ez a lámpa
http://www.kolumbus.fi/hietala2/jukka/teholed/teholed.htm http://forums.mtbr.com/showthread.php?t=487467 Szerintetek mennyire nehéz dolog megépíteni?
Diódahíd. B250R. 250V / 2A
Bontott alkatrészek.
Csavarozz a stabkockára egy kis hűtőbordát és nem lesz gondod a melegedéssel.
|
Bejelentkezés
Hirdetés |









(60A) 







