Fórum témák
» Több friss téma |
Fórum » Kapcsolási rajzot keresek
Témaindító: Kallai Csaba, idő: Márc 11, 2006
Témakörök:
Sziasztok!
PHILIPS 32PW8504 kapcsolási rajzát keresem. Előre is köszönöm!!! Sziasztok!
Sziasztok!
Sanyo Ja6150 vagy Ja6155 kapcsolási rajzát keresem vgay ha bárki tud róla valami hasznos infót kérem irja meg nekem Előre is thx! Üdv.
Köszöntök mindenkit!
Keresek egy LCD-TV kapcsolási rajzot: Xoro HTL-3211w Minden segítséget előre is megköszönök!
Sziasztok!
Van egy SABA Márkájú tévém, régi darab, a képcsövével voltak gondok és tönkrement! Megmentettem a távirányítóját az infravevő modulját és az infravevő moduljához csatlakozó panelt! (Mindenről csatolok képet, az első négy képet ehhez a hozzászóláshoz, a többit a következőhöz!) Ezzel szeretnék távolról üzemeltetni egy relét de, nem tudtam rájönni hogy milyen logika alapján működik a vevő. Tud valaki egy kapcsolást, amihez ezek az alkatrészek megfelelnek, vagy ismeri valaki ennek a panelnak a bekötését, jó lenne működésre bírni. Szerintem így könnyebb lenne egy távkapcsolót készíteni mintha a nulláról kezdeném! A távirányítóban egy SAA 1024 es ic van, a vevőegységben egy 4180 as, a vevőhöz kapcsolódó panelen pedig egy SB29764AN1 típusú ic van! Előre is köszönöm a segítséget! Sándor Balázs
A többi kép az inframodulokról!
Az utolsó pár kép az inframodulokról!
Ha jól tudom, egy digitális kódsorozatot ad a vevő, egy dekódernek, ami értelmezi.
Üdv mindenkinek! Egy toroid trafó 56-57 V egyenáramából szeretnék stabil 45V-ot csinálni. A trafo 200Wos, tehát 5 A-es. Ehhez szeretnék kérni egy kapcsolási rajzot. Előre is köszönöm!
Szia!
A SN29764 a hétszegmenses kijelző meghajtó IC-je. Ha jól emlékszem a fémdoboz alatt van a számodra fontosabb IC. Nincs meg véletlenül a TV típusa? Van egy rakás SABA rajzom, hétvégén tudok többet segíteni.
Szia!
Mennyire kell stabilnak lennie? Mihez kellene?
Kapcsolási rajza? Szimmetrikus a trafód? Sima 45V-ból közel sem lesz 100W.
Ehhez szimmetrikus táp kell(-45V, 0, +45V). A trafód szimmetrikus(3 szekunder kivezetése van)?
A trafóm olyan toroid ami 2X40Vot illetve 2X2.5A csinál. 2GND, 2+ kábel jön ki belőle. Tehát igen.
Ezt a kapcsolást ajánlották már tudom hogy ez kell majd megépítem köszönöm szépen!
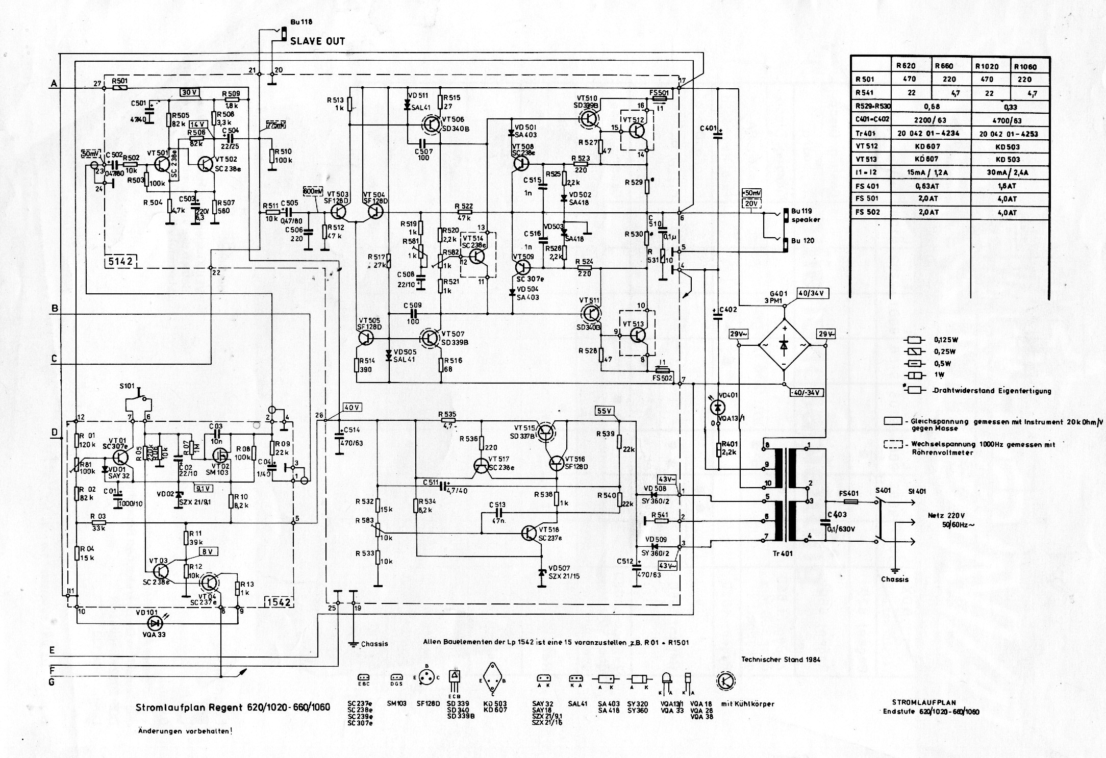
Vermona regent 660 kapcsolási rajza érdekel, ha valakinek van tegye fel. köszi.
Különös tekintettel a LED sor kijelzésre! Amik nekem vannak rajzok hozzá azon egy fia LED sor nincs. Valami abban a pár darab alkatrészben nem stimmel, mert ahogy mozgatom borzasztóan pattog, recseg, és nem jelzi ki az értékeket. De pattogás recsegés közben mutatja a pattogást, de nem a zenét. És kikapcsoláskor is fölszökik a LEDsor...na mindegy ez nem az erősítő javítós rész, csak kiszalad belőlem. De ha valakinek van erre ötlete azt is szívesen veszem.
Szia!
Erre gondolsz?
Szia!
Ez az! Köszönöm, nekem csak a végfokról szóló rajzom van meg, de már nem . Viszont ez idő alatt megoldottam a hibát, de így legalább megvan a kapcsolási rajz.Szerinted érdemes jobban foglalkozni vele, alapzaj megszüntetése céljából, vagy ez a kapcsolás eleve egy jó zajos konstrukció? Vagy érdemes-e vezetékeket árnyékoltra cserélni ott ahol indokolt lenne és nem az van, kondikat cserélni benne (be-és kicsatolókat, szűrő kondikat) Esetleg kis jelű tranyókat csereberélni? Saját, és nem eladásra szánnám...a kérdés az, hogy van-e ebben a kapcsolásban egy zajmentes lehetőség, vagy ez gyárilag zajos aszt jólvan így ahogy van? Ahogy néztem minden eredeti még benne, nincs belekókányolva semmi, és én sem szeretnék ilyet tenni, csak ha van értelme.
Nem voltak ezek azért túl zajosak, bár az NDK félvezető készlet nem éppen híres volt.
Nehéz látatlanba bármit mondani, ha a zaj hibás működésből ered, megjavítanám, előfordulhat pl. kiszáradt elkó benne, vagy bezajosodott tranzisztor. De szerintem ennek a készüléknek már retro értéke van, nem módosítanám a készüléket, eredeti állapotban az igazi.
Sziasztok!
Megvan valakinek a genesis 134 es hegesztő inverter kapcsolási rajza? Remek darab és szeretnénk tovább használni, de elromlott és a javítása csak a teljes kapcsolási rajzzal oldható meg. Előre is köszönöm a segítséget! Sándor Balázs
Úgy néztem a master fokozat a zajosabb, mit tanácsolsz/szerinted melyik alkatrészek lehetnek/szoktak lenni a bűnösek azon a panelon? Nem szeretném az összes alkatrészt cserélni ha lehet így hagynám nagy részét, és csak a legszükségesebbeket cserélgetném.
Elsőként a tranzisztorokat ellenőrizném. Az elkókat nem feltétlenül kell kiforrasztani, ha csak kapacitás vesztett, elég próbára melléforrasztani egyet.
Zaj szempontjából általában az első feszültségerősítő fokozat kritikus, érdemes arra keresgélni.
Azóta azt hiszem ezt is megoldottam, csavargattam kicsit a trimmereket, és beállítottam, után állítottam. A zaj lényegesen mérséklődött, de a nyugalmiját így kisebbre állítottam, mint eredetileg, így jóval kisebb a búgása. Nem zajongani fogok vele, hanem csak hallgatni. Szoba hangerőn már tökre hallgatható így.
Sziasztok ! DOD 835 series II crossover kapcsolási rajzát keresném.
Egyszerűen sztereo módban csak az egyik oldal dolgozik.
...Vagy esetleg valaki javított már ilyen készüléket?
Üdv Mindenkinek!
Azzal fordulok hozzátok, hogy barátomnak van egy Haunt gz-749 tipusú mikrofon erősítője és ennek a kapcsolási rajza kellene nekem. Meg egy alkatrész lista. Előre is köszi a válaszokat. Üdv Gergő! |
Bejelentkezés
Hirdetés |




















. Viszont ez idő alatt megoldottam a hibát, de így legalább megvan a kapcsolási rajz.
