Fórum témák
» Több friss téma |
Sikerült 'előcsalogatni' a hibát. Ez a monitor egy monitorváltón van (két gép - egy monitor), és azt vettem észre hogy sokszor akkor jön elő a probléma, amikor váltom a gépeket. Ilyenkor elveszi a képet, majd kb 0,5sec után beadja a másikét. A kettő között hangosabban sípol a tápegysége, de ez világ életében így csinálta.
Miután lekapcsolt, az ON/OFF vezetéken 0V, az ADJ maradt 2,28V. Ha a 3,3V-os vonalat rákötöttem az ON/OFF-ra, akkor a monitor bekapcsolt, de csak addig amíg rajta tartottam a műszerzsinórt (~40mA folyt át közben). Hozzátenném, hogy amikor tegnap hűtéssel ment, akkor váltogathattam nyugodtan, nem kapcsolt le egyszer sem, most viszont hűtés nélkül operált.
Akkor a hattervili jo, ott ne keressunk tovabb.
Tehat az elsotetedes oka, hogy a proci leveszi a fenyet. Valtaskor mindig elsotetedik egy pillanatra, de hivatalosan is igy kell lennie. Ezert szoktak a kezdok irni, hogy 'ha felbontast valtok, akkor visszajon 2-3 masodpercre'. Igen, mert ilyenkor ujra kell gyujtani, teljesen a kezdeti allapot all fent a hattervili szempontjabol. Es akkor most nezzuk azt a kapcsolotranyot, ami az on/OFF allapotot vezerli. Nezd meg most, amikor jo, aztan idezd elo a hibat es nezd meg a bazisat (vagy gate-jet, ha pici fet) meg a tobbi labat.
Okés, de akkor mi lehet a probléma?
A hűtés (lehet csak ideig-óráig) miért bizonyult megoldásnak? Gondoltam, a hátlapot kivágva beleszerkesztek egy 80*80as ventit, 5V-ról járatva szép halkan szellőzteti a belsejét, de nem találok kapcsolt 5V-os részt. (Esetleg egy kis tranzisztorral vezérelve megcsapolom az ON/OFF szálat?) Vagy elég lenne a lapos százlábúra valamilyen hűtőbordát tenni? b hol keressem azt a tranyót? Megtaláltam, valószínűleg. Az egyik lába a GND-n van, a másik a csatira megy, a 3. a chiphez. A chipes lábát mérem. (most látom a hozzászólásod végét...)
Nezd, nem tudom az okot. Annak az ON/OFF labnak a vezerlese max 100mA-t bir el a tranyo utan is, elotte szerintem 1mA-nel is kevesebbet.
Azt kellene megnezni, hogy a chip azon laba mit ad ki, aztan hiba eseten mit ad ki. Valoszinuleg akkor P-s tranyo lesz, amit a proci alacsony szinttel vezerel. Esetleg a felhuzasat lehetne csokkenteni nagyobb ellenallassal (ha van, ha nincs, odaprobalni). Ha pedig mar a chip hulyesegeket ad ki, akkor valami holeggel vegig kellene forrasztani a labait, hatha csak ez a baj. De van olyan baj is, amikor BELUL szakad meg a kis aranyszal, akkor tenyleg csak a tuneti kezeles, a hutes segit. Az biztosan nem valik karara, ha kap mondjuk egy 486-os procibordat.
Szia!
A melegedés itt természetes dolog, (nem szoktak deresedni a hűtőbordára szerelt félvezetők), Az elektrolitok cseréje után, nézd meg a nagyfesz. puffer kondit is, talán azt is le kellene még cserélni, ha eredeti van benne. A leégett alkatrész más típusra váltása nem kritikus itt a táprészben, de én sem tudnám megmondani, milyen értékű kondenzátor volt. Ha megy hosszabb üzemeltetés után is rendesen, akkor megoldottad a problémáját..
Üdvözletem mindenkinek! Lenne egy olyan problémám, hogy a monitorom a következőt csinálja: beakarom kapcsolni a gépet, akkor autómatikusan kapcsolnia kéne a monitornak is (lcd), de nem teszi. A szokásos "no signal" ablak sem jön elő. Ahoz, hogy bekapcsoljon a monitor a konnektorból ki be kell dugdossam a csatlakozót, míg elő nem jön a "no signal" ablak, és utána ha indítom a gépet, akkor be is kapcsol, megy minden rendesen. Próbáltuk másik videókártyával, de azzal is ezt csinálja. Valakinek valami ötlet?
T kolégák. Egy IBM LCD-vel van gondom a táp rendben a videovezérlőpanel viszont LG-ez valami öszvér az azonosítója:2010P(B)M/LL20PM a rajta lévő igen tekitéjes proci:GM1601. Ha valaki találkozott ilyen vezérlőpanelal - légyszi linkelje be.
Köszi a segítséget.
Szia!
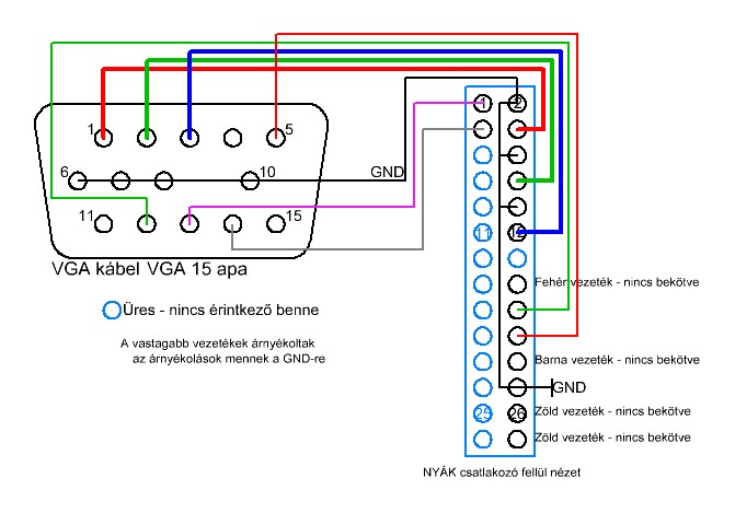
Tudom, hogy nem véletlenül van hűtőbordán, de az normális, hogy a kondik is ilyen forrók? Igaz, 105°-ak. Csináltam invertert, ami 12V ból csinál 30V-ot és messze nem termel ennyi hőt, pedig 6-8A-t vesz fel a motor. Na mindegy, csak működjön. A puffert is megvettem, csak vastagabb mint kellene, így nem fér be a régi helyére. Hétfőn veszek kisebb méretűt. Feltettem a VGA csatlakozó jelenlegi bekötését, ha esetleg tudnátok valami okosat mondani, hogy miért nem mennek a hangszórók, hálás lennék.
A VGAn nem fog soha átmenni a hang. A VGA csatlakozó csak a képet viszi. Abban az esetben, ha speciális kábel van hozzá, akkor az egyik végén (ami a számítógépbe mén) kell, hogy legyen 3,5mmes jack csatlakozó.
A csatlakozóknál a monitor hátulján kellene, hogy legyen egy bemenet a hangnak, kivéve az előbb említett eset. A helyedben én hátulról indulnák. Megnézném mire vannak rákötve a hangszórók. Remélhetőleg nem a főICre, hanem egy hétköznapi erősítő ICre. Ennek a lábkiosztását könnyen meg lehet találni. No most már csak a bemenet vonalait kell követni. Így megtalálhatod honnan lett leszedve a hang bemenete.
Lottóznom kellene...
Megtaláltam a teljes dokumentációt. Talán most már kiderül, hogy hol jön be az audio. Viszont van 1-2 érthetetlen dolog számomra. Pl. A leégett kerámia kondi amit 22nF-ra kicseréltem, a rajz szerint: 471K/500V ez vajon milyen értéket takar? Vagy a rajz szerint 2db MBR10100 Dióda van párhuzamosan kötve, a panelban viszont csak 1 van gyárilag. A másiknak csak a helye. Nem ezért melegszik? A hat kondenzátorból négy, a rajz szerint 1000µF 25V, a panelban mind a hat 470µF/35V. Ne foglalkozzak vele?
Nos, ma egész nap járattam ezt a vackot hűtés nélkül, késő délután már a hátlapot is ráraktam, hogy jobban melegedjen, és 2 percenként váltogattam a váltóval, persze hogy nem adja be a hibát...
Bezzeg ha összecsavarozom, fogadni mernék hogy 5 perc múlva Na mindegy, a normál feszültségeket megmértem, a mellékelt képen minden rajta van. Én nem vagyok egy elektroguru (sajnos), de PNP tranyókkal nem pozitív feszültséget szoktak kapcsolni? Mert itt az egyik lába a GND-on van, a csatira még + feszültség kerül, szóval nem vagyok képben...
Pontosan. A csatira pozitiv kerul, azt meg csak ugy lehet megoldani, hogy a kis SMD tranyo PNP, azt meg foldkozeli fesszel lehet bekapcsolni es felhuzassal ki. Ezt csinalna a proci.
Upsz, a kép lemaradt, és csak most vettem észre...
OK, nezzuk meg mi van, ha hibas a mukodes.
Az a tranyo tenyleg NPN, ha foldre van kotve a laba. De akkor is a procibol jovo alacsony ertek zarva tartja. Akkor mashonnan kap tapot es nyitaskor ezt levezeti, azert ott alacsony fesz lesz. Tehat valahol tap, 10K ellenallas, zart tranyo, fold. A tranyo folul viszi el a kapcsolojelet. Ha a tranyo nyit, akkor az ellenallas alja gnd-re kerul es a kapcsolojel alacsony lesz. Igazad van, nem gondoltam at teljesen.
Szia!
Ha az elkók is melegednek, akkor elég nagy ”tüskék” lehetnek az egyenirányítás után is a táp szekunder részén. Én az eredeti állapotot állítanám vissza az elektrolit kondenzátorok értékével. Mindenképpen cseréld ki a nagy pufferkondit is. Általában olyan (duo) dióda, mint az MBR10100, már nagyobb áramú típusban is található, célszerű azt is kicserélni.
Teljesen kiborít ez a <@&?!> monitor...
Tegnap óta nem produkálja a hibát, hiába szórakozok vele Délelőtt sikerült a tápon a két hűtőbordát egyszerre leellenőrizni mennyire meleg, persze a kettő közti 140V-os váltófeszültség kicsit sem zavart... (pedig az volt anno az első, amit megmértem, nehogy pont ez történjen...)Na mindegy, mivel nem tudom előidézni a hibát, egyelőre teszek rá egy kis északi-híd bordát, az elég kicsit hogy elférjen, és összerakom. (Azt le tudtam mérni, hogy igazad van, kikapcsolva, és gépváltás közben +0,68V van a tranzisztor -gondolom- vezérlő lábán.)
Kevesnek tunik az. Sokkal inkabb a tranyon eso feszultseg lesz. Mihez kepest merted?
Foldhoz kellene. Az alatalad GND-nek kinevezett pont BIZTOSAN gnd? Legalabb 2V kellene, magas szint eseten.
Hát, (háttal nem kezdünk mondatot) megfogtál. A táppanelon a törpefeszültségű részen a hűtőbordához képes mértem mindent. Ha az nem GND... De gyanúsan annak kellene lennie, mert az 5 és 12V-os tápvonalakat is ahhoz mértem, és jól mutatta.
Összeraktam a beteget (épp most kapcsolat be). A hűtőborda felfogatása, hát, na, hogy is mondjam, kicsit mcguyveresre (gánytechnológia) sikerült, de egy pár napos tesztre megfelel. Nem akartam kapásból mechanikailag nagyon belenyúlni, úgyhogy azt használtam ami adott volt.
A borda alatt van hovezeto paszta?
Ha nincs, akkor rosszabb a helyzet, mint szabadon. En ug szoktam, hogy ket potty pillanatragacs a ket szelere a chipnek, a kozepere meg paszta, aztan mozgatas, amikor eleri a pillanatragasztot, onnantol azert van egy 10 masodperc, mig odaragad... A borda elvileg GND, de en azert a kondik negativjahoz mernek... Illetve azt a tranyo GND-t nezd meg, hogy tenyleg GND-e.
Természetesen van paszta alatta (szép vékonyra elkenve). Pillanatragasztót még azért nem akartam használni, mert hiszen azt se tudom hogy valóban ez a probléma, vagy sem, és ha mégse ez, akkor nem akartam letépni a chipet a bordával.
A tranyó GNDje 100%, mert a panel-felfogató csavarhoz is megy (teliföld szerűen).
Kicseréltem a puffert és a diódát is. Most 70° os a borda is meg a kondik is.
Tisztelt szakik, hozzáértők!
Van egy Samsung Syncmaster 191t monitorom, ami bekapcsolást követően egy pillanatra felvillantja a képét, majd elsötétül. A ledek azt jelzik, hogy be van kapcsolva. A kapcsolóüzemű tápnak vagy inverternek a hangja megváltozik elsötétülés után, hangosabban zizeg. Ezen jelenség alapján a tápegység vagy a háttérvilágítás invertere lehet hibás? Esetleg ez lehet valamilyen tipikus hiba?
Kerlek, olvass vissza. Gyakorlatilag az egesz topic errol a hibarol szol. Egyebkent szerintem hattervili.
Szia!
Ez tényleg meleg ott egy kicsit, de ha huzamosabban járatva nem megy feljebb, akkor elfogadhatónak mondható. Valószínű, eredetileg is fűtött rendesen, de erre már nemigen található semilyen adat, vagy tapasztalat. Itt már nehéz lenne kitalálni, mit kellene még tenni a javítása érdekében.
Sajnos még mindig nemkaptam választ a #813300-as számú kérdésre... valaki segítene?
Igy elso hallasra belsotap-hibas a monitorod. Valoszinuleg a kondik puposak.
...vagy ha nem, hat kisnyul...akkor majd megyunk tovabb.
köszi a választ... akkor majd szétkapom aztán kuksizok
Nos, most összerakva használom, illetve csak használnám, mert természetes most adja az ívet, és lekapcsol.
érdekes, mert sokszor úgy hülyül meg, hogy a Fujitsu-siemens feliratot mutatja folyamatosan, hiába kapcsolom ki-ba a powergombjával, akkor is csak a felirat/logó tér vissza a monitorra. Szóval a borda nem jött be |
Bejelentkezés
Hirdetés |






(pedig az volt anno az első, amit megmértem, nehogy pont ez történjen...)








