Fórum témák
» Több friss téma |
Fórum » PC táp átalakítás
A vezérlő ICnek megvan a tápja? a Készenléti 5V rendben van?
Ahhoz tuttommal nem lett nyúlva.És előtte működött a táp.Azt hogyan tudom mérni?
Nem lehet, hogy a szekunder oldalon rontottál el valamit? Pl.: schottky dióda zárlat, vagy testelés...? Rosszul bekötött pufferek? Meg egyéb apróságok.
Az IC 4-es kivezetése nyugodtan mehet közvetlen GND-re, az csak a dead-time -ot állítaná. Meg kéne nézni oszcilloszkópon, hogy az IC kap-e rendesen tápfeszültséget. (Azt hiszem, hogy a 12-es kivezetése a táp.) Ha nem kap tápot, akkor érdemes lenne kivülről adni neki olyan 20-30V-ot, de az eredeti tápellátást lekötni róla.
Szerintem a trafónál lesz a gond. Meg kellene mérni egy induktivitás mérővel, vagy újra átnézni.
Megmértem a diódát a szekunderon ott nincs hiba.A kondit a +a 12V-ra a minuszt a GND-re kötöttem.
Oszcilloszkópom sajna nincs.De induktivitás mérőt megpróbálok szerzni mindenképp.
Vagy inkább a dióda ha az csinál ilyet.
Bekugtam villant az izzó elaludt.Kondi nélkül multi bekötve VDC-re 0,00V.Átrakom VAC-re lásd kép.Hogyan lehet ez.A poti állítására nem reagál.
Hol mérted? A kimeneten?
Mert talán úgy lehet, hogy az egyik diódát -nem akarlak megsérteni- esetleg fordítva tetted be, vagy ott a környéken van olyan dióda, ami ellenlábaskodik. Esetleg valamelyik schottky nem bírja azt a feszültséget. (tapasztalat, hogy nem bírnak azok annyit, ami rájuk van írva, de ekkor erősen melegszenek)
A 12V ágban a dióda nem lett bántva.És most már nem ad AC-t.Pedig nem csináltam vele semmit.Egyszerűen olyan mint amikor a gyári táp nincs a PS-On a GND-re kötve.Csak halkan ciripel.A trafó után csak a 3 lábú dióda van.Aztán a tekercs aztán egy induktivitás puffer kondi kimenet multi.Az IC körül már többször is átnéztem mindnt és úgy van ahogy Sendi leírta.
Most várom hogy írjon mailt az ismerősöm akitől induktivitás mérőt akarok kölcsönözni. Viszont van nekem egy szintén 300W-os tápból szárbazó trafó 2*20N primerrel és 2*17N szekunderrel megtekerve. Vagy ha nem jó szekundernek a 2*17N akkor esetleg át tudom azt tekerni.Mert akkor abba biztos nincs olyan hogy valami zárlatos.
Tévedtetek nem a trafó.Kipróbáltam egy újra tekert trafóval is.Azzal sem csinál semmit a villanáson kívül.Az IC nem mehetett tönkre amikor kiment abiszti meg a primer tranyók?
elég szar a kép mert este van meg telefonos de látszik hogy az eredeti trafó is el van szigetelve.
Lehet hogy szert tudok tenni egy másik működő tápra.Ha 494-es IC van benne akkor megpróbálom azt átalakítani.
Induktivitás mérőt nem sikerült szerezni
Engem is elért a PC táp átalakítás
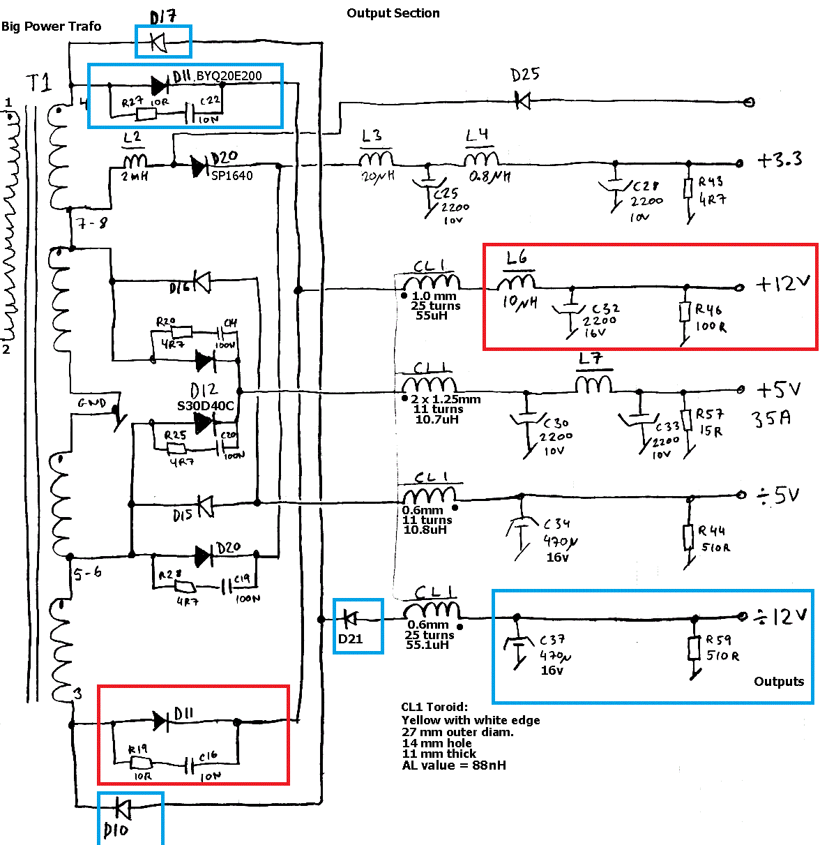
. Segítségeteket kérném mert nem akarok semmit elrontani.Szóval megkerestem a tápom kapcsolási rajzát, és bejelöltem, pirossal, hogy mely részek tartoznak a +12 Vos részhez csak ezek az alkatrészek maradjanak, vagy a -12Vos rész alkatrészei is (kékkel). A többit kitermelem. Válaszotokat köszönöm.
Ajjaj nézem a vezérlés átalakítást és lehet, hogy ezt egy kicsit körülményes lesz átalakítani.
Helló.
A szekunder rajzon a felső (D11) is a +12V-hoz tartozik (az a kék négyszög az kell). Én megtartanám a CL1 tekercset is. Mi van a +3.3v, +5V, és a -5V-tal? A vezérlése: Ezt az IC-t nem ismerem, utána kellene nézni, de azt látom, hogy szüksége van az összes (5 db) kimenő feszre, és ezt ellenőrzi, (meglétét, értékét) és ez alapján vezérli a PWM-t. Én maradnék, maradok a 494 PWM-nél, azt egyszerűbb átalakítani.
HEllo.Meg tudnád mondani hogy a Te átalakított tápodban mi a 2 IC típusa.Ma szert tettem egy 300w-os szinte kinézetre teljesen a tiéddel megegyező tápra.
Az enyémben a 2 IC: CM339 RE46C KA7500C Meg kaptam egy 700!!!w-osat is.Azért adták oda mert a gépet nem indítja.Pedig megvannak a feszültségek. De ahhoz nem merek hozzányúlni.
igen én is erre gondoltam, de ez egy egészen jó 400W-os táp, rövidzárvédelemmel, nem akarom kidobni, még agyalok rajta, de sajnos nem találtam az IC-hez adatlapot, a kimenő feszülségértékeket, meg talán stabilizátorokkal be lehetne adni az IC-nek, már csak az a kérdés, hogy akkor hogyan szabályozzuk a PWM-et
és a 16-os láb a PWM controller, ha minden lábra megadom az elvárt feszültségértékeket, akkor a PWM lábat tudom állítgatni egy potméterrel, már csak az a kérdés hogy honnan veszek egy 12Vos feszt
Helló.
Igen az enyémbe is azok vannak, (csak a másik típus). Nem lenne egyszerűbb lépésről lépésre leellenőrizni, hogy mit csináltál. Az embernek meg kell találnia a saját hibáját. Nincs mindig kéznél egy újabb és újabb javítani való. Csak szerintem kapkodsz. Az áttekercselt trafó csere pedig nem volt jó ötlet.
Hello.A 700W-osnak az ahibája hogy elindul de a feszültséget ki is adja de nincs benne áram.A 12V-os ágba egy 20W-os izzó vissza húzza 5-6V-ra.Azt mondták nekem hogy Dióda vagy tranyó.
De ezt nem kérdeztem meg itt mert máshol már megkérdeztem.
Hello.De az abaj hogy egyszerüen nem indul el.Nincs benne zárlat a trafót is átnéztem újra az IC körül többször is és mindne oké.De egyszeűen nem indul.
Mint mikor PS-On nincs GND-n.Dehát a 4es láb GND-n van.
Ahhoz hogy elinduljon nem elég a 4 lábat GND-re kötni.
Kell 15-30V közötti táp a 12 lábra, és a 15-16 lábnak azonos potenciálon kell lennie.
Igen a 15-16 össze van kötve.És a 16tól(ha jól emlékszem)minden kiszedve.
És amikor bedugom de nem indul azt a 15-30v-ot ki tudom mérni hogy van-e?
Igen. AZ IC 12 -es kivezetésére teszed a mérőműszer piros szondáját, a GND-re pedig a feketét. DCV mérésben, 200V-os méréshatárral.
Természetesen. Ha a 16-oson van 16V, akkor megy a stanby, és kell lenni 5V-nak. Van a lilán 5V?
A GND 1 közözz 0,1V van.A GND és 2 között 2,5V van.
Igen mérhatő 5V fesz.Nem a lilán mértem hanem az IC körül több ellenálláson is. |
Bejelentkezés
Hirdetés |






. Segítségeteket kérném mert nem akarok semmit elrontani.







