Fórum témák
» Több friss téma |
Nekem a Pactor-Amtor a kedvencem. Őrületesen jó. Bővebben: Link
A sávszélesség szükség (szűkösség) ráviszi az embert sokmindenre. Meg az erős zavarkörnyezet.
433 MHz en akár 1 MHz is lehet, az amatőrőknek meg pár tíz kHz jut a problémák megoldására, igaz globális méretekben.
A rövidhullám egy gyilkos környezet. A sávszélességet nem adják könnyen.
összeraktam egy oszcillátort szimulációra és olyan mint ha elkezdene rezegni majd az idő teltével csökken az amplitudo. Vajon a kapcsolással van baj vagy az Altium szimulátorával?
pucuka egy ilyen kis oszcillátor működését inkább szumilálni tudom mert ehhez igen kellene legalább egy 100Mhz szkóp hogy jól lássam a szinuszt. Itthon még régebben építettem egy rf teljesítmény mérőt (germániumdióda+mutatós műszer+poti+50R műterhelések) szóval az épp meg tudom nézni hogy működik e csak a jelalakot nem látom....
A visszacsatolást növeld meg a C4, C7 arányának megváltoztatásával. A jelalaknak nem igazán van jelentősége, bőven elegendő az RF jelszint mérése (érzékelése). De nem kell bele az 50 ohm, csak feleslegesen terhel.
az 50R ki be kapcsolható, igazából változtattam az arányokat de csak az elején al elindulásnál lett rosszabb a jel végeredményben ugyan úgy esik az amplitudó és a végén 0.
A netet bújom már mióta, sok fajta kavics oszcillátort berajzoltam már de mind ezt csinálta... szóval tényleg a progi a szar vagy csak nem tudom hogy mit kelll benne átállítani.
Vagy az erösítés, vagy a visszacsatolás kevésMás lehetőség nincs. A tranzisztor paraméterei jók?
A tranzisztor nem tűnik rossznak, de próbál bele ha lehet BFR93 at. Ilyenkor a karakterisztika nem igazán érdekes, de a kapacitások igen. Nomeg a négypólus paraméterek, dehát azok nincsenek.
Olyan tranzisztort nem találtam de megpróbálom átírni a tranzisztor tulajdonságait rá hátha...
BFY 16/a, BF177, BF224, BF225, BF196, BFr , BFX, BFT, stb
Egy alap AM vevő...
-Hangolókör -RF erősítő -demodulátor(egydijódás) -valamilyen hamg frekvenciás erősítő. Nem lehet ettől profibbat csinálni? (vagyis ez hülye kérdés volt )Tele van ilyen szemetekkel a net... Nem létezik komolyabb demodulálás? +Valami olyasmi RF erősítő hogy ne kelljen sok méter dipól antenna,csak kb 10cm? A hangolókört nem lehet kiváltani valamivel ami stabillá teszi a vételt és nem mászik el a vételi freki? TDA7000 az FM vevő ic. TDA7021T az AM/FM. Sehol nem találok csak ezekre épülő kapcsolást AM vételre. Pucuka akkor elvileg: -hangoló kör aminek a rezonacia frekvenciája a vételi frekvencia? -RF erősítő... Valakinek nincs egy bevállt kapcsolása erre? (15-30Mhz környékére) -Demodulátor. Szerinted elég megbízható ez a diódás megoldás? Nincs valami jobb megoldás? Amiről nem találtam szinte semmi infót a neten az az Audion(vevő) kapcsolás. Ez emnnyire érzékeny? Mekkora a szelektivitása stb... Jellemezné nekem valaki?
Ha például én 16,24Mhz működő adómat akarom venni akkor a bemeneten azt a hangolókört(rezgőkört) a Thomson képlet alapján akkor C=48pF és L=2uH?
Ha lehet, ne nevezzük adónak, amig nem adó, és nem használsz frekvenciát, addíg jó. A frekvenciahasználatnak nemzetközi egyezményekből fakadóan törvényben szigorúan szabályozott módja van.
A vevő nem más, mint egy meghatározott sávszélességgel rendelkező vivőfrekvenciás erősítő, mely után a moduláló jelek kinyerése következik, a moduláció módjának megfelelő áramkörökkel. Ezután következik a demodulált jel feldolgozása. (erösítése, formálása. Minden vevőben alapvetően ezt a három funkciót valósítják meg, az igényeknek megfelelően különböző bonyolultsági fokon. (meglehetősen profi vevőket is építenek, de az már nem hobbikategória, de a lényeg ugyanaz) Antennát (hangszórót, mikrofont) sohasem tudod megkerülni, a méreteivel erős engedmények árán is csak szűk lehetőségek között tudsz lavírozni. A miniatűrizálás legnagyobb akadálya a hangolóköri elemek integrálása, ezért meglehetősen bonyolult áramkörökkel kapcsolástechnikákkal operálnak, mint pl. pont a TDA IC -k, meglehetősen kevés külső hangolt elem kell. A stabilitást az elektromechanikus elemek, kristályok, kristály, és piezo szűrők, rezonátorok, biztosítják. A hangolókör(öke)t pedig PLL áramkörökkel kvarcstabil alaphoz stabilizálják Az AM/FM IC vel pedig az adatlapján szereplő ajánlott rajz szerint, csak az AM részt beültetve készítheted el a vevődet. - Egyenes vevőnél a hangoló kör rezonancia frekvenciája a vételi frekvenciam sávszélessége a rezgőkör jósági tényezőjétől függ. Egy kör sávszélessége elég nagy, ezért a rezgőköröket csatolásba hozva alakítanak ki sávszűrőket. Ezek helyett lehet használni az elektromechanikus szűrőket. - RF erősítő nem különleges, bármilyen erősítő jó ami a kívánt frekvencián erősít, pl. földelt emitteres erősítő. - Demodulálni lehet sokféleképpen AM et is, de ezt diódával a legegyszerűbb. (általánosan elterjedt) de lehet szorzóáramkörrel, VCO/PLL -el. Audion szelektivitása sokminentől függ, kiviteltől rezgőkör jóságától, visszacsatolástől, zajosságátől. Ezek olyan adatok, amiket a kész áramkörön lemérnek. Elnézést a hosszúra sikeredett egyáltalán nem teljeskörű kis összefoglalásért.
Ez csak egy példa volt úgy kezdtem. Köszönöm
A TDA7021T is FM vevő, nem csoda, hogy nem találsz AM kapcsolást hozzá. Bővebben: Link
Ilyen kis gagyi zsebrádiókba már láttam TDA7021T-t és az tudod AM/FMet egy kis kapcsolóval... akkor azt nem is az ic tudta?
Lenne még pár kérdésem.
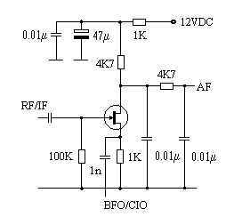
-A vevőkben a keverő(mixer) az azt a célt szolgálja hogy a beérkező rf jelet egy helyi oszcillátorral keveri amiből a középfrekvencia lesz a kimenet? FM10,7Mhz, AM455Khz általában. Ez egy kivonó áramkör lenne? (mármint az RF mixer) Ezután a fokozat után (általában) egy KF erősítő szokott lenni. Ha megvolt az erősítés akkor jön a demodulátor. Ezt a részt nem nagyon értem AMnél. Találtam egyfajtát ami AM(szerintem)demodulátor és a kérdésem az lenne hogy a BFO/CIO bemenetére milyen frekvenciát kell adni? Vagy hogy lehet azt számolni? Vagy eggyáltalán mire való? ![]() Elképzeléseim szerint ha ez is tulajdonképpen egy keverő(mixer) akkor ide a lekevert középfrekvenciának kellene mennie és a két bemenő frekvencia kivonódik egymásból és megkapom az adó oldali frekvencia modulációs frekvenciát? vagyis az információt (moduláló jelet)?
Hello
Keverésnél a két frekvencia külömbsége és összege is megjelenik a keverő kimenetén, amire szükségünk van azt szűrővel válasszuk ki. A produkt detektort SSB/CW vételre használják. A BFO frekvencia azonos a kf frekvenciával de pár KHz-et változtatható. Am demodulálásra elég egy dióda, vagy tranzisztor az már erősít is. Én adatátvítelre valami cél ic-t keresnék, pl: CC2500
Mindenképpen alacsonyabb frekvenciára kellene a vevő.
egy egyszeres keverésű szuper vevőre gondoltam amit építeni kellene. Az első keverő után ha én a pl 18mhz-et szeretném venni akkor a helyi oszcillátoromat 18Mhz alá vagy felé hangolva megkapom a 455Khz-es középfrekvenciát amire (a keverő kimenetére) egy 455Khz-es szűrőt tennék ezáltal feleslegessé vált az RF bemenetre sáváteresztőt tenni? Ezután a Kf erősítését egy LF356-al gondoltam, ezután pedig egy szorzó demodulátort.
* Használd helyesen a mértékegységeket. Egyetlen frekvenciát sem sikerült eltalálnod. Mi a 'hz'? kosút lalyos.
* A bemenetre kell szűrő, különben a tükörfrekvenciát is venni fogod. Ha hangolható a vevőd, akkor a bemenő szűrőt és a helyi oszcillátort párhuzamosan kell hangolnod.
Nem értelek mi a gondod? Csak siettem az írással ennyi... Értem. Akkor kell szűrő.
Valaki tudna nekem egy linket küldeni ahol ilyen sáváteresztő szűrő méretezések/képletek vannak? Vagy tegyek sorba egy alul és egy felül árereszrőt?
Szerintem építs meg egy már mások által elkészített kapcsolást. Sok ilyet találsz és így a sikerélmény is könnyebben meg lesz!
Te sietsz, és tőlem veszed el az időt, hogy megfejtsem, mire akarsz gondolni.
|
Bejelentkezés
Hirdetés |








)






