Fórum témák
» Több friss téma |
Fórum » Kapcsolási rajzot keresek
Témaindító: Kallai Csaba, idő: Márc 11, 2006
Témakörök:
Lehet, csak a feszültséget kisebbre, a cellaszám X 1,35 V kell
a 47 k potival állítani , és a pakkot a memória effektus miatt ajánlatos cellaszám X 0,9 V feszültségig kisütni. ![]() Miért ütöttél 6 entert a smilének ..?
okés, köszi.
A bemenetre hány V-ot kell adni? Ebben benne van a kisütő?
Hello!
lenne egy kérdésem. Itt van egy kapcsolási rajz. http://kepfeltoltes.hu/110213/kapcs1_www.kepfeltoltes.hu_.jpg Az én elképzelésem szerint ez a lámpa jó estben villog. De nem teszi. HA 7,5 V-t kötök rá akkor nem csinál semmit, ha 9V-ot akkor meg folyamatosan világít. Az ellenállást potival állítottam, semmi eredmény, a kondi egy 47µF-os, a tranzisztor egy MPSA92. Az alkatrészeket totál véletlenül válogattam össze, amit találtam. Tudom ez óriási kontár munka, csak arra lennék kíváncsi, hogy ez így működhet, ha megfelelő méretezésű alkatrészekből rakom össze? (esetleg gondoltam, hogy a kondi után is kellene egy ellenállás, hogy lassabban süljön ki). UI: ha azt mondjátok hogy ez akkora marhaság, hogy nem lehet mit mondani rá, azt is elfogadom, csak jó lenne tudni miért gondolom teljesen rosszul, hogy ez a led villoghat. Köszi!
Helló!
Miért villogna? A kondi feltöltődik és kész. Addig,míg a kondi töltődik,addig esetleg világít az izzó. Valószínűleg nagy a kondi szivárgási árama azért világít a magasabb feszültségnél. Üdv. Ottó
Hi!
Akkor én valamit nagyon félreértettem a kondival kapcsolatban. Próbálok eligazodni ebben a világban, hogy mi merre, de nem nagyon megy. Arra gondoltam, hogy a kondi, feltölt, kisüt, feltölt kisüt. A tanzisztor ebben a ritmusban, nem vezet, vezet, nem vezet, vezet. Szeretném érteni is mi hogyan működik, nem csak összerakni a kapcsolási rajzokat (nem mintha az menne).
Szia!
A vezet-nem vezet dologhoz kell még egy tranzisztor. Nézd meg az astabil multivibrátor kapcsolást.
A kísütőt nem tartalmazza, bemenő fesz. 4-5 V-tal legyen nagyobb a töltendő akkupakk feszültségénél, akkor jól működik az áramgenerátor.
A tőltés végén a LED kialszik, de ha az akkupakk fesz. néhány tized V-tal csökken ismét tölteni kezd a készülék. Igy automata, bármeddig rajtahagyhatod az akkut.
Ha már így a villogó áramköröknél tartunk.Én is mindig a villogó áramköröket szerettem volna építeni kisebb koromban(12-13 évesen).Mindent mindennel összekötöttem ellenállásokat,kondenzátorokat,diódákat,LED-et de sehogy sem akart villogni.Egyszer kaptam egy régi típusú számológépet ,magyar típusú volt.Még DIL tokos IC-k voltak beleépítve,és egy HIKI által gyártott hibrid IC is helyett kapott benne.(Akkor ezt még nem tudtam, hogy miféle alkatrész).Azt hittem tranzisztor,mert három lába volt fekete kiöntött ,műanyag tokban.Kíváncsiságból rákötöttem egy piros LED-et, meg egy 4,5 V lapos elemet
áramforrásnak.Először nem csinált semmit az áramkör, aztán addig kötözgettem a drótokat,amíg a LED el nem kezdett villogni.Az első villogó áramkör, amit én csináltam ez volt.Nagyon örültem neki, hogy villogásra bírtam a LED-et.Gondolom valamilyen órajel generátor áramkör volt a hibrid IC. Aztán pedig egy könyvben véletlenül láttam meg az astabil multivibrátort, meg is építettem légszereléssel.Nagyon nagy élmény volt. Ajánlom mindenkinek az astabil multivibrátort!
nagyon köszönöm a segítséged, és a rajzot.
Szivesen segítettem, ha úgy döntesz elkészíted, és infóra van szükséged, kérdezz nyugodtan.
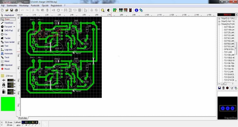
Még egy kis segítség, a töltő pcb terve sprint layoutban
Ezt és az előzőeket én is nagyon szépen köszönöm, ha hiszed, ha nem, most pont egy ilyenre van szükségem.
Egy kérdés: a töltési végfeszültséget csak töltés közben tudom mérni, vagy kiszámolható valami módon? Szép napot!
Te állitod be a 47 k potival, a battery kapocsra polaritáshelyesen szabályozható tápból vagy akár 15-16 v fesz.-ü telepből és 1k potméterből álló műkapcsolásból
14.4 v-ot állits be. A 47 k potit addig állitsd mig a led el nem alszik.
Köszi, én ezt egy 6db sorba kötött ceruzaaksi (nimh) töltésére fogom használni, 12V adapterrel. Sajnos az akksipakk megbonthatatlan, és az adapter is adott (ezt kérték) így az elektronikán kellett variáljak, hogy jó legyen. Elvileg akkor 6x1,4V-ot kell beállítsak?
Üdv!
NIMH akku töltési végfesz.-e 1,45 V
NICD 1,35 V Savas ólomakku 2,4 V A töltőáramot a 12 ohmos ellenállás csökkentése növeli,zárt kapcsoknál meg lehet mérni az áramgenerátor áramát, ez független a tápfeszültségtől.
Nagyon szépen köszönöm, ma meg is kell építsem, majd írok a fejleményekről.
Üdv
Nekem egy egyszerü avr es kapcsolás kéne látam már egy ijet attny45 el az a lényeg hogy legaláb 2 szervot meg tudjon hajtani. :yes: [i]Elöre is kösz.[/i]
Szia! Egy keveset tudtam csak foglalkozni tegnap este a kapcsolással, majd ma. Viszont egyvalamit kérdeznék: a kapcsolási rajz eltér a nyákrajztól (6,2V zener - 6,8V zener). Melyiket vegyem alapul?
Köszönöm a segítséged! Üdv
Teljesen mindegy. Csak a tápfeszt állítja be az ic-nek.
Ó, köszönöm! Jó süsü vagyok, előbb kérdezek, mint hogy gondolkodnék! További szép napot!
Üdv
A nyák-ot én terveztem, duplán van de a felét is használhatod, ketté kell vágni.
Az alkatrészek némileg változtak, a nyák-ban levők biti jók mert a 10,25 v-ra beállitott töltőt azóta is használom 8,4 v-os MIMH hasábakku töltésére, sőt nagyszerűen használható 9 v-os alkálielem regenerálására is.
Sziasztok. Fisher RS-245 kapcsolási rajzát keresem.
A barátunk most nem volt nagylelkű és nem könnyíti meg a munkám! ( Sőt csak hátráltat... ) Akinek meg van a rajz, vagy tudja, hogy honnan lehet előteremteni az kérem írjon ( akár PM is ) !Köszönöm! Üdv.
A battery kapocsra kapcsolj árammérőt 1 A állásban, a 12 ohmos ellenállást helyettesitsd egy 10 ohm 5 w-os
potival, add rá a tápot, és óvatosan állitsd be a töltőáramot. A BC557 helyett használj BD242-t, lent az adatlapja.
Szia! Megépítettem, de sajnos elsőre nem akart működni, így este 11 fele hagytam a fenébe, de amint lesz időm vele foglalkozni, visszatérek majd rá. Köszönöm a kapcsolást!
Jó hétvégét!
Bocsáss meg sajnos kis hiba van a nyák-ban most vettem
észre hogy nem lett javítva. Ha a nyák alapján készítetted el a töltőt akkor az R6 18 K-os ellenállást ne a beültetésen jelölt pozícióba, hanem az ic. 3. és 5. lába közzé a panelon alulról a forrpontra forraszd fel. Küldök egy másik képet, pirossal jelöltem a változtatást.
Szia! Köszönöm, hogy szóltál, igen, a nyák alapján csináltam, hát így jártam, majd kijavítom, ahogy időm engedi. És ha megengedsz egy megjegyzést: jpg-ket egy picit nagyobb felbontásban próbálj meg feltölteni. Most nem volt gond, mert mellette volt a sprint layout file, de ha anélkül kellett volna kibogarásznom a jpg-t, akkor lettek volna bajok. - Ez csak egy jótanács, nem piszkálásképp írom.
Üdv
Igazad van, nem a legjobb, nem tudom az SP-ból hogy lehet képfile-t kivenni, úgyhogy egy sprintscreen volt
és ilyen lett.
Üdv Topiktársak!
Kérem segítségeteket, egy Panasonic SU-2700 tipusú stereó erősítő kapcsolási rajzát. A keresésben addig eljutottam, hogy megtaláltam, de sajna nem vagyok "Elektrotanya"-s, így nem fértem hozzá! ![]() Köszönettel: Gyuri
Szia!
Ott sincs fent megnéztem neked. |
Bejelentkezés
Hirdetés |






írjon ( akár PM is ) !






