Fórum témák
» Több friss téma |
És tuc valamit ajánlani CD4016 vagy HCF4010 vagy V4023D
Nem értelek. A 4016 az négy kapcsolót tartalmaz, a HCF4010 meg NAND kapus buffer meghajtókat, V4023D megint tök más dolog. Az hogy a 40-es sorozatú C-MOS IC-k osztályába sorolhatóak, még nem jelenti a kompatibilitásukat is. Tudni kellene hogy mi mit jelöl, jelent, és utána építkezni belőle. Mert így nem fog menni. :no:
(A "tuc", az két c, és szókettőzéssel, zenei irányzat beceneveként ismeretes.)
Oké értem boccs csak megkérdeztem volna mivel hellyetesíthető!! (még kezdő vagyok ezekbe)
Szia
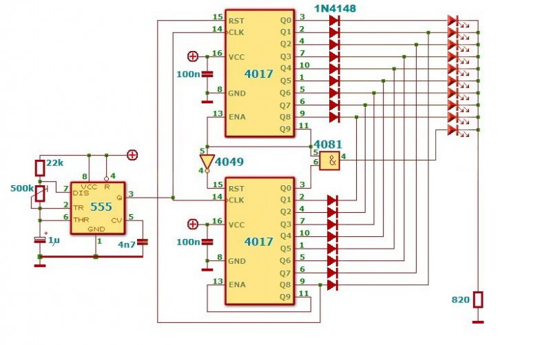
Szerinted működőképes lehet ez a kapcsolás? Elvileg a Knight Rideres futófénynek kellene lennie 10 Led-el. Üdv. Zoli
Sziasztok!
Lehet, hogy nem pont ide való ,de majdcsak átthelyezik, a MOD-ok! Szóval, kaptam egy autóból kiszerelt "pótféklámpát" , ami sajnos csak részlegesen működik. Tennék fel 1-2 képet, amik bár nem tul jók, de hátha valaki ez alapján tudna segiteni ujjra éleszteni a 2 elhalt izzót... mert ebben sajnos nem LED van, hanem karácsonyfa izzó szerüség. Amit tudni kell: középen a STOP felirat alatt van 4 db izzó ami ha energiát kap a cuccos, akkor egyből világít folyamatosan. Mellette jobbra-balra 4-4 izzó. Úgy müködnek, hogy amikor rákapcsoljuk a feszültséget, akkor középről kifelé fut a fény. be lehet ugy is kötni, hogy külön-külön 1-1 oldal fusson csak, de az nem annyira kell nekem. Amire rájöttem: mindkét oldalon a 2.-ik izzó nem világit, ennek valószinüleg az az oka, hogy az "SMPS A13 EB251"- es kütyü, el van égve benne... .Még annyi, hogy van benne egy Toshiba 9221W TC4017BP-jelzésü izéke is. Bocsánat, nem vagyok szakember sajnos!Kérdésem a küvetkező: elég, ha ezt kicserélem (SMPS), vagy ezen kivül más is sérülhetett benne? Lehet -e még ilyet kapni, vagy csak valami helyettesitő van már csak? A képekért bocsánat, de fél órát küzdöttem, de nem tudtam jobbat készíteni.. Köszönettel: Anti A hozzászólás módosítva: Jan 15, 2013
Mielőtt mást javítanál, az izzókat ellenőrizd.
Köszi, ez alap, hogy azt megnézzem, amugy szemrevételezés volt csak eddig, de ugy jónak tünik mindkettő izzó. Mellesleg azon a félkör formáju dolgon (ha jól sejtem tranzisztor) látszik egy kisebb kráter, aminek a széle kormosan meg van égve.
Sajnos a képekről nem sok információ szerezhető. Nagyon életlenek. Ha nincs makró üzemmód a masinán fotózd olyan messziről, hogy éles legyen és a számítógépen vágd le a fölösleges részeket a képről. Így csak homály van, még nagyítani sincs értelme.
Szia. Én ugyan nem ismerem a kérdéses pótféklámpát, de ha nem LED van benne, akkor talán rizsszem izzóval: Link készítették el. ( A linkben az izzó méretei: Átmérő 3mm. Hossz 8mm. De vannak ennél kisebbek is. ) Ellenőrizd le hogy az izzók mekkora feszültséget kapnak.
A "9221W TC4017BP" egy 4017: Link-es CMOS, 10 lépéses számláló IC. Nem bonyolult alkatrész. A megfelelő vezérlőjelek beállítása után az órajel hatására a kimenetire egyesével kapcsol tápfeszültséghez közei feszültséget... ( Aktív kimeneten H szint mérhető, a többin L szint van. ) Az adatlap alapján és egy műszerrel a kimeneteket gyorsan le lehet ellenőrizni.
" az "SMPS A13 EB251"- es kütyü " NPN tranzisztort sejtet a nyákmintát végignézve. S valószínűleg MAX 800mA-1A körüli árammal. Talán a BC337: Link-es tranzisztor helyettesíthetné. De pontos adatok nélkül elég nehéz jó helyettesítő alkatrészt ajánlani. Meg kellene mérni, hogy a hibás tranzisztoron mekkora áram folyt át. Az ampermérőt a hibás tranzisztor EC kivezetéseire kell tenni. ( A bázis, egy ellenálláson keresztül a 4017-es egyik kimenetére van vezetve. ) Ekkor a hibás sor -amennyiben nincs már zárlat,- világítani fog és a műszeren leolvasható az áramerősség. Ennek ismeretében már lehet konkrét típust is ajánlani.
Talán a kérdéses alkatrész az MPSA13: Link-as típus lesz. Ez egy 500mA-s NPN darlington tranzisztor. Az adatlap szerint az MPSA14: Link-es is jó lesz, s nem is kell messzire menni érte.
Szia Jani!
Köszönöm, hogy érdemben foglalkozol eme kis bajommal. Az a rizsszem izzó nagyon hasonlit arra ami ebben van, csak ennek "csucsos" a vége, de sztem kb ugyanaz. A feszültségmérést nem tudom megoldani 2 okból: 1 nincs a közelben most autó, igaz van egy Somogyi-s szabályozható adapterem, 1A-es , de az nem biztos, hogy hiteles lenne. A másik ok, hogy a multiméterem nem irja ki olyan gyorsan a feszültséget, mint amilyen gyors a felvillanás.. ! Viszont a 2 féle feszültség, az nagyon valószinü, ugyanis gyártottam egy golyóstollból és egy 12V 1,2W-os izzóból próbalámpátés van, ahol a panelen halványabban világitott.A tranzisztorral kicsit gondban vagyok, meg kell vallanom, hogy villanyszerelő végzettségem van, de mióta kikerültem a suliból, azóta nem mértem áramot, és szinte mindent elfelejtettem ezzel kapcsolatban, de holnap meggooglee-zom és megcsinállom, ma már nem volt(van) rá idő. addigis igyekeztem csinálni 1-2 "jobb" képet. Köszönöm a segitségedet addigis és előre is ! Ha ezt sikerül megoldani, akkor lesz még 1 problémám, remélem abban is tudsz segiteni! Maradok tisztelettel: Anti
Szia! A megégett alkatrészeket ajánlott kicserélni...
Kedves Fórumozók.
Van egy ASC105-ös futófényem, ami nem működik. Hol tudnám javíttatni?? Köszönöm a segítséget:Gyula.
Sziasztok!
Szükségem lenne egy futófényvezérlőre, amely ide-oda fut (inverzben is), illetve körbefutást (inverzben is) tudja sebesség szabályozással. Továbbá 2, 4, 8, 16 csatornát tudjon külön programként kezelni. A mellékelt áramkör elvileg programozható és szerintem ez meg is felelne, azonban a program részéhez nem nagyon értek és ebben kérnék segítséget. Előre is köszi!
Segítség kellene. Azt a kapcsolást keresem ahol a futófény órajelét egy villogó led adja.
Köszi Illetve érdekelne tudtok e más integrált villogót, ami nem 555 és egy pár ellenállás, vagy tranyó ellenállás kondik, hanem egy max 2-3 alkatrészből áll.
Illetve logikai IC segítségével tudsz egyszerűen villogót készíteni. Link
Köszi.
Az lenne a kérdésem, működik e úgy a példa szerinti futófény ha a ledek IC-vel ellentétes oldalát egy pontba kötöm össze s onnantól egyetlen egy ellenálláson keresztül testelem, s nincs minden egyes lednek külön ellenállása? Hisz úgyis egyszerre csak egy ellenállás működik, s a 4017-et úgy tudom nem zavarja az ami a kimenetén van vagy sincs. A hozzászólás módosítva: Feb 28, 2014
Így gondoltam: Kép
A hozzászólás módosítva: Feb 28, 2014
Hello! Működik,mert a 4017-nek mindig csak egy kimenete aktív. Külön ellenállás csak akkor kellene, ha eltérő színű Led-ekből állna, és a tápfesz alacsony lenne. Vagy is a Led-áramok között jelentős különbséget okozna ez. üdv!
Igen lehetséges úgy is. De akkor a villogó LED -et a képen látható látható módon át kell kötnöd.
Remélem érhető.
Köszi
De van még egy baj. 3.7 volt tápfesz lenne neki. Ennyinél még működhet?
3,7V esetén, már ellenállás sem kell, mert szerencsétlen IC alig tudja meghajtani a Led-et.
Egyik ellenállás se kell?
Csak az IC, s a ledek?
Az számít valamit, ha SMD kivitel? Az alacsonyabb fogyasztású?
Esetleg van A 4017-ből alacsony fogyasztású kivitel? Vagy alacsonyfogyasztású ledet használjak?
Ennél egyszerűbben nem tudsz villogó áramkört építeni.
Kivéve, ha céleszközt használ. |
Bejelentkezés
Hirdetés |





.Még annyi, hogy van benne egy Toshiba 9221W TC4017BP-jelzésü izéke is. Bocsánat, nem vagyok szakember sajnos!










