Fórum témák
» Több friss téma |
Hello!
Kicsit keressél az oldalon, mert számtalan hőmérő rajzot fogsz találni, ami hasonlítani fog erre. Csak nem ebben a topikban. Hiszen itt nem a hétszegmenses kijelző a lényeg, hanem a 7107 DVM és a hőmérséklet mérés. üdv! proli007
Sziasztok!
Volna egy pár kérdésem. Van egy kapcsolási rajz ami közös katódú kijelzőt használ. Nekem pedig közös anódú kijelzőm van egy marékkal,akad egy pár db. ULN2003-as IC is. Ha beraknám a ULN2003-ast, az ugye invertálja a kimenetet. Ez a része ha jól gondolom rendben is van. Amivel gondom van az hogy az IC 9-es lábát bekössem-e,ha igen akkor hova? A T2-T3-at meg kell-e cserélnem? A T2-T3-nál a VSS helyet VDD-re kell kellene kötnöm? Elnézést ha nagy butaságokat kérdeztem de elég kezdő vagyok.
Ha szoftvert tudsz változtatni akkor csak a t1,t2 tranzisztort kell NPN ről PNP re cserélni ,valamint a plusz tápra kötni az emittereket.A programban pedig az összes kimenetet invertálni kiírás előtt.Ha nem, akkor kell a kimenetre az ULN ,és a tranzisztorokat ugyan úgy át kell variálni mint előző esetben.A kijelző dp lábaival ha nem kötöd sehova akkor sem okoz gondot ,ha be akarod kötni akkor valóban a másik táphoz kell kötni. (egyébként ez a tizedespont led kivezetése. )
Szia!
Köszönöm a választ. Megpróbálok utána olvasni hogy lehet a szoftvert módosítani. (meg van az ASM kód) Ha nem sikerül marad az ULN2003.
Sziasztok!
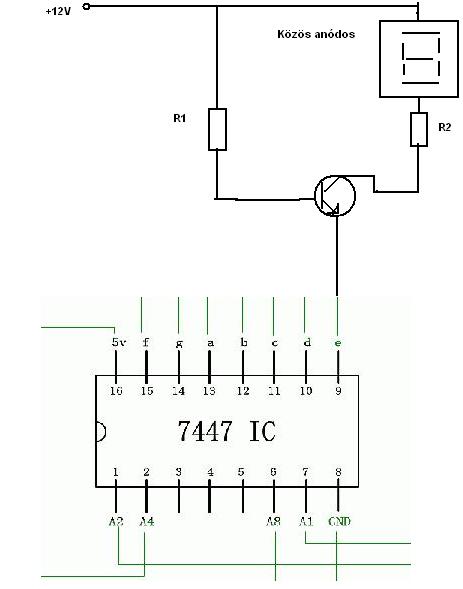
Adott a képen látható eredeti kapcsolás. Én 10V nyitófeszültségű 160mA-ert fogyasztó 7 szegmenses kijelzőket szeretnék használni. Jó e az általam készített kiegészítés, ha a LED kijelző közös anódos? Előre is köszönöm mindenkinek a választ! Üdv: Dempsey!
Az eredeti rajzon is közös anódos van, a 7447 IC active-low kimenetű, de szerintem hülyeség, ez a rajz, mert így a PICnek egy-egy lábon 160mA-t kéne leadnia....
Javítsatok ki ha tévedek.
Tudom hogy közös anódos az eredeti rajz is de az csak 20mA-et vesz fel nem 160mA-ert! Ezért kellene egy tranzisztoros átalakítás. Csak hogy jó e amit csináltam az a kérdés?!
Igazad van nem jó a kapcsolás mert tényleg 160mA-ert kéne elviselni az IC-nek
! Akkor valami PNP tranzisztoros megoldással csináljam? Vagy van ötleted?
Én közös katódossal csinálnám, olyan meghajtóval ami active-high, minden szegmens elé ellenállás, és egy ULN2803(darlington array) IC vel kapcsolgatnám a kijelzőket szép sorjában földre a közös anóddal.
Ha kevés a láb akkor shift regiszterrel 2 láb kell (data, clk), és akárhány kijelzőt ráköthetsz. Ha kicsit nagyobb PICet használsz akkor a meghajtó IC a shiftregiszter elhagyható, csak a darlington IC kell meg a PIC, ellenállások. Kvarc is kiesik mert van belső oszcillátor. Egy lábon 20mA-t le tud adni vígan, de 15-re szoktam méretezni. Egy szegmensnek bőven jó. Ha ügyes vagy akkor a NYÁK is egyszerűsödik, mert nem muszáj teljesen párhuzamosan kötni a kijelzőket, programba fel lehet cserélni a dolgokat, nem baj ha az első A pontja a második Bjére csatlakozik. Programozás kérdése.
Értem! Csak az a baj hogy csak a hex van meg nem én írom a programot! Így adottak a körülmények! Szóval active-low val nem lehet megoldani sehogy hogy elbírja a 160mA-ert?
Bővebben: Link
Ez pont jó lesz szerintem, igaz min 7 V tápfesz kell neki, de lehet van 5 Vos. 350mA-t tud leadni.
A 47-es helyett 7448-at használj,aktív magas,pin kompatibilis.A kimenetet ellenállás osztóval a tranyó bázisára.Viszont a pic kimenetet is erősíteni kell,2 tranyóval.1 npn+1 pnp.
Na az jó ha létezik aktív magas szintű is. De a PIC alacsony szintet ad ki a program szerint gondolom. Akkor át kéne írni a programot ha a 7448-at akarok használni nem? Köszi az infót.
Nem.A 48-ast csak berakod a 47-es helyére.Működni fog.A gond a pic digit-hajtásával van.Ott akkor elvileg több mint 1A kell.
Aha értelek! Persze mert összeadódik az áram! Remélem még kapni 7448-as IC-t valahol. Tudsz tranzisztor típusokat mondani esetleg egy móricka rajzot? Köszi szépen!
Lesz ebből a projektből cikk is? Ez a "távrángatós" dolog jópofa. Hozzá juthatok a dokumentációhoz?
Már több verziót nézegettem a DCF77-ből. Talán egy FULL-ost kellene csinálni. Igaz előbb még PIC égetőt és egyéb dolgot meg kell építenem. Karácsonykor vettem 45mm-es kijelzőt a Lomex-nél, leárazás van. Sárga, közös anód,45mm brutto 375Ft. Az lenne a nyerő ha a vevőegységhez megtudnám szerezni az U4224B-t. Nekem nem sürgős, ha még fejleszted akkor szívesen várok rá, persze ha nem titkos.
1A azért nem kell, mivel multiplexelt a vezétlés, így csak 8*20=160mA kell.
Tényleg a legegyszerűbb kicserélni 7448ra, ezután már csak egy uln2803 kell, pont jó, mert az eredeti közös anódos megoldás miatt a PIC magas szinteket ad az egyes kijelzők közös anódjára, szóval ha közös katódos van és 7448 akkor az uln2803 kollektoraira mennek a katódok, a bemeneteire meg a PIC kimenetei.
Már meg akartam kérdezni,mi 160mA,szegmens vagy össz áram.
Mert akkor a 7447 jó ahogy van.Közös anódos a kijelző!
Tehát akkor a 7447-es rész maradhat úgy ahogy van,a mellékelt képen csak a pices részt nézd.Akár BC182-212 párossal mehet.
Szia!
Készül belőle cíkk, nem titkos, publikus lesz hamarosan. Már nem sok feljesztési munka van hátra, csak a Nixie kijelzős elsődleges órát kell még befejezni, amelyből ez valamiért hamarabb lett kifejlesztve. (Már a harmadikat készítettem el ledkijelzős kivitelben.)- Dempsey! Nem lesz ott akkora áram, de a 10V-os tápfesz (12V!) miatt a PIC-ről le kell választani. Teszek fel egy skiccet, milyen módon tudnád megoldani a PIC felől, és talán szükséges lehet a 7447 felől is a tehermentesítés(?) - Na, ez a Lalcáéhoz nagyon hasonló lett.
Értem és az ellenállás értékeket el tudod mondani?Köszi a segítséget!
Szerintem a 47k-10k páros mindkét tranzisztorhoz jó lesz.
Szia!
Hmmm. Köszönöm a kioktatásod, ezek szerint meg sem láttad a rajzolt skiccemen a 7447 tehermentesítését...
De láttam,de az adatlapja alapján szerintem nincs rá szükség.A "kioktatást" viszont nem értem,eszem ágában sem volt.
Ez jó hír, hogy cikk lesz belőle.
Most rendeltem DCF77-et a conrad-ban, nagyon jó áron van, 2690Ft. Érdemes betárazni.
Szia!
Természetesen így is van, csak a tőmondatok félreérthetően ezt "sugallják" általában. |
Bejelentkezés
Hirdetés |







! Akkor valami PNP tranzisztoros megoldással csináljam? Vagy van ötleted?
Mert akkor a 7447 jó ahogy van.Közös anódos a kijelző! 

publikus lesz hamarosan. Már nem sok feljesztési munka van hátra, csak a Nixie kijelzős elsődleges órát kell még befejezni, amelyből ez valamiért hamarabb lett kifejlesztve. (Már a harmadikat készítettem el ledkijelzős kivitelben.)





