Fórum témák
» Több friss téma |
- Ez a felület kizárólag, az elektronikában kezdők kérdéseinek van fenntartva és nem elfelejtve, hogy hobbielektronika a fórumunk!
- Ami tehát azt jelenti, hogy a nagymama bevásárlását nem itt beszéljük meg, ill. ez nem üzenőfal! - Kerülendő az olyan kérdés, amit egy másik meglévő (több mint 17000 van), témában kellene kitárgyalni! - És végül büntetés terhe mellett kerülendő az MSN és egyéb szleng, a magyar helyesírás mellőzése, beleértve a mondateleji nagybetűket is! oookés, alighanem marad az ál-elektroncsöves megoldás ![]() . De azért tényleg köszönet a segítségért, meg az időért és energiáért amit a magyarázatra szántál! . A helyzet az, hogy a legutóbbi szakaszból, csak annyi volt világos, hogy az elektroncső olyasmi mint a hagyományos izzó. . Viszont ott már elvesztettem a fonalat, hogy mindkettő működhet váltó és egyenáramról, mert közvetlenül ez után mondod, hogy kellene transzformátor, ami váltóáramot szolgáltat... De akkor miért kell ha az elektroncső és a LED szintén üzemeltethető egyenáramról? o.O' Hiszen akkor azt csinálnám, hogy fogom a 220-at a konnektorból, azt átalakítom 12V-os egyenárammá a gyári táppal a LED-ekhez, aztán vissza váltóáramra a csövekhez?.. dáááh.. . Persze az is lehet, hogy a további szakaszon ezt is megmagyaráztad, csak sajnos egy szavad sem értettem a matematikai képletek kivételével ![]() Azt mindenesetre elértem, hogy zsong a fejem xD Sorry, hogy ennyire nem vagyok képben, de tényleg...Alighanem látszik a humán beállítottságom.. . Mindenesetre köszi ismét, és ha a tisztán LED-alapú pilácshoz további kérdéseim lesznek, megint jelentkezem
Egy ellenállásom van csak. Pozitivra kössem ugye?? Az a LED hosszabbik lába ugye?
Valamint az ellenálláson lévő szinek vagyis az irány az mindegy?
Így kell,ni! A színsorrend teljesen mindegy!
De minek görcsölnél az egyenirányítással, ha váltóról is megy a dolog. Pénz, helyfelszabadulás és megbízhatóság a nyereség a direkt táplásnál.
Köszönöm. Akkor enyenáramú bimetál nincs is? Nekem fontos lenne a 12V.
Sziasztok!
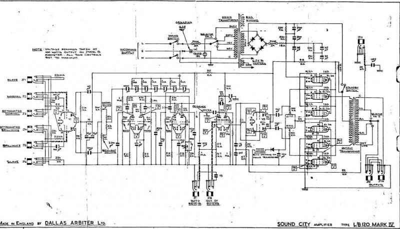
Segítséget szeretnék kérni! Van egy régi csöves erősítőm, ami eléggé búg, méghozzá egy szép G hangon. Már végigmentem a kapcsoláson. Kicseréltem benne az össze szűrőkondit, rossz ellenállást. Visszaállítottam az eredeti állapotába minden vezetékelést. Megnéztem az előfok csöveket, azok is jók. Igyekeztem a földelést is csillagban lekötni, de az a nyamvadt búgás még mindig hallható. A hangerő potikkal nem szabályozható a zaj, így feltehetőleg utána lehet a probléma, viszont most már teljesen tanácstalan vagyok! Mit nézzek még át? A trafó okozhat ilyet? Vagy valamelyik végfok cső? Vagy a lakásom földelése nem megfelelő?!?! Mellékelek egy kapcsolási rajzot is! Köszönöm!!
Szia!
Esetleg valamelyik cső nem fűtés-katód zárlatos?
1291. oldalon felraktam, hogy szerintetek ma mit készítsek unalmamban. Eddig választ nem kaptam, légyszi nézzetek utánna, ha van időtök. Vannak ott képeim , meg hogy mim vannak...
[OFF] Csinálj egy sajtos-szalámis szendvicset holnapra, tízórainak.[OFF]
Ez éppen 100W-os, 8 ohm-os terhelésen.
igazából már fogalmam sincs, mert tökéletesen elvesztettem a fonalat
![]() . Egy alapvetően LED-es pilácsra viszont szükséges egyenáramra állni.. A váltó.. már nem is értem, hogyan került a képbe, hiszen arról volt szó, hogy az elektroncső is mehet egyenáramról o.O' . Mint mondottam, elvesztettem a fonalat, most már annak is örülök, ha bármit működőképesen össze tudok hozni ebből
Itt egy kép, rajta a kérdés! Sürgi.. :pirul: (most tudom a rendelést leadni... :/ )
Kevered, mert nem nézed meg alaposan
![]() A 10nF az a c1, alatta van a 3 lábú izénél hogy 10K, tehát az egy 10k-s trimmer, az ez alatt lévő ellenállás pedig 4,7K
Jó, hát nem kell váltó a csőfőtéshez, csak szakmai szemmel az úgy praktikus, ha az egyszerűbb és megbízhatóbb utat választja a tervező. Ha ezeket a LED-lámpákat direktben rákötheted a 12V-ra, akkor egyszerű a dolgod.
kadarist azonnal válaszolt akkor is meg most is. Szerintem előbb amit már megépítettél az működjön, aztán jöhet az új dolog. Ne akarj PIC-es kapcsolást építeni amíg semmi működőt nem láttunk.
igen, ezek direktben mehetnek a 12V-ra.. viszont ha jól értem akkor nem kivitelezhető a tényleges elektroncsövek bepakolása
Semmi működőt?
Már készítettem 2x10W erősítőt TDA2003-al, működik. VU metert, ami működik.. Mindjárt rakok VU-ról képet...
Kösd sorba a két csövet és akkor kivitelezhető. Milyen csöveket tudsz beszerezni?
Nem tudnal ajanlani egy mukodokepes es konnyen beszerezheto kapcsolast ami 150-200 W korul van ?
Csinálj két-LED-es villogót. Az tök jól néz ki.
Valaki tud mutatni egy ÉS kaput pár tranzisztorral megvalósítva? Köszönöm.
Jöhetnek a képek a ki mit építettbe.
Már 5ször megépítettem, cuki kis kapcsolás...
Hát mivel monoban látok, ritkán jutok a városba, és sok ötletem még nincs, hol tudnék beszerezni ilyesmit, így inkább a netről fogok rendelni, szóval elvileg bármit ami rendelhető
Inkább kérj valakitől, aki a közeledben lakik. Pénzkidobás lenne új csövet vásárolni dekor célból.
|
Bejelentkezés
Hirdetés |




oookés, alighanem marad az ál-elektroncsöves megoldás 










