Fórum témák
» Több friss téma |
Fórum » Crystal radio - detektoros rádió
okés köszi.
A legújabb detektorosodat szemlélve jól eső érzés tölt el ,hogy még akadnak akik időt és fáradságot nem kímélve elkészítenek egy ilyen detektorost.Gratulálok a gondos kidolgozáshoz és a készülék szép formájához.Törhetem a fejem, hogyan közelítsem meg ezt a színvonalat.
A KH. műsoridő (és színvonal) csökkenése engem is aggaszt.Ha ezt fojtatják netán még fokozzák is akkor a detektoros rádiók vitrin díszé válnak.Igaz, hogy még így is szépek lesznek, mint a letűnt kor tanúi.Na-de ne temessük még a detektorost! Remélem lesznek még a fiatalok között akik folytatják a hagyományt.A mi dolgunk, hogy segítsük őket mint eddig is tettük.
Az igaz, hogy a germánium dióda használata detektorként roppant kényelmes, de véleményem szerint az az igazi amikor egy klasszikus kristály "csiklandozásával" bírjuk szólásra a detektorost.
Tegnap jártam egy ásvány boltba.Találtam pirit kristályokat kocka és amorf formában.A számunkra alkalmas körömnyi méretűeket 100-150 Ft. adták.Ki próbáltam őket és mind működik.Az egyik teljesítménye eléri az OA 1160 dióda teljesítményének 90%-át.Már többször is vettem kristályokat.Csalódás a galenit terén ért, mert vagy nagyon morzsálódott vagy gyengén szólt.A piritek mind beváltak. A porló kristály befogása fém olvadék segítségével lehetséges.Forrasztó ón olvadék nagy hő terhelésnek teszi ki a kristályt ami teljesítmény vesztést okoz.Erre a célra régen egy úgynevezett Wood fémet használtak, ami 100 fok alatt olvad.Ilyen fémet én nem találtam.Kérem ha valaki tud szerezni, értesítsen, mert szívesen vásárolnék belőle.
Tibi bácsi,
ha az emlékeim nem csalnak, akkor kávéfőző/bojler biztonságáért felel az említett ötvözöet. Esetleg kukta... Remélem tudsz így kukázni annyit, amennyi kell. Valamint van egy nem jó hírem: Keresgéltem egy csomót (pl. Tungsram rádió tanácsadó, stb.), de megfelelő egyenesvevő rajzot nem találtam telepescsővel. 1...sorozattal pedig végképpen nem. Természetesen tudunk fejleszeni, de igazán gyártásban nem nagyon volt, vagy nem jó helyen kerestem. Beszerezhető csőkészlettel legalábbis... Üdvözlettel, Gábor
Lassan már én is itt tartok
neten meg menne akkor "a közöségi adás"
Köszönöm a hozzászólásokat: hatvanasjocó, köbzoli, Abukodonozo, Vales, gbit, Gőzgépész fótumtársaimnak.
Szia!
2x500pF! Méréseim szerint 50pF-500Pf-os!
Kedves Gábor...
Köszönöm a segítőkészségedet.Ha most nem is sikerült, hátha később még előfordul egy megoldás.Ha szemed elé kerül, akkor jussak az eszedbe! Üdvözlettel:Tibor
Köszönöm szépen a javaslatot.Valóban minden megtalálható.Idővel átrágom magam rajta.
Üdv:Tibor.
Jó napot!
Nekem valahogy szinte minden sikertelen egy idő után. Készítettem egy olyan keretantennást, amit már írtam. Rengeteget vesződtem vele, pontosan megcsináltam. Nem működött, pedig azt a sokszor említett kézibeszélős erősítőt használtam. Fülhallgató helyett. Tegnap este a padlásszobámban beindítottam a Voltík II. detektorosát, ami azelőtt fogta a Kossuthot. Már este volt, de én tudom, hogy meddig van adásidő, tehát hozzácsatlakoztattam a kézibeszélőt. Minden szólt, össze-vissza hangolgatva (5 halk adó!), de a Kossuth nem. Másnap, azaz ma is kipróbáltam, a Kossuth nem jött be, akárhogyan próbálgattam. A körülmények annyit változtak,hogy három méterrel feljebb rádiózom, ugyanott. A zsebrádióm (ami eddig gyengébb minőségben fogott néha, mint a detektorosom) viszont most is fogta szépen. Volt, hogy kihúztam a kondenzátort, és akkor más adók jöttek be, kihúztam a ferritrudat és az antennát, akkor erősebben szólt...stb. De a várva várt adó nem szólt. Miért? Már majdnem mindent kipróbáltam, de 2kohm-os fülhallgatóval nem tudom fogni a Kossuthot, sőt, most már arról is lemondtam, csak valami adót fogjak érthetően, erősítő nélkül! Tudom, most a kérdésem nem lesz túl szerénytelen. Egy kb. két hét múlva kapok egy nagyjából 100kohmos piezós fülhallgatót. Valaki tudna felrakni egy olyan (szuper)pontos leírást egy jó detektorosról, GA202-essel, minél egyszerűbbet? Az szuper jó lenne, ha antennával és földeléssel együtt elférne egy maximum 1m^2-es területen, vagy esetleg egy kis dobozkában. Sőt, ha nem kéne hozzá ferritmag, az is jó lenne. A lényeg, hogy biztos siker legyen, úgy, hogy a Kossuthot tudná fogni 140 km-ről, kisebb heggyel az útjában. Felvidéken, Bényben lakok. Teljesen kifogytam az ötletekből!!!
A fentiek alapján lehet, hogy kicsi volt a kapacitás, próbálj egy 330pF kondenzátort próbaképpen párhuzamosan beiktatni a rezgőkörbe! A Kossuth a sáv legalján fogható. Meg aztán egy detektoroshoz bizony kell a magas hosszú antenna és a jó földelés, ami nekem egy 1m mélyen földbe levert vasrúd utólag jól meglocsolva. Ezt nemigen lehet megúszni főleg ilyen távolságból. Én is összeraktam egyet a hétvégén, és jól jött rajta a Kossuth is és az MR4 is Szolnokról az 1188 kHz-en. Nekem sajnos nincs nagyimpedanciás fejhallgatóm, csak kicsi (32ohm), de egy kimenőtrafó (illesztő) beiktatása meghozta a várt eredményt.
Jó napot kívánok!
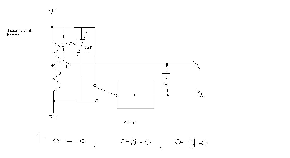
Bár feladtam a reményt látszólag, még egy utolsó kísérletre rászántam magamat. Megérte. Most már jó hangminőségben fogom a Kossuthot, minden egyéb nélkül, forgókondi nélkül, nagyon egyszerű, 75 mm-es ferritrúddal, egy elektronikai építőkészletből. Akarok FM detektorost is készíteni. Kitaláltam egy rádiót, de a neten is van két típus, melyik lenne a legjobb? A cím itt van, kettő rádió közül nem tudom, melyik jobb, vagy esetleg a z enyém. Vannak ott olyanok is, amik nem tudni, mi jó oda, vagy amit szaggatottal rajzoltam, kell-e oda, stb., ezt jó lenne, ha valaki átnézné és megválaszolná. Előre is köszönöm. U.I.: A tekercs az enyémben: 4 menet 1mm rézdrótból, 2,5 menetnél leágazás.
Érdekes link,felkeltete az érdeklődésemet,ha lesz időm kipróbálom.
Remek munka a kivitelezésed.Gratula!
Sziasztok! segítséget szeretnék kérni a detektoros rádióm hangolásához, azt tudom hogy lehet, csak azt nem hogy hogyan? van egy tekercsem 111menettel jelenleg, és rajta az összes létező adó megszólal egymás után
arab rádiótol kezdve a japán rádióig . ezt a tekercset nem igen használom egyenlőre, a videón amit mutatok az egy másik tekercs, egy motornak a tekercse, és egész tisztán befogja a kossuth rádiót a menetszámáról nem tudok semmit.http://www.youtube.com/user/surfsboys?feature=mhee#p/a/u/0/4a1OxerT2bs kossuth rádio-ra hangolva germánium diódát használok a kísérletezgetéshez
Szia!
Egy kicsit eltévedtél a tekercset illetően, mert egészen másféle tekercs kell bele. Olvass vissza. Hangolni forgókondenzátorral érdemes. Példa.
okés meglesem, forgókondenzátort hova kel köntöm mi közé? éppenséggel van 1 darabom belőle, de mindenképp átböngészem az oldalt
A forgókondenzátort a tekerccsel párhuzamosan kell kötni. Bővebben: Link. Valahogy így nézki a dolog: Bővebben: Link
köszönöm a választ, sokat segítettél, majd meg is próbálkozok vele így nézki amit használnék, már ha lehet használni
kephost.com/view3.php?filename=qkdk41zhd9xyd2x3tia7.jpg kephost.com/view3.php?filename=c3y1sczckli9wophz8j9.jpg
A "link" gombbal csatold be a képeidet, hivatkozásaidat.
Persze, hogy használható, csak ne az URH-ra való részt kösd be, ha ez olyan kombinált. Szerintem olvasgasd a topikot az elejétől kezdve.
rádióból lett kiszedve három csatlakozást látok a hátulján ahova valamikor drot volt rögzítve, plusz 1 a másik oldalán ott is drót lehetett rögzítve, olvasgatok persze
érdekel a dolog, mert tettszik és jó móka
Van-e esetleg olyan valaki, aki detektorossal hosszúhullámon fogott valamit. Itt elsősorban a legesélyesebb 270 kHz-es adóra gondolok Csehországból (Topolná Český Rozhlas 1). 650 kW teljesítménnyel ad az ország délkeleti részéből, tehát nem esélytelen. Hétvégén meg fogom próbálni.
Hali! este majd készítek felvételt hogy a házilag barkácsolt tekercsemmel miket fogok, olyan adókat is befogtam "japán!+tol kezdve az usáig hogy az jujj
DDpersze a szobám tele van drótozva antenna drottal, azt tervezem hogy ezt majd kint fogom megcsinálni az antennát
Ez nem nagy kunszt, mert ha egy erősítő bemenetére rádugsz egy germániumdiódát és arra egy darab drótot, ugyanígy beszélni fog az erősítőd. De ez csak az esti órákban működik jól, amikor az ionoszféráról jól visszaverődnek a távoli rövidhullámú adások jelei. Az a kihívás, hogy szelektíven vételezz, ne egyszerre meg váltakozva szóljanak mindenféle adások.
igen, én is pont ezt szeretném elérni, hogy külön szóljanak, ne egyszerre, meg buherálom a forgokondit hogy használni lehessen, hátha azzal már tudok egy kicsit szelektálni
a motorból kiszedett tekercstől egész tisztán szól a kossuth rádió. semmi hátérzaj
node megcsináltam a forgokondenzátoromnak a lábacskáit, kíváncsi vagyok, hogy mi fog kisülni belőle Bővebben: Link
Persze hogy figyelek az ilyen hibákra, csak van amikor gyorsan írok, és így elmarad néhány jelző.
A hangolatlan tekercsemmel a létező összes am-en működő rádió bejön egymás után, egy darabig el is szórakozok vele, de mikor minden egybe kezd el szólni inkább le kapcsolom. A motorból kiszedett tekercshez, viszont hozzá sem kel nyúlnom, prímán bejön vele az az 1 adó . A hangolatlan tekercsemet kellene behangolni valahogy mert lenne értelme, az a tekercs111 menetes jelenleg, mennyit tekerjek rá hogy jó legyen? Még 20at? egy álmom egy olyan rádió megépítése, saját kezűleg, amivel több adó is fogható tisztán. |
Bejelentkezés
Hirdetés |




neten meg menne akkor "a közöségi adás" 



arab rádiótol kezdve a japán rádióig
. ezt a tekercset nem igen használom egyenlőre, a videón amit mutatok az egy másik tekercs, egy motornak a tekercse, és egész tisztán befogja a kossuth rádiót a menetszámáról nem tudok semmit.
DDpersze a szobám tele van drótozva antenna drottal, azt tervezem hogy ezt majd kint fogom megcsinálni az antennát
