Fórum témák
» Több friss téma |
Konkrétan az M266 -os lakatfogóhoz külön egységként vásárolható M261 -es szigetelésvizsgáló adapter érdekel, vagyis, hogy ismeri-e azt valaki belülről. Az tiszta, hogy van benne egy 500 V-os DC/DC átalakító, de minek a 3 csatlakozási pont? A használati utasítás pedig azt mondja, hogy az "L" és "G" pontokat használjuk a méréshez, a harmadikat ("E") nem is említi.
Azért érdekel a dolog, mert megépíteném, és tarthat számot érdeklődésre másnál is. (A megépített darab nyilván használható lenne más műszerekhez is.)
Én mást találtam!
L - Center conductor E - Insulating layer G - Shield 1. Connect the terminals "V/Q", "COM" and "EXT" on the Insulation Tester Unit to the corresponding input jacks in the clamp meter. 2. Set the rotary switch on the clamp meter to range "2000MQ" 3. Connect the test lead with an alligator clip to jack "E", and the other one with a probe to jack "L". 4. Connect the test leads to the circuit to be measured. 5. Set the power switch to "ON". 6. Press the button on the Insulation Tester Unit, the LED "500V ON" will light, and the resistance value will be displayed on the LCD. 7. If the circuit is open or the insulating resistance of the circuit is over 2000MQ, mark "1" will be displayed on the LCD. 8. If you measure resistance less than 10MQ in range 2000MQ, the measure error will be very high; in this case, set the range switches on both the clamp meter and the insulation tester unit to range 20MQ, and redo the measurement once more. 9. Set the power switch to "OFF" after completing the measurement.
Valóban ez van nekem is, csak magyarul.
(Nem tudom, miért olvastam félre, biztosan nem voltam magamnál. )(...hogy tudjuk, miről van szó...) Akkor sem tiszta. Minek az árnyékolás? A hozzá adott mérőzsinór az kutya közönséges műszerzsinór. (Persze ezt csak képen láttam.) És minek a 20 MOhm és a 20000 MOhm váltó kapcsoló? Az alapműszer (M 266) tartalmazza ezt. Mind a kettőt kapcsolni kell méréshatár váltásnál? Minek a Power gomb, és külön az 500 V (nyomó) kapcsoló? Ha az orrommal nyomom a nagy piros gombot, akkor nem látom a kijelzőt. (A harmadik kéz növesztése még mindig nem sikerült!) Ha neked van ilyen M 261 -es, akkor szedd szét, és rajzold le a lényeges elemeket benne légy szíves! Az is érdekelne, hogy mi megy az alapműszer három csatijába. (Vagyis, hogy utánépíthető legyen!) Esetleg építsek egy komplett szigetelésvizsgálót? Annyira kézenfekvő lenne az utánépítése ennek az M 261 -nek, mert a lakatfogós (M 266) műszer itt hever az asztalomon.
Szevasz!
Valamikor ezt forgalmaztuk, egy-két dologra emlékszem. A power gombbal kapcsolod be az egységet. Eredeti kábele 2 erős csipeszben végződik, rajta vastag, azt teljesen beborító szigetelő "nadrág". Ezt csipteted a mérendő objektumra, itt 500V lesz, és egy ujaddal megnyomod a piros gombot, ami kapcsolja a nagyfogyasztású invertert. Másik /látod még szabad is/ kezeddel nem fogdosol semmit... Üdv: StMiklos
Igen, egyről beszélünk, bár van C-261, illetve DT-261-es típusjelzése is, attól függően, hogy mely országokban kerül piacra. Bővebben: Link
Idézet: A mellékelt doksi példát mutat a használatára.„Minek az árnyékolás?” Idézet: 4,7 4,8-as instrukciók a doksiban erre utalnak.„És minek a 20 MOhm és a 20000 MOhm váltó kapcsoló?” Idézet: Mert ezzel alapállapotba teszed a kiegészítő egységet, megfelelő alap jelet küldve a fő műszernek.„Minek a Power gomb, és külön az 500 V (nyomó) kapcsoló?” Idézet: Ezt is írja a doksi. „harmadik kéz” "alligator clip", magyarul: krokodil csipesz.A továbbiakban nem tudok segíteni, mert nincs ilyenem. De nem olyan egyszerű lehet a belseje, mert itt van egy DC/DC konverter (ez még nem bonyolult), de aztán van valamiféle nagyon precíz uV-okat is mérő rész, ami aztán megfelelően erősítetten megy a fő műszerhez. Aztán ezt a kiegészítőt is kell három helyen kalibrálni. RECALIBRATION (Qualified personnel only) 1. 500V DC 1) Slide the switch to "20Mohm", position, and connect terminal E and L to the multimeter (the range switch must be set to range "1000V DC"). 2) Adjust R02 till the reading on the LCD of the multimeter is 520V. 2. 2000Mohm Connect the terminal E and L to a resistor of 1000Mohmą1%, adjust R14 till reading on the LCD is 1000. 3. 20Mohm Connect the terminal E and L to a resistor of 10Mohm+0.1%, adjust R21 till reading on the LCD is 10.00.
Ha 4590Ft-ból kihozol egy teljesen új, komplettet vagy hajt az építési vágy, ne habozz.
Egyébként vedd meg.
Van ócsóbbé is...
De inkább csináltam volna.
Sziasztok.
Lehet nemide tartozó a kérdésem,de az M266-os műszerrel van kapcsolatban.Nekem is van egy ,és kellene egy kapcsolási rajz,vagy valami.Szeretnék belőlle egy simán csak áramváltot készíteni.Nem tudom hogyan lehetne kivitelezni.Alapban van egy koszinuszfi mérő berendezés ehhez szeretném egyszerüen átalakítani.
Sziasztok!
XS szigetelésvizsgálóhoz keresnék kapcsolási rajzot (ÉV univerzal dobozos) Előre is köszönöm.
Sziasztok!
Szeretném kérdezni, hogy mire is jó egy ilyen szigetelésvizsgáló? Új szerelésnél lehet ellenőrizni a hálózatot? Illetve, ha van ilyen műszerem(M266) akkor érdemes-e egy ilyet beszereznem hozzá? (Ha tudnám ellenőrizni vele a munkám, akkor úgy gondolom, érdemes lenne) Előre is köszönöm a válaszokat! Üdv.: Tuci
Ha nem tudod, hogy mire való a szigetelésvizsgáló akkor azt javaslom, hogy NE kontárkodj a villanyban!
Ha tanultad a villanyészatot, akkor tudod azt is, hogy ez mire való! Te nem tanultál villamosságról semmit sem!
Köszönöm a gyors választ. Tényleg nem tanultam, csak elméletileg érdekelne...(De ettől még tanulhatom majd, ha szeretném vagy nem?) Nem kontárkodni akartam, csak kíváncsi vagyok...
Üdv.
Sziasztok!
A nagyfeszültségű átütés teszter (HI-POT) hogyan működik, mi alapján dönti el hogy jó-e az adott áramkör vagy sem? Pl ha egy összeszerelt fém házas DVD lejátszót akarok vele tesztelni akkor ilyen szempontokat illene vizsgálni? A testzárlat kiderül egy ilyen teszttel? Illetve mennyire veszélyes egy tápegységet, egy fém burkolatba szerelve átütés teszt nélkül üzemeltetni? Pl PC tápokat is tesztelik gondolom HI-POT teszttel. Ha megbukik vagy nem megy át a táp a teszten akkor az lehet életveszélyes a felhasználóra nézve?
Szia!
A nagyfeszültségű tápegység kimenő áramát mérik. Ha átlép egy bizonyos jól definiált határt, akkor a vizsgált készülék, alkatrész megbukott. Nálunk a cégnél izolácsiós (ISO) tesztnek hívják. Ha megbukott, akkor a továbbiakban nem vizsgálják, hanem megy a zúzdába.
Tehát ha pl megbukik a DVD lejátszó a teszten akkor kuka a táppanel rész. Az ilyen nem is javítható?
De ha valaki netalántán mégis rendes 230V-os áram alá helyezi akkor mi történhet?
A HI-POT teszt esetén a hálózati feszültség bemenet és a burkolat valamint -ha van- üzemszerűen a hálózattól galvanikusan leválasztott kimenetek közt ellenőriznek átütési szilárdságot (néhány kV feszültséggel), szigetelési ellenállást valamint -ha az eszköz I. érintésvédelmi osztályú (védővezetővel ellátott), akkor a védővezető ellenállását is ellenőrzik rövid időre nagy erősségű (több 10, néha 100A) próbaáram rákapcsolásával.
Hobbi körülmények közt , saját felhasználású eszközök esetén nem szoktunk szabályos hi-pot tesztet végezni, max. ellenállásmérővel ellenőrizzük a védővezetőt és a testzárlatot. Kereskedelmi forgalomba viszont -elvileg- nem kerülhet hálózati feszültségről üzemelő berendezés ilyen, sikeres teszt nélkül. Ha megbukik egy berendezés, akkor nem kerülhet(ne) ki a gyárból. Amúgy szerencsétlen esetben életveszélyes is lehet egy hibás szigetelésű (testzárlatos) vagy szakadt védővezetőjű berendezés.
De, általában javítható. Ahol ilyen teszttel találkoztam, ott általában a táp (AC) szűrőkörében lévő kondenzátorok és varisztorok szivárgó árama, vagy fatális összeszerelési malőr (pl. beékelődött csavar a burkolat és a panel közt, vezetékek összecserélése (zöld/sárga a barnával)) okozott hibát.
Jó esetben az ilyen eszköz beüzemelésekor leold az áramvédő relé vagy a kismegszakító/biztosíték, rossz esetben a kaszni feszültség alá kerül és "más lesz a fogása".
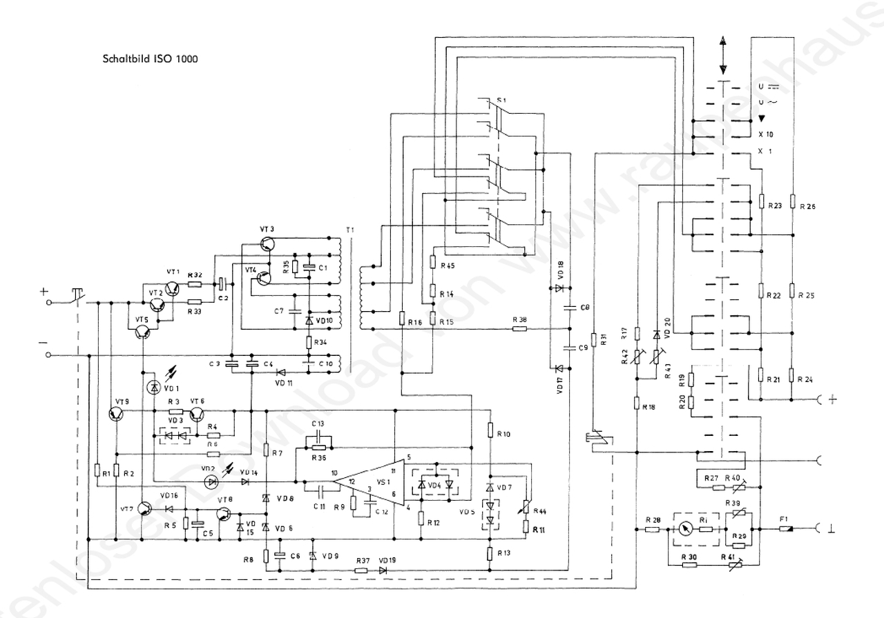
Üdv mindenkinek! Azért nyitottam ezt a témát, mert az interneten sajnos nem találtam ez irányú irodalmat, kapcsolásokat, és gyári műszerek kapcsolási rajzát sem, pl a GANZ XS-1000. Akinek van ötlete ill. leírása egy ilyen szigetelésvizsgáló műszer elkészítéséhez amatőr körülmények között, kérem ossza meg a publikummal!
Sziasztok,
Van egy Sefelec - Premier 2745 típusú tesztgépem. A legutóbbi használat során kiírt egy hiba üzenetet: VOLTAGE TOO HIGH. Ezután kiégett benne egy IC MIC5801BN ami következtében a ventilátor, a LED diódák és a hangszóró működése leállt. A gép maga bekapcsolt gond nélkül, de ha tesztelést indítottam ugyan azt a hiba üzenetet kaptam. A kiégett IC-t kicseréltem, a ventilátor és a többi dolog ismét működik de tesztelni nem tudok vele mert a hiba üzenet továbbra is adott. A segítségeteket szeretném kérni a hiba megtalálásában, nem tudom mit kezdhetnék még vele. Előre is köszönöm a hozzászólásokat!
Szia! Találtam egy gyári műszer dokumentációt. üdv pali
Üdv!
Szert tettem egy GANZ XS-1000 szigetelés vizsgáló készülékre. A mérés, kalibrálás végén, a transzverter gomb elengedésekor a mutató több-kevesebb lendülettel balra koppig kivág. Van valakinek esetleg a belsejéről valami érdemleges leírása, vagy használati tapasztalata?
Az erősáramú fórumon megnyugtattak, hogy ez így működik, ahogy. Tehát nincs más tennivalóm, használom egészséggel, amíg lehet...
A hozzászólás módosítva: Jan 5, 2014
Sziasztok!
BM500A digitális szigetelésvizsgálót ismeri valaki? Kb 5000,-ért árulják az ebayen. Érdemes ezt megvenni? Elsősorban földkábelek szigetelését mérném vele. A doksiját csatoltam pdf-ben. Bővebben: Link - Itt kapható
Attól függ hogy mire akarod használni. Ezekkel az a baj hogy kicsi a mérőfeszültségük, trafókhoz pl. 2-4kV körüli kell.
Akarok egyet én is csinálni, kell egy DC-DC konverter 2-3kV körüli szekunderrel, meg egy analóg műszer az ehhez való mérőkörrel. A régebbi gyári szigetelésvizsgálók sem bonyolultabbak.
Elsősorban földkábelek szigetelését mérném vele.
Az 1000V-os mérőfeszültség nekem pont jó. Más egyéb szempontból érdeklődnék, hogy a műszer mennyire megbízható. Gondolom egyen feszültséggel mér, nekem ez lényeges lenne, mert a kábeleknek jelentős kapacitása van. Akár 2-3 km hosszú földkábelekről van szó.
Üdv mindenkinek.
Van egy Ganz gyártmányú Insulationtest Typ:xs-1 szigetelés vizsgálóm. Bármilyen dokumentációja, használati utasítása van valakinek hozzá?
Kiegészíteném, hogy ez egy nagy fa dobozos 1- 2.5- 5 KV.-s hálózatról működő készülék.
Skorinak az ígért rajzok, azaz folytatás az érintésvédelmi topikból. Ezek mind régi, egyszerű műszerek.
|
Bejelentkezés
Hirdetés |




(Nem tudom, miért olvastam félre, biztosan nem voltam magamnál. )
"alligator clip", magyarul: krokodil csipesz.















