Fórum témák
» Több friss téma |
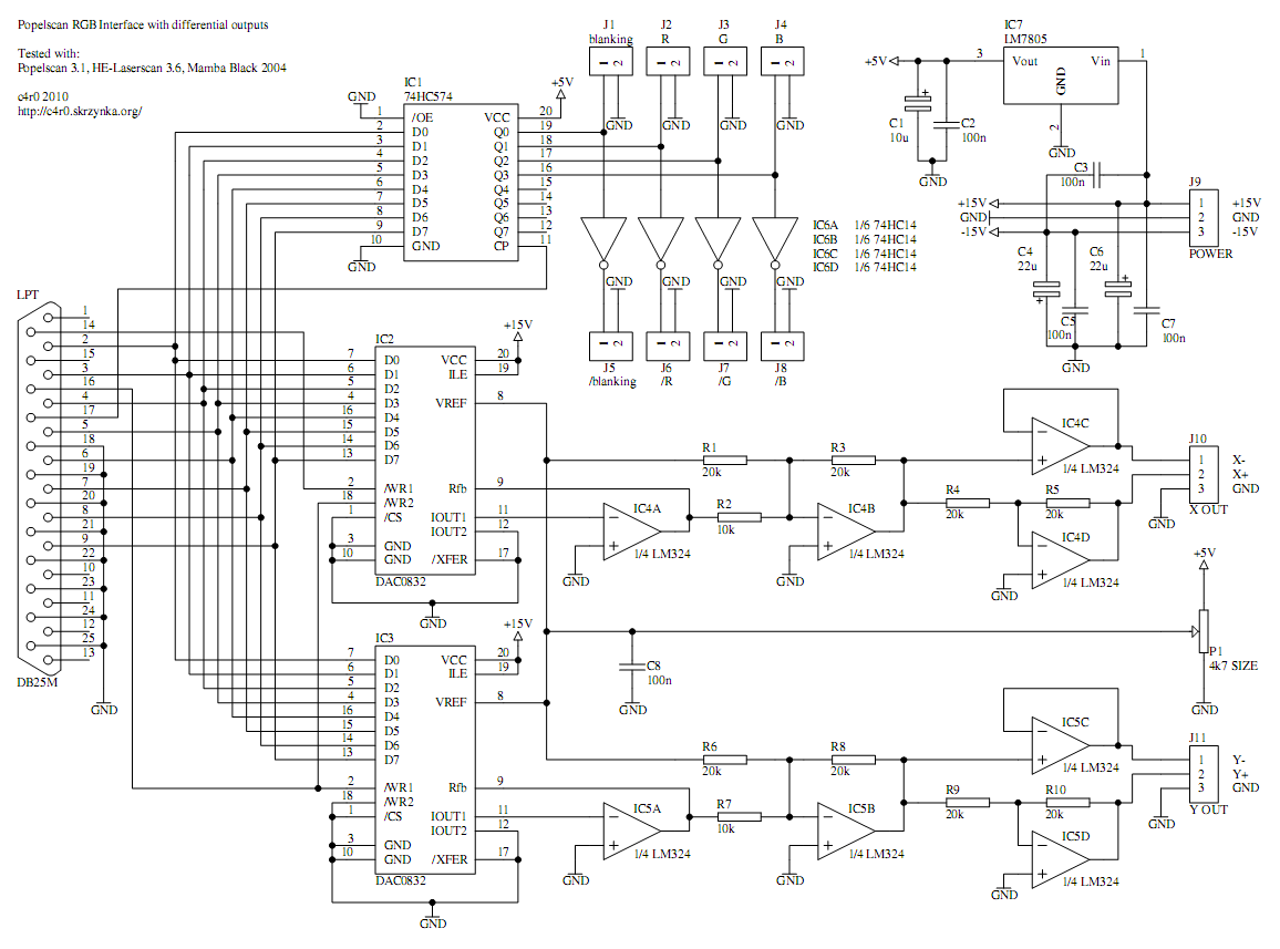
Ez számítógéppel vezérelt galvo eltérítős rendszer, LPT dacal vezérlik ingyenes letölthető szoftverrel, lent mellékelem kapcsolását ha érdekel van nyák tervem is, de van itt fórumba is terv róla, ez egy picit bonyolultabb több munkát igényel. Ez csak egy kártya ami összeköti gépet és a galvo rendszer meghajtását. Galvo rendszeröl sajnos infót nem tudok mondani lehet gyári de akár egy otthon épített is.
Mutasd meg milyen kapcsolást találtál megnézem és remélem tudok segíteni. Legegyszerűbb talán az a változat amikor enyhén döntve kör alakú tükröket ragasztasz ventilátor motorokra egymás mellé helyezed olyan módon, hogy a lézer sugárt a 2 tükrön keresztül teríted el,motor fordulat szám szabályzásával rengeteg ábrát tudsz kirajzolni gyors egyszerű, nem kell hozzá számítógép és olcsó. Nézz szét itt is it találsz pár projekt meg hogy müködik a galvo eltérítő Bővebben: Link
Kösszi szépen de nekem ez túlságosan bonyolult
Pedig nem lenne rossz ötlet . Nekem csak annyi kell mondom hogy akár egy üvelg lap ami ilyen érdekesen szét töri a fényt ilyen csíkokba azt rá tenni egy villany motora és az üttemre villog csak ilyen üveget szolnokon még nem találtam , mert nekem nem alakzatok kellenek hanem mint a discoba vannak ilyen lasher fények gondolkodtam venni kellene de túl sokba kerül . pontosítok A sugárjáték, mint látványelem kellene persze kicsibe. a galvo eltérítős megoldásra gondolok.
Nem tudtam modosítani az utolsó hozzá szólásomat a galvó motorhoz jó lenne egy ps2 joyba lévő villany motor ami rezzgeti a joyt vagy inkáb egy cd olvasó tálca mozgató lenne jobb.Talátalm ezt a kapcs rajzot az oldalon amit linkeltél , eltudnád magyarázni ezzel hogyan is tudnám működtettn ia galvo motort ?
A galvó(galvanométer) az NEM motor,hanem egy mozgó mágneses műszer.
Bővebben: Link Ugyanezen az elven működik a hangszóró is. A kapcsolás(open loop jav)egy szervó erősitő,visszacsatolás nélkül.Egy normál DC motor meghajtására is jó,ha pl hangfekvenciás jellel vezérled. De Neked jobban ajánlott a spirográf,szlaci kollega bemutatta az ő működő verziós kapcsolását. Hasonló látványelemeket képes megjeleniteni,mint a köv. video:szerintem egy ilyen nagyon is tetszene. Más elven működő lézeres látványelemek(léptető motoros,galvós scanner)már pénzt időt és rengeteg energiát kiván.
Értem sajnos pénzen kívűl mindenem van :S Azabaj hogy nem rossz csak házi buliba nem tudom hogy nézne ez ki :S Ilyesmire gondoltam http://www.youtube.com/watch?v=IrZY6TGZXCY
Úgy gondolom,egy házibuliba,tökéletesen elegendő.
A lézer,lézershow-s dolgok nem épp olcsó dolgok,sokszor kénytelenek vagyunk beérni egy szerényebb eszközzel. Ha komoly,animációs lézerre vágysz,mint a videóban mutattad,akkor oda elmondtam,mik kellenek.Elsőre nekiugrani egy ilyennek,badarság,információ,információ,információ... Lehet egész olcsón kapni kisebb lézergépeket is,léptető motorral terelgetik a sugarat,ár/értékük jó,megfelelő.Kifejezetten 10-30 fős bulikba gyártják őket.
Az xbox 360 olvasóba milyen színű lézer van mert ha hihetünk ennek a videónak (szerintem kamu)akkor erre rá szerelnék egy motort ami ütemre van vezérelve és csókolom
Meg ne sértődj,de ennek semmi köze nincs ahhoz amit az előbb mutattál.Az a videó egy nagyjából 250ezer forintos projekt,ha nem több.
Az XBOX360-ban pedig bluray dióda van,plusz ugye a cd-k és a dvd lemezek olvasásához egybeépitve a vörös és infra lézer. Ha egy olyan,cd lemezes kis projekttel beéred,akkor más csak egy lézerforrás kell,azt csókolom
Régebben találtam ebbe a toplicba egy olyat hogy 3 darab pc ventilátor volt egymás mellet és egy lézer forrás az is ilyesmi hatást adott vélemény? http://www.youtube.com/watch?v=3OJGRSMDQx8&feature=related
Ezt hivják spirográfnak.Egyszerű,nagyszerű és mindfelett olcsó,,szinte bármilyen pici dc motor jó hozzá,csdak egy vezérlőt kel lneki épiteni és party-ra fel!
Tudnál valami nagyon egyszerű vezérlő kapcsolási rajzát adni , azabaj nem tudom hogy lenne jó két potméterel tekergetni vagy zene ütemére mennyen ötlete neked melyik jönne be ?
Szlaci001 kollegát keresd,meg,ő épitett már ilyet
Helló
Engem az érdekelne hogy ezt a PWM-es vezérlést ami a videón is látható ezt hogy lehet megoldani mert elég szép ábrákat tud és a sima mezei potis cuccommal ennyire sok félét nem tudok csinálni. Van ehhez esetleg kapcs rajz v. nyákterv? A segítséget előre is köszönöm! üdv szaky27
Sziasztok!
Csináltam 2db eltérítőt, ugyanazt az elvet használja, mint a komolyabb cuccok, x-y eltérítés. Egyenlőre a hifiről hajtom őket, a számítógépről pedig különböző jelformákat adok ki a hangkártyán, különböző frekvenciával, különféle fázisban. Egész sok ábrát tud, később azokról is teszek fel képet. Úgy fogom megcsinálni,hogy lehet használni a programról is,de lesz benne hangfrekis generátor ami automatikusan fog 20-120Hz között szinuszt, négyszögjelet, háromszögjelet. kiadni és ezekből persze kettő, mindegyik galvónak 1-1db Kicsit amatőr a kivitelezés,de még csak most kezdtem ezzel foglalkozni, mindenesetre jobbnak vélem,mint a forgótükrös megoldást. Ebben több lehetőség van.
Természetesen csak sugárjátékra képes, bonyolultabb ábrákra a nagy tehetetlensége miatt és profi vezérlés hiányában képtelen.
Ügyes munka.Gratt.
Látod én még ilyet sem tudnék összehozni,pedig aztán itten 1.5W-os lézert csinálgatok...
Valahol itt kezdtem én is! De csak akarat és simán jókat lehet alkotni!! Úgyhogy csak hajrá, és ha van kérdés, itt mindenki segít benne!!
Köszönöm a dicsérő szavakat
Normális zöld modult tudna ajánlani valaki? Olyan kéne ami akár 8-10órán keresztül képes működni fényerőcsökkenés és bármilyen meghibásodás nélkül.Egyébként tovább fogom fejleszteni,hogy legyen benne visszacsatolás is meg,hogy kisebb legyen a forgó tömeg. Hamarosan mutatok képeket az ábrákról
Helló
Végre eljutottam odáig hogy már kezdem beültetni a panelt amit a nyákterved alapján csináltam. Olyan kérdésem lenne hogy a hangvezérlős résznél van egy poti aminek a terven nem láttam értéket feltüntetve oda hány ohmosat tegyek? A panelon van egy 1N4011 es dióda ezt lehet valami másik típussal helyettesíteni? És olyan mikrofont kaptam aminek nincsenek lábai csak forr pontok itt a kérdésem hogy a polaritás az mindegy hogy van mer különösebb jelölést nem látok rajta és ha dobozolni akarom a lézer showt akkor a mikrofont a dobozon kívülre tegyem v. elég ha fúrok neki egy lyukat és abba teszem? A segítséget előre is köszönöm! üdv szaky27
Ugorj fel a dj börzére.
Épp hirdetnek egy jó minőségű modult,nagyjából 80mW-os,az már nagyon szép fényes.
A poti az 10 kohm-os. A dióda lehet másik is nyugodtan. A mikrofonnak az egyik kivezetése rajt van a házon, az a negatív. Nyugodtan maradhat a mikrofon a dobozon belül, de akár ki is lehet vezetni. Ahogy szimpatikus.
Hello!
Egy egyszerű kérdésem lenne, hogy a lézer modulok fókusztávolságát mihez képest állítjátok? Ha kb. 15-20 méter távolságra állítom be, és a modul kb. 20cm-re van a galvó tükrüktől akkor a galvo tükör méretétől jóval nagyobb lézerpont van, és a fele lelóg a tükrökről, viszont ha a galvótükrökre állítom a fókuszt akkor a 15méterre lévő lézerpont kb. 20cm átmérőjű. Esetleg van erre valami speciális lencse azon kívül ami a modulban van? Köszi!
Kolimálással lehetne megoldni ( sugár párhuzamosítással), de ehhez kifinomult optika kell, nem tudom házilag menyire kivitelezhető, milyen modult használsz? és milyen diódát? Ez a Modul egész jó lencsével rendelkezik, lehet kapni hozzá üveg lencsét is.
Köszi szépen!
A modulban már van kollimátor lencse, igaz műanyag és lehet ez a probléma? Azt pontosan nem tudom milyen modul (ebay-ről vásárolt), a dióda az 405nm-es és vörös 660nm-es, a zöld modullal nincs probléma az jó. A mellékelt képen látható modult rendeltem most, üveg lencse van benne és hátha jó lesz, ha nem akkor megpróbálom amit irtál.
Az egyetlen amit tehetünk a kék/lila/piros diódák sugarával,az a kollimálás,mint Balázs is mondta.
A cél a lehető legkisebb keresztmetszet és a tökéletes párhuzamosság megközelitése. Amit emlitettél,hogy a tükörre fókuszálsz,annak nincs értelme,a jusztirozáshoz nem kell semmi más,mint elegendő távolság(10-20méter) és a lézer legyen bekapcsolva.
Köszi, neki is látok hátha összejön valami
Üdv olyan kérésem lenne valaki ezt át tudná alakítani hogy 3 darab lézert villágítson egy kéket egy zöldet és egy pirosat lehető legkevesseb alap anyagból lehesen megcsinálni .
|
Bejelentkezés
Hirdetés |





Pedig nem lenne rossz ötlet . Nekem csak annyi kell mondom hogy akár egy üvelg lap ami ilyen érdekesen szét töri a fényt ilyen csíkokba azt rá tenni egy villany motora és az üttemre villog csak ilyen üveget szolnokon még nem találtam , mert nekem nem alakzatok kellenek hanem mint a discoba vannak ilyen lasher fények gondolkodtam venni kellene de túl sokba kerül . pontosítok A sugárjáték, mint látványelem kellene persze kicsibe. a galvo eltérítős megoldásra gondolok. 


